Towards Optical Partial Discharge Detection with Micro Silicon Photomultipliers
Abstract
1. Introduction
2. Experimental Setup
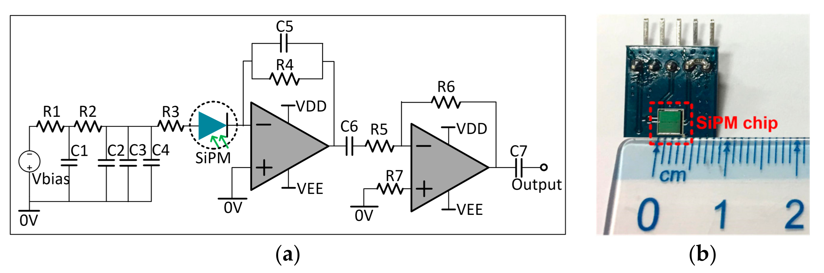
2.1. Silicon Photomultiplier Sensor
2.2. Synchronous PD Measurement Setup
2.3. Defect Models in Gas Insulation
3. Results and Discussion
3.1. Typical Output PD Pulses
3.2. Basic Performances of the SiPM-Based PD Detection
3.2.1. Lower Limit of Detection
3.2.2. Pulse Resolution Time
3.2.3. EM Interference Immunity in PD Detection
3.3. Quantitative Relationship between the SiPM Output and the Current Pulse
3.4. Stochastic PD Detection
4. Conclusions
Acknowledgments
Author Contributions
Conflicts of Interest
References
- Metwally, I.A. Status review on partial discharge measurement techniques in gas-insulated switchgear/lines. Electr. Power Syst. Res. 2004, 69, 25–36. [Google Scholar] [CrossRef]
- Hu, X.; Siew, W.H.; Judd, M.D.; Peng, X. Transfer function characterization for HFCTs used in partial discharge detection. IEEE Trans. Dielectr. Electr. Insul. 2017, 24, 1088–1096. [Google Scholar] [CrossRef]
- Tenbohlen, S.; Denissov, D.; Hoek, S.M.; Markalous, S.M. Partial discharge measurement in the ultra high frequency (UHF) range. IEEE Trans. Dielectr. Electr. Insul. 2008, 15, 1544–1552. [Google Scholar] [CrossRef]
- PD IEC/TS 62478:2016–High-Voltage Test Techniques: Measurement of Partial Discharge by Electromagnetic and Acoustic Methods; International Electrotechnical Commission: Geneva, Switzerland, 2016.
- Gupta, N.; Ramu, T.S. Estimation of partial discharge parameters in GIS using acoustic emission techniques. J. Sound Vib. 1998, 69, 25–36. [Google Scholar] [CrossRef]
- Albarracín, R.; Robles, G.; Martínez-Tarifa, J.M.; Ardila-Rey, J. Separation of sources in radiofrequency measurements of partial discharges using time-power ratio maps. ISA Trans. 2015, 58, 389–397. [Google Scholar] [CrossRef] [PubMed]
- Robles, G.; Fresno, J.M.; Martínez-Tarifa, J.M. Separation of Radio-Frequency Sources and Localization of Partial Discharges in Noisy Environments. Sensors 2015, 15, 9882–9898. [Google Scholar] [CrossRef] [PubMed]
- Albarracín, R.; Ardila-Rey, J.A.; Mas’ud, A.A. On the use of monopole antennas for determining the effect of the enclosure of a power transformer tank in partial discharges electromagnetic propagation. Sensors 2016, 16, 148. [Google Scholar] [CrossRef] [PubMed]
- Judd, M.D.; Farish, O. High bandwidth measurement of partial discharge current pulses. In Proceedings of the IEEE International Symposium on Electrical Insulation, Arlington, VA, USA, 7–10 June 1998; Volume 2, pp. 436–439. [Google Scholar]
- Schwarz, R.; Muhr, M. Modern technologies in optical partial discharge detection. In Proceedings of the 2007 Annual Report—Electrical Insulation and Dielectric Phenomena, Vancouver, BC, Canada, 14–17 October 2007; pp. 163–166. [Google Scholar]
- Julio, P.R.; Jose, A.G.S.; Jesus, R.S. Fiber optic sensor for acoustic detection of partial discharges in oil-paper insulated electrical systems. Sensors 2012, 12, 4793–4802. [Google Scholar]
- Wang, X.; Li, B.; Roman, H.T. Acousto-optical PD detection for transformers. IEEE Trans. Power Deliv. 2006, 21, 1068–1073. [Google Scholar] [CrossRef]
- Wang, X.; Li, B.; Xiao, Z.; Lee, S.H.; Roman, H.; Russo, O.L.; Chin, K.K.; Farmer, R.F. An ultra-sensitive optical MEMS sensor for partial discharge detection. J. Micromech. Microeng. 2005, 15, 521. [Google Scholar] [CrossRef]
- Gamal, A.; Paul, B.; Michael, C.; Roland, H.; Johann, M.; Herbert, O.; Ken, S. Application of geiger-mode photosensors in cherenkov detectors. Nucl. Instrum. Methods Phys. Res. 2011, 639, 107–110. [Google Scholar] [CrossRef]
- Cova, S.; Ghioni, M.; Lotito, A.; Rech, I.; Zappa, F. Evolution and prospects for single-photon avalanche diodes and quenching circuits. J. Mod. Opt. 2004, 51, 1267–1288. [Google Scholar] [CrossRef]
- Eckert, P.; Schultz-Coulon, H.C.; Shen, W.; Stamen, R.; Tadday, A. Characterisation studies of silicon photomultipliers. Nucl. Instrum. Methods Phys. Res. A. 2010, 620, 217–226. [Google Scholar] [CrossRef]
- Llosa, G.; Belcari, N.; Bisogni, M.G. Energy and timing resolution studies with silicon photomultipliers (SiPMs) and 4-pixel SiPM matrices for PET. IEEE Trans. Nucl. Sci. 2009, 56, 543–548. [Google Scholar] [CrossRef]
- Renker, D.; Lorenz, E. Advances in solid state photon detectors. J. Instrum. 2009, 4, 04004. [Google Scholar] [CrossRef]
- Rando, R.; Corti, D.; Dazzi, F.; Hermel, R.; Maier, R.; Korpar, S.; Rosuer, R.; Fink, D.; Mehrez, F.; Teshima, M.; et al. Silicon photomultiplier research and development studies for the large Size telescope of the Cherenkov telescope array. Physics 2015, 23, 2605–2609. [Google Scholar]
- Agishev, R.; Comeron, A.; Rodriguez, A.; Sicard, M. Dimensionless parameterization of lidar for laser remote sensing of the atmosphere and its application to systems with SiPM and PMT detectors. Appl. Opt. 2014, 53, 3164–3175. [Google Scholar] [CrossRef] [PubMed]
- Niemeyer, L. A generalized approach to partial discharge modeling. IEEE Trans. Dielectr. Electr. Insul. 1995, 2, 510–528. [Google Scholar] [CrossRef]
- Morshuis, P.H.F.; Kreuger, F.H. Transition from Streamer to Townsend mechanisms in dielectric voids. J. Phys. D Appl. Phys. 1990, 23, 1562. [Google Scholar] [CrossRef]
- Ishida, T.; Nagao, M.; Kosaki, M. Relation between swarming pulsive microdischarges and surface roughness of dielectric materials in terms of surface potential distribution. In Proceedings of the 11th International Symposium on High Voltage Engineering, London, UK, 27–23 August 1999; pp. 309–312. [Google Scholar]
- Kleint, C. Comments and references relating to early work in field electron emission. Surf. Interface Anal. 2004, 36, 387–390. [Google Scholar] [CrossRef]
- Bartnikas, R.; Novak, J.P. On the spark to Pseudoglow and glow transition mechanism and discharge detectability. IEEE Trans. Electr. Insul. 1992, 27, 3–14. [Google Scholar] [CrossRef]
- Nelson, W.B. Applied Life Data Analysis, 1st ed.; Wiley-Interscience Press: New York, NY, USA, 2003. [Google Scholar]
- Christophorou, L.G.; Olthoff, J.K. Electron interactions with SF6. J. Phys. Chem. Ref. Data 2000, 29, 267–330. [Google Scholar] [CrossRef]
- Altenburger, R.; Heitz, C.; Timmer, J. Analysis of phase-resolved partial discharge patterns of voids based on a stochastic process approach. J. Phys. D Appl. Phys. 2002, 35, 1149. [Google Scholar] [CrossRef]












| Discharge Type | Intensity | Feature | Detectability | |
|---|---|---|---|---|
| Current | Light | |||
| Field emission | 10−10, …10−5 A/m2 [24] | continuous | no | no | 
| glow | ~10 A/m2 [25] | continuous | no | yes | 
| Townsend, SPMD | ~100 μA [25] | pulsed, ~100 ns | yes | yes | 
| streamer | ~mA, >10 pC | pulsed, ~100 ns | yes | yes | 
| leader | ~0.1, …~10 A | pulsed, 0.01…1 ms | yes | yes | 
| spark | ~0.1, …~10 A | pulsed, 0.001…1 ms | yes | yes | 
| partial arc | ~1, …~10 A | pulsed to continuous | yes | yes | 
| Statistical Parameters (Sensor) | Δt0 | β | N | ER | 
|---|---|---|---|---|
| Point discharge (HFCT) | 5.367 | 1.626 | 4999 | / | 
| Point discharge (PMT) | 5.354 | 1.630 | 4999 | 0.24% | 
| Point discharge (SiPM) | 5.358 | 1.631 | 4999 | 0.17% | 
| Surface discharge (HFCT) | 3.520 | 1.612 | 16,000 | / | 
| Surface discharge (PMT) | 3.529 | 1.612 | 16,000 | 0.26% | 
| Surface discharge (SiPM) | 3.527 | 1.606 | 16,000 | 0.20% | 
| Floating discharge (Current) | 33.24 | 1.610 | 7500 | / | 
| Floating discharge (PMT) | 33.24 | 1.610 | 7500 | 0.00% | 
| Floating discharge (SiPM) | 33.24 | 1.613 | 7500 | 0.00% | 
© 2017 by the authors. Licensee MDPI, Basel, Switzerland. This article is an open access article distributed under the terms and conditions of the Creative Commons Attribution (CC BY) license (http://creativecommons.org/licenses/by/4.0/).
Share and Cite
Ren, M.; Zhou, J.; Song, B.; Zhang, C.; Dong, M.; Albarracín, R. Towards Optical Partial Discharge Detection with Micro Silicon Photomultipliers. Sensors 2017, 17, 2595. https://doi.org/10.3390/s17112595
Ren M, Zhou J, Song B, Zhang C, Dong M, Albarracín R. Towards Optical Partial Discharge Detection with Micro Silicon Photomultipliers. Sensors. 2017; 17(11):2595. https://doi.org/10.3390/s17112595
Chicago/Turabian StyleRen, Ming, Jierui Zhou, Bo Song, Chongxing Zhang, Ming Dong, and Ricardo Albarracín. 2017. "Towards Optical Partial Discharge Detection with Micro Silicon Photomultipliers" Sensors 17, no. 11: 2595. https://doi.org/10.3390/s17112595
APA StyleRen, M., Zhou, J., Song, B., Zhang, C., Dong, M., & Albarracín, R. (2017). Towards Optical Partial Discharge Detection with Micro Silicon Photomultipliers. Sensors, 17(11), 2595. https://doi.org/10.3390/s17112595
 
        


 
       