A Novel Single-Excitation Capacitive Angular Position Sensor Design
Abstract
:1. Introduction
2. Basic Principle and Design
2.1. Sensing Element
2.2. Measurement Principle
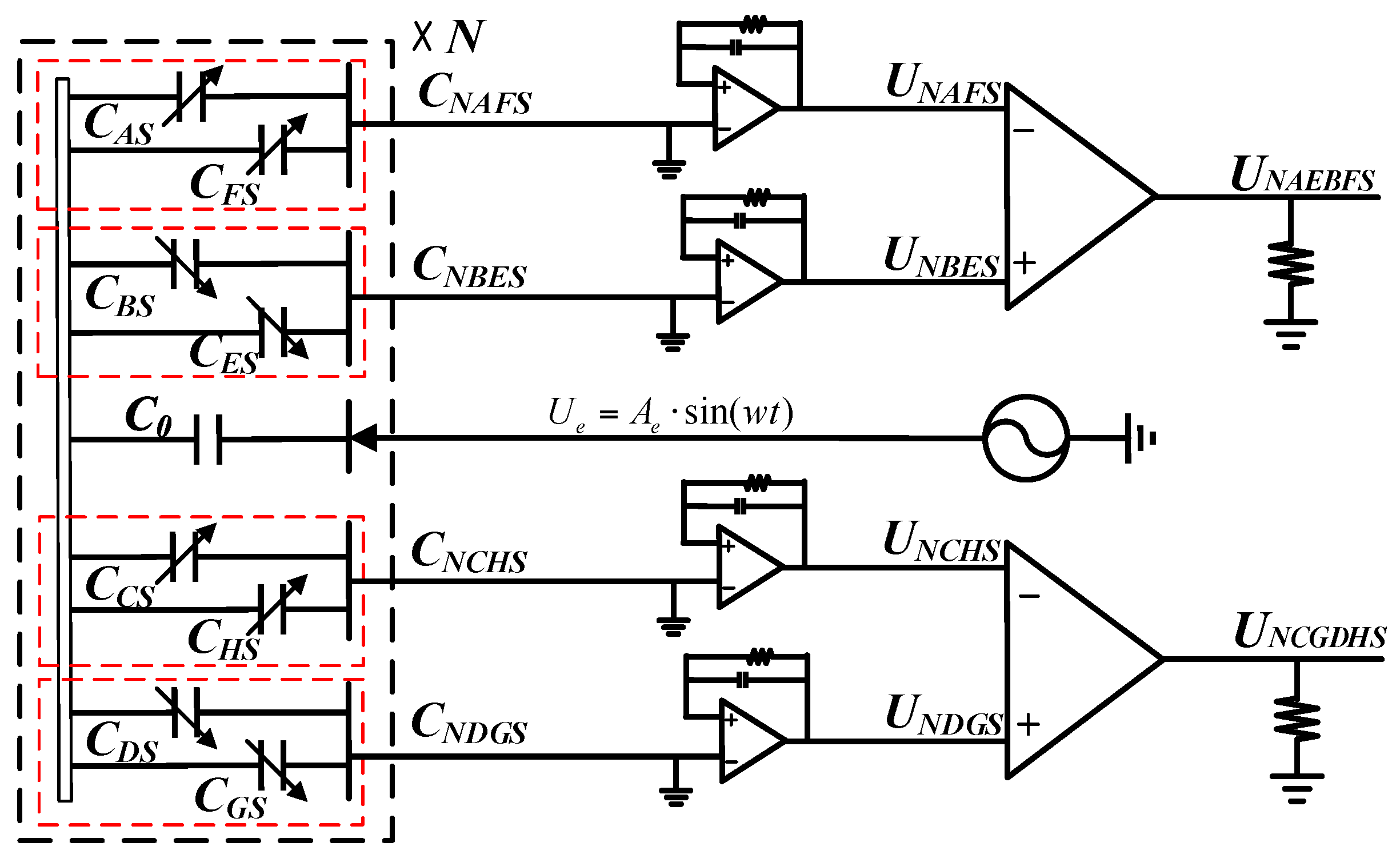
2.3. Signal Demodulation
3. Prototype and Measurement Setup
3.1. Geometrical Dimensions of the Prototype
3.2. Signal Processing of the Prototype
3.3. Experimental Platform
4. Results and Discussion
4.1. Measurement Results
4.1.1. Signals
4.1.2. Precision
4.1.3. Linearity
- Typical manufacturing error and installation error, as shown in Figure 11 (which are periodic and can be compensated).
- Deviations of the capacitance coefficients between the theoretical and real values (which could be improved by modifying the electrode shapes).
- Interference caused by stray capacitors, which formed between cables (which can be reduced by rearranging the cables).
- Soldering on the stator (which could be eliminated by increasing the thickness of the stator).
4.2. Nonlinear Error Compensation
5. Conclusions
Acknowledgments
Author Contributions
Conflicts of Interest
References
- Ahn, H.-J.; Park, J.-H.; Um, C.-Y.; Han, D.-C. A disk-type capacitive sensor for five-dimensional motion measurements. Meas. Sci. Technol. 2008, 19, 045202. [Google Scholar] [CrossRef]
- Azimloo, H.; Rezazadeh, G.; Shabani, R. Development of a capacitive angular velocity sensor for the alarm and trip applications. Measurement 2015, 63, 282–286. [Google Scholar] [CrossRef]
- Kirchhoff, M.R.; Boese, C.; Güttler, J.; Feldmann, M.; Büttgenbach, S. Innovative High-Precision Position Sensor Systems for Robotic and Automotive Applications. Procedia Chem. 2009, 1, 501–504. [Google Scholar] [CrossRef]
- Kennel, R.M.; Basler, S. New developments in capacitive encoders for servo drives. In Proceedings of the International Symposium on Power Electronics, Electrical Drives, Automation and Motion, Ischia, Italy, 11–13 June 2008.
- Zheng, D.; Zhang, S.; Wang, S.; Hu, C.; Zhao, X. A Capacitive Rotary Encoder Based on Quadrature Modulation and Demodulation. IEEE Trans. Instrum. Meas. 2015, 64, 143–153. [Google Scholar] [CrossRef]
- Masaki, K.; Kitazawa, K.; Mimura, H.; Nirei, M.; Tsuchimichi, K.; Wakiwaka, H.; Yamada, H. Magnetic field analysis of a resolver with a skewed and eccentric rotor. Sens. Actuators A Phys. 2000, 81, 297–300. [Google Scholar] [CrossRef]
- Ferrari, V.; Ghisla, A.; Marioli, D.; Taroni, A. Capacitive angular-position sensor with electrically floating conductive rotor and measurement redundancy. IEEE Trans. Instrum. Meas. 2006, 55, 514–520. [Google Scholar] [CrossRef]
- Kimura, F.; Gondo, M.; Yamamoto, A.; Higuchi, T. Resolver compatible capacitive rotary position sensor. In Proceedings of the IEEE 35th Annual Conference of Industrial Electronics(ACIE), Porto, Portugal, 3–5 November 2009; pp. 1923–1928.
- Gasulla, M.; Li, X.; Meijer, G.C.M.; van der Ham, L.; Spronck, J.W. A contactless capacitive angular-position sensor. IEEE Sens. J. 2003, 3, 607–614. [Google Scholar] [CrossRef]
- Krklješ, D.; Vasiljević, D.; Stojanovic, G. A capacitive angular sensor with flexible digitated electrodes. Sens. Rev. 2014, 34, 382–388. [Google Scholar] [CrossRef]
- Brasseur, G. A capacitive 4-turn angular-position sensor. IEEE Trans. Instrum. Meas. 1998, 47, 275–279. [Google Scholar] [CrossRef]
- Brasseur, G. A Capacitive Finger-Type Angular-Position and Angular-Speed Sensor. In Proceedings of the IEEE Instrumentation and Measurement Technology Conference, St. Paul, MN, USA, 18–21 May 1998; pp. 967–972.
- Fabian, T.; Brasseur, G. A robust capacitive angular speed sensor. IEEE Trans. Instrum. Meas. 1998, 47, 280–284. [Google Scholar] [CrossRef]
- Yamashita, N.; Zhang, Z.G.; Yamamoto, A.; Gondo, M.; Higuchi, T. Voltage-induction type electrostatic film motor driven by two- to four-phase ac voltage and electrostatic induction. Sens. Actuators A Phys. 2007, 140, 239–250. [Google Scholar] [CrossRef]
- Yamamoto, A.; Niino, T.; Higuchi, T. Modeling and identification of an electrostatic motor. Precis. Eng. 2006, 30, 104–113. [Google Scholar] [CrossRef]
- DS-58. N. Available online: http://www.netzerprecision.com/files/DS-58-32-02-V2.0e.pdf (accessed on 1 September 2009).
- Application Note 01—The Electric Encoder, Netzer Precision Motion Sensors Ltd. Misgav Industrial Park, Israel, 2009. Available online: http://www.netzerprecision.com/files/AN-01%20Electrical%20Encoder-1.pdf (accessed on 28 July 2016).
- Application Note 02—Electrically Interfacing DS Electric Encoders, Netzer Precision Motion Sensors Ltd. Misgav Industrial Park, Israel, 2009. Available online: http://www.netzerprecision.com/files/AN-02%20Electrically%20interfacing%20DS%20Electric%20Encoders%20-1.pdf (accessed on 28 July 2016).
- Brasseur, G. Design Rules for Robust Capacitive Sensors. IEEE Trans. Instrum. Meas. 2003, 52, 1261–1265. [Google Scholar] [CrossRef]
- Hu, X.; Yang, W. Planar capacitive sensors—Designs and applications. Sens. Rev. 2010, 30, 24–39. [Google Scholar] [CrossRef]
- Picotto, G.B.; Pisani, M.; Sosso, A. A multi-electrode plane capacitive sensor for displacement measurements and attitude controls. Meas. Sci. Technol. 2009, 20, 084011. [Google Scholar] [CrossRef]
- Su, T.-H.; Nitzan, S.H.; Taheri-Tehrani, P.; Kline, M.H. Silicon MEMS Disk Resonator Gyroscope with an Integrated CMOS Analog Front-End. IEEE Sens. J. 2014, 14, 3426–3432. [Google Scholar] [CrossRef]
- Yin, Y.; Sun, B.; Han, F. Self-Locking Avoidance and Stiffness Compensation of a Three-Axis Micromachined Electrostatically Suspended Accelerometer. Sensors 2016, 16. [Google Scholar] [CrossRef] [PubMed]
- Chu, Y.; Dong, J.; Chi, B.; Liu, Y. A Novel Digital Closed Loop MEMS Accelerometer Utilizing a Charge Pump. Sensors 2016, 16. [Google Scholar] [CrossRef] [PubMed]
- Katakura, M.; Toda, A.; Takagi, Y.; Suzuki, N.; Kadoyama, T.; Kushihara, H. A 12-bits resolver-to-digital converter using complex twin PLL for accurate mechanical angle measurement. In Proceedings of the 2005 Symposium on VLSI Circuits, Digest of Technical Papers, Austin, TX, USA, 16–18 June 2005; Volume 2005, pp. 236–239.
- AD2S1210. Available online: http://www.analog.com/media/en/technical-documentation/data-sheets/AD2S1210.pdf (accessed on 27 July 2016).















| Parameter (Symbol) | Value | Parameter (Symbol) | Value |
|---|---|---|---|
| Outer diameter () | 54 mm | Excitation coefficients (k) | 0.5 |
| Inner diameter () | 27 mm | Charge amplifier () | 1 |
| Coupling capacitance () | 8 pF | Dielectric constant () | 1.2 |
| Width of the sensitive electrode () | 8 mm | Excitation frequency (w) | 10 kHz |
| Sensitive electrode diameter (R) | 44 mm | Plate spacing (d) | 1 mm |
| Cycle number of the sine wave (N) | 6 | Differential amplifier () | 2 |
© 2016 by the authors; licensee MDPI, Basel, Switzerland. This article is an open access article distributed under the terms and conditions of the Creative Commons Attribution (CC-BY) license (http://creativecommons.org/licenses/by/4.0/).
Share and Cite
Hou, B.; Zhou, B.; Song, M.; Lin, Z.; Zhang, R. A Novel Single-Excitation Capacitive Angular Position Sensor Design. Sensors 2016, 16, 1196. https://doi.org/10.3390/s16081196
Hou B, Zhou B, Song M, Lin Z, Zhang R. A Novel Single-Excitation Capacitive Angular Position Sensor Design. Sensors. 2016; 16(8):1196. https://doi.org/10.3390/s16081196
Chicago/Turabian StyleHou, Bo, Bin Zhou, Mingliang Song, Zhihui Lin, and Rong Zhang. 2016. "A Novel Single-Excitation Capacitive Angular Position Sensor Design" Sensors 16, no. 8: 1196. https://doi.org/10.3390/s16081196
APA StyleHou, B., Zhou, B., Song, M., Lin, Z., & Zhang, R. (2016). A Novel Single-Excitation Capacitive Angular Position Sensor Design. Sensors, 16(8), 1196. https://doi.org/10.3390/s16081196
