A Novel Wearable Electronic Nose for Healthcare Based on Flexible Printed Chemical Sensor Array
Abstract
: A novel wearable electronic nose for armpit odor analysis is proposed by using a low-cost chemical sensor array integrated in a ZigBee wireless communication system. We report the development of a carbon nanotubes (CNTs)/polymer sensor array based on inkjet printing technology. With this technique both composite-like layer and actual composite film of CNTs/polymer were prepared as sensing layers for the chemical sensor array. The sensor array can response to a variety of complex odors and is installed in a prototype of wearable e-nose for monitoring the axillary odor released from human body. The wearable e-nose allows the classification of different armpit odors and the amount of the volatiles released as a function of level of skin hygiene upon different activities.1. Introduction
Due to promising applications such as healthcare, sport and security, investment in the research and development of wearable monitoring systems have been growing rapidly. Specifically, wearable electronic noses (e-noses) have recently been of interest in the healthcare industry as it may help to promote personal healthcare applications together with other well-settled wearable devices such as smart watches and smart shoes. Wearable e-nose can be used as a physiological measurement system for tracking of real-time health status or body hygiene that also allows for long-term analysis [1–3].
According to literature, numerous researches have recently been conducted to investigate health status or unusual conditions of individuals by means of body odor monitoring. This is because of the nature of the odors released from the human body that contain information about biophysical characteristics of individuals such as behavior, emotional state, age, gender, and health status [4,5]. Therefore, the ability to monitor, analyze and correlate these odors to the health information will lead to new and novel biomedical devices with a market of unprecedented size. For instances, García-Cortés et al. [6] reported about using an e-nose to detect the stress stages through sweat analysis. They studied alert situations that correlate with stress and have mentioned about the secretion level of cortisol and adrenaline hormones in each stage. Other interesting research works include using e-noses to diagnose lung cancer based on breath analysis [7], identify heart failure based on skin odor detection [8], and determine the patients with kidney disorders through urine odor measurement [9]. Besides the interest to use body odor as an indicator for personal health status, the potential to use this property to identify people (biometrics) was also explored. Inspired by the ability of dogs to memorize owners and acquaintances by sniffing their body odor, Wongchoosuk et al., proposed a scheme to discriminate two people living a normal life based on measurement of daily armpit odors [10]. From this report, it was shown that the armpit odor of an individual can significantly vary due to daily activities but the difference between two persons can still be identified.
As a matter of fact, the above-mentioned research works handle the body odor samples for off-line detection, thereby lacking of a real-time functionality. Moreover, with the working principle of the common e-noses, they are also considered as promising candidates for the rapid screening technique to evaluate the odors in different applications [11,12].
In the present work, we propose a new scheme that can measure fresh and native odors right away from the body, e.g., under the armpit, thus allowing the device to track real-time and dynamic change of the body odor of humans. Under this scheme, a gas sensor array sensitive to the body odor has been fabricated as a wearable device using inkjet printing technology. CNTs/polymer composites were chosen as sensing materials according to their promising working conditions suitable for wearable system, i.e., operating at low-temperature with low-power consumption. The electrical response of these chemical sensors can be explained by the behavior of polymer swelling upon penetration of volatiles or gases into the sub-surface of the CNTs/polymer film. This increases the distance between the conducting pathways of CNTs and thus causing change in the electrical resistance of the sensor [13]. Physical properties of the blended CNTs in the polymer matrix allow the fabrication on flexible substrates and thus suitability for wearable applications. With the solution-based preparation of CNTs/polymer composite layers, the chemical sensors can be possibly carried out by simple methods such as drop-casting, spraying, spin-coating or printing which are cheaper and simpler in comparison to methods based on evaporation. Among these solution-based methods, the materials deposited by printing prevail over other techniques due to film uniformity, precise deposition on a desired position and scalability [14].
In this paper, we investigate the feasibility of inkjet-printing for the manufacturing of low-cost sensors. This technology allows the dispensing of functional materials onto a small, pre-determined area, processing under ambient conditions and also reducing material waste since it is an additive direct-writing technology [15]. Moreover, the low operating temperature of the inkjet-printing method is suitable for the deposition of organic materials onto common flexible substrates such as polyethylene naphthalate (PEN), polyethylene terephthalate (PET), polyimide (PI), paper or fabric [16–19] in which such materials are easily decomposed at a high temperature. Beside the fully printed sensor array, we have also reported about the architecture of a novel wearable e-nose system using a ZigBee module for wireless network system to monitor the armpit odor.
2. Experimental Section
2.1. Fabrication of Chemical Sensor Array
The chemical sensor array was fabricated by fully inkjet-printing technique. The array comprises eight different elements produced by varying printing patterns and sensing materials which are able to generate the cross responses [20–23]. Polyethylene naphthalate (PEN film, Dupont Teonex Q65FA) film was chosen as substrate material due to its flexible property, smooth surface and heat stability. We have designed the chemical sensor array into two sets. The fabrication scheme of an individual pattern is depicted in Figure 1.
The first set (Sensor 1 to Sensor 4) is called as “double printed layers” (DPLs) as illustrated in Figure 1b. Thereby, two individual films of CNTs and polymer were printed to produce a composite-like layer at the interface. This technique can neglect the challenges concerning the development of well-dispersed formulation of CNT-polymer ink solution [19]. For the second set (Sensor 5 to Sensor 8), the sensing film was produced by direct printing of the blended CNT-polymer ink to obtain the so-called “blended single layer” (BSL) as shown in Figure 1c. The idea and advantage of printing using different patterns was reported in our previous work [24,25]. To fabricate each of the DPLs and BSL sensors, we used multi-walled carbon nanotubes (MWCNTs) and four polymers; namely (i) polyvinyl chloride (PVC); (ii) cumene terminated polystyrene-co- maleic anhydride (Cumene-PSMA); (iii) poly (styrene-co-maleic acid) partial isobutyl/methyl mixed ester (PSE) and (iv) polyvinylpyrrolidon (PVP). Multi-walled carbon nanotubes (MWCNTs) were purchased from Southwest Nanotechnologies. All polymers and other materials were obtained from Sigma-Aldrich. MWCNTs and polymer inks need to be separately prepared for construction of the DPLs sensors, whereas for the BSL sensors it requires only one MWCNTs/polymer composited ink. The MWCNT ink was prepared by adding 0.2 wt % MWCNTs into an aqueous solution of 0.5 wt % sodium dodecyl sulfate (SDS). High frequency pulses of the ultrasonic homogenizer (Bandelin, model HD 3200) were applied for 15 min to disperse and unbundle the MWCNTs. After the black solution was obtained, the remaining large particles were separated by centrifugation for 20 min at 20,000 rpm and then only the upper part of the solution was collected. For the polymer ink, 0.5 wt % of each polymer was simply prepared in the proper solvent by applying a magnetic stirrer for 10 min. The ink for construction of the BSL sensor was obtained by blending of 0.1 wt % MWCNTs, 0.5 wt % polymer and 0.5 wt % surfactant material in the proper solvent. Mixing procedure was performed in the same way as preparation of the MWCNTs ink. The surfactant materials used to stabilize the MWCNTs dispersion in the polymer solution are Triton X-100 for MWCNTs/PVC and MWCNTs/Cumene-PSMA inks, and SDS for MWCNTs/PSE and MWNTs/PVP. However, the prepared inks should be filtered at the final step using 5 μm pore-sized disposable syringe filter prior to inkjet printing.
Each layer was printed for five times to increase the uniformity and the active material amount of the sensing layers and thereby improving the efficiency of the sensing responses. The Dimatix Materials Printer 2831 (DMP) with printheads having a nozzle diameter of 21.5 μm and the Autodrop micro dispensing system (Microdrop Technologies) with a nozzle diameter of about 70 μm were used for printing. Commercially available silver nanoparticle ink (Suntronic SunJet Silver EMD5603) was inkjet-printed as an array of silver interdigitated electrodes (SIDEs) on top of the PEN substrate, followed by printing of the sensing layers. The architecture of an interdigitated electrode array is shown in Figure 1a. In detail, the fingers of each SIDE were defined for the width and separation distance of 200 μm. The size of the array is about 20 mm × 20 mm. The area of sensing material inkjet-printed on top of each SIDE was a square of 3 mm × 3 mm. All sensing layers including polymer, MWCNTs and MWCNTs polymer films were carried out by the Autodrop micro dispensing system. Finally, the printed sensor array was heated to 80 °C for 15 min to remove remaining solvents. The materials and printing parameters for all fabricated sensors are summarized in Table 1.
2.2. Testing of the Chemical Sensor Array
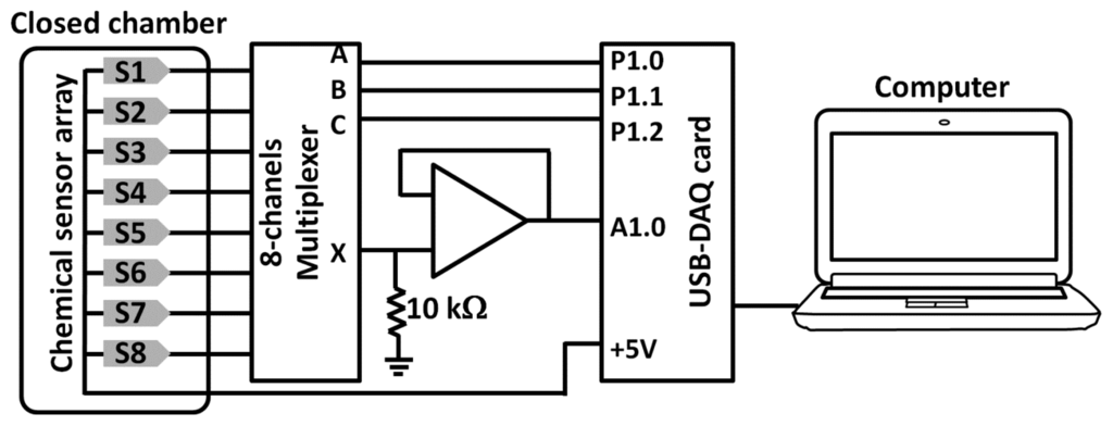
Response of the fabricated chemical sensor array to selected volatile organic compounds (VOCs) was investigated under a static system at room temperature. The printed chemical sensor array was installed in a closed chamber and was measured for the resistance change of individual sensor when exposed to a single VOC using voltage divider method. The measurement circuit is shown in Figure 2.
In fact, the VOCs derived from human skin normally contain information about human health (inner factor) and skin hygiene (outer factor). Armpit area presents not only a high density of skin glands (sebaceous, apocrine and eccrine) but also high density of bacteria due to airless and moistness area. Major VOCs from the human skin were identified to contain several compounds such as ammonia, amines, hydrocarbons, alcohols, acids, ketones, and aldehydes [26,27]. Therefore different single VOCs of ammonium hydroxide, acetic acid, acetone and ethanol were chosen to test the sensor array by injection of 500 ppm VOCs in the static chamber.
The output voltages of eight elements were acquired through an 8-channel analog multiplexer connected to a USB DAQ device and then the Ohm's law was employed to calculate individual sensor resistances. To obtain the sensing response to each volatile, the reference baseline was defined during the first 2 min without exposure to any VOCs (ambient condition). Then, the analyte was injected into the static chamber and the output signals were recorded for 7 min to reach a steady-state condition. The fractional method was applied on the determined sensor resistances to calculate the sensor responses as follows [28]:
2.3. Wearable e-Nose Based on ZigBee Wireless Network
We have designed a compact armband appropriate for monitoring the axillary odor by integration of the flexible printed chemical sensor array. Figure 3 depicts a prototype of the designed wearable e-nose. The printed sensor array covered by a mask was placed at the armpit region. The mask will protect the sensor surface from scratching but allow passing of the air and odors. With this wearable device, the body odor could be directly collected from the armpit region. The odor data was recorded in terms of the sensor resistances as a function of the presented VOCs and their concentrations. ZigBee technology, widely known as a low-cost wireless network communication, was employed in the system to transfer the data from the device to the computer. This technology also allows monitoring in real time and an increasing number of nodes for network communication which will be planned in the future. Within this module, the ZigBee system supports the multi-hop mesh network topology which enhances the reliability and network stability.
The Xbee-PRO RF module based on ZigBee/IEEE 802.15.4 was employed for the wireless network. This technology offers advantages in cost, size, power, flexibility and distributed intelligence as compared to the wired technologies. The ZigBee module consists of two main nodes, i.e., sensor and receiver nodes as depicted in Figure 4. In the sensor node, the fabricated chemical sensor array was installed to sense the volatile odors while a 16-bit microcontroller unit (MCU) from Microchip (PIC24HJ12GP201) was used as a control unit for the sensor node. The 16-bit MCU reads voltage indicator from the sensors via ADC port, then transferring the obtained data to the receiver node via ZigBee wireless network. Another node is the receiver node system. The system consists of ZigBee, 8-bit MCU, and a USB-serial converter chip. The receiver node receives data and transfers them to a computer via a USB port.
2.4. Monitoring of Axillary Odor
Based on a preliminary study, the experiment was designed to monitor armpit odors of three volunteers (33–50 years-old healthy subjects) using the constructed wearable e-nose. The odors were monitored by following activities of the volunteer as simulated in three stages: (i) before exercise (normal stage and used as reference); (ii) after exercise and (iii) after exercise and relaxing for a long time. To perform all experiments, the reference baseline of the sensors was collected by exposing them to the clean air and then followed by each activity. After the volunteer had worn the device, we recorded the odor data for 5 min. The sensor resistances were averaged in every minute and then the sensing responses were calculated to obtain 5 data points per experiment. The experiments were carried out three times for each stage. The reference baseline was recovered before performing the next experiment. Therefore, for one stage of the experiment, we can obtain 15 data points (5 data points × 3 repeating experiments) representing the sensor responses to armpit odors corresponding to the simulated activity. Principal component analysis (PCA) based on the unsupervised learning method was employed to analyze the responsive patterns.
3. Results and Discussion
The flexible chemical sensor array was successfully manufactured with inkjet-printing technology as shown in Figure 3. Each element of the array consists of silver interdigitated electrode coated with the sensing film. The sensing unit is based on the flexible substrate, thereby posing an advantage for the wearable device. Moreover, this feature could be considered as an important step to enable roll-to-roll processing in order to scale up the production in the future. We have been focusing on the sensing materials made of polymers and CNTs because they present good physical properties and are suitable for flexible substrates. Especially, they can overcome the metal oxide gas sensor due to the lower operating temperatures [10]. In this work, the composited MWCNTs/polymer films were demonstrated to be produced through inkjet-printing of separated layers between MWCNTs and polymer films (DPLs) and dispensing of the blended solution (BSL). The surface morphologies of both sensor types obtained from scanning electron microscopy (SEM) are displayed in Figure 5.
The MWCNTs films have a good material dispersion and thus forming a conductive network. It was demonstrated that the printed polymer as a second layer on top of MWCNTs surface can penetrate into the MWCNTs network and yield a composite-like layer as shown in Figure 1b. In Figure 5b, the SEM image shows the top-view morphology of the BSL sensor of the inkjet-printed blended MWCNTs/polymer solution.
In the field of the e-nose technology, the variety of sensors is also required in order to employ the advantage of pattern recognition [20]. Therefore, most research about e-noses based on CNTs/polymer sensing materials varies the sensor by using different polymers [29–31]. Although it is convenient to produce different sensors by changing of the sensing materials, printing CNTs/polymer often suffers from agglomeration of CNTs in the polymer matrix leading to nozzle clogging. Therefore, the DPLs sensor printing presents the advantage over the BSL method. With this printing technique we can produce all CNTs/polymer composite layers without any chemical treatment. However, in this work we have integrated both DPLs and BSL sensors into one chemical sensor array. The sensor responses were improved and intensified by printing of multi-layers to increase the amount of sensing material as suggested in the previous works [24].
Based on the setup in Figure 2, electrical responses of the sensors towards ammonia, acetic acid, acetone and ethanol, which are the class of VOCs derived from axillary skin [26,27], were obtained and shown in Figure 6. Most sensors provide a good response to both acid and base compounds while they show a small change when exposed to ketone and alcohol. According to different printed sensing layers (DPLs and BSL), we have found that the electrical responses of the fabricated chemical sensor array yields distinguishable patterns when exposed to the volatiles of ammonia and acetic acid while the electrical responses under the atmosphere of acetone and ethanol show quite the same patterns.
This may imply that our chemical sensor array is not good enough to classify the difference between acetone and ethanol. However, the major chemical components of body odor were found to contain C6–C10 straight chain, branche, and unsaturated acids [4,32]. In addition, ammonia and other nitrogen compounds were often used to indicate about a health status regarding to the body metabolism [4]. In previous works, we have demonstrated that the sensors based on the polymers of PVC, Cumene-PSMA, PSE and PVP can provide good responses to ammonia and amine volatile compounds [33,34]. Therefore, this fabricated sensor array in the present work is considered as one of the promising candidates for sensing health status as well.
Actually, the number of chemical sensors in an e-nose system is also one of the important factors concerning the capability to classify odors. For example, a commercial e-nose, Cyrano Sciences' Cyranose 320 comprises 32 polymer carbon black composite sensors can be used to predict six classes of bacteria related to eye infections with up to 98% accuracy [31]. In this article, we report the e-nose system comprising only 8 CNTs/polymer sensors to monitor armpit odors of individuals upon different activities. Although our proposed chemical sensors contains 4 times less sensor materials than the Cyranose, the results also demonstrate a good performance of the device.
Figure 7 shows a classification of the armpit odors under the simulated activities using PCA technique of three volunteers to demonstrate the real-world application. The results can be observed by the variations of principal component scores of all three stages. Odor progression after exercise was monitored and it was found that the data groups were moved out from a normal stage (reference). In addition, we can observe recovering of the underarm odor after relaxing of the volunteer. This result provides a straightforward understanding about the relationship between the observed signals and changing of the human odors related to different activities. According to the corresponding results from three volunteers, it may guarantee that the proposed system is repeatable and able to make real time monitoring of the skin hygiene. In other words, the wearable e-nose could be used to evaluate unusual odors of body resulted of health status, i.e. the level of skin hygiene and unusual odors from ailments or stress.
4. Conclusions
The wearable e-nose based on a ZigBee wireless network designed as a compact armband shows the feasibility to differentiate the VOCs released from the armpit regions. Based on the principal component analysis, the results can indicate the level of skin hygiene compared to the normal stage. In this work, we demonstrate the successful manufacturing of the flexible chemical sensors array by inkjet-printing technique—a low-cost, flexible and scalable technology. The manufactured eight sensors can respond and generate fingerprints of various VOCs due to different printed patterns and various sensing materials. The sensors with DPLs provide a good idea to implement other composite-sensing layers without direct forming of the CNT/polymer composite. Based on the ZigBee technology, it allows monitoring in the real-time and increasing a number of nodes for network communication which is planned in the future.
Acknowledgments
This work was supported by Rajamangala University of Technology Suvarnabhumi, Mahidol University and Chemnitz University of Technology. A research grant from Thailand Research Fund (TRF) to P.L. (MRG5680010) and from National Nanotechnology Center to T.K. (Project No. P-12-01157) are acknowledged.
Author Contributions
Panida Lorwongtragool (P. L.) conceived and designed the experiments, formulated the inks and manufactured the sensors based on inkjet printing. She also analyzed the data of the sensors responses. P. L. developed the first draft of the manuscript. Enrico Sowade (E. S.) supported P. L. during materials preparation for inkjet printing, printing, pattern design and device architecture. E. S. carried out the SEM analysis and supported with editing of the manuscript. Natthapol Watthanawisuth (N. W.) developed the ZigBee module for the wireless network system including its design and data analysis. N. W. prepared the manuscript text concerning the ZigBee module. Reinhard R. Baumann (R. R. B.) gave many helpful suggestions on this research according to printing technologies and proposed inkjet printing as manufacturing process for the sensors. Teerakiat Kerdcharoen (T. K.) set the focus and the direction of this research. He proposed the experimental procedure and gave many helpful suggestions about sensors, sensor design and sensor applications. T. K. supported the preparation of the manuscript and its editing.
Conflicts of Interest
The authors declare no conflict of interest.
References
- Ameen, M.A.; Liu, J.; Kwak, K. Security and privacy issues in wireless sensor networks for healthcare applications. J. Med. Syst. 2012, 36, 93–101. [Google Scholar]
- Yilmaz, T.; Foster, R.; Hao, Y. Detecting vital signs with wearable wireless sensors. Sensors 2010, 10, 10837–10862. [Google Scholar]
- Wilson, A.D.; Baietto, M. Advances in electronic-nose technologies developed for biomedical applications. Sensors 2011, 11, 1105–1176. [Google Scholar]
- Pandey, S.K.; Kim, K.-H. Human body-odor components and their determination. Trends Anal. Chem. 2011, 30, 784–796. [Google Scholar]
- Kimball, B.A.; Opiekun, M.; Yamazaki, K.; Beauchamp, G.K. Immunization alters body odor. Physiol. Behav. 2014, 128, 80–85. [Google Scholar]
- García-Cortés, A.; Martí, J.; Sayago, I.; Santos, J.P.; Gutiérrez, J.; Horrillo, M.C. Detection of stress through sweat analysis with an electronic nose. Proceedings of the 2009 Spanish Conference on Electron Devices, Santiago de Compostela, Spain, 11–13 February 2009; pp. 338–341.
- Tran, V.H.; Chan, H.P.; Thurston, M.; Jackson, P.; Lewis, C.; Yates, D.; Bell, G.; Thomas, P.S. Breath analysis of lung cancer patients using an electronic nose detection system. IEEE Sens. J. 2010, 10, 1514–1518. [Google Scholar]
- Voss, A.; Witt, K.; Fischer, C.; Reulecke, S.; Poitz, W.; Kechagias, V.; Surber, R.; Figulla, H. Smelling heart failure from human skin odor with an electronic nose. Proceedings of the Annual International Conference of the IEEE Engineering in Medicine and Biology Society, San Diego, CA, USA, 28 August–1 September 2012; pp. 4034–4037.
- Natale, C.D.; Mantini, A.; Macagnano, A.; Antuzzi, D.; Paolesse, R.; D'Amico, A. Electronic nose analysis of urine samples containing blood. Physiol. Meas. 1999, 20, 377–384. [Google Scholar]
- Wongchoosuk, C.; Lutz, M.; Kerdcharoen, T. Detection and classification of human body odor using an electronic nose. Sensors 2009, 9, 7234–7249. [Google Scholar]
- Cagnasso, S.; Falasconi, M.; Previdi, M.P.; Franceschini, B.; Cavalieri, C.; Sberveglieri, V.; Rovere, P. Rapid screening of alicyclobacillus acidoterrestris spoilage of fruit juices by electronic nose: A confirmation study. J. Sens. 2010, 143173, 1–9. [Google Scholar]
- Zheng, X.Z.; Lan, Y.B.; Zhu, J.M.; Westbrook, J.; Hoffmann, W.C.; Lacey, R.E. Rapid identification of rice samples using an electronic nose. J. Bionic Eng. 2009, 6, 290–297. [Google Scholar]
- Yang, D.B. Nanocomposite Films for Gas Sensing. In Advances in Nanocomposites—Synthesis, Characterization and Industrial Applications; Reddy, B., Ed.; InTech: Rijeka, Croatia, 2011. [Google Scholar]
- Denneulin, A.; Bras, J.; Carcone, F.; Neuman, C.; Blayo, A. Impact of ink formulation on carbon nanotube network organization within inkjet-printed conductive films. Carbon 2011, 49, 2603–2614. [Google Scholar]
- Kipphan, H. Handbook of Print Media; Kipphan, H., Ed.; Springer-Verlag: Berlin/Heidelberg, Germany, 2001. [Google Scholar]
- Ng, T.N.; Russo, B.; Krusor, B.; Kist, R.; Arias, A.C. Organic inkjet-patterned memory array based on ferroelectric field-effect transistors. Org. Electron. 2011, 12, 2012–2018. [Google Scholar]
- Huang, L.; Huang, Y.; Liang, J.; Wan, X.; Chen, Y. Graphene-based conducting inks for direct inkjet printing of flexible conductive patterns and their applications in electric circuits and chemical sensors. Nano Res. 2011, 4, 675–684. [Google Scholar]
- Kwon, O.-S.; Kim, H.; Ko, H.; Lee, J.; Lee, B.; Jung, C.-H.; Choi, J.-H.; Shin, K. Fabrication and characterization of inkjet-printed carbon nanotube electrode patterns on paper. Carbon 2013, 58, 116–127. [Google Scholar]
- Fang, K.; Zhang, C. Surface physical-morphological and chemical changes leading to performance enhancement of atmospheric pressure plasma treated polyester fabrics for inkjet printing. Appl. Surf. Sci. 2009, 255, 7561–7567. [Google Scholar]
- Pearce, T.C.; Schiffman, S.S.; Nagle, H.T.; Gardner, J.W. Handbook of Machine Olfaction: Electronic Nose Technology; John Wiley & Sons: Hoboken, NJ, USA, 2002. [Google Scholar]
- Di Natale, C.; Macagnano, A.; Martinelli, E.; Proietti, E.; Paolesse, R.; Castellari, L.; Campani, S.; D'Amico, A. Electronic nose based investigation of the sensorial properties of peaches and nectarines. Sens. Actuators B Chem. 2011, 77, 561–566. [Google Scholar]
- Hui, G.; Wu, Y.; Ye, D.; Ding, W. Fuji apple storage time predictive method using electronic nose. Food Anal. Methods 2013, 6, 82–88. [Google Scholar]
- Hui, G.; Wang, L.; Mo, Y.; Zhang, L. Study of grass carp (Ctenopharyngodon idellus) quality predictive model based on electronic nose. Sens. Actuators B Chem. 2012, 166–167, 301–308. [Google Scholar]
- Lorwongtragool, P.; Kerdcharoen, T.; Baumann, R.R. All inkjet-printed chemical gas sensors based on cnt/polymer nanocomposites: Comparison between double printed layers and blended single layer. Proceedings of the 2012 9th International Conference on Electrical Engineering/Electronics, Computer, Telecommunications and Information Technology (ECTI-CON), Phetchaburi, Thailand, 16–17 May 2012; pp. 1–4.
- Lorwongtragool, P.; Sowade, E.; Dinh, T.N.; Kanoun, O.; Kerdcharoen, T.; Baumann, R.R. Inkjet printing of chemiresistive sensors based on polymer and carbon nanotube networks. Proceedings of the International Multi-Conference on Systems, Signals and Devices (SSD 2012), Chemnitz, Germany, 20–23 March 2012; pp. 1–4.
- Smallegange, R.C.; Verhulst, N.O.; Takken, W. Sweaty skin: An invitation to bite? Trends Parasitol. 2011, 27, 143–146. [Google Scholar]
- Gallagher, M.; Wysocki, C.J.; Leyden, J.J.; Spielman, A.I.; Sun, X.; Preti, G. Analyses of volatile organic compounds from human skin. Br. J. Dermatol. 2008, 159, 780–791. [Google Scholar]
- Arshak, K.; Moore, E.; Lyons, G.M.; Harris, J.; Clifford, S. A review of gas sensors employed in electronic nose applications. Sens. Rev. 2004, 24, 181–198. [Google Scholar]
- Castro, M.; Kumar, B.; Feller, J.F.; Haddi, Z.; Amari, A.; Bouchikhi, B. Novel e-nose for the discrimination of volatile organic biomarkers with an array of carbon nanotubes (CNT) conductive polymer nanocomposites (CPC) sensors. Sens. Actuators B Chem. 2011, 159, 213–219. [Google Scholar]
- Tang, K.-T.; Chiu, S.-W.; Chang, M.-F.; Hsieh, C.-C.; Shyu, J.-M. A low-power electronic nose signal-processing chip for a portable artificial olfaction system. IEEE Trans. Biomed. Circuits Syst. 2011, 5, 380–390. [Google Scholar]
- Dutta, R.; Das, A.; Stocks, N.G.; Morgan, D. Stochastic resonance-based electronic nose: A novel way to classify bacteria. Sens. Actuators B Chem. 2006, 115, 17–27. [Google Scholar]
- Natale, C.D.; Macagnano, A.; Paolesse, R.; Tarizzo, E.; Mantini, A.; D'Amico, A. Human skin odor analysis by means of an electronic nose. Sens. Actuators B Chem. 2000, 65, 216–219. [Google Scholar]
- Lorwongtragool, P.; Wisitsoraat, A.; Kerdcharoen, T. An electronic nose for amine detection based on polymer/SWNT-COOH nanocomposites. J. Nanosci. Nanotechnol. 2011, 11, 10454–10459. [Google Scholar]
- Lorwongtragool, P.; Seesaard, T.; Tongta, C.; Kerdcharoen, T. Portable e-nose based on Polymer/CNT sensor array for protein-based detection. Proceedings of the 7th Annual IEEE International Conference on Nano/Micro Engineered and Molecular Systems (IEEE-NEMS 2012), Kyoto, Japan, 5–8 May 2012; pp. 1–6.







| Sensor No. | Printed Materials | Drop Spacing (μm) | Printing Speed (mm/s) | Substrate Temperature (°C) |
|---|---|---|---|---|
| 1 | (1) MWCNTs | 100 | 2 | 80 |
| (2) PVC | 100 | 5 | 25 | |
| 2 | (1) MWCNTs | 100 | 2 | 80 |
| (2) Cumene-PSMA | 100 | 8 | 25 | |
| 3 | (1) MWCNTs | 100 | 2 | 80 |
| (2) PSE | 100 | 10 | 25 | |
| 4 | (1) MWCNTs | 100 | 2 | 80 |
| (2) PVP | 100 | 5 | 25 | |
| 5 | MWCNTs/PVC | 110 | 5 | 30 |
| 6 | MWCNTs/Cumene-PSMA | 110 | 2 | 85 |
| 7 | MWCNTs/ PSE | 120 | 15 | 50 |
| 8 | MWCNTs/PVP | 120 | 5 | 80 |
© 2014 by the authors; licensee MDPI, Basel, Switzerland. This article is an open access article distributed under the terms and conditions of the Creative Commons Attribution license ( http://creativecommons.org/licenses/by/4.0/).
Share and Cite
Lorwongtragool, P.; Sowade, E.; Watthanawisuth, N.; Baumann, R.R.; Kerdcharoen, T. A Novel Wearable Electronic Nose for Healthcare Based on Flexible Printed Chemical Sensor Array. Sensors 2014, 14, 19700-19712. https://doi.org/10.3390/s141019700
Lorwongtragool P, Sowade E, Watthanawisuth N, Baumann RR, Kerdcharoen T. A Novel Wearable Electronic Nose for Healthcare Based on Flexible Printed Chemical Sensor Array. Sensors. 2014; 14(10):19700-19712. https://doi.org/10.3390/s141019700
Chicago/Turabian StyleLorwongtragool, Panida, Enrico Sowade, Natthapol Watthanawisuth, Reinhard R. Baumann, and Teerakiat Kerdcharoen. 2014. "A Novel Wearable Electronic Nose for Healthcare Based on Flexible Printed Chemical Sensor Array" Sensors 14, no. 10: 19700-19712. https://doi.org/10.3390/s141019700
APA StyleLorwongtragool, P., Sowade, E., Watthanawisuth, N., Baumann, R. R., & Kerdcharoen, T. (2014). A Novel Wearable Electronic Nose for Healthcare Based on Flexible Printed Chemical Sensor Array. Sensors, 14(10), 19700-19712. https://doi.org/10.3390/s141019700
