Effects of Zinc-Layered Filler Incorporation Routes on the Antimicrobial, Mechanical, and Physical Properties of Calcium Caseinate Biopolymeric Films
Abstract
1. Introduction
2. Results and Discussion
2.1. Biofilm Characterization
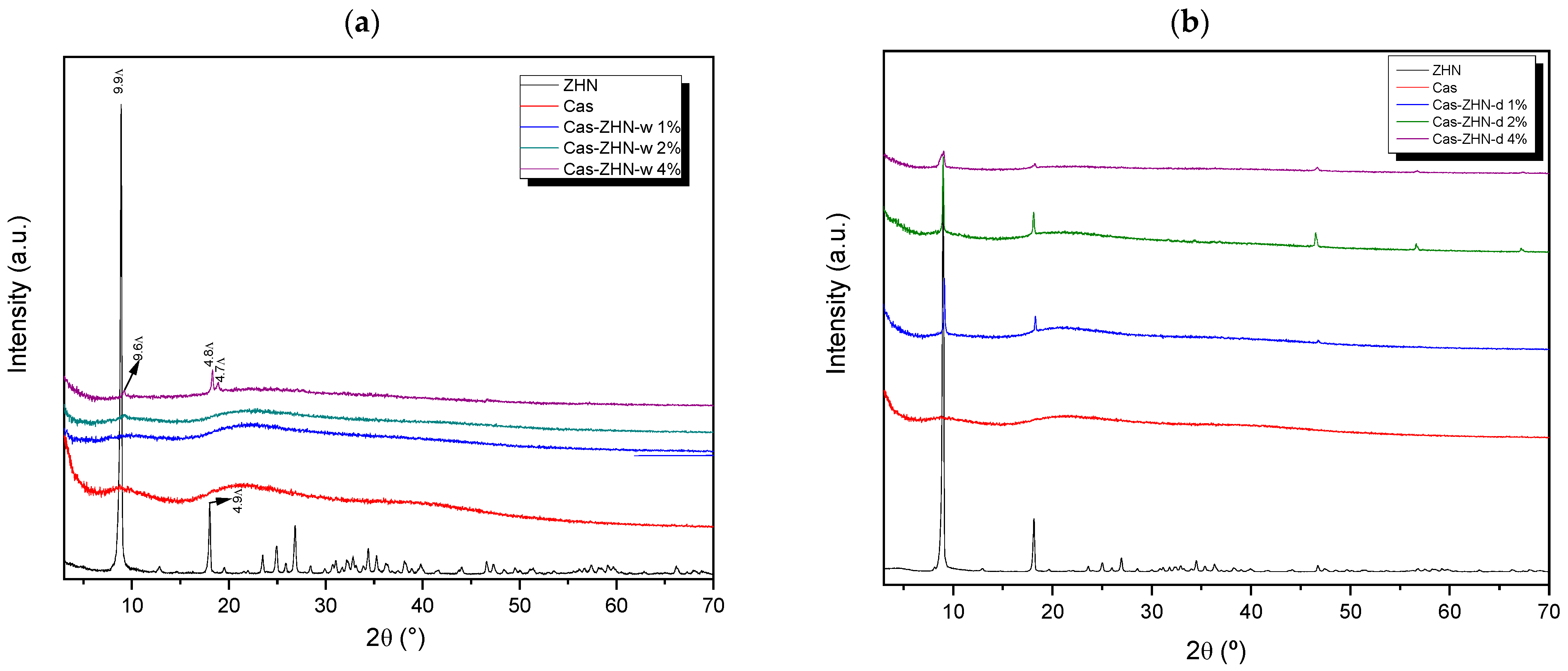
2.1.1. X-Ray Diffraction Analysis
2.1.2. SEM Studies
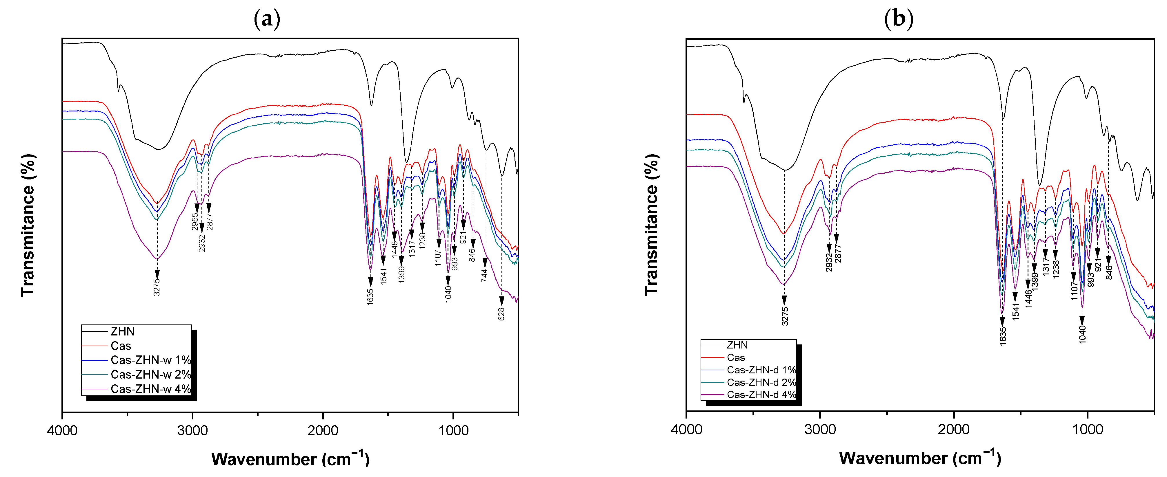
2.1.3. FT-IR Analysis
2.2. Physical Properties of Films
Film Transparency
2.3. Film Tensile Properties
2.4. Antimicrobial Properties
3. Materials and Methods
3.1. Materials
3.2. Preparation of Calcium Caseinate Biofilms
3.3. Experimental Design
3.4. Biofilms Characterization
3.4.1. X-Ray Diffraction
3.4.2. ATR-FTIR Spectroscopy
3.4.3. Scanning Electron Microscopy (SEM)
3.5. Physical Properties
3.5.1. Moisture Content
3.5.2. Swelling Index (%)
3.5.3. Solubility Index (%)
3.5.4. Transparency Film
3.6. Film Tensile Properties
3.7. Antimicrobial Properties of Synthesized Materials
3.8. Statistical Analysis
4. Conclusions
Author Contributions
Funding
Institutional Review Board Statement
Informed Consent Statement
Data Availability Statement
Acknowledgments
Conflicts of Interest
Abbreviations
| %Sol | percentage of solubilized dry matter |
| ANOVA | analysis of variance |
| ASTM | American Society for Testing and Materials |
| ATCC | American Type Culture Collection |
| ATR-FTIR | attenuated total reflectance-Fourier transform infrared |
| Cas | Calcium caseinate |
| CFU | Colony Forming Units |
| cm | centimeter |
| DNA | deoxyribonucleic acid |
| DS | degree of swelling |
| DW | Deionized water |
| E. coli | Escherichia coli |
| HNTs | halloysite nanotubes |
| JCDS | Joint Committee on Powder Diffraction Standards |
| kV | kilo volts |
| LDHs | layered double hydroxides |
| LHSs | layered hydroxide salts |
| MC | Moisture content |
| mg | milligrams |
| min | minute |
| mA | milliamps |
| mm | millimeters |
| mL | milliliters |
| MPa | megapascals |
| MH | Mueller-Hinton |
| nm | nanometers |
| ROS | reactive oxygen species |
| S. aureus | Staphylococcus aureus |
| SEI | secondary electron imaging |
| SEM | scanning electron microscopy |
| THG | The Hut Group Company |
| Wd | weight of the dry samples |
| WIdry | weight of initial dry matter |
| Ws | weight of the swollen samples |
| Wsol | weight of non-solubilized dry matter |
| wt% | weight percent |
| XRD | X-ray diffraction |
| ZHN | zinc hydroxide nitrate |
| ZHN-d | dry zinc hydroxide nitrate |
| ZHN-w | wet zinc hydroxide nitrate |
| ZnO-NPs | zinc oxide nanoparticles |
| µL | microliters |
| Å | angstrom units |
References
- Babaei-Ghazvini, A.; Acharya, B.; Korber, D.R. Antimicrobial Biodegradable Food Packaging Based on Chitosan and Metal/Metal-Oxide Bio-Nanocomposites: A Review. Polymers 2021, 13, 2790. [Google Scholar] [CrossRef] [PubMed]
- Asgher, M.; Qamar, S.A.; Bilal, M.; Iqbal, H.M. Bio-based active food packaging materials: Sustainable alternative to conventional petrochemical-based packaging materials. Food Res. Int. 2020, 137, 109625. [Google Scholar] [CrossRef] [PubMed]
- Wang, S.; Chen, H.; Tong, Y.; Li, Y.; Zhang, J.; Chen, C.; Ren, F.; Hou, C.; Wang, P. Composite films with properties improved by increasing the compatibility of sodium caseinate and zein in a heated 60% ethanol solvent. Food Hydrocoll. 2023, 134, 108017. [Google Scholar] [CrossRef]
- Zubair, M.; Ullah, A. Recent advances in protein derived bionanocomposites for food packaging applications. Crit. Rev. Food Sci. Nutr. 2020, 60, 406–434. [Google Scholar] [CrossRef]
- Zioga, M.; Papantonopoulou, G.; Evageliou, V. High internal phase emulsions and edible films with high methoxyl pectin and pea protein isolate or sodium caseinate. Food Hydrocoll. 2023, 140, 108605. [Google Scholar] [CrossRef]
- Chen, H.; Wang, J.; Cheng, Y.; Wang, C.; Liu, H.; Bian, H.; Pan, Y.; Sun, J.; Han, W. Application of Protein-Based Films and Coatings for Food Packaging: A Review. Polymers 2019, 11, 2039. [Google Scholar] [CrossRef]
- Arora, A.; Padua, G. Review: Nanocomposites in Food Packaging. J. Food Sci. 2010, 75, R43–R49. [Google Scholar] [CrossRef]
- Casanova, F.; Nascimento, L.G.L.; Silva, N.F.; de Carvalho, A.F.; Gaucheron, F. Interactions between caseins and food-derived bioactive molecules: A review. Food Chem. 2021, 359, 129820. [Google Scholar] [CrossRef]
- Arrieta, M.P.; Peltzer, M.A.; Garrigós, M.d.C.; Jiménez, A. Structure and mechanical properties of sodium and calcium caseinate edible active films with carvacrol. J. Food Eng. 2013, 114, 486–494. [Google Scholar] [CrossRef]
- Belyamani, I.; Prochazka, F.; Assezat, G.; Debeaufort, F. Mechanical and barrier properties of extruded film made from sodium and calcium caseinates. Food Packag. Shelf Life 2014, 2, 65–72. [Google Scholar] [CrossRef]
- Lamp, A.; Kaltschmitt, M.; Dethloff, J. Options to Improve the Mechanical Properties of Protein-Based Materials. Molecules 2022, 27, 446. [Google Scholar] [CrossRef]
- Reda, A.T.; Park, J.Y.; Park, Y.T. Zinc Oxide-Based Nanomaterials for Microbiostatic Activities: A Review. J. Funct. Biomater. 2024, 15, 103. [Google Scholar] [CrossRef]
- Vimbela, G.V.; Ngo, S.M.; Fraze, C.; Yang, L.; Stout, D.A. Antibacterial properties and toxicity from metallic nanomaterials. Int. J. Nanomed. 2017, 12, 3941–3965. [Google Scholar] [CrossRef]
- Kang, M.; Liu, Y.; Weng, Y.; Wang, H.; Bai, X. A critical review on the toxicity regulation and ecological risks of zinc oxide nanoparticles to plants. Environ. Sci. Nano 2024, 11, 14–35. [Google Scholar] [CrossRef]
- Nel, A.; Xia, T.; Maädler, L.; Li, N. Toxic Potential of Materials at the Nanolevel. Science 2006, 311, 622–627. [Google Scholar] [CrossRef]
- Kumah, E.A.; Fopa, R.D.; Harati, S.; Boadu, P.; Zohoori, F.V.; Pak, T. Human and environmental impacts of nanoparticles: A scoping review of the current literature. BMC Public Health 2023, 23, 1059. [Google Scholar] [CrossRef]
- Perera, K.Y.; Hopkins, M.; Jaiswal, A.K.; Jaiswal, S. Nanoclays-containing bio-based packaging materials: Properties, applications, safety, and regulatory issues. J. Nanostructure Chem. 2024, 14, 71–93. [Google Scholar] [CrossRef]
- Zeggai, F.Z.; Touahra, F.; Labied, R.; Lerari, D.; Chebout, R.; Bachari, K. Biopolymers-Clay Nanocomposites: Synthesis Pathways, Properties, and Applications; IntechOpen: London, UK, 2024. [Google Scholar] [CrossRef]
- Nabipour, H.; Sadr, M.H.; Thomas, N. Synthesis, controlled release and antibacterial studies of nalidixic acid–zinc hydroxide nitrate nanocomposites. New J. Chem. 2016, 40, 238–244. [Google Scholar] [CrossRef]
- Hahsim, N.; Muda, Z.; Isa, I.M.; Abu Bakar, N.; Mahamod, W.R.W.; Ali, N.M.; Sharif, S.N.M.; Jajuli, M.N.; Zobir, S.A.M.; Suyanta, S. Synthesis and Application of Zinc Layered Hydroxide: A Short Review. Indones. J. Chem. 2023, 23, 881–898. [Google Scholar] [CrossRef]
- Ruiz, C.V.; Rodríguez-Castellón, E.; Giraldo, O. Structural Analysis and Conduction Mechanisms in Polycrystalline Zinc Hydroxide Nitrate. Inorg. Chem. 2018, 57, 9067–9078. [Google Scholar] [CrossRef] [PubMed]
- Shinagawa, T.; Watanabe, M.; Mori, T.; Tani, J.-I.; Chigane, M.; Izaki, M. Oriented Transformation from Layered Zinc Hydroxides to Nanoporous ZnO: A Comparative Study of Different Anion Types. Inorg. Chem. 2018, 57, 13137–13149. [Google Scholar] [CrossRef]
- da Gama, B.M.V.; Selvasembian, R.; Giannakoudakis, D.A.; Triantafyllidis, K.S.; McKay, G.; Meili, L. Layered Double Hydroxides as Rising-Star Adsorbents for Water Purification: A Brief Discussion. Molecules 2022, 27, 4900. [Google Scholar] [CrossRef]
- Khadiran, N.F.; Hussein, M.Z.; Ahmad, R.; Khadiran, T.; Zainal, Z.; Kadir, W.R.W.A.; Hashim, S.S. Preparation and properties of zinc layered hydroxide with nitrate and phosphate as the counter anion, a novel control release fertilizer formulation. J. Porous Mater. 2021, 28, 1797–1811. [Google Scholar] [CrossRef]
- Zhang, Y.; Mi, Y.; Liu, M.; Zeng, S.; Hou, W. Synthesis of (10-hydroxycamptothecin intercalated layered zinc hydroxide nitrate)@liposome nanocomposites for improving drug-release performance. J. Mol. Liq. 2024, 397, 124033. [Google Scholar] [CrossRef]
- Nabipour, H.; Batool, S.; Hu, Y. Pectin-Coated Baclofen-Layered Zinc Hydroxide Nanohybrid as a Bio-Based Nanocomposite Carrier for Oral Delivery. IEEE Trans. Nanobioscience 2023, 22, 63–70. [Google Scholar] [CrossRef] [PubMed]
- Sharif, S.N.M.; Hashim, N.; Isa, I.M.; Bakar, S.A.; Saidin, M.I.; Ahmad, M.S.; Mamat, M.; Hussein, M.Z.; Zainul, R. Chitosan as a coating material in enhancing the controlled release behaviour of zinc hydroxide nitrate–sodium dodecylsulphate–bispyribac nanocomposite. Chem. Pap. 2021, 75, 611–627. [Google Scholar] [CrossRef]
- Sharif, S.N.M.; Hashim, N.; Isa, I.M.; Abu Bakar, S.; Saidin, M.I.; Ahmad, M.S.; Mamat, M.; Hussein, M.Z.; Zainul, R. The impact of a hygroscopic chitosan coating on the controlled release behaviour of zinc hydroxide nitrate–sodium dodecylsulphate–imidacloprid nanocomposites. New J. Chem. 2020, 44, 9097–9108. [Google Scholar] [CrossRef]
- Nabipour, H.; Sadr, M.H.; Thomas, N. Synthesis, characterisation and sustained release properties of layered zinc hydroxide intercalated with amoxicillin trihydrate. J. Exp. Nanosci. 2015, 10, 1269–1284. [Google Scholar] [CrossRef]
- Trukhanov, A.V.; Darwish, K.A.; Salem, M.M.; Hemeda, O.M.; Abdel Ati, M.I.; Darwish, M.A.; Kaniukov, E.Y.; Podgornaya, S.V.; Turchenko, V.A.; Tishkevich, D.I.; et al. Impact of the heat treatment conditions on crystal structure, morphology and magnetic properties evolution in BaM nanohexaferrites. J. Alloys Compd. 2021, 866, 158961. [Google Scholar] [CrossRef]
- Ibn Mahrsi, M.; Chouchene, B.; Gries, T.; Carré, V.; Girot, E.; Medjahdi, G.; Ayari, F.; Balan, L.; Schneider, R. Novel ZnO/Ag nanohybrids prepared from Ag+-doped layered zinc hydroxides as highly active photocatalysts for the degradation of dyes and Ciprofloxacin. Colloids Surf. A Physicochem. Eng. Asp. 2023, 671, 131643. [Google Scholar] [CrossRef]
- Awassa, J.; Cornu, D.; Soulé, S.; Carteret, C.; Ruby, C.; El-Kirat-Chatel, S. Divalent metal release and antimicrobial effects of layered double hydroxides. Appl. Clay Sci. 2022, 216, 106369. [Google Scholar] [CrossRef]
- Wang, M.; Jiang, L.; Kim, E.J.; Hahn, S.H. Electronic structure and optical properties of Zn(OH)2: LDA+U calculations and intense yellow luminescence. RSC Adv. 2015, 5, 87496–87503. [Google Scholar] [CrossRef]
- Ranjbaryan, S.; Pourfathi, B.; Almasi, H. Reinforcing and release controlling effect of cellulose nanofiber in sodium caseinate films activated by nanoemulsified cinnamon essential oil. Food Packag. Shelf Life 2019, 21, 100341. [Google Scholar] [CrossRef]
- Colak, B.Y.; Gouanve, F.; Degraeve, P.; Espuche, E.; Prochazka, F. Study of the influences of film processing conditions and glycerol amount on the water sorption and gas barrier properties of novel sodium caseinate films. J. Memb. Sci. 2015, 478, 1–11. [Google Scholar] [CrossRef]
- Ruiz, C.V.; Giraldo, O. Evaluation of the electrical and dielectric behavior of hybrid materials based on layered zinc hydroxide and benzoate. Ionics 2019, 25, 5391–5399. [Google Scholar] [CrossRef]
- Ludueña, L.N.; Vázquez, A.; Alvarez, V.A. Effect of the type of clay organo-modifier on the morphology, thermal/mechanical/impact/barrier properties and biodegradation in soil of polycaprolactone/clay nanocomposites. J. Appl. Polym. Sci. 2013, 128, 2648–2657. [Google Scholar] [CrossRef]
- Nejad, H.M.; Ganster, J.; Volert, B. Starch esters with improved mechanical properties through melt compounding with nanoclays. J. Appl. Polym. Sci. 2010, 118, 503–510. [Google Scholar] [CrossRef]
- Pereda, M.; Aranguren, M.I.; Marcovich, N.E. Characterization of chitosan/caseinate films. J. Appl. Polym. Sci. 2008, 107, 1080–1090. [Google Scholar] [CrossRef]
- Mohamed, A.; Ramaswamy, H.S. Characterization of Caseinate–Carboxymethyl Chitosan-Based Edible Films Formulated with and without Transglutaminase Enzyme. J. Compos. Sci. 2022, 6, 216. [Google Scholar] [CrossRef]
- Eckard, A.D.; Muthukumarappan, K.; Gibbons, W. Analysis of Casein Biopolymers Adsorption to Lignocellulosic Biomass as a Potential Cellulase Stabilizer. J. Biomed. Biotechnol. 2012, 2012, 745181. [Google Scholar] [CrossRef]
- Pereda, M.; Amica, G.; Rácz, I.; Marcovich, N.E. Structure and properties of nanocomposite films based on sodium caseinate and nanocellulose fibers. J. Food Eng. 2011, 103, 76–83. [Google Scholar] [CrossRef]
- Barreto, P.; Pires, A.; Soldi, V. Thermal degradation of edible films based on milk proteins and gelatin in inert atmosphere. Polym. Degrad. Stab. 2003, 79, 147–152. [Google Scholar] [CrossRef]
- Cardoso, J.C.; Albuquerque, R.L.C.; Padilha, F.F.; Bittencourt, F.O.; de Freitas, O.; Nunes, P.S.; Pereira, N.L.; Fonseca, M.J.V.; Araújo, A.A.S. Effect of the Maillard reaction on properties of casein and casein films. J. Therm. Anal. Calorim. 2011, 104, 249–254. [Google Scholar] [CrossRef]
- Ruiz, C.V.; Rodríguez-Castellón, E.; Giraldo, O. Hybrid materials based on a layered zinc hydroxide solid and gallic acid: Structural characterization and evaluation of the controlled release behavior as a function of the gallic acid content. Appl. Clay Sci. 2019, 181, 105228. [Google Scholar] [CrossRef]
- Vahedikia, N.; Garavand, F.; Tajeddin, B.; Cacciotti, I.; Jafari, S.M.; Omidi, T.; Zahedi, Z. Biodegradable zein film composites reinforced with chitosan nanoparticles and cinnamon essential oil: Physical, mechanical, structural and antimicrobial attributes. Colloids Surf. B Biointerfaces 2019, 177, 25–32. [Google Scholar] [CrossRef]
- Bonnaillie, L.M.; Zhang, H.; Akkurt, S.; Yam, K.L.; Tomasula, P.M. Casein Films: The Effects of Formulation, Environmental Conditions and the Addition of Citric Pectin on the Structure and Mechanical Properties. Polymers 2014, 6, 2018–2036. [Google Scholar] [CrossRef]
- Hasheminya, S.-M.; Dehghannya, J. Development and characterization of novel edible films based on Cordia dichotoma gum incorporated with Salvia mirzayanii essential oil nanoemulsion. Carbohydr. Polym. 2021, 257, 117606. [Google Scholar] [CrossRef]
- Li, Y.; Jiang, Y.; Liu, F.; Ren, F.; Zhao, G.; Leng, X. Fabrication and characterization of TiO2/whey protein isolate nanocomposite film. Food Hydrocoll. 2011, 25, 1098–1104. [Google Scholar] [CrossRef]
- Bhatia, S.; Shah, Y.A.; Al-Harrasi, A.; Jawad, M.; Dıblan, S.; Khan, T.S.; Koca, E.; Aydemir, L.Y. Gelatin/calcium-caseinate films loaded with petitgrain essential oil for sustainable food packaging. Int. J. Food Sci. Technol. 2024, 59, 2430–2445. [Google Scholar] [CrossRef]
- Zhou, Y.; Wu, X.; Chen, J.; He, J. Effects of cinnamon essential oil on the physical, mechanical, structural and thermal properties of cassava starch-based edible films. Int. J. Biol. Macromol. 2021, 184, 574–583. [Google Scholar] [CrossRef] [PubMed]
- Huang, X.; Luo, X.; Liu, L.; Dong, K.; Yang, R.; Lin, C.; Song, H.; Li, S.; Huang, Q. Formation mechanism of egg white protein/κ-Carrageenan composite film and its application to oil packaging. Food Hydrocoll. 2020, 105, 105780. [Google Scholar] [CrossRef]
- Lam, B.; How, Y.; Pui, L. Incorporation of Bifidobacterium breve in sodium caseinate-edible film: Physicochemical properties, viability, and antibacterial activity. J. Food Saf. 2023, 43, e13060. [Google Scholar] [CrossRef]
- Lau, A.; Sarbon, N. Effect of glycerol concentrations on the mechanical and physical properties of chicken skin gelatin-tapioca starch composite films. Food Res. 2022, 6, 428–436. [Google Scholar] [CrossRef] [PubMed]
- Wakai, M.; Almenar, E. Effect of the presence of montmorillonite on the solubility of whey protein isolate films in food model systems with different compositions and pH. Food Hydrocoll. 2015, 43, 612–621. [Google Scholar] [CrossRef]
- Khotsaeng, N.; Simchuer, W.; Imsombut, T.; Srihanam, P. Effect of Glycerol Concentrations on the Characteristics of Cellulose Films from Cattail (Typha angustifolia L.) Flowers. Polymers 2023, 15, 4535. [Google Scholar] [CrossRef] [PubMed]
- Farahnaky, A.; Saberi, B.; Majzoobi, M. Effect of Glycerol on Physical and Mechanical Properties of Wheat Starch Edible Films. J. Texture Stud. 2013, 44, 176–186. [Google Scholar] [CrossRef]
- Hassannia-Kolaee, M.; Khodaiyan, F.; Shahabi-Ghahfarrokhi, I. Modification of functional properties of pullulan–whey protein bionanocomposite films with nanoclay. J. Food Sci. Technol. 2016, 53, 1294–1302. [Google Scholar] [CrossRef]
- Zolfi, M.; Khodaiyan, F.; Mousavi, M.; Hashemi, M. Characterization of the new biodegradable WPI/clay nanocomposite films based on kefiran exopolysaccharide. J. Food Sci. Technol. 2014, 52, 3485–3493. [Google Scholar] [CrossRef][Green Version]
- Ge, L.; Zhu, M.; Xu, Y.; Li, X.; Li, D.; Mu, C. Development of Antimicrobial and Controlled Biodegradable Gelatin-Based Edible Films Containing Nisin and Amino-Functionalized Montmorillonite. Food Bioproc Tech. 2017, 10, 1727–1736. [Google Scholar] [CrossRef]
- Jaberifard, F.; Almajidi, Y.Q.; Arsalani, N.; Ghorbani, M. A self-healing crosslinked-xanthan gum/soy protein based film containing halloysite nanotube and propolis with antibacterial and antioxidant activity for wound healing. Int. J. Pharm. 2024, 656, 124073. [Google Scholar] [CrossRef]
- Rashidi, M.J.; Nasiraie, L.R.; Zomorrodi, S.; Jafarian, S. Development and characterization of novel active opopanax gum and gelatin bio-nanocomposite film containing zinc oxide nanoparticles and peppermint essential oil. J. Food Meas. Charact. 2023, 17, 1953–1961. [Google Scholar] [CrossRef]
- Namazi, H.; Hasani, M.; Yadollahi, M. Antibacterial oxidized starch/ZnO nanocomposite hydrogel: Synthesis and evaluation of its swelling behaviours in various pHs and salt solutions. Int. J. Biol. Macromol. 2019, 126, 578–584. [Google Scholar] [CrossRef]
- Das, D.; Panesar, P.S.; Saini, C.S. Effect of montmorillonite (MMT) on the properties of soybean meal protein isolate-based nanocomposite film loaded with debittered kinnow peel powder. Food Res. Int. 2024, 185, 114292. [Google Scholar] [CrossRef]
- Morariu, S.; Brunchi, C.-E.; Honciuc, M.; Iftime, M.-M. Development of Hybrid Materials Based on Chitosan, Poly(Ethylene Glycol) and Laponite® RD: Effect of Clay Concentration. Polymers 2023, 15, 841. [Google Scholar] [CrossRef] [PubMed]
- Bhatia, S.; Al-Harrasi, A.; Shah, Y.A.; Jawad, M.; Al-Azri, M.S.; Ullah, S.; Anwer, K.; Aldawsari, M.F.; Koca, E.; Aydemir, L.Y. The Effect of Sage (Salvia sclarea) Essential Oil on the Physiochemical and Antioxidant Properties of Sodium Alginate and Casein-Based Composite Edible Films. Gels 2023, 9, 233. [Google Scholar] [CrossRef]
- Loste, J.; Lopez-Cuesta, J.-M.; Billon, L.; Garay, H.; Save, M. Transparent polymer nanocomposites: An overview on their synthesis and advanced properties. Prog. Polym. Sci. 2019, 89, 133–158. [Google Scholar] [CrossRef]
- Tang, S.; Zou, P.; Xiong, H.; Tang, H. Effect of nano-SiO2 on the performance of starch/polyvinyl alcohol blend films. Carbohydr. Polym. 2008, 72, 521–526. [Google Scholar] [CrossRef]
- Wang, Y.; Ma, J.; Xu, Q.; Zhang, J. Fabrication of antibacterial casein-based ZnO nanocomposite for flexible coatings. Mater. Des. 2017, 113, 240–245. [Google Scholar] [CrossRef]
- Oymaci, P.; Altinkaya, S.A. Improvement of barrier and mechanical properties of whey protein isolate based food packaging films by incorporation of zein nanoparticles as a novel bionanocomposite. Food Hydrocoll. 2016, 54, 1–9. [Google Scholar] [CrossRef]
- Azevedo, V.M.; Dias, M.V.; Borges, S.V.; Costa, A.L.R.; Silva, E.K.; Medeiros, É.A.A.; Soares, N.d.F.F. Development of whey protein isolate bio-nanocomposites: Effect of montmorillonite and citric acid on structural, thermal, morphological and mechanical properties. Food Hydrocoll. 2015, 48, 179–188. [Google Scholar] [CrossRef]
- Müller, K.; Jesdinszki, M.; Schmid, M. Modification of Functional Properties of Whey Protein Isolate Nanocomposite Films and Coatings with Nanoclays. J. Nanomater. 2017, 2017, 6039192. [Google Scholar] [CrossRef]
- Alizadeh-Sani, M.; Kia, E.M.; Ghasempour, Z.; Ehsani, A. Preparation of Active Nanocomposite Film Consisting of Sodium Caseinate, ZnO Nanoparticles and Rosemary Essential Oil for Food Packaging Applications. J. Polym. Environ. 2021, 29, 588–598. [Google Scholar] [CrossRef]
- Nakagaki, S.; Machado, G.S.; Stival, J.F.; dos Santos, E.H.; Silva, G.M.; Wypych, F. Natural and synthetic layered hydroxide salts (LHS): Recent advances and application perspectives emphasizing catalysis. Prog. Solid State Chem. 2021, 64, 100335. [Google Scholar] [CrossRef]
- de Azeredo, H.M.C. Nanocomposites for food packaging applications. Food Res. Int. 2009, 42, 1240–1253. [Google Scholar] [CrossRef]
- Seray, M.; Skender, A.; Hadj-Hamou, A.S. Kinetics and mechanisms of Zn2+ release from antimicrobial food packaging based on poly (butylene adipate-co-terephthalate) and zinc oxide nanoparticles. Polym. Bull. 2021, 78, 1021–1040. [Google Scholar] [CrossRef]
- Venkatesan, R.; Rajeswari, N. Nanosilica-reinforced poly(butylene adipate-co-terephthalate) nanocomposites: Preparation, characterization and properties. Polym. Bull. 2019, 76, 4785–4801. [Google Scholar] [CrossRef]
- Sharma, R.; Jafari, S.M.; Sharma, S. Antimicrobial bio-nanocomposites and their potential applications in food packaging. Food Control 2020, 112, 107086. [Google Scholar] [CrossRef]
- Picchio, M.L.; Linck, Y.G.; Monti, G.A.; Gugliotta, L.M.; Minari, R.J.; Igarzabal, C.I.A. Casein films crosslinked by tannic acid for food packaging applications. Food Hydrocoll. 2018, 84, 424–434. [Google Scholar] [CrossRef]
- Gontard, N.; Guilbert, S.; Cuq, J. Edible Wheat Gluten Films: Influence of the Main Process Variables on Film Properties using Response Surface Methodology. J. Food Sci. 1992, 57, 190–195. [Google Scholar] [CrossRef]
- ASTM. Standard Test Method for Transparency of Plastic Sheeting. In Annual Book of ASTM Standards-Plastics (I); ASTM: West Conshohocken, PA, USA, 2015; Volume 8.01, pp. C1147–D3159. [Google Scholar]
- Zhao, J.; Wang, Y.; Liu, C. Film Transparency and Opacity Measurements. Food Anal. Methods 2022, 15, 2840–2846. [Google Scholar] [CrossRef]
- ASTM D882; Test Method for Tensile Properties of Thin Plastic Sheeting. ASTM International: West Conshohocken, PA, USA, 2018. [CrossRef]
- Aouadi, A.; Saud, D.H.; Rebiai, A.; Achouri, A.; Benabdesselam, S.; El-Mordy, F.M.A.; Pohl, P.; Ahmad, S.F.; Attia, S.M.; Abulkhair, H.S.; et al. Introducing the antibacterial and photocatalytic degradation potentials of biosynthesized chitosan, chitosan–ZnO, and chitosan–ZnO/PVP nanoparticles. Sci. Rep. 2024, 14, 14753. [Google Scholar] [CrossRef] [PubMed]
- Sarhadi, H.; Shahdadi, F.; Sardoei, A.S.; Hatami, M.; Ghorbanpour, M. Investigation of physio-mechanical, antioxidant and antimicrobial properties of starch–zinc oxide nanoparticles active films reinforced with Ferula gummosa Boiss essential oil. Sci. Rep. 2024, 14, 5789. [Google Scholar] [CrossRef] [PubMed]
- Lumivero. XLSTAT Statistical and Data Analysis Solution. Available online: https://www.xlstat.com (accessed on 23 June 2024).









| Sample | Moisture Content (%) | Swelling Index (%) | Water Solubility (%) |
|---|---|---|---|
| Cas | 19.98 ± 2.08 b | * | 60.23 ± 5.55 d |
| Cas ZHN-d 1% | 15.63 ± 0.57 a | 418.37 ± 45.41 c | 44.39 ± 1.55 c |
| Cas ZHN-d 2% | 15.64 ± 1.17 a | 163.06 ± 19.52 ab | 35.35 ± 1.70 b |
| Cas ZHN-d 4% | 14.21 ± 0.84 a | 53.27 ± 8.55 a | 34.80 ± 1.24 b |
| Cas ZHN-w 1% | 14.83 ± 1.47 a | 998.32 ± 88.61 e | 65.22 ± 4.56 d |
| Cas ZHN-w 2% | 14.05 ± 0.58 a | 589.65 ± 58.85 d | 27.05 ± 1.89 ab |
| Cas ZHN-w 4% | 14.82 ± 0.90 a | 283.68 ± 36.43 bc | 22.27 ± 1.51 a |
| Sample | Transparency (%) |
|---|---|
| Cas | 90.303 ± 1.462 e |
| Cas ZHN-d 1% | 83.898 ± 2.000 de |
| Cas ZHN-d 2% | 62.620 ± 3.252 b |
| Cas ZHN-d 4% | 20.559 ± 4.417 a |
| Cas ZHN-w 1% | 87.015 ± 3.667 de |
| Cas ZHN-w 2% | 79.515 ± 2.229 cd |
| Cas ZHN-w 4% | 70.427 ± 4.981 bc |
| Sample | Tensile Strength (MPa) | Strain (%) | Young’s Modulus (MPa) |
|---|---|---|---|
| Cas | 0.75 ± 0.00 a | 29.70 ± 1.02 a | 10.27 ± 0.98 a |
| Cas ZHN-d 1% | 1.31 ± 0.14 b | 15.23 ± 12.05 a | 42.09 ± 12.10 b |
| Cas ZHN-d 2% | 1.61 ± 0.16c | 14.50 ± 8.71 a | 61.52 ± 7.73 c |
| Cas ZHN-d 4% | 1.74 ± 0.07 c | 10.70 ± 4.16 a | 68.01 ± 6.38 c |
| Sample | Tensile Strength (MPa) | Strain (%) | Young’s Modulus (MPa) |
|---|---|---|---|
| Cas | 0.75 ± 0.00 a | 29.70 ± 1.02 b | 10.27 ± 0.98 a |
| Cas ZHN-w 1% | 5.47 ± 0.30 b | 11.00 ± 2.96 a | 325.75 ± 34.37 b |
| Cas ZHN-w 2% | 6.45 ± 0.89 b | 8.17 ± 1.78 a | 341.10 ± 38.52 b |
| Cas ZHN-w 4% | 9.62 ± 2.45 c | 10.50 ± 0.80 a | 489.34 ± 78.29 c |
| Sample | Tensile Strength (MPa) | Elongation at Break (%) | Young’s Modulus (MPa) |
|---|---|---|---|
| Cas | 0.75 ± 0.00 f | 29.70 ± 1.02 | 10.27 ± 0.98 d |
| Cas ZHN-d 1% | 1.31 ± 0.14 e | 15.23 ± 12.05 | 42.09 ± 12.10 cd |
| Cas ZHN-d 2% | 1.61 ± 0.16 de | 14.50 ± 8.71 | 61.52 ± 7.73 c |
| Cas ZHN-d 4% | 1.74 ± 0.07 cd | 10.70 ± 4.16 | 68.01 ± 6.38 bc |
| Cas ZHN-w 1% | 5.47± 0.30 bc | 11.00 ± 2.96 | 325.75 ± 34.37 ab |
| Cas ZHN-w 2% | 6.45 ± 0.89 ab | 8.17 ± 1.78 | 341.10 ± 38.52 a |
| Cas ZHN-w 4% | 9.62 ± 2.45 a | 10.50 ± 0.80 | 489.34 ± 78.29 a |
| Sample | E. coli (mm) | S. aureus (mm) |
|---|---|---|
| Cas | 0.0 ± 0.0 a | 0.0 ± 0.0 a |
| ZHN | 9.3 ± 0.6 cd | 9.7 ± 0.6 cd |
| Cas ZHN-d 1% | 7.0 ± 1.0 b | 7.0 ± 1.0 b |
| Cas ZHN-d 2% | 9.7 ± 0.6 d | 10.3 ± 0.6 d |
| Cas ZHN-d 4% | 7.7 ± 0.6 bc | 8.3 ± 0.6 bc |
| Cas ZHN-w 1% | 8.7 ± 0.6 bcd | 10.7 ± 0.6 d |
| Cas ZHN-w 2% | 10.3 ± 0.6 d | 13.3 ± 0.6 e |
| Cas ZHN-w 4% | 10.3 ± 0.63 d | 14.7 ± 0.6 e |
Disclaimer/Publisher’s Note: The statements, opinions and data contained in all publications are solely those of the individual author(s) and contributor(s) and not of MDPI and/or the editor(s). MDPI and/or the editor(s) disclaim responsibility for any injury to people or property resulting from any ideas, methods, instructions or products referred to in the content. |
© 2025 by the authors. Licensee MDPI, Basel, Switzerland. This article is an open access article distributed under the terms and conditions of the Creative Commons Attribution (CC BY) license (https://creativecommons.org/licenses/by/4.0/).
Share and Cite
Becerra, M.E.; Pérez-Blanco, R., Jr.; Giraldo, O.; Medina-Pimentel, L.; Ruiz, C.V. Effects of Zinc-Layered Filler Incorporation Routes on the Antimicrobial, Mechanical, and Physical Properties of Calcium Caseinate Biopolymeric Films. Molecules 2025, 30, 3307. https://doi.org/10.3390/molecules30153307
Becerra ME, Pérez-Blanco R Jr., Giraldo O, Medina-Pimentel L, Ruiz CV. Effects of Zinc-Layered Filler Incorporation Routes on the Antimicrobial, Mechanical, and Physical Properties of Calcium Caseinate Biopolymeric Films. Molecules. 2025; 30(15):3307. https://doi.org/10.3390/molecules30153307
Chicago/Turabian StyleBecerra, Maria E., Reynell Pérez-Blanco, Jr., Oscar Giraldo, Lucia Medina-Pimentel, and Christhy V. Ruiz. 2025. "Effects of Zinc-Layered Filler Incorporation Routes on the Antimicrobial, Mechanical, and Physical Properties of Calcium Caseinate Biopolymeric Films" Molecules 30, no. 15: 3307. https://doi.org/10.3390/molecules30153307
APA StyleBecerra, M. E., Pérez-Blanco, R., Jr., Giraldo, O., Medina-Pimentel, L., & Ruiz, C. V. (2025). Effects of Zinc-Layered Filler Incorporation Routes on the Antimicrobial, Mechanical, and Physical Properties of Calcium Caseinate Biopolymeric Films. Molecules, 30(15), 3307. https://doi.org/10.3390/molecules30153307

