Review of Foam with Novel CO2-Soluble Surfactants for Improved Mobility Control in Tight Oil Reservoirs
Abstract
1. Introduction
2. CO2-Soluble Surfactant Foam System
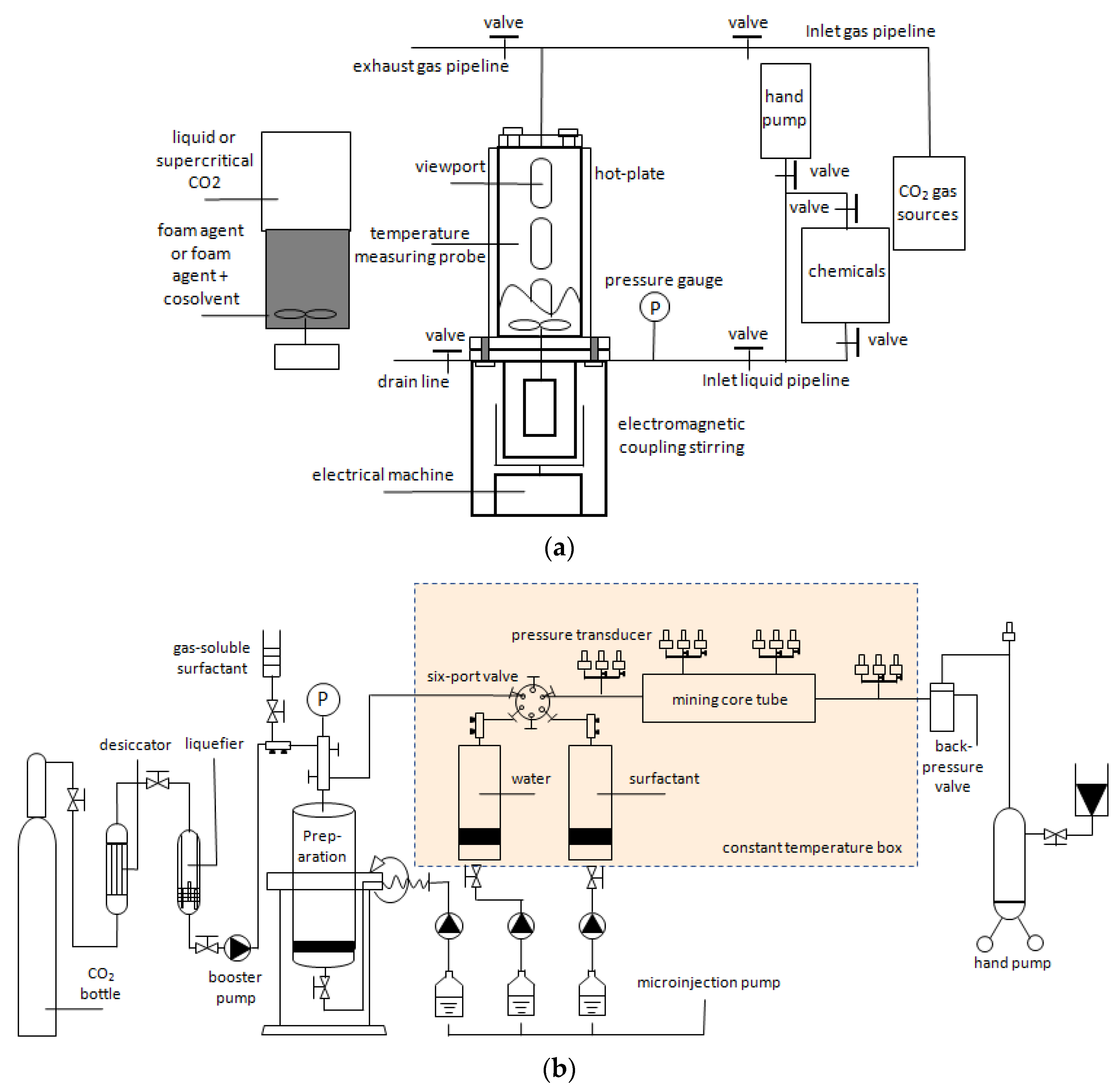
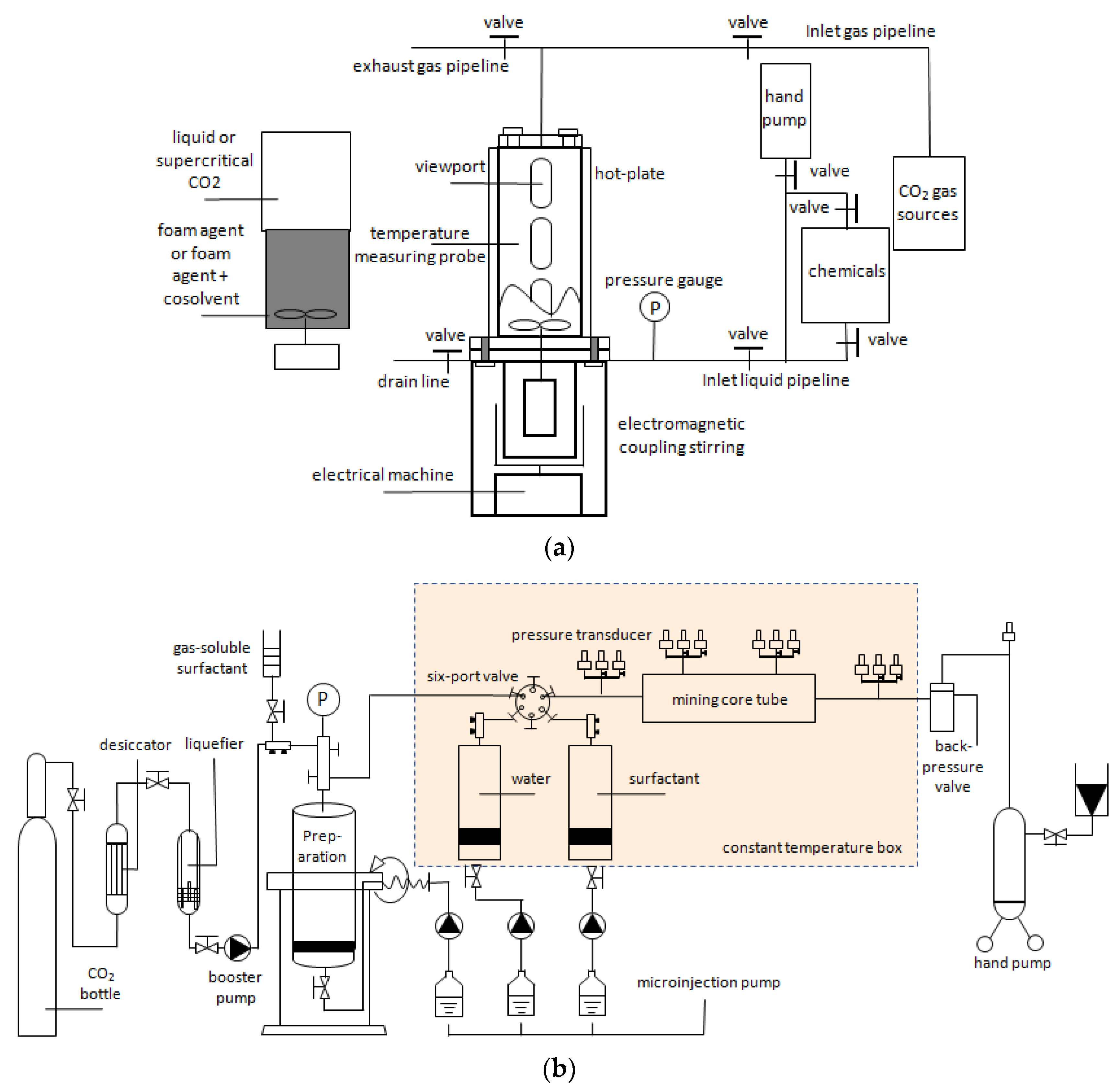
2.1. The Dissolution Method of the System
2.1.1. CO2 + Gas-Soluble Surfactants (+ Agents)
2.1.2. CO2 + Gas-Soluble Surfactant + Water (+ Agents)
| Surfactant | Additives | Research Focus | Results | Conditions | References |
|---|---|---|---|---|---|
| AMPHOAM, LDMAA | — | Foam stability at high temperatures and salinity, effect of methane dilution | Good thermal and chemical stability. High temperatures and methane dilution reduce foam stability | 120 °C, High salinity | [28] |
| SURFONIC® N-100, SURFONIC® TDA-9 | — | Surfactant effect on rock wettability and CO2 huff-and-puff performance | Enhanced rock wettability and improved recovery (75%) | 80 °C, 2000–5000 LBS/Sq | [29] |
| N-P series, ABS, A-S-12, N-NP-7c/9c | Ethanol, Glycol | Solubility and extraction performance of surfactants with CO2 | N-P-12 with additives showed the highest solubility, stable foam at 125 °C | 125 °C | [30] |
| AOT | Ethanol, 1-pentanol | Solubility in supercritical CO2 under different additives and pressures | F-pentanol enhanced solubility and lowered cloud point pressure | 52.2 °C, 35 MPa | [31] |
| AOT, SDS, C8PnEm, C12EmPn | — | Comprehensive performance screening of surfactants and effect of pressure and temperature | Optimal concentration at 0.5%; stability varies with temperature and pressure | 40 °C, 15–50 MPa | [33] |
| AOT | Ethanol | Effect of temperature, water content, and AOT concentration on cloud point pressure of CO2 microemulsions | Cloud point pressure changes with AOT content and temperature | 45 °C, 19 MPa | [34] |
| Ls-54 | Alcohols (various) | Effect of different alcohols on the phase behavior of CO2-containing surfactants | Smaller molecular weight alcohols lower cloud point pressure, temp increases pressure | 308.2 K and 318.2 K, 13.67–22.87 MPa | [35] |
2.2. Evaluation of the System
2.3. CO2 Foam Performance Evaluation Methods
| Evaluation Index | Definition | Equation | Reference |
|---|---|---|---|
| Foam volume (V) | The space volume occupied by foam at a certain moment | — | [37] |
| Foam half-life (t1/2) | Time taken to reduce the foam volume from the maximum foam volume (Vmax) to half the volume at a given temperature | — | [55] |
| Cloud point pressure | Read the pressure at the critical point when the system becomes turbid | — | [33] |
| Solubility parameter (δ) | Proposed based on the regular solution theory, whose value is the square root of the liquid cohesive energy density, used to characterize the strength of interaction between simple liquid molecules | (1) | [38] |
| Basic differential pressure (∆Pb) | The pressure difference generated at both ends of the core when water and non-condensable gas are injected into the core at the experimental injection rate and gas–liquid ratio | — | [39] |
| Working pressure difference (∆Pr) | Pressure difference at both ends of a foam solution of a certain concentration and a non-condensable gas injected into a core at the same injection rate and gas–liquid ratio as the basic pressure difference measured | — | [39] |
| Resistance factor (Rf) | At a certain temperature, the ratio of resistance pressure difference (∆Pr) to basic pressure difference (∆Pb) | (2) | [40] |
| Residual resistance factor | Ratio of pressure difference between two ends of subsequent water flooding to that before foam injection and after foam injection | — | [33] |
| Residual oil saturation (Sor) | Percentage of residual oil in rock pore volume | (3) | [41] |
| Displacement efficiency (ED) | The ratio of produced oil to crude oil in the range of underground displacement | (4) | [39] |
| Interfacial tension | Shrinkage capacity at unit length liquid interface | — | [33] |
| Foam quality (%) | Gas volume fraction in foams | (5) | [56] |
| Mobility reduction factor (MRF) | Ratio of foam flooding pressure drop to water/gas flooding pressure drop | (6) | [57] |
| Apparent foam viscosity (μapp) | Ratio of shear stress to shear rate of foam under certain velocity gradient | (7) | [58] |
3. The Theory of CO2-Soluble Surfactant Foam and the EOR Mechanism
3.1. Definition of Foam
3.2. Surfactant Solubility in CO2
3.3. Foam Generation and Stability
3.3.1. Foam Generation
3.3.2. Foam Stability
3.4. Flow and Rheological Model of Foam
3.4.1. Empirical or Semi-Empirical Models
- (1)
- STARSTM foam model
- (2)
- UTCOMP foam model
3.4.2. Population Balance Model
3.5. CO2 Foam EOR Mechanism
4. Classification and Application Progress of CO2-Soluble Surfactants
4.1. Surfactant Classification
4.2. Application Progress
4.2.1. Nonionic Surfactants
4.2.2. Ionic Surfactants
4.2.3. Fluorine- and Nitrogen-Containing Surfactants
4.2.4. Surfactant Blended Systems
5. Conclusions and Future Outlook
- (1)
- A CO2-soluble surfactant system is divided into CO2 + surfactant (+ agents) and CO2 + surfactant (+ agents) + water. Notably, adding agents and water aids in increasing CO2‘s ability to carry surfactants. Continuous injection is more economical and has great potential. The macro-phase behavior of surfactant, water, and CO2 was judged by cloud point pressure in the static experiment to determine the foam stability and solubilization performance of the microemulsion. The foaming performance was then evaluated based on foam volume and foam half-life. The dynamic experimental evaluation method was used to analyze the sealing ability of foam based on the resistance coefficient and residual resistance factor. While CO2 can form miscible flooding with crude oil, gas-soluble surfactants can effectively reduce the miscible pressure. Therefore, the interfacial properties can be measured using the hanging drop method to analyze changes in miscible pressure.
- (2)
- Snap-off, lamellar division, and leave-behind are the three mechanisms that generate foam in porous media. Foam coalescence is generally due to capillary suction and gas diffusion. Capillary suction is widely considered the main mechanism of foam rupture. Empirical or semi-empirical and mechanical models (population balance models) can analyze foam fluidity. Empirical or semi-empirical models are more targeted, whereas mechanical models are more universal. Although many studies have explored foam performance under different conditions and the improvement of foam mobility models, research on CO2-soluble surfactants must be combined with effective on-site cases to provide more valuable information for future development.
- (3)
- CO2 foam can effectively improve the sweep range and oil displacement efficiency of CO2 by reducing the oil–gas mobility ratio, selective plugging, and reducing interfacial tension to change rock wettability. Retention foam can prolong the contact time between CO2 and oil, resulting in a better CO2 flooding mechanism. However, the study of minimum miscible pressure reduction in the CO2–oil system with gas-soluble surfactants remains in the exploratory stage. Many issues need to be addressed. For instance, as the mechanism of agents in the system is not sufficiently evident, improving the interaction mechanism between CO2, surfactants, agents, and oil is highly desirable.
- (4)
- Surfactant solubility in CO2 is the primary parameter for screening CO2-soluble surfactants, followed by the analysis of foam properties, thermal stability, and adsorption behavior. At present, only a few CO2-philic surfactants exist. Although fluorine- and silicon-containing surfactants have high surface activity, small cohesive energy, and good compatibility with CO2, difficult degradation, high toxicity, and high cost seriously limit their field applications. The existing CO2-philic hydrocarbon surfactants are affordable, but their solubility in CO2 is small, with limited foam performance. Many current studies focus on nonionic surfactants. Anionic, cationic, and zwitterionic surfactants, as well as two or more mixed surfactants, have also been studied, although their overall foaming performance requires further improvement. Overall, enhancing the foam performance of nonionic surfactants or improving the solubility of ionic surfactants in CO2 will be effective in realizing improved oil recovery efficiency.
- (5)
- This article explores the application of CO2-soluble surfactants in tight reservoirs with low permeability and high reservoir heterogeneity. Advanced screening and simulation techniques are introduced to more accurately predict the behavior of surfactants in reservoirs, reducing the time and cost of experimental stages.
- (6)
- Future research should focus on developing new CO2-soluble surfactants that address current limitations while enhancing performance in challenging reservoir conditions. One promising direction is the development of environmentally friendly and biodegradable surfactants. With increasing environmental regulations and the need for sustainable oil recovery methods, the use of green chemistry to design surfactants that are both highly effective and environmentally benign will become critical. Additionally, fluorinated surfactants and siloxane-based surfactants have shown potential for improving solubility and stability in supercritical CO2, especially under high temperature and salinity conditions. Research could also explore the development of nanoparticle-enhanced surfactants, which combine the stability of nanoparticles with surfactant-based foam systems to further increase foam stability and extend the duration of mobility control. Another promising direction is the customization of surfactant molecular structures to target specific reservoir characteristics. For example, surfactants with branched or double-tail hydrophobic groups could be designed to improve solubility in CO2 while introducing functional groups that enhance interactions with the formation of water could lead to more stable foam films in highly heterogeneous or low-permeability reservoirs.
Funding
Conflicts of Interest
References
- Wang, F.S.; Mou, Z.B.; Liu, P.C.; Zhang, S.F.; Wang, C.; Li, X.L. Experiment and numerical simulation on mechanism of CO2 assisted mining in super heavy oil reservoirs. Pet. Geol. Recovery Effic. 2017, 24, 86–91. [Google Scholar]
- Hamouda, A.A.; Chughtai, S. Miscible CO2 flooding for EOR in the presence of natural gas components in displacing and displaced fluids. Energies 2018, 11, 391. [Google Scholar] [CrossRef]
- Liu, L.C.; Li, Q.; Zhang, J.T.; Cao, D. Toward a framework of environmental risk management for CO2 geological storage in China: Gaps and suggestions for future regulations. Mitig. Adapt. Strateg. Glob. Chang. 2016, 21, 191–207. [Google Scholar] [CrossRef]
- Guo, F.; Aryana, S.A. Improved sweep efficiency due to foam flooding in a heterogeneous microfluidic device. J. Pet. Sci. Eng. 2018, 164, 155–163. [Google Scholar] [CrossRef]
- Jin, F.; Chen, S.; Wei, B.; Wang, D.; Yang, W.; Wang, Y.; Lu, J. Visualization of CO2 foam generation, propagation and sweep in a complex 2D heterogeneous fracture network. Fuel 2021, 302, 121000. [Google Scholar] [CrossRef]
- Wang, Y.C.; Zhao, Z.D. Experimental Research on the Effect of Pressure on CO2 Oil Displacement Efficiency. Spec. Oil Gas Reserv. 2017, 24, 132–135. [Google Scholar]
- Mathew, E.S.; Shaik, A.R.; Sumaiti, A.A.; AlAmeri, W. Effect of oil presence on CO2 foam based mobility control in high temperature high salinity carbonate reservoirs. Energy Fuels 2018, 32, 2983–2992. [Google Scholar] [CrossRef]
- Sie, C.Y.; Nguyen, Q.P. A non-aqueous foam concept for improving hydrocarbon miscible flooding in low permeability oil formations. Fuel 2021, 288, 119732. [Google Scholar] [CrossRef]
- Zhang, Y.; Wang, Y.T.; Xue, F.F.; Wang, Y.Q.; Ren, B.; Zhang, L.; Ren, S.R. CO2 foam flooding for improved oil recovery: Reservoir simulation models and influencing factors. J. Pet. Sci. Eng. 2015, 133, 838–850. [Google Scholar] [CrossRef]
- Li, S.; Yang, K.; Li, Z.; Zhang, K.; Jia, N. Properties of CO2 foam stabilized by hydrophilic nanoparticles and nonionic surfactants. Energy Fuels 2019, 33, 5043–5054. [Google Scholar] [CrossRef]
- Liang, S.; Luo, W.; Luo, Z.; Wang, W.; Xue, X.; Dong, B. Research of CO2-Soluble Surfactants for Enhanced Oil Recovery: Review and Outlook. Molecules 2023, 28, 8042. [Google Scholar] [CrossRef] [PubMed]
- Hosseini, H.; Tsau, J.S.; Wasserbauer, J.; Aryana, S.A.; Ghahfarokhi, R.B. Synergistic foam stabilization and transport improvement in simulated fractures with polyelectrolyte complex nanoparticles: Microscale observation using laser etched glass micromodels. Fuel 2021, 301, 121004. [Google Scholar] [CrossRef]
- Song, Y.X.; Zhou, Y.X.; Zhang, W.M. Application of foam fluid in oil field. Foreign Oilfield Eng. 1997, 13, 5–8. [Google Scholar]
- Li, Z.L.; Qian, W.D. An overview of application of foam fluid in oil fields in China. Oil Drill. Prod. Technol. 1993, 15, 88–94. [Google Scholar]
- Yu, Q.T. On Research Strategy for Enhancing Oil Recovery Factor. Xinjiang Pet. Geol. 2000, 21, 307–310. [Google Scholar]
- Liu, Z.K.; Min, J.H. Application of Foam Flooding in Shengli Oil Field. Oil Gas Recovery Technol. 1996, 3, 24–29. [Google Scholar]
- Beyer, A.H.; Millhone, R.S.; Foote, R.W. Flow behavior of foam as a well circulating fluid. In Proceedings of the Fall Meeting of the Society of Petroleum Engineers of AIME, San Antonio, TX, USA, 8–11 October 1972. [Google Scholar]
- Blauer, R.E.; Kohlhaas, C.A. Formation fracturing with foam. In Proceedings of the Fall Meeting of the Society of Petroleum Engineers of AIME, Houston, TX, USA, 6–9 October 1974. [Google Scholar]
- Stone, H.L. Vertical, Conformance in An Alternating Water-Miscible Gas Flood. In Proceedings of the SPE Annual Technical Conference and Exhibition, New Orleans, LA, USA, 26–29 September 1982. [Google Scholar]
- Righi, E.F.; Royo, J.; Gentil, P.; Castelo, R.; Bosco, S. Experimental study of tertiary immiscible WAG injection. In Proceedings of the SPE/DOE Symposium on Improved Oil Recovery, Tulsa, OK, USA, 17–21 April 2004. [Google Scholar]
- Lawson, J.B. The adsorption of non-ionic and anionic surfactants on sandstone and carbonate. In Proceedings of the SPE Symposium on Improved Methods of Oil Recovery, Tulsa, OK, USA, 16–19 April 1978. [Google Scholar]
- Zhao, Y.P.; Zhao, X.S.; Li JYao, Z.J.; Zhao, Y. Indoor Experiment and Field Application of CO2 Flooding in Ultra-Low Permeability Oil Reservoirs. Pet. Geol. Oilfield Dev. Daqing 2018, 37, 128–133. [Google Scholar]
- Le, V.Q.; Nguyen, Q.P.; Sanders, A. A novel foam concept with CO2 dissolved surfactants. In Proceedings of the SPE Symposium on Improved Oil Recovery, Tulsa, OK, USA, 20–23 April 2008. [Google Scholar]
- Xing, D.Z.; Wei, B.; Trickett, K.; Mohamed, A.; Eastoe, J.; Soong, Y.; Enick, R. CO2-soluble surfactants for improved mobility control. In Proceedings of the SPE Improved Oil Recovery Symposium, Tulsa, OK, USA, 24–28 April 2010. [Google Scholar]
- Zhu, Z.Q. Supercritical Fluid Technology—Principles and Applications; China Chemical Industry Press: Beijing, China, 2000. [Google Scholar]
- Han, B.X. Supercritical Fluid Science and Technology; China Petrochemical Press: Beijing, China, 2005. [Google Scholar]
- Bond, D.C. Method for Recovering Oil from Subterranean Formations. U.S. Patent 3,342,261, 28 February 1967. [Google Scholar]
- Xue, Z.; Panthi, K.; Fei, Y.P.; Johnston, K.P.; Mohanty, K.K. CO2-Soluble Ionic Surfactants and CO2 Foams for High-Temperature and High-Salinity Sandstone Reservoirs. Energy Fuels 2015, 29, 5750–5760. [Google Scholar] [CrossRef]
- Haeri, F.; Burrows, L.; Lemaire, P.; Shah, P.G.; Tapriyal, D.; Enick, R.M.; Crandall, D.M.; Goodman, A. Improving CO2-EOR In Shale Reservoirs using Dilute Concentrations of Wettability-Altering CO2-Soluble Nonionic Surfactants. In Proceedings of the SPE/AAPG/SEG Unconventional Resources Technology Conference, Virtual, 20–22 July 2020. [Google Scholar]
- Bi, W.Y. Development and performance evaluation on CO2-soluble surfactant foam system for low permeability reservoir. Pet. Geol. Recovery Effic. 2018, 25, 71–77. [Google Scholar]
- Raveendran, P.; Shervani, Z.; Ikushima, Y.; Liu, J. Micellization of sodium bis(2-ethylhexyl) sulfosuccinate in supercritical CO2 with fluorinated co-surfactant and its solubilization of hydrophilic species. J. Supercrit. Fluids 2005, 33, 121–130. [Google Scholar]
- Johnston, K.P.; Harrison, K.L.; Clarke, M.J.; Howdle, S.M.; Heitz, M.P.; Bright, F.V.; Carlier, C.; Randolph, T.W. Water-in-carbon dioxide microemulsions: An environment for hydrophiles including proteins. Science 1996, 271, 624–626. [Google Scholar] [CrossRef]
- Zhang, C. Research on Stabilization Mechanism and Flow Characteristics of CO2 Foam on the Basis of Gas-soluble Surfactant. Ph.D.Dissertation, China University of Petroleum, Qingdao, China, 2016. [Google Scholar]
- Cui, B.; Dong, Z.X.; Li, Y.; Lin, M.Q. Cloud Point Pressure of Supercritical Carbon Dioxide Microemulsion System. Petrochem. Technol. 2013, 42, 303–307. [Google Scholar]
- Liu, J.C.; Han, B.X.; Zhang, J.L.; Mu, T.C.; Li, G.Z.; Wu, W.Z.; Yang, G.Y. Effect of cosolvent on the phase behavior of non-fluorous Ls-54 surfactant in supercritical CO2. Fluid Phase Equilibria 2003, 211, 265–271. [Google Scholar] [CrossRef]
- Patzek, T.W. Field Application of Foam for Mobility Improvement and Profile Control. SPE Res. Eng. 1996, 11, 79–85. [Google Scholar] [CrossRef]
- Zhang, Y.H. Gas Solubility and Plugging Performance of CO2-soluble Foaming Agent. Sci. Technol. Eng. 2017, 21, 1671–1815. [Google Scholar]
- Cheng, X.F.; Feng, C.G.; Wang, Y.; Wang, L.Q.; Wang, F.L. Study on Solvent Characteristics of Active Composition of Herbs in SCF-CO2. Chemistry 2000, 3, 26–29. [Google Scholar]
- EOR Laboratory Evaluation Method for Steam Foam Injection SY/T 6955-2013. Available online: https://standardsofchina.com/standard/pdf/SYT6955-2013.html (accessed on 23 August 2024).
- Pang, Z.X.; Wu, Y.L.; Zhao, M. Novel Evaluation Method of Foam Agents for Thermal Recovery in Heavy Oil Reservoirs. Energy Fuels 2016, 30, 2948–2957. [Google Scholar] [CrossRef]
- Hutchinson, D.A.; Demiral, B.D.M.; Castanier, L. Steam Foam Studies in the Presence of Residual Oil. In Proceedings of the SPE Latin America Petroleum Engineering Conference, Caracas, Venezuela, 8–11 March 1992. [Google Scholar]
- Luo, H.; Zhang, Y.C.; Fan, W.Y.; Nan, G.Z.; Li, Z.M. Effects of the non-ionic surfactant (CiPOj) on the interfacial tension behavior between CO2 and crude oil. Energy Fuels 2018, 32, 6708–6712. [Google Scholar] [CrossRef]
- Farajzadeh, R.; Lopez-Salinas, J.L.; Miller, C.A.; Biswal, S.L.; Hirasaki, G.J. Estimation of Parameters for the Simulation of Foam Flow through Porous Media. Part1: The Dry-Out Effect. Energy Fuels 2013, 27, 2363–2375. [Google Scholar]
- Alvarez, J.M.; Rivas, H.J.; Rossen, W.R. Unified Model for Steady-State Foam Behavior at High and Low Foam Qualities. SPE J. 2001, 6, 325–333. [Google Scholar] [CrossRef]
- Khatib, Z.I.; Hirasaki, G.J.; Falls, A.H. Effects of Capillary Pressure on Coalescence and Phase Mobilities in Foams Flowing Through Porous Media. SPE Res. Eval. Eng. 1988, 3, 919–926. [Google Scholar] [CrossRef]
- Rossen, W.R.; Wang, M.W. Modeling Foams for Acid Diversion. SPE J. 1999, 4, 92–100. [Google Scholar] [CrossRef]
- Kraynik, A.M.; Reinelt, D.A.; Sivarajan, S. Rheology of Foams. In Reference Module in Materials Science and Materials Engineering; John Wiley & Sons, Ltd.: Hoboken, NJ, USA, 2018. [Google Scholar]
- Hutchins, R.D.; Miller, M.J. A Circulating Foam Loop for Evaluating Foam at Conditions of Use. SPE Prod. Fac. 2005, 20, 286–294. [Google Scholar] [CrossRef]
- Alexander, S.; Barron, A.R.; Denkov, N.; Grassia, P.; Kiani, S.; Sagisaka, M.; Shojaei, M.J.; Shokri, N. Foam generation and stability: Role of the surfactant structure and asphaltene aggregates. Ind. Eng. Chem. Res. 2021, 61, 372–381. [Google Scholar] [CrossRef]
- Orujov, A.; Coddington, K.; Aryana, S.A. A review of CCUS in the context of foams, regulatory frameworks and monitoring. Energies 2023, 16, 3284. [Google Scholar] [CrossRef]
- Falls, A.H.; Hirasaki, G.J.; Patzek, T.W.; Gauglitz, D.A.; Miller, D.D.; Ratulowski, T. Development of a mechanistic Foam Simulator: The Population Balance and Generation by Snap-Off. SPE Res. Eng. 1988, 3, 884–892. [Google Scholar] [CrossRef]
- Boud, D.C.; Holbrook, O.C. Gas Drive Oil Recovery Process. U.S. Patent 2,866,507, 30 December 1958. [Google Scholar]
- Nguyen, Q.; Alexandrov, A.; Zitha, P.; Currie, P. Experimental and Modeling Studies on Foam in Porous Media: A Review. In Proceedings of the SPE International Symposium on Formation Damage Control, Lafayette, LA, USA, 23–24 February 2000. [Google Scholar]
- Hirasaki, G.J.; Lawson, J.B. Mechanisms of Foam Flow in Porous Media: Apparent Viscosity in Smooth Capillaries. Soc. Pet. Eng. 1985, 25, 176–190. [Google Scholar] [CrossRef]
- Wei, X. Study on visualized foaming properties of CO2 gas soluble foaming agent. Adv. Fine Petrochem. 2021, 22, 33–35. [Google Scholar]
- Hahn, R.E. Novel Cationic Surfactants for CO2-Foam Flooding in Carbonate Reservoirs. Ph.D. Thesis, The University of Texas at Austin, Austin, TX, USA, 2015. [Google Scholar]
- Delamaide, E.; Cuenca, A.; Chabert, M. State of the Art Review of the Steam Foam Process. In Proceedings of the SPE Latin America and Caribbean Heavy and Extra Heavy Oil Conference, Lima, Peru, 19–20 October 2016. [Google Scholar]
- Cui, L.Y.; Ma, K.; Puerto, M.; Abdala, A.A.; Tanakov, I.; Lu, L.J.; Chen, Y.S.; Elhag, A.; Johnston, K.P.; Biswal, S.L. Mobility of ethomeen C12 and carbon dioxide (CO2) foam at high temperature/high salinity and in carbonate core. SPE J. 2016, 21, 1151–1163. [Google Scholar] [CrossRef]
- Friedmann, F.; Chen, W.H.; Gauglitz, P.A. Experimental and Simulation Study of High-Temperature Foam Displacement in Porous Media. SPE Res. Eng. 1991, 6, 37–45. [Google Scholar] [CrossRef]
- Kovscek, A.R.; Radke, C.J. Fundamentals of Foam Transport in Porous Media. Foams: Fundamentals and Applications in the Petroleum Industry. Am. Chem. Soc. 1994, 242, 115–163. [Google Scholar]
- Schramm, L.L. Foams: Fundamentals and Applications in the Petroleum Industry; American Chemical Society: Washington, DC, USA, 1994. [Google Scholar]
- Almajid, M.; Kovscek, A. Pore-level mechanics of foam generation and coalescence in the presence of oil. Adv. Colloid Interface Sci. 2016, 233, 65–82. [Google Scholar] [CrossRef] [PubMed]
- Farajzadeh, R.; Andrianov, A.; Zitha, P. Investigation of Immiscible and Miscible Foam for Enhancing Oil Recovery. Ind. Eng. Chem. Res. 2010, 49, 1910–1919. [Google Scholar] [CrossRef]
- Rossen, W.R.; Gauglitz, P.A. Percolation Theory of Creation and Mobilization of Foams in Porous Media. AIChE J. 1990, 36, 1176–1188. [Google Scholar] [CrossRef]
- Consan, K.A.; Smith, R.D. Observations on the solubility of surfactants and related molecules in carbon dioxide at 50 °C. J. Supercrit Fluids 1990, 3, 51–65. [Google Scholar] [CrossRef]
- Hoefling, T.A.; Beitle, R.R.; Enick, R.M.; Beckman, E.J. Design and synthesis of highly CO2-soluble surfactants and chelating agents. Fluid Phase Equilib. 1993, 83, 203–212. [Google Scholar] [CrossRef]
- Eastoe, J.; Gold, S. Self-assembly in green solvents. Phys. Chem. Chem. Phys. 2005, 7, 1352–1362. [Google Scholar] [CrossRef]
- Desimone, J.M.; Keiper, J.S. Surfactants and self-assembly in carbon dioxide. Curr. Opin. Solid State Mater. Sci. 2001, 5, 333–341. [Google Scholar] [CrossRef]
- Fan, X.; Potluri, V.K.; Mcleod, M.C.; Wang, Y.; Liu, J.C.; Enick, R.M.; Hamilton, A.D.; Roberts, C.B.; Johnson, J.K.; Beckman, E.J. Oxygenated hydrocarbon ionic surfactants exhibit CO2 solubility. J. Am. Chem. Soc. 2005, 127, 11754–11762. [Google Scholar] [CrossRef]
- Liu, J.C.; Han, B.X.; Wang, Z.W.; Zhang, J.L.; Li, G.Z.; Yang, G.Y. Solubility of Ls-36 and Ls-45 surfactants in supercritical CO2 and loading water in the CO2/water/surfactant systems. Langmuir 2002, 18, 3086–3089. [Google Scholar] [CrossRef]
- da Rocha, S.R.P.; Harrison, K.L.; Johnston, K.P. Effect of surfactants on the interfacial tension and emulsion formation between water and carbon dioxide. Langmuir 1999, 15, 419–428. [Google Scholar] [CrossRef]
- Sagisaka, M.; Fujii, T.; Koike, D.; Yoda, S.; Takebayashi, Y.; Furuya, T.; Yoshizawa, A.; Sakai, H.; Abe, M.; Otake, K. Surfactant-mixing effects on the interfacial tension and the microemulsion formation in water/supercritical CO2 system. Langmuir 2007, 23, 2369–2375. [Google Scholar] [CrossRef] [PubMed]
- Sagisaka, M.; Koike, D.; Mashimo, Y.; Yoda, S.; Takebayashi, Y.; Furuya, T.; Yoshizawa, A.; Sakai, H.; Abe, M.; Otake, K. Water/supercritical CO2 microemulsions with mixed surfactant systems. Langmuir 2008, 24, 10116–10122. [Google Scholar] [CrossRef] [PubMed]
- Li, G.Z.; Guo, R. Theory and Application of Micro Emulsion; China Petroleum Industry Press: Beijing, China, 1995. [Google Scholar]
- Clarke, M.J.; Harrison, K.L.; Johnston, K.P. Water in Supercritical Carbon Dioxide Microemulsions: Spectroscopic Investigation of a New Environment for Aqueous Inorganic Chemistry. J. Am. Chem. Soc. 1997, 119, 6399–6406. [Google Scholar] [CrossRef]
- Hutton, B.H.; Perera, J.M.; Grieser, F.; Stevens, G.W. AOT reverse microemulsions in sc CO2-a further investigation. Colloids Surf. A Physicochem. Eng. Asp. 2001, 189, 177–181. [Google Scholar] [CrossRef]
- Singley, E.J.; Liu, W.; Beckman, E.J. Phase behavior and emulsion formation of novel fluoroether amphiphiles in carbon dioxide. Fluid Phase Equilibria 1997, 128, 199–219. [Google Scholar] [CrossRef]
- Gao, B.J. Application for solubility parameter. Shanxi Chem. Ind. 1998, 2, 18–19. [Google Scholar]
- Majer, V.; Svoboda, V.; Pick, J. Heats of Vaporization of Fluids; Elsevier: Amsterdam, The Netherlands; Oxford, UK; New York, NY, USA; Tokyo, Japan, 1989. [Google Scholar]
- Huang, X.H. Relationship between solvent selection and solubility parameters of recrystallization. Chem. Online 1999, 1, 35–38. [Google Scholar]
- Sambaslva, R.A. Solubility Parameters of Supercritical Fluids. Ind. Eng. Chem. Process Des. Dev. 1984, 23, 344–348. [Google Scholar]
- Vimon, T.; Nimit, W.; Wibul, W. Prediction of solubility parameters using partial least square regression. Int. J. Pharm. 2006, 325, 8–14. [Google Scholar]
- Xia, Q.; Yin, K.L. Calculation of Solubility Parameters of Organic Solvents by Molecular Dynamics Simulation. J. Jiangsu Polytech. Univ. 2004, 16, 40–42. [Google Scholar]
- Zhang, C.; Li, Z.M.; Li, S.Y.; Lv, Q.C.; Wang, P.; Liu, J.Q.; Liu, J.L. Enhancing sodium bis(2-ethylhexyl)sulfosuccinate injectivity for CO2 foam formation in low-permeability cores: Dissolving in CO2 with ethanol. Energy Fuels 2018, 32, 5846–5856. [Google Scholar] [CrossRef]
- Yang, Z.H.; Liu, X.L.; Hua, Z.; Ling, Y.; Li, M.Y.; Lin, M.Q.; Dong, Z.X. Interfacial tension of CO2 and crude oils under high pressure and temperature. Colloids Surf. A Physicochem. Eng. Aspects 2015, 482, 611–616. [Google Scholar] [CrossRef]
- Dong, M.Z.; Huang, S.; Dyer, S.B.; Mourits, F.M. A comparison of CO2 minimum miscibility pressure determinations for Weyburn crude oil. J. Pet. Sci. Eng. 2001, 31, 13–22. [Google Scholar] [CrossRef]
- Yang, Z.H.; Li, M.Y.; Peng, B.; Lin, M.Q.; Dong, Z.X.; Ling, Y. Interfacial tension of CO2 and organic liquid under high pressure and temperature. Chin. J. Chem. Eng. 2014, 22, 1302–1306. [Google Scholar] [CrossRef]
- Talebian, S.H.; Masoudi, R.; Tan, I.M.; Zitha, P. Foam assisted CO2-EOR: A review of concept, challenges, and future prospects. J. Pet. Sci. Eng. 2014, 120, 202–215. [Google Scholar] [CrossRef]
- Radke, C.J.; Ransohoff, T. Mechanism of Foam Generation in Glass-Bead Packs. In Proceedings of the Society of Petroleum Engineers Annual Technical Conference and Exhibition, New Orleans, LA, USA, 5 October 1986; Volume 3. [Google Scholar]
- Kovscek, A.; Radke, C. Gas bubble snap-off under pressure-driven flow in constricted noncircular capillaries. Colloids Surf. A Physicochem. Eng. Asp. 1996, 117, 55–76. [Google Scholar] [CrossRef]
- Chambers, K.T.; Radke, C.J. Capillary Phenomena in Foam Flow Through Porous Media in Interfacial Phenomena in Petroleum Recovery; Morrow, N.R., Ed.; Marcel Dekker, Inc.: New York, NY, USA, 1990; pp. 191–255. [Google Scholar]
- Almajid, M.M.; Kovscek, A.R. Pore Network Investigation of Trapped Gas and Foam Generation Mechanisms. Transp. Porous Media 2020, 131, 289–313. [Google Scholar] [CrossRef]
- Langevin, D. Bubble coalescence in pure liquids and in surfactant solutions. Curr. Opin. Colloid Interface Sci. 2015, 20, 92–97. [Google Scholar] [CrossRef]
- Pugh, R.J. Foaming, foam films, antifoaming and defoaming. Adv. Colloid Interface Sci. 1996, 64, 67–142. [Google Scholar] [CrossRef]
- Huang, D.D.; Nikolov, A.; Wasan, D.T. Foams: Basic properties with application to porous media. Langmuir 1986, 2, 672–677. [Google Scholar] [CrossRef]
- Kapetas, L.; Bonnieu, S.V.; Danelis, S.; Rossen, W.R.; Farajzadeh, R.; Eftekhari, A.A.; Shafian, S.R.M.; Bahrim, R.Z.K. Effect of Temperature on Foam Flow in Porous Media. J. Ind. Eng. Chem. 2016, 36, 229–237. [Google Scholar] [CrossRef]
- Farajzadeh, R.; Andrianov, A.; Krastev, R.; Hirasaki, G.; Rossen, W.R. Foam-Oil interaction in porous media: Implications for foam assisted enhanced oil recovery. In Proceedings of the 74th EAGE Conference and Exhibition Incorporating EUROPEC 2012, Muscat, Oman, 16–18 June 2012. [Google Scholar]
- Chen, Y.; Elhag, A.S.; Poon, B.M.; Cui, L.; Ma, K.; Liao, S.Y.; Omar, A.; Worthen, A.J.; Hirasaki, G.J.; Nguyen, Q.P.; et al. Ethoxylated Cationic Surfactants for CO2 EOR in High Temperature, High Salinity Reservoirs. In Proceedings of the SPE Improved Oil Recovery Symposium, Tulsa, OK, USA, 14–18 April 2012. [Google Scholar]
- Spirov, P.; Rudyk, S.N.; Khan, A.A. Foam Assisted WAG, Snorre Revisit with New Foam Screening Model. In Proceedings of the North Africa Technical Conference and Exhibition, Cairo, Egypt, 20–22 February 2012. [Google Scholar]
- Nikolov, A.D.; Wasan, D.T.; Huang, D.W.; Edwards, D.A. The Effect of Oil on Foam Stability: Mechanisms and Implications for Oil Displacement by Foam in Porous Media. In Proceedings of the SPE Annual Technical Conference and Exhibition, New Orleans, LA, USA, 5–8 October 1986. [Google Scholar]
- de Azevedo, B.R.S.; Alvarenga, B.G.; Percebom, A.M.; Pérez-Gramatges, A. Interplay of interfacial and rheological properties on drainage reduction in CO2 foam stabilised by surfactant/nanoparticle mixtures in brine. Colloids Interfaces 2023, 7, 2. [Google Scholar] [CrossRef]
- Guo, F.; Aryana, S. An experimental investigation of nanoparticle-stabilized CO2 foam used in enhanced oil recovery. Fuel 2016, 186, 430–442. [Google Scholar] [CrossRef]
- Guo, F.; He, J.; Johnson, P.A.; Aryana, S.A. Stabilization of CO2 foam using by-product fly ash and recyclable iron oxide nanoparticles to improve carbon utilization in EOR processes. Sustain. Energy Fuels 2017, 1, 814–822. [Google Scholar] [CrossRef]
- Yekeen, N.; Manan, M.A.; Idris, A.K.; Padmanabhan, E.; Junin, R.; Samin, A.M.; Gbadamosi, A.O.; Oguamah, I. A comprehensive review of experimental studies of nanoparticles-stabilized foam for enhanced oil recovery. Petrol. J. Sci. Eng. 2018, 164, 43–74. [Google Scholar] [CrossRef]
- Binks, B.P.; Lumsdon, S.O. Influence of particle wettability on the type and stability of surfactant-free emulsions. Langmuir 2000, 16, 8622–8631. [Google Scholar] [CrossRef]
- Kumar, S.; Mandal, A. Investigation on stabilization of CO2 foam by ionic and nonionic surfactants in presence of different additives for application in enhanced oil recovery. Appl. Surf. Sci. 2017, 420, 9–20. [Google Scholar] [CrossRef]
- Al Yousef, Z.; Almobarky, M.; Schechter, D.S. Enhancing the stability of foam by the use of nanoparticles. Energy Fuels 2017, 31, 10620–10627. [Google Scholar] [CrossRef]
- Fameau, A.L.; Salonen, A. Effect of particles and aggregated structures on the foam stability and aging. Compt. Rendus Phys. 2014, 15, 748–760. [Google Scholar] [CrossRef]
- Horozov, T.S. Foams and foam films stabilised by solid particles. Curr. Opin. Colloid Interface Sci. 2008, 13, 134–140. [Google Scholar] [CrossRef]
- Sethumadhavan, G.N.; Nikolov, A.D.; Wasan, D.T. Stability of liquid films containing monodisperse colloidal particles. Colloid Interface Sci. 2001, 240, 105–112. [Google Scholar] [CrossRef] [PubMed]
- Hunter, T.N.; Pugh, R.J.; Franks, G.V.; Jameson, G.J. The role of particles in stabilising foams and emulsions. Adv. Colloid Interface Sci. 2008, 137, 57–81. [Google Scholar] [CrossRef] [PubMed]
- Farhadi, H.; Riahi, S.; Ayatollahi, S.; Ahmadi, H. Experimental study of nanoparticle-surfactant-stabilized CO2 foam: Stability and mobility control. Chem. Eng. Res. Des. 2016, 111, 449–460. [Google Scholar] [CrossRef]
- Li, Z.; Wang, P.; Li, S.; Sun, Q.; Li, Y. Advances of researches on improving the stability of CO2 foams by nanoparticles. J. Southwest Pet. Univ. Ence Technol. Ed. 2014, 36, 155–161. [Google Scholar]
- Hosseini, H.; Tsau, J.S.; Ghahfarokhi, R.B. Sub-millimetric visualization and stability measurement for supercritical CO2 foams: Effect of ionic complexation on tubular and diverging flows. Colloids Surf. A Physicochem. Eng. Asp. 2022, 653, 129988. [Google Scholar] [CrossRef]
- Hosseini, H.; Guo, F.; Barati Ghahfarokhi, R.; Aryana, S.A. Microfluidic fabrication techniques for high-pressure testing of microscale supercritical CO2 foam transport in fractured unconventional reservoirs. J. Vis. Exp. 2020, 161, 1–18. [Google Scholar]
- Ettinger, R.A.; Radke, C.J. The Influence of Texture on Steady Foam Flow in Berea Sandstone. SPE Res. Eng. 1992, 7, 83–90. [Google Scholar] [CrossRef]
- Falls, A.H.; Musters, J.J.; Ratulowski, J. The Apparent Viscosity of Foams in Homogeneous Bead Packs. SPE Res. Eng. 1989, 4, 155–164. [Google Scholar] [CrossRef]
- Ashoori, E.; Marchesin, D.; Rossen, W.R. Roles of transient and local equilibrium foam behavior in porous media: Traveling wave. Colloids Surf. A Physicochem. Eng. Asp. 2011, 377, 228–242. [Google Scholar] [CrossRef]
- Davis, M.; Hille, E.; Mcdonnell, J.; Mearns, D.F. In Basic physics of foam stability and collapse. In NAVAIR Naval Air Systems Command Naval Fuels & Lubricants CFT Report; NAVAIR: Patuxent River, MD, USA, 2012. [Google Scholar]
- Bernard, G.G.; Jacobs, W.L. Effect of Foam on Trapped Gas Saturation and on Permeability of Porous Media to Water. SPE J. 1965, 5, 295–300. [Google Scholar] [CrossRef]
- Kornev, K.G.; Neimark, A.V.; Rozhkov, A.N. Physical mechanisms of foam flow in porous media. Rheol. Ser. 1999, 8, 1151–1182. [Google Scholar]
- Bowden, F.P.; Tabor, D. The Friction and Lubrication of Solids; Department of Physical Chemistry, Cambridge University: Cambridge, UK; Oxford University Press: London, UK, 1951; Volume 19, p. 428. [Google Scholar]
- Ren, G.W. Dynamics of Supercritical CO2 Foam in Porous Media with CO2 Soluble Surfactuants. Ph.D. Thesis, The University of Texas at Austin, Austin, TX, USA, 2012. [Google Scholar]
- Rossen, W.; Zeilinger, S.; Shi, J.; Lim, M. Simplified mechanistic simulation of foam processes in por-ous media. SPE J. 1999, 4, 279–287. [Google Scholar] [CrossRef]
- Balan, H.O.; Balhoff, M.T.; Nguyen, Q.P.; Rossen, W.R. Network modeling of gas trapping and mobility in foam enhanced oil recovery. Energy Fuels 2011, 25, 3974–3987. [Google Scholar] [CrossRef]
- Shi, J.X.; Rossen, W.R. Simulation and Dimensional Analysis of Foam Processes in Porous Media. In Proceedings of the Permian Basin Oil and Gas Recovery Conference, Midland, TX, USA, 27–29 March 1996. [Google Scholar]
- Wang, F.; Li, Z.; Chen, H.; Lv, Q.; Silagi, W.; Chen, Z. Fractal characterization of dynamic structure of foam transport in porous media. J. Mol. Liq. 2017, 241, 675–683. [Google Scholar] [CrossRef]
- Chou, S.I. Percolation theory of foam in porous media. In Proceedings of the SPE/DOE Enhanced Oil Recovery Symposium, Tulsa, OK, USA, 22–25 April 1990. [Google Scholar]
- Lotfollahi, M.; Farajzadeh, R.; Delshad, M.; Varavei, A.; Rossen, W.R. Comparison of Implicit-Texture and Population-Balance Foam Models. J. Nat. Gas Sci. Eng. 2016, 31, 184–197. [Google Scholar] [CrossRef]
- Computer Modelling Group Ltd. CMG STARS User’s Guide, version 2008; Computer Modelling Group Ltd.: Calgary, AB, Canada, 2018. [Google Scholar]
- Liu, J. High-Resolution Methods for Enhanced Oil Recovery Simulations. Ph.D. Thesis, The University of Texas at Austin, Austin, TX, USA, 1993. [Google Scholar]
- Chang, Y.B.; Lim, M.T.; Pope, G.A.; Sepehrnoori, K. CO2 Flow Patterns Under Multiphase Flow. Heterogeneous Field Scale Conditions. SPE Res. Eng. 1994, 9, 208–216. [Google Scholar] [CrossRef]
- Rossen, W.R.; Zhou, Z.H. Modeling Foam Mobility at the Limiting Capillary Pressure. SPE Adv. Technol. Ser. 1995, 3, 146–153. [Google Scholar] [CrossRef]
- Zhou, Z.H.; Rossen, W.R. Applying Fractional-Flow Theory to Foam Processes at the ‘Limiting Capillary Pressure’. SPE Adv. Technol. Ser. 1995, 3, 154–162. [Google Scholar] [CrossRef]
- Fisher, A.W.; Foulser, R.W.S.; Goodyear, S.G. Mathematical Modeling of Foam Flooding. In Proceedings of the SPE/DOE Enhanced Oil Recovery Symposium, Tulsa, OK, USA, 22–25 April 1990. [Google Scholar]
- Chang, S.H.; Grigg, R.B. Effects of Foam Quality and Flow Rate on CO2-Foam Behavior at Reservoir Conditions. In Proceedings of the SPE/DOE Improved Oil Recovery Symposium, Tulsa, OK, USA, 19–22 April 1998. [Google Scholar]
- Shi, J.X.; Rossen, W.R. Simulation of Gravity Override in Foam Processes in Porous media. SPE Res. Eval. Eng. 1998, 1, 148–154. [Google Scholar] [CrossRef]
- Jose, M.A.M. Foam Flow Behavior in Porous Media: Effects of Flow Regime and Porous Media Heterogeneity. Ph.D. Thesis, The University of Texas at Austin, Austin, TX, USA, 1998. [Google Scholar]
- Rossen, W.R.; Wang, M.W. Modeling Foams for Matrix Acid Diversion. In Proceedings of the SPE European Formation Damage Conference, The Hague, The Netherlands, 2–3 June 1997. [Google Scholar]
- Kovscek, A.R.; Patzek, T.W.; Radke, C.J. Mechanistic Foam Flow Simulation in Heterogeneous and Multidimensional Porous Media. SPE J. 1997, 2, 511–526. [Google Scholar] [CrossRef]
- Cheng, L.; Reme, A.B.; Shan, D.; Coombe, D.A.; Rossen, W.R. Simulating Foam Processes at High and Low Foam Qualities. In Proceedings of the SPE/DOE Improved Oil Recovery Symposium, Tulsa, OK, USA, 3–5 April 2000. [Google Scholar]
- Bertin, H.J. Foam Diversion Modeling Using a Bubble-Population Correlation. In Proceedings of the SPE/DOE Improved Oil Recovery Symposium, Tulsa, OK, USA, 3–5 April 2000. [Google Scholar]
- Kovscek, A.R.; Patzek, T.; Radke, C.J. A mechanistic population balance model for transient and steady-state foam flow in Boise sandstone. Chem. Eng. Sci. 1995, 50, 3783–3799. [Google Scholar] [CrossRef]
- Bertin, H.J.; Quitard, M.Y.; Castanier, L.M. Development of a Bubble-Population Correlation for Foam-Flow Modeling on Porous Media. SPE J. 1998, 3, 356–362. [Google Scholar] [CrossRef]
- Bertin, H.J.; Quitard, M.Y.; Castanier, L.M. Modeling Foam Flow in Porous Media Using a Bubble Population Correlation. In Proceedings of the SPE Annual Technical Conference and Exhibition, New Orleans, LA, USA, 27–30 September 1998. [Google Scholar]
- Li, B.; Hirasaki, G.J.; Miller, C.A. Upscaling of Foam Mobility Control to Three Dimensions. In Proceedings of the SPE/DOE Symposium on Improved Oil Recovery, Tulsa, OK, USA, 22–26 April 2006. [Google Scholar]
- Chen, Q.; Gerritsen, M.G.; Kovscek, A.R. Modeling Foam Displacement with the Local Equilibrium Approximation: Theory and Experiment Verification. In Proceedings of the SPE Annual Technical Conference and Exhibition, Denver, CO, USA, 21–24 September 2008. [Google Scholar]
- Radke, C.J.; Gillis, J.V. A dual gas tracer technique for determining trapped gas saturation during steady foam flow in porous media. In Proceedings of the SPE Annual Technical Conference and Exhibition, New Orleans, LA, USA, 23–26 September 1990. [Google Scholar]
- Pang, Z.X.; Lv, X.C.; Zhang, F.Y.; Wu, T.T.; Gao, Z.N.; Geng, Z.G.; Luo, C.D. The macroscopic and microscopic analysis on the performance of steam foams during thermal recovery in heavy oil reservoirs. Fuel 2018, 233, 166–176. [Google Scholar] [CrossRef]
- Rossen, W.R. Foam Generation at Layer Boundaries in Porous Media. SPE J. 1999, 4, 409–412. [Google Scholar] [CrossRef]
- Kovscek, A.R.; Bertin, H.J. Estimation of Foam Mobility in Heterogeneous Porous Media. In Proceedings of the SPE/DOE Improved Oil Recovery Symposium, Tulsa, OK, USA, 13–17 April 2002. [Google Scholar]
- Shi, J.X.; Rossen, W.R. Improved Surfactant-Alternating-Gas Foam Process to Control Gravity Override. In Proceedings of the SPE/DOE Improved Oil Recovery Symposium, Tulsa, OK, USA, 21–24 April 1998. [Google Scholar]
- Doorwar, S.; Mohanty, K.K. Pore-sacle fingering during viscous oil displacement. In Proceedings of the International Symposium of the Society of Core Analysts, Austin, TX, USA, 18–21 September 2011. [Google Scholar]
- Ayirala, S.C. Surfactant-Induced Relative Permeability Modifications for Oil Recovery Enhancement. Master’s Thesis, Louisiana State University, Baton Rouge, LA, USA, 2002. [Google Scholar]
- Rao, D. Gas injection EOR—A new meaning in the new millennium. Can. Pet. Technol. 2001, 40, 11–18. [Google Scholar] [CrossRef]
- Srivastava, M. Foam Assisted Low Interfacial Tension Enhanced Oil Recovery. Ph.D. Thesis, The University of Texas at Austin, Austin, TX, USA, 2010. [Google Scholar]
- Farajzadeh, R.; Salimi, H.; Zitha, P.; Bruining, J. Numerical simulation of density-driven natural convection in porous media with application for CO2 injection projects. In Proceedings of the EUROPEC/EAGE Conference and Exhibition, London, UK, 11–14 June 2007. [Google Scholar]
- Aleidan, A.A.; Mamora, D.D. SWACO2 and WACO2 efficiency improvement in carbonate cores by lowering water salinity. In Proceedings of the Canadian Unconventional Resources and International Petroleum Conference, Calgary, AB, Canada, 19–21 October 2010. [Google Scholar]
- Denkov, N.D. Mechanisms of action of mixed solid–liquid antifoams. 2. Stability of oil bridges in foam films. Langmuir 1999, 15, 8530–8542. [Google Scholar] [CrossRef]
- Ahmadi, M.; Chen, Z. Challenges and future of chemical assisted heavy oil recovery processes. Adv. Colloid Interface Sci. 2019, 275, 102081. [Google Scholar] [CrossRef]
- Xing, D.; Bing, W.; Mclendon, W.J.; Enick, R.M.; Soong, Y. CO2-Soluble, Nonionic, Water-Soluble Surfactants That Stabilize CO2-in-Brine Foams. SPE J. 2012, 17, 1172–1185. [Google Scholar] [CrossRef]
- Ramadhan, G.B. The Foaming Behavior of a CO2-Soluble, Viscoelastic Diamine Surfactant in Porous Media. Ph.D. Thesis, The University of Texas at Austin, Austin, TX, USA, 2018. [Google Scholar]
- Liebum, M.M. Characterization of an Alkyl Diamine Surfactant for Gas Mobility Control in Gas Enhanced Oil Recovery and Conformance Control. Ph.D. Thesis, The University of Texas at Austin, Austin, TX, USA, 2016. [Google Scholar]
- Eckert, C.A.; Debenedetti, P.G.; Knutson, B.L. Supercritical fluids as solvents for chemical and materials processing. Nature 1996, 383, 313–318. [Google Scholar] [CrossRef]
- AlYousef, Z.; Gizzatov, A.; Almajid, M.; Alabdulwahab, A. Rheology, Stability, and Adsorption of an Amphoteric Foaming Agent for CO2 Mobility Control Applications under Reservoir Conditions; European Association of Geoscientists & Engineers: Utrecht, The Netherlands, 2021. [Google Scholar]
- Beckman, E.J. A challenge for green chemistry: Designing molecules that readily dissolve in carbon dioxide. Chem. Commun. 2004, 35, 1885–1888. [Google Scholar] [CrossRef] [PubMed]
- Sarbu, T.; Styranec, T.; Beckman, E.J. Non-fluorous polymers with very high solubility in supercritical CO2 down to low pressures. Nature 2000, 405, 165–168. [Google Scholar] [CrossRef] [PubMed]
- Ren, G.; Sanders, A.; Nguyen, Q. New Method for the Determination of Surfactant Solubility and Partitioning Between CO2 and Brine. J. Supercrit. Fluids 2014, 91, 77–83. [Google Scholar] [CrossRef]
- Eastoe, J.; Dupont, A.; Paul, A.; Steytler, D.C.; Rumsey, E. Design and Performance of Surfactants for Carbon Dioxide. In Supercritical Carbon Dioxide; ACS Symposium Series; ACS Publication: Washington, DC, USA, 2003; Volume 19, pp. 285–308. [Google Scholar]
- Upadhyaya, A.; Acosta, E.J.; Scamehorn, J.F.; Sabatini, D.A. Microemulsion phase behavior of anionic-cationic surfactant mixtures: Effect of tail branching. J. Surfactants Deterg. 2006, 9, 169–179. [Google Scholar] [CrossRef]
- Sagisaka, M.; Iwama, S.; Hasegawa, S.; Yoshizawa, A.; Mohamed, A.; Cummings, S.; Rogers, S.E.; Heenan, R.K.; Eastoe, J. Super-efficient surfactant for stabilizing water-in-carbon dioxide microemulsions. Langmuir 2011, 27, 5772–5780. [Google Scholar] [CrossRef]
- Zhang, X.; Zhang, T.; Ge, J.; Wang, Y.; Zhang, G. The CO2-in-water foam stabilized with the mixture of CO2-soluble surfactant and nonionic surfactant. J. Pet. Sci. Eng. 2020, 198, 108117. [Google Scholar] [CrossRef]
- Gland, N.; Chevallier, E.; Cuenca, A.; Batot, G. New Developement of Cationic Surfactant Formulations for Foam Assisted CO2-EOR in Carbonates Formations. In Proceedings of the Abu Dhabi International Petroleum Exhibition & Conference, Abu Dhabi, United Arab Emirates, 12–15 November 2018. [Google Scholar]
- Adkins, S.S.; Chen, X.; Nguyen, Q.P.; Sanders, A.W.; Johnston, K.P. Effect of branching on the interfacial properties of nonionic hydrocarbon surfactants at the air–water and carbon dioxide–water interfaces. J. Colloid Interface Sci. 2010, 346, 455–463. [Google Scholar] [CrossRef]
- Rosen, M.J. Surfactants and Interfacial Phenomena, 3rd ed.; John Wiley & Sons, Inc.: New York, NY, USA, 2004. [Google Scholar]
- Rosen, M.J.; Kunjappu, J.T. Surfactants and Interfacial Phenomena, 4th ed.; John Wiley & Sons, Inc.: Hoboken, NJ, USA, 2012. [Google Scholar]
- Mclendon, W.J.; Koronaios, P.; Mcnulty, S.; Enick, R.M.; Biesmans, G.; Miller, A.N. Assessment of CO2-Soluble Surfactants for Mobility Reduction using Mobility Measurements and CT Imaging. J. Pet. Sci. Eng. 2014, 119, 196–209. [Google Scholar] [CrossRef]
- Gupta, R.B.; Shim, J. Solubility in Supercritical Carbon Dioxide; CRC Press: Boca Raton, FL, USA, 2007. [Google Scholar]
- Føyen, T.; Alcorn, Z.P.; Fern, M.A.; Barrabino, A.; Holt, T. CO2 mobility reduction using foam stabilized by CO2-and water-soluble surfactants. J. Pet. Sci. Eng. 2021, 196, 107651. [Google Scholar] [CrossRef]
- Ma, K.; Cui, L.Y.; Dong YWang, T.L.; Da Ch Hirasaki, G.J.; Biswal, S.L. Adsorption of Cationic and Anionic Surfactants on Natural and Synthetic Carbonate Materials. Colloid Interface Sci. 2013, 408, 164–172. [Google Scholar] [CrossRef]
- Somasundaran, P.; Ananthapadmanabhan, K.P.; Celik, M.S.; Manev, E.D. A Thermodynamic Model of Redissolution of Calcium Sulfonate Precipitates in NaCl Solutions. SPE J. 1984, 24, 667–676. [Google Scholar] [CrossRef]
- Noïk, C.; Bavière, M.; Defives, D. Anionic Surfactant Precipitation in Hard Water. Colloid Interface Sci. 1987, 115, 36–45. [Google Scholar] [CrossRef]
- Bernard, G.G.; Holm, L.W.; Harvey, C.P. Use of Surfactant to Reduce CO2 Mobility in Oil Displacement. SPE J. 1980, 20, 281–292. [Google Scholar] [CrossRef]
- Zheng, X.; Foster, E.; Wang, Y.; Nayak, S.; Johnston, K.P. Effect of Grafted Copolymer Composition on Iron Oxide Nanoparticle Stability and Transport in Porous Media at High Salinity. Energy Fuels 2014, 28, 3655–3665. [Google Scholar]
- Levitt, D.B.; Jackson, A.C.; Heinson, C.; Britton, L.N.; Malik, T.; Dwarakanath, V.; Pope, G.A. Identification and Evaluation of High-Performance EOR Surfactants. SPE Res. Eval. Eng. 2009, 12, 243–253. [Google Scholar] [CrossRef]
- Chen, Y.; Elhag, A.; Poon, B.; Cui, L.Y.; Ma, K.; Liao, S.Y.; Reddy, P.P.; Worthen, A.J.; Hirasaki, G.J.; Nguyen, Q.P.; et al. Switchable Nonionic to Cationic Ethoxylated Amine Surfactants for CO2 Enhanced Oil Recovery in High-Temperature, High-Salinity Carbonate Reservoirs. SPE J. 2014, 19, 249–259. [Google Scholar] [CrossRef]
- Cui, L.; Ma, K.; Abdala, A.A.; Lu, J.; Tanakov, I.M.; Biswal, S.L.; Hirasaki, G.J. Adsorption of a Switchable Cationic Surfactant on Natural Carbonate Minerals. SPE J. 2014, 20, 70–78. [Google Scholar] [CrossRef]
- Cui, L.; Khramov, D.M.; Bielawski, C.W.; Hunter, D.L.; Paul, D.R. Effect of organoclay purity and degradation on nanocomposite performance, Part 1: Surfactant degradation. Polymer 2008, 49, 3751–3761. [Google Scholar] [CrossRef]
- Xie, W.; Gao, Z.; Pan, W.P.; Hunter, D.; Singh, A.; Vaia, R. Thermal Degradation Chemistry of Alkyl Quaternary Ammonium Montmorillonite. Chem. Mater. 2001, 13, 2979–2990. [Google Scholar] [CrossRef]
- Chen, Y.; Elhag, A.S.; Worthen, A.J.; Reddy, P.P.; Ou, A.M.; Hirasaki, G.J.; Nguyen, Q.P.; Biswal, S.L.; Johnston, K.P. High Temperature CO2-in-Water Foams Stabilized with Cationic Quaternary Ammonium Surfactants. J. Chem. Eng. Data 2016, 61, 2761–2770. [Google Scholar] [CrossRef]
- Zhou, J.; Srivastava, M.; Hahn, R.; Inouye, A.; Dwarakanath, V. Evaluation of an Amphoteric Surfactant for CO2 Foam Applications: A Comparative Study. In Proceedings of the SPE Improved Oil Recovery Conference, Virtual, 31 August–4 September 2020. [Google Scholar]
- Marcio, T.; Teresa, C.; AGil, S.; Macedo, A.L.; Cabrita, E.J.; Ana, A.R. Molecular interactions and CO2-philicity in supercritical CO2. A high-pressure NMR and molecular modeling study of a perfluorinated polymer in scCO2. J. Phys. Chem. B 2007, 111, 1318–1326. [Google Scholar]
- Eastoe, J.; Cazelles, B.M.H.; Steytler, D.C.; Holmes, J.D.; Heenan, R.K. Water-in-CO2 microemulsions studied by small-angle neutron scattering. Langmuir 1997, 13, 6980–6984. [Google Scholar] [CrossRef]
- Eastoe, J.; Paul, A.; Downer, A.; Steytler, D.C.; Rumsey, E. Effects of fluorocarbon surfactant chain structure on stability of water-in-carbon dioxide microemulsions. Links between aqueous surface tension and microemulsion stability. Langmuir 2002, 18, 3014–3017. [Google Scholar] [CrossRef]
- Li, Z.M.; Xi, L.H.; Zhang, C.; Wang, M.J. Progress of Reducing Miscibility Pressure between CO2 and Crude Oil by CO2-soluble Surfactant. Oilfield Chem. 2020, 37, 745–751. [Google Scholar]
- Fink, R.; Hancu, D.; Valentine, R.; Beckman, E.J. Toward the development of “CO2-philic” hydrocarbons. 1. Use of side-chain functionalization to lower the miscibility pressure of polydimethylsiloxanes in CO2. J. Phys. Chem. B 1999, 103, 6441–6444. [Google Scholar] [CrossRef]
- Fink, R.; Beckman, E.J. Phase behavior of siloxane-based amphiphiles in supercritical carbon dioxide. J. Supercrit. Fluids 2000, 18, 101–110. [Google Scholar] [CrossRef]
- Memon, M.; Shuker, M.; Elraies, K. Study of blended surfactants to generate stable foam in presence of crude oil for gas mobility control. J. Pet. Explor. Prod. Technol. 2016, 7, 77–85. [Google Scholar] [CrossRef]
















| Surfactants | Trade Name | Chemical Expression | CAS |
|---|---|---|---|
| Nonionic surfactants | |||
| 2-(2-[4-(1,1,3,3-Tetramethylbutyl)phenoxy]ethoxy)ethanol | Dow Triton X 100 (x = 10), BASF Lutensol OP 10 (x = 10), Huntsman SURFONIC® OP-100 (x = 10), OP-120 (x = 12) | ![]() | 9036-19-5 |
| Nonylphenol branched ethoxylated | Huntsman SURFONIC® N-120, N-150, N-200, N-300, N-400, x = 12, 15, 20, 30, 40. | ![]() | 127087-87-0 |
| Dow Tergitol NP9,12,15 (x = 9, 12, 15) | ![]() | 127087-87-0 | |
| Stepan Cedepal CO 630, 710, x = 10 and 10.5 | ![]() | 127087-87-0 | |
| Tristyryl phenol ethoxylated | Huntsman XOF-501 | ![]() | 99734-09-5 |
| Polyethylene glycol trimethylnonyl ether | Dow trimethylnonyl Tergitol TMN 6 | ![]() | 60828-78-6 |
| Ethoxylated isodecyl alcohol | BASF Lutensol XP 70 | ![]() | 61827-42-7 |
| C12-C14 fatty alcohols ethoxylated | BASF Lutensol TO 8, 10 | ![]() | 68439-50-9 |
| GENAPOL(R) X-080 | Huntsman SURFONIC® TDA-8, 9 | ![]() | 9043-30-5 |
| Alkyl-(C10-C14) alcohol, ethoxylated | Huntsman SURFONIC® L12-8; BASF Lutensol AO8, AO11 | ![]() | 66455-15-0 |
| Polyethylene glycol monolaurate | Sigma Aldrich PEG monolaurate 600 | ![]() | 9004-81-3 |
| polyoxyethylene 20 sorbitan monooleate | Tween 80 | ![]() | 9005-65-6 |
| N,N’,N’-polyoxyethylene (10)-N-tallow-1,3-diaminopropane | Ethoduomeen T/13 | ![]() | 61790-85-0 |
| Coco alkyldimethylamines | Armeen DMCD | ![]() | 61788-93-0 |
| Propoxylated and ethoxylated dodecanol | - | ![]() | 68238-81-3 |
| Oxirane, methyl-, polymer with oxirane, mono(2-ethylhexyl) ether | - | ![]() | 64366-70-7 |
| Anionic surfactants | |||
| Dioctyl sulfosuccinate sodium salt | AOT | ![]() | 577-11-7 |
| Sodium dodecyl sulfate | SDS | ![]() | 151-21-3 |
| Cationic surfactants | |||
| N,N’,N’-Trimethyl-N-(tallowalkyl)-1,3-propanediamine | DTM | ![]() | 111-33-1 |
| Ethoxylated cocoamines | Ethomeen C12 | ![]() | 61791-14-8 |
| Zwitterionic surfactants | |||
| Cocoyl amide propyldimethyl glycine | CAB-35 | ![]() | 86438-79-1 |
| LauroylaMide propylbetaine | - | ![]() | 4292-10-8 |
| N-Dodecyl-N,N-dimethyl-3-ammonio-1-propanesulfonate | LDMAA | ![]() | 14933-08-5 |
| Fluorine- and nitrogen-containing surfactants | |||
| Perfluoropolyether ammonium carbonate | - | ![]() | - |
| Double-tailed fluorocarbon sulfate | - | ![]() | - |
| Double-tailed fluorocarbon-hydrocarbon mixed sulfate | - | ![]() | - |
| Fluorine-containing dialkyl phosphate | - | ![]() | - |
| Fluorine-containing AOT homolog | - | ![]() ![]() ![]() | - |
| Oligosiloxane | - | ![]() | - |
| Functional silicone | - | ![]() | - |
| Surfactant | Remarks | Reference |
|---|---|---|
| Double-tailed anion: sodium dihexyl sulfosuccinate (SDHS). Unbalanced-tail (different tail lengths) cation: benzethonium chloride (BCl) | Microemulsions can be formed without adding alcohol. Compared with the use of anionic surfactants alone, the mixture exhibited a higher critical microemulsion concentration. Under optimal microemulsion conditions, the mixed anionic–cationic surfactant system solubilizes more oil than the anionic surfactant alone. | [170] |
| Anionic: F-OPT. Cationic: F-CAT | At high temperature (80 °C), high salinity (160 g/L TDS), high hardness (R+ = 0.3), and pressure (120 bar) conditions can be effectively dissolved. The mixed system can reduce the adsorption of carbonate powder. Under supercritical CO2 (40 °C/120 bar) conditions, the half-life of volume foam in carbonate minerals (99% alcite) achieves a low static state of 24 h. | [173] |
| Anion: Sodium bis(1H,1H,2H,2H-heptadecafluorodecyl)-2-sulfosuccinate (8FS(EO)2); fluorocarbon–hydrocarbon hybrid anionic surfactants (FC6-HCn) | In the presence of excess water, the mixed surfactant can prevent the conversion of the microemulsion to the liquid crystal phase. At the same time, it was found that the micro-separation of 8FS(EO)2 and FC6-HCn formed a loose molecular accumulation, which enhanced the stability of the mixed microemulsion and the area occupied by each surfactant molecule. | [171] |
| Two ethoxylated amine headgroups with cocoalkyl tails (C12NEO2) and nonionic surfactant with high degree ethoxylation (C13EO12) | There is a positive synergy between the two surfactants, which can effectively improve the foam stability. When the C13EO12 ratio is less than 30%, the cloud point pressure increment will be less than 20%. At the optimum ratio, the apparent viscosity of foam increases by about 2.5 times. | [172] |
Disclaimer/Publisher’s Note: The statements, opinions and data contained in all publications are solely those of the individual author(s) and contributor(s) and not of MDPI and/or the editor(s). MDPI and/or the editor(s) disclaim responsibility for any injury to people or property resulting from any ideas, methods, instructions or products referred to in the content. |
© 2024 by the authors. Licensee MDPI, Basel, Switzerland. This article is an open access article distributed under the terms and conditions of the Creative Commons Attribution (CC BY) license (https://creativecommons.org/licenses/by/4.0/).
Share and Cite
Zhao, F.; Sun, M.; Liu, Y.; Sun, W.; Guo, Q.; Yang, Z.; Zhang, C.; Li, M. Review of Foam with Novel CO2-Soluble Surfactants for Improved Mobility Control in Tight Oil Reservoirs. Molecules 2024, 29, 5411. https://doi.org/10.3390/molecules29225411
Zhao F, Sun M, Liu Y, Sun W, Guo Q, Yang Z, Zhang C, Li M. Review of Foam with Novel CO2-Soluble Surfactants for Improved Mobility Control in Tight Oil Reservoirs. Molecules. 2024; 29(22):5411. https://doi.org/10.3390/molecules29225411
Chicago/Turabian StyleZhao, Fajun, Mingze Sun, Yong Liu, Wenjing Sun, Qinyuan Guo, Zian Yang, Changjiang Zhang, and Meng Li. 2024. "Review of Foam with Novel CO2-Soluble Surfactants for Improved Mobility Control in Tight Oil Reservoirs" Molecules 29, no. 22: 5411. https://doi.org/10.3390/molecules29225411
APA StyleZhao, F., Sun, M., Liu, Y., Sun, W., Guo, Q., Yang, Z., Zhang, C., & Li, M. (2024). Review of Foam with Novel CO2-Soluble Surfactants for Improved Mobility Control in Tight Oil Reservoirs. Molecules, 29(22), 5411. https://doi.org/10.3390/molecules29225411

































