Next Article in Journal
Efficient 2,3-Butanediol Production from Ethanol by a Modified Four-Enzyme Synthetic Biosystem
Next Article in Special Issue
Theoretical Investigation into Polymorphic Transformation between β-HMX and δ-HMX by Finite Temperature String
Previous Article in Journal
Molecular Crystal Structure Simulations and Structure-Magnetic Properties of LiFePO4 Composite Particles Optimized by La
Previous Article in Special Issue
Finite Temperature String with Order Parameter as Collective Variables for Molecular Crystal: A Case of Polymorphic Transformation of TNT under External Electric Field
 
 
Due to scheduled maintenance work on our servers, there may be short service disruptions on this website between 11:00 and 12:00 CEST on March 28th.
Font Type:
Arial Georgia Verdana
Font Size:
Aa Aa Aa
Line Spacing:
Column Width:
Background:
Article

Ti/CuO Nanothermite—Study of the Combustion Process

1
Łukasiewicz Research Network—Explosive Techniques Research Group, Institute of Industrial Organic Chemistry, 42-693 Krupski Młyn, Poland
2
Department of Physical Chemistry and Technology of Polymers, Silesian University of Technology, 44-100 Gliwice, Poland
3
Department of Optoelectronics, Silesian University of Technology, 2 Krzywoustego Str., 44-100 Gliwice, Poland
4
Faculty of Chemistry, Warsaw University of Technology, Noakowskiego 3, 00-664 Warsaw, Poland
5
Lukasiewicz Research Network—Institute of Non-Ferrous Metals, 5 Sowinskiego St., 44-100 Gliwice, Poland
*
Author to whom correspondence should be addressed.
Molecules 2024, 29(16), 3932; https://doi.org/10.3390/molecules29163932
Submission received: 25 June 2024 / Revised: 14 August 2024 / Accepted: 14 August 2024 / Published: 20 August 2024
(This article belongs to the Special Issue Molecular Design and Theoretical Investigation of Energetic Materials)

Abstract

A study of the combustion processes of Ti/CuO and Ti/CuO/NC nanothermites prepared via electrospraying was conducted in this work. For this purpose, the compositions were thermally conditioned at 350, 550 and 750 °C, as selected based on our initial differential scanning calorimetry-thermogravimetry (DSC/TG) investigations. The tested compositions were analysed for chemical composition and morphology using SEM-EDS, Raman spectroscopy and XRD measurements. Additionally, the thermal behaviour and decomposition kinetics of compositions were explored by means of DSC/TG. The Kissinger and Ozawa methods were applied to the DSC curves to calculate the reaction activation energy. SEM-EDS analyses indicated that sintering accelerated with increasing equivalence ratio and there was a strong effect on the sintering process due to cellulose nitrate (NC) addition. The main combustion reaction was found to start at 420–450 °C, as confirmed by XRD and Raman study of samples annealed at 350 °C and 550 °C. Moreover, increasing the fuel content in the composition led to lower Ea, higher reaction heats and a more violent combustion process. Conversely, the addition of NC had an ambiguous effect on Ea. Finally, a multi-step combustion mechanism was proposed and is to some extent in line with the more general reactive sintering (RS) mechanism. However, unusual mass transfer was observed, i.e., to the fuel core, rather than the opposite, which is typically observed for Al-based nanothermites.

1. Introduction

Nanothermites (NTs), which originally were referred to as metastable interstitial composites [1], are one of the newest classes of pyrotechnic systems. NTs have found a broad array of prospective applications, both civilian and military in nature. Among potential applications of NT systems, their use in the construction of igniters, microthrusters, primers, gas generating systems and safety switches [2,3,4] is expected. Moreover, NTs may find use in biocidal applications, welding and in the construction of detectors [5,6,7]. This significant practical potential has brought about many research efforts into NTs, encompassing their combustion mechanisms, optimising their performance and designing novel NT systems [8,9,10,11].
Among the various NT formulations reported in the literature, most reports are dedicated to Al/CuO [12], which is a nigh-model system. Similarly, many works have been dedicated to Al-based NTs, such as Al/NiFe2O4 [13], Al/WO3 [14] and Al/Mn2O3 [15]. The variety of oxidising agents used for NTs is not matched by the variety of fuels, with Al-based NTs being the most commonly reported in the literature. Recently, however, Ti was reported as a potential alternative to Al [16].
Although the Ti/CuO system has been studied both theoretically and practically [17], virtually no information is available on the mechanism of its combustion and on the impact of gas-generating additives on this mechanism. Tests have been performed to investigate the effect of Ti nanopowder addition to Al-based thermites [18,19] and limited studies have been conducted on the Ti/CuO system [20].
The lack of an established mechanistic description of the combustion of titanium-based thermites may lead to the flawed assumption that their combustion takes place along the same route as the much more comprehensively described aluminothermites. To exemplify, for aluminothermites, the formation of an aluminium oxide shell on the fuel grains rapidly becomes irrelevant during the evolution of combustion due ot the low melting point of Al. Conversely, for Ti-based (melting point of 1650 K) nanothermites, even during the main combustion stage, temperatures may not be sufficient to liquefy the entirety of the fuel, greatly increasing the influence of the Ti oxide shell on shaping the reactivity of the fuel.
Although macroscopic processes, such as the above-mentioned formation of and changes in the titanium oxide shell, cannot govern the occurring chemical reactions, they shape the kinetics of these reactions to a significant extent. Consequently, even an initial combustion mechanism needs to corroborate these processes with the occurrence of individual chemical reactions, so as to provide an accurate picture of the ongoing processes. This task is made even more complex by the inclusion of additives (e.g., cellulose nitrate (NC)) that significantly affect the macroscopic mass and heat transfer conditions in the combusting system. In this work, we have endeavoured to achieve such a mechanism, encompassing both the combustion of a “pure” Ti/CuO nanothermite, as well as the combustion of a NC-supplemented Ti/CuO nanthothermite.

2. Results

2.1. SEM-EDS Tests

2.1.1. Raw Samples

SEM analyses of raw NT samples after their preparation confirms the nanometric size of the used components (Figure A1, Figure A2, Figure A3 and Figure A4). However, the presence of single micrometric grains of metallic fuels is also indicated. The compositions are composed mostly of agglomerates, composed of smaller granular and spherical particles, which results from their high surface energy. The addition of NC to the system yields larger but more homogeneous particles. Additionally, the presence of spindle-like particles may also be observed. SEM-EDS analyses confirmed relatively high homogenisation of the components (Figure A17, Figure A18, Figure A19 and Figure A20). Nevertheless, the presence of micrometric Ti particles and Ti tending to agglomerate into larger clusters may be identified, as well as an exclusion effect between Ti and Cu atoms.

2.1.2. Thermal Conditioning of Compositions

SEM analysis of annealed samples is in line with other performed tests. For the C2 composition that was annealed at 350 °C (Figure A5), preliminary sintering of the system can be observed, resulting in the presence of agglomerates composed of spherical and spindle particles. Single, massive sintered particles covered with smaller, mostly spherical particles can be observed as well. The whole system is porous, with caverns being present. After annealing at 550 °C (Figure A9), the number of agglomerates increased rapidly; however, the spherical and granular microstructure of sintered and agglomerated particles is clearly visible. The sample that was annealed at 750 °C (Figure A13) is made up of large, sintered particles. The morphology of these particles is mostly multi-walled, whereas a small number of little grains with multi-walled or hemispherical morphology could be found. At the same time, the surface is quite smooth and non-porous. The C3 composition that was annealed at 350 °C (Figure A6) presents similar morphology to that of C2. However, the agglomerates are composed of flat, flower-like structures and the constituent grains are more spindle-like than spherical. After annealing at 550 °C, the morphology of the C3 composition became strongly sintered and porous (Figure A10). The large, multi-walled sintered particles are covered with fluffy, small grains with a wide spread of morphologies. Samples annealed at 750 °C (Figure A14) present strongly sintered morphology, similar to the C2 samples annealed at the same temperature, but a few cracks and caverns are present.
In the case of the C4 composition, samples annealed at 350 °C (Figure A7) showed the presence of sintered, uneven, large particles covered with small fluffy grains. The whole structure is porous and is full of cracks and caverns—the structure resembles the structure of previous samples annealed at 550 °C—Figure 1. The C4-550 sample (Figure A11) is composed mostly of large sintered grains that are full of cracks and pores and that are covered with porous, fluffy little grains. Interestingly, the presence of large “spilled” structures is visible. The C4-750 sample (Figure A15) is characterised by an almost indistinguishable morphology; nevertheless, the surface is smoother and less porous than that of previous samples annealed at 750 °C. The NC-doped composition after annealing at 350 °C (Figure A8) presents a strongly porous structure that is full of irregular sintered particles that are usually characterised by a flat geometry. The little grains that cover the whole sample present a wide spread of morphology—irregular, hemispherical and spindle-like. After annealing at 550 °C (Figure A12), different from the previous sample, we cannot point out the presence of large, multi-walled sintered particles. The surface is composed mostly of agglomerates composed of granular and spherical grains with surfaces that are highly porous and full of cracks. Finally, the C3-1NC-750 sample (Figure A16) presents a morphology that is very similar to that of previous samples—it is composed of sizeable sintered structures with the presence of a few pores and cracks.
The results of the SEM-EDS tests are presented in Figure A21, Figure A22, Figure A23, Figure A24, Figure A25, Figure A26, Figure A27, Figure A28, Figure A29 and Figure A30. SEM-EDS study of the C2-350 sample shows a quite equal distribution of Cu atoms except for places with increased content of Ti, which are significantly less homogeneously distributed. The areas with higher Ti content are both single micrometric fuel grains and agglomerates composed of nano-Ti. The distribution of oxygen is even in all samples. Analysis of the C2-550 samples indicates that the observed sintered, multi-walled particles are composed mostly of Ti and O atoms—most likely titanium oxides. At the same time, the small particles are composed mostly of Cu and O atoms. For C2 samples annealed at 750 °C, the occurrence of Ti atoms is less pronounced on the surface of the samples than in the case of previous samples. There are only few areas that are rich in Ti atoms (multi-walled particles) and they are covered with quite evenly distributed Cu and O atoms.
The C3-350 samples exhibit atom distributions that are nigh-identical to C2-350—the presence of Cu and O atoms is even in the sample, whereas for Ti, areas with increased content and exclusion of Ti and Cu atoms are present. After annealing of the C3 composition at 550 °C, the Ti distribution is limited to the presence of sintered, multi-walled particles composed of Ti and O. The distribution of oxygen atoms is quite even, whereas the Cu atoms are present in areas depleted of Ti. The C3-750 sample presents an even distribution of Cu (while maintaining an exclusive effect with Ti atoms). However, we can also notice low Ti content and areas full of Cu atoms that at the same time are depleted of O atoms. The Ti atoms are concentrated only in one visible spot.
The C4-350 sample presents a slightly different arrangement of atoms. The Ti atoms are poorly distributed among the sample and formed large agglomerates of nano-Ti. The exclusion between Ti and Cu is still visible, while O atoms are distributed equally. After annealing at 550 °C, the distribution is more similar to previous samples—the sintered particles are composed of Ti and O atoms and the oxygen atom distribution is even in whole sample, whereas the areas that are rich in Cu atoms do not contain Ti atoms. The C4-750 sample is characterised by the presence of evenly distributed Cu atoms, low content of equally distributed Ti and the occurrence of areas without O atoms.
The C3-1NC-350 composition is characterised by an even distribution of C, N and O atoms on the whole surface (Figure 2). The distribution of titanium atoms is clearly superior than for compositions without the NC additive—however, places with slightly increased Ti content can be found. At the same time, these areas are depleted of Cu atoms. After annealing at 550 °C, the C, N and O atoms are still distributed equally. It is interesting that the Ti atoms are distributed over the whole surface, with some areas having higher Ti content—namely, the previously described large sintered particles (composed of Ti and O). The Cu atoms are distributed quite equally and are present in small particles with varied morphologies. The EDS tests of the C3-1NC-750 sample showed similar dependencies as previous samples that were annealed at a temperature of 750 °C. Ti atoms are present only in a few areas, with copper atoms being excluded in these areas. The O atom distribution is characterised by the occurrence of areas that are deprived of that element.
To sum up, SEM and SEM-EDS analyses indicate the following reaction process. During the preliminary reaction at a low temperature (samples annealed at 350 °C), the agglomeration and oxidation of titanium takes place, with simultaneous oxidising agent decomposition. At a higher temperature (550 °C), after the main combustion reaction, multi-walled sintered TiO2 particles are present and are covered with smaller, fluffy and usually hemispherical or granular particles composed of Cu, CuO and Cu2O. At 750 °C, the whole sample surface is covered with remelted copper and residual oxidising agent, which explains the low signal for Ti atoms, which are linked as TiO2. At the same time, the analysis of the results points out the diffusion of oxygen and the oxidising agent into metallic fuel.

2.2. Raman Spectroscopy

The Raman spectra of the NT samples after annealing at 350, 550 and 750 °C are collated in Figure 3.
The Raman spectrum of the annealed NT samples at a temperature of 350 °C corresponds to a mixture of Cu2O and CuO with only a small amount of TiO2. The signals at 217 and 415 cm−1 are attributed to Cu2O. Additionally, the spectra feature an active infrared mode of Cu2O located at 631 cm−1, which is indicative of a large number of structural defects in the Cu2O phase, as also reported in the literature [21]. The modes at 295, 434 and 639 cm−1 originate from CuO, as supported by reported data from the literature [22]. The presence of traces of TiO2 is confirmed by the signal at 141 cm−1, which is the highest-intensity signal of anatase [23]. In the spectra of the samples annealed at 750 °C, multi-phonon modes appear at 1130 and 1374 cm−1, originating from copper oxides, which suggests the presence of combustion products in the defective crystalline part. An important take-away here is that samples annealed at 350 °C can be considered well-ordered, whereas annealing at higher temperatures leads to an increasingly amorphous nature of the samples.

2.3. XRD Tests

The XRD patterns of the reactants after annealing at 350, 550 and 750 °C are illustrated in Figure A33, Figure A34 and Figure A35. The samples annealed at 350 °C are a multi-component system (Table 1) consisting of the tenorite CuO phase (PDF Card No. 01-080-1268), the rutile TiO2 phase (PDF Card No. 03-065-1118), the anatase TiO2 phase (PDF Card No. 01-075-2547) and the hexagonal Ti phase (PDF Card No. 01-089-2959). The samples annealed at 550 °C indicate a transition of the Ti and anatase phases into the most stable phase, which is rutile. Additionally, the phase of the CuO system is revealed. In the case of samples annealed at 750 °C, the Cu (PDF Card No. 03-065-9743) and the cuprite Cu2O (PDF Card No. 01-078-2076) phases are also identified.

2.4. DSC/TG Tests

At the beginning of the measurements, a small decrease in the mass of the tested samples is observed, which is connected with the evaporation of adsorbed water and residual solvent (originating from the composition preparation process) from the surface of the samples. In the range of 150–350 °C, a 0.5–1.0 wt.% mass loss is observed and is accompanied by a minor exothermic reaction, except for the C3-1NC composition. For C3-1NC, a distinct exothermic peak is observed around 190 °C, along with higher mass loss—up to 2 wt.%—which stems from NC decomposition. For all compositions, the mass loss may be ascribed to a preliminary reaction between the components, occurring with the release of gaseous oxygen from the system. The released oxygen is likely the oxygen dissolved in Ti that is being released due to the ongoing oxidation of titanium. The dependence of the shape of the DSC and TG curves on the equivalence ratio of the compositions annealed at 350 °C points to the presence of slow reactions that take place mostly in the solid phase.
Above 350 °C, both the heat flow and mass loss curves are stable up to a temperature of 440–460 °C, at which point the main combustion reaction starts. The ignition temperature is similar for all tested samples. Above this temperature, rapid mass loss takes place, up to 600 °C, with a short stabilisation above this temperature. At the same time, the main combustion reaction manifests a double exothermic peak in the thermogram, which is likely derived from the presence of a limiting stage during the reaction. A single, smooth peak is visible only for the C3-1NC composition (Figure 4).
Above 600 °C, the third exothermic peak can be observed and may be attributed to a post-combustion reaction between the residual components and the intermediate products. For the C2 composition, we also notice a mass decrease above this temperature resulting from residual CuO decomposition. For part of the measurements, one can notice an increase in the mass above 700–800 °C. The observed effect is observed only for low heating rates and stems from the reaction of combustion residues with air flowing into the chamber as a result of reverse gas currents.
In almost all cases, an increase in the heating rate during the tests results in an increase of the total heat of the reaction (Table A1). The difference between the ignition temperatures was clear for all samples (Figure 5). The C3 sample exhibited the highest total heat of the reaction: twice as high as that of the C2 sample. It is interesting that there is a rapid increase in the total heat generated during the C4 composition analysis with an increase in the heating rate from 10 K/min to 15 K/min. The differences in the total heats arise from different values of ϕ for the compositions and, therefore, macroscopic factors like the contact between the fuel and the oxidising agent.
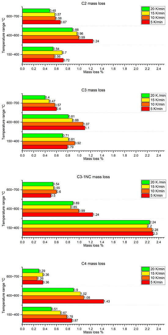
For the different heating rates, changes in the contribution of the subsequent reactions to the total reaction heat as a function of the composition and the heating rate were observed (Figure A40). For the C2 composition, with a higher heating rate, the participation of the second reaction dipped down almost by half, while the first reaction dominated for all heating rates. For the C3 composition, for the lowest heating rate (5 K/min), the contribution of the second reaction was above 55%, while for the heating rate of 20 K/min, it fell to approximately 20.5%. For the C4 composition, the situation is similar to that of the C2 composition, with almost a three-fold difference between the 5 K/min and 20 K/min heating rates and constant domination of the first reaction’s contribution. The C3-1NC composition is also characterised by a high contribution of the last reaction for low heating rates; moreover, the decrease in the contribution of this reaction is the highest among all tested samples (almost six-fold). At the same time, the contribution of the NC decomposition reaction increases with the heating rate, which points to more violent decomposition of NC and results in a higher mass of NT in this reaction.
With an increasing heating rate, the mass loss decreases in a linear fashion for most of the tested samples (Figure A41). A particularly significant difference is seen for the process taking place over the temperature range of 400–600 °C (main combustion reaction). Most likely, the mass loss is related to the evolution of gaseous oxygen from the reaction system, which is caused by the release of dissolved O2 from Ti nanopowder during its oxidation as well as by CuO decomposition. For a more violent reaction, which is in line with the heating rates, the reaction timescale is shorter; thus, less oxygen can escape the system.
The calculated energies of activation for the subsequent reactions are presented in the table below (Table 2).
The activation energy of the main combustion reaction decreases with an increase in ϕ (higher availability of the highly reactive fuel), with a significantly stronger decrease being observed upon the transition from C3 to C4. The addition of the NC binder leads to an increase in activation energy, which may result from the presence of solid residues from NC decomposition on the fuel and the surface of the oxidising agent. Moreover, the gas generating effect of NC decomposition may lead to larger mass diffusion lengths. For the last exothermic reaction, the trend is not linear. The transfer from the C2 to the C3 composition showed a lower Ea value, with a further increase for the C4 composition. Nevertheless, the changes in the calculated values between the compositions are little. The NC-doped composition is characterised by an approximately two-fold lower Ea for the last reaction. Most likely, the sintering-preventing effect of NC caused a lower conversion rate in the previous reaction (which may be confirmed by lower reaction heats in comparison to the C3 composition). Thus, during the last reaction, the availability of unreacted fuel is higher.

3. Discussion

Based on the performed tests, the following combustion mechanism appears plausible. The initial system is composed of CuO, Ti and TiO2 in the form of anatase. TiO2 is present as an oxide layer on the Ti grains, which limits access to the reactive fuel. During heating, the preliminary combustion reaction between Ti and CuO takes place up to temperatures of 350 °C. At the same time, the agglomeration of Ti particles and CuO decomposition take place, as confirmed by the occurrence of mass loss (DSC/TG) and a change in the sample morphology (SEM-EDS).
In the case of NC-doped compositions, the sintering and agglomeration process is significantly limited by gases generated during NC decomposition, whereas a high heat of reaction (in comparison with pure NT for temperatures below 250 °C) results from NC decomposition.
The main combustion reaction starts around 420–450 °C and leads to products composed of multi-walled sintered TiO2 particles covered with smaller granular and spherical CuO and Cu particles. The low ignition temperature indicates two important conclusions. Firstly, the reaction starts in the solid–solid phase and runs in both solid–solid and solid–liquid phase systems due to the high melting temperatures of the components (1668 °C for titanium and 1085 °C for copper [24,25]). Secondly, the low ignition temperature may stem from not only the high reactivity of nanometric titanium but also from the catalytic effect of Ti oxides on oxidising agent decomposition [16,26], whereas the decomposition temperature of nanometric CuO is equal to ∼530 °C [27].
The main combustion reaction manifests as a double peak in the DSC curves, except for the case of NC-doped NTs. This indicates that diffusion of the oxidising agent into the fuel core acts as a rate-limiting stage. During fuel oxidation, the increasing thickness of the Ti oxide layer hinders further diffusion of oxygen into the reactive core. Eventually, however, thermal expansion and changes in the chemical composition of the Ti oxides result in fracturing the oxide shell, leading into rapid movement of the oxidising agent deep into the reactive fuel core. The mentioned sealing/unsealing process of the reactive fuel core is related to the multi-step oxidation of Ti through lower oxides up to the stable TiO2. It is important to note that the intermediate oxides are characterised by different melting points and densities (Table 3).
The lack of this effect for the NC-doped compositions stems from lower agglomeration and sintering of the system during the previous reaction, which leads to higher intermediate contact between the components and a higher surface area of the components and, thus, shorter diffusion lengths and better availability of the fuel.
The direction of mass transfer into the fuel core is also confirmed by changes in the mass loss for different heating rates during the tests. A higher heating rate led to significantly lower mass losses, as the mass loss process is related to oxygen escaping from the system during CuO decomposition. In other words, the most violent reaction has a shorter time scale that does not facilitate the escape of oxygen. Additionally, the presence of areas with elevated content of Ti confirms diffusion deep into fuel grains; otherwise, the distribution of Ti atoms would be even throughout the whole system.
The results of the XRD tests indicate a combustion timescale that is sufficient for full oxidation of the Ti grains. Titanium spontaneously covers itself with a durable and tight layer of titanium oxides. Both titanium and anatase when annealed at a temperature of 550 °C indicated a transition to the most thermodynamically stable phase, which is rutile. Anatase is a metastable form and the process of its transformation into rutile is an irreversible reaction that takes place in the temperature range of 400–800 °C, which was confirmed by the XRD patterns. In the case of annealing at temperatures of 350 °C and 550 °C, the CuO phase was revealed, which proves the complete reaction of the copper particles present in the analysed compositions. The components of samples annealed at 750 °C of TiO2, Cu2O and CuO point to limited participation of the oxidising agent in the reaction. This was confirmed in the XRD patterns by the presence of Cu2O and Cu phases, which resulted from a deficiency in the oxygen needed for the complete oxidation of the copper. Two types of processes may occur during crystallisation, i.e., the incorporation of admixtures into the structures of the molecules included in the composition or the formation of structural defects that accelerate the transformation process of individual phases. Moreover, the above results are influenced by macroscopic factors related to the contact between components and the morphology, which undergoes rapid changes during the reaction of sintering processes at higher temperatures, which is also clearly visible in the SEM and SEM-EDS photos.
The decrease of the activation energy of this reaction stems from higher fuel content and macroscopic factors like contact between the fuel and the oxidising agent, which may be optimal at higher values of ϕ . The rapid increase in the activation energy for NC-doped compositions may result from two main reasons: firstly the oxidising agent and fuel particles may be covered with solid residues from NC decomposition; secondly, the limited sintering of components due to the gas-generating effect of the NC may deteriorate the initial contact between components.
The last combustion reaction results in the covering of the whole surface with remelted copper with a small amount of CuO and Cu2O granular particles. The reaction is related to a massive unsealing of reactive Ti cores covered with oxide layers as an effect of thermal expansion leading to the presence of cracks that facilitate violent penetration of the reactive fuel bed by oxygen and by the oxidising agent. The observed effects on the heating rate and this reaction’s contribution to the total heat confirm this hypothesis. With an increase in the heating rate, the contribution of this reaction dipped down, which stems from the lower content of reactive Ti remaining in system after the more rapid and violent main combustion reaction.
The residual CuO undergoes decomposition and, along with the Cu from the combustion reaction, covers the whole surface of the sample during solidification, which points to the presence of gaseous or liquid copper in the reaction system. The Ea values for the compositions without the NC additive are quite constant, whereas for the C3-1NC composition, it decreases almost by half, which may result from a lower reaction rate than those of the other reactions—therefore, there is higher reactive fuel availability and lower sintering of the whole system.
The morphologies of products annealed at different temperatures are quite similar between samples for all conditions. Nevertheless, we may notice an enhanced level of sintering with increased fuel content in compositions and a strong influence of gases from NC decomposition on the morphology. Therefore, we may point out that the combustion mechanism of the Ti/CuO and Ti/CuO/NC systems is in line with a reactive sintering (RS) mechanism [30]. For the NC-doped composition, the reaction mechanism most likely is slightly different due to effect of the presence of the gas-generating NC. NC decomposition results in less sintering and the grouping of the reaction components into smaller clusters due to the presence of a strong pressure wave. For Ti/CuO systems, the heat transfer is based on conduction, while for Ti/CuO/NC, the large amount of gases enables a significant contribution of convective heat transfer. We can expect a reaction mechanism similar to the one described in [12], which proved the formation of reacting micro-clusters composed of micrometric nanothermite agglomerates that are “held” by hot gases for a time on the order of the timescale of full combustion.
In terms of the initial chemical reaction mechanism, the first reactions take place at or below 350 °C. At this stage, an initial solid phase reaction between Ti and CuO (Equations (1), (2) and (4)) and the evolution of oxygen being dissolved in Ti upon the oxidation of Ti (Equation (3)) are observed [31,32] For samples containing nitrocellulose, a third reaction, i.e., the decomposition of nitrocellulose, is also observed.
T i + 2 C u O T i O + C u 2 O
T i + 2 x C u O T i O x + x C u 2 O
O 2 ( T i ) O 2 ( g )
T i O + 2 C u O T i O 2 + C u 2 O
TiO2 was observed by both Raman spectroscopy and XRD, with detection of both rutile and anatase indicating that partial oxidation of titanium took place in addition to the occurrence of the oxide shell on the surface of the Ti grains prior to the reaction. The TiO and TiOx, whose presence during the combustion reaction is hypothesised, cannot be detected by XRD if it is amorphous. Additionally, between annealing and measurement, the samples characterised by nanometric sizes could have been oxidised by air to the most stable product. Similarly, Cu2O was detected only by Raman spectroscopy, suggesting only a minor degree of conversion being achieved in the timescale of the experiment. The amount of dissolved oxygen that is released due to Ti oxidation corresponds to the degree of conversion and accounts for the observed mass loss of approximately 1 wt.%.
In the case of NC-containing samples, a much greater mass loss (approximately 2.5 wt.% for the C3-1NC sample) is observed. While part of this mass loss is accounted for by the 1 wt.% NC content undergoing a reaction to gaseous combustion products, the remaining mass loss is likely caused by the resulting convection promoting the release of oxygen dissolved in the Ti.
T i O x + ( 2 x ) C u O T i O 2 + ( 1 0.5 x ) C u 2 O
T i + 4 C u O T i O 2 + 2 C u 2 O
The next stage, i.e., the main stage of combustion, takes place at or below 550 °C and follows Equation (5); it is related to further oxidation of intermediate titanium oxides. Contrary to the case of 350 °C, the degree of conversion in this reaction is much higher, being nigh-100%, as for samples conditioned at this temperature, Ti is no longer observed by XRD. A similar mechanism was reported in the literature [17], where gradual oxidation to stable TiO2 was suggested. The reduction of the TiO2 layer to TiOx and TiO during heating, which facilitates oxygen migration into the fuel core, was, in turn, postulated in another report on the subject [16]. Moreover, the double peak present in the DSC thermograms may be attributed to rapid oxidation of TiOx to TiO2, which acts as a significantly stronger barrier to oxygen diffusion [16,17]. The subsequent cracking and unsealing of the TiO2 layer at higher temperatures facilitates a further combustion process.
Interestingly, the main combustion stage is followed by afterburning (most likely combustion of residual TiOx) and follow-up decomposition of the oxidising agent (Equations (7) and (8)). This is seen by the manifestation of metallic copper in the combustion products and the decrease in mass.
2 C u O C u 2 O + 0.5 O 2
C u 2 O 2 C u + 0.5 O 2
The effect of the NC additive on the combustion process is mostly macroscopic and was discussed in detail in previous parts. However, the presence of gases from NC decomposition may lead to partial reduction of Ti oxides at the combustion front. On the contrary, the reaction of NC decomposition products (e.g., carbon black or nitrogen) with the reactive Ti core [33] can be neglected (Equations (9) and (10)). Nevertheless, due to the low content of NC in the tested composition (1 wt.%), the effect may be insignificant in terms of quantitative and qualitative analyses.
T i + C T i C
T i + 0.5 N 2 T i N

4. Materials and Methods

4.1. Materials

The components (Table 4) were used to produce compositions C2–C4 and C3-1NC Table 5. All components were used as received, without any purification.

4.2. Preparation of Compositions

The compositions were prepared for three different values of ϕ : 1.2, 1.4 and 1.6 for C2, C3 and C4, respectively. Additionally, the composition characterized by ϕ equal to 1.4 was prepared with a 1 wt.% NC additive to form the C3-1NC composition.
All compositions were prepared using the same procedure. Firstly, all components were weighed and dried for 12 h at a temperature of 60 °C. The solid NC was obtained via drying of collodium solution at a temperature of 90 °C for 12 h. After drying, the powders were transferred into glass bottles and filled with propan-2-ol in such a manner as to achieve solid loading equal to 125 mg/cm3. In the next step, each composition was mixed for 30 min with a magnetic stirrer, was sonicated for 30 min (UH50 sonicator with a 0.7/0.3 work/break cycle) and was stirred for another 48 h. The prepared suspensions were electrosprayed in small portions (1 cm3) with the following conditions: voltage difference equal to 19 kV, distance between the collector and nozzle equal to 10 cm, nozzle internal diameter equal to 0.50 mm and flow rate of 3 cm3/h. After the deposition process, the compositions were gently removed from the collectors with a spatula, were dried for 12 h at a temperature of 90 °C and were poured into sealed containers.

4.3. Preparation of Samples for SEM-EDS and XRD Tests

The compositions were thermally conditioned in an argon 5.0 atmosphere in an oven for 6 h. A heating rate of 20 K/min and a cooling rate of 0.5 K/min were used for all samples. Based on the results of the DSC/TG measurements (Figure A36, Figure A37 and Figure A38), the conditioning temperatures were selected:
  • 350 °C—Below this temperature all samples showed significant mass loss, which we attributed to a preliminary reaction between Ti and CuO along with NC decomposition in the case of the C3-1NC composition. Hence, this temperature was chosen to verify that hypothesis.
  • 550 °C—Below this temperature, the main combustion reaction took place, which is connected to significant mass loss and a high heat of reaction. Therefore, this temperature was chosen to assess the main combustion phase.
  • 750 °C—Below this temperature, the last combustion reaction was observed, while mass remained fairly constant during this event. This temperature was chosen to verify the composition of the residues after all of the reactions.
All samples are described with labels appended with the conditioning temperature, i.e., C2-350 refers to composition C2 that was conditioned at 350 °C.

4.4. SEM-EDS Tests

The chemical compositions and morphologies of the thermally conditioned compositions were investigated using an FEI Inspect S50 (FEI, Hillsboro, OR, USA) scanning electron microscope (SEM) and an X-ray energy dispersive spectrometer with an EDS Octane Elect Plus detector and an EDAX Z2-i7 analyser (Bruker, Billerica, MS, USA), enabling the simultaneous acquisition of micrographs and energy dispersive X-ray (EDS) maps of the investigated samples. The working distance was equal to 10 mm, the acceleration voltages of the incident electrons were in range of 5–30 kV, the current intensity of the incident electronic beam was around 95 µA and the electronic beam spot size was equal to 3.

4.5. Raman Spectroscopy

Raman spectra were recorded with a Renishaw inVia Raman spectrometer and a 532 nm laser (Renishaw, diode laser, 380 mW at the source). The acquisition time for each scan and the number of accumulations were varied to improve the signal-to-noise ratio. Additionally, a large percentage (typically greater than 95 %) of the laser power was attenuated in order to prevent damage to the samples. The spectral resolution was ±1.2 cm−1. Spectra were typically collected using ×20 long-focus objectives (LEICA). Calibration of the spectrometer was carried out using a 520 cm−1 line of silicon. Data acquisition was carried out using the Renishaw WiRE 5.6 software package.

4.6. XRD Tests

X-ray diffraction measurements of the selected samples were performed on a Rigaku Miniflex 600 diffractometer using a D/teX Ultra silicon strip detector. The X-ray diffraction (XRD) patterns were recorded over a range of 20–90° 2 θ using Cu-K α radiation ( λ = 1.5406 A ˙ ) operated at 40 mA and 15 kV using Bragg–Brentano geometry with a scanning step size of 0.01°. The exposure time at each point was 1.67 s without sample rotation. For all scans, the IHS slit = 5 mm, Soller slits = 2.5° and DS slit = 1.25° were used.

4.7. DSC/TG Tests

DSC/TG was performed with a TA Instruments SDT Q600. The argon 5.0 flow was equal to 200 cm3/min, the sample masses ranged from 9 to 10 mg, and the heating rates were 5, 10, 15 and 20 K/min. Ceramic crucibles closed with gold disc (with a 0.3 mm hole in the centre) were used in all tests.

4.8. Kinetic Analysis

The Kissinger and Ozawa methods were applied to the DSC curves to calculate the energy of activation [34]. The rate of reaction can be described by k(T) and α(T) functions and can be written as:
d α d t = k ( T ) α ( T )
where /dT is the conversion rate, α is the conversion and k(T) is a temperature-dependent rate constant. The function of the conversion can be described as:
f ( α ) = ( 1 α ) n
where:
  • n—order of the reaction. The Arrhenius equation is described as:
k ( T ) = A e x p E a R T
where
  • A—pre-exponential factor,
  • R—gas constant,
  • Ea—energy of activation.
Comparison of the equations leads to:
d α d t = ( 1 α ) n A e x p E a R T

4.8.1. Kissinger Method

After appropriate transformations, which are described in detail in [35], it is possible to present Equation (15) as:
E a β R T 2 m = ( 1 α ) n 1 A n e x p E a R T
where:
  • β = dT/dt,
  • Tm—maximum temperature peak for a given β .
The Kissinger method assumes that the β value does not affect (1 − α )n−1. So after logarithmic transformation of both sides, we have:
l n β T 2 m = l n ( A R E 2 ) ( E 2 R T m )
The activation energy can be calculated from the slope of the line in the plot of lnβ/T2m vs. 1/Tm by a k-multiple of the R constant.

4.8.2. Ozawa Method

Equation (17) can be written for a linear β as:
0 α d α f ( α ) = A β T 0 T e x p ( E a R T ) d T
The above equation can be written as:
l o g f ( α ) = l o g ( A E a R ) l o g β 2.315 0.4567 E a R T m
The activation energy can be calculated from the slope of the line (y = kx + b) in the plot log β vs. 1/Tm by k−/(−0.4567) multiplied by the R constant.

5. Conclusions

The combustion mechanism of the Ti/CuO system is in line with the RS mechanism and exhibits an unusual direction of mass transfer, i.e., into the fuel core, which is opposite of the trend observed for Al-based nanothermites. The NC-doped composition is characterized by a slightly different combustion mechanism originating from the fact that the evolution of hot gases interferes with the sintering process. The sintering process itself is clearly evidenced by changes in the sample morphology (SEM-EDS); moreover, it is more advanced for compositions with high Ti content (C4 composition).
The multi-step combustion process is limited mostly by macroscopic (e.g., homogeneity of the composition, contact between the fuel and oxidising agent and the equivalence ratio), mass and heat diffusion factors. A higher ϕ leads to a lower Ea, higher reaction heats and a more violent combustion process. An interesting feature of the Ti/CuO system is the repeated sealing/unsealing of the reactive core of the Ti grains, which is caused by the formation of a titanium oxide shell on their surface, followed by cracking of this shell due to changes in the unit volume of the oxides (caused by changes in the chemical composition of the oxide shell).
The above effects is in line with the proposed reaction cycle, where the subsequent oxidation of Ti through TiOx oxides explains the limited access of the oxidising agent to the reactive Ti core.
The tested systems, owing to their favourable properties, may find application both in civil and military industry. The tested systems can be used in primers and igniters, for the construction of NPED-type detonators, for microthrusters, for delay systems, in welding applications or as a base NT for EM-doped NSTEX systems or gas-generating systems, e.g., for ejection seats or airbags.

Author Contributions

Conceptualisation: A.S. and M.P. (Mateusz Polis); Methodology: A.S. and T.J.; Investigation: M.P. (Mateusz Polis), A.S., K.S., B.L., M.P. (Marcin Procek), T.G., Ł.H. and T.J.; Data curation: M.P. (Mateusz Polis) and A.S.; Writing—original draft: M.P. (Mateusz Polis), A.S., K.S., B.L., T.G., Ł.H. and T.J.; Writing—review and editing: A.S. and T.J.; Supervision: A.S. and T.J. All authors have read and agreed to the published version of the manuscript.

Funding

This research benefited from the Ministry of Science and Higher Education of Poland under grant No. DWD/4/21/2020—51/003. This work benefited from the facilities and research infrastructure provided by the Department of Optoelectronics, Silesian University of Technology, which receives support under project NLPQT—National Laboratory for Photonics and Quantum Technology, POIR.04.02.00-00-B003/18. A.S. acknowledges the scientific and innovative merit grant No. 04/040/RGJ24/0275 of the Rector of Silesian University of Technology. T.J. acknowledges the scientific and innovative merit grant No. 04/040/RGJ24/0278 of the Rector of Silesian University of Technology. M.P. (Marcin Procek), A.S. and T.J. acknowledge the support of the “M-ERA.NET 3 Room temperature hydrogen sensors based on polycarbazole and its derivatives, HydroSens” project (No. 9150, M-ERA.NET3/2021/93/HYDROSENS/2022).

Institutional Review Board Statement

Not applicable.

Informed Consent Statement

Not applicable.

Data Availability Statement

The data presented in this study are available on request from the authors.

Conflicts of Interest

The authors declare no conflicts of interest.

Abbreviations

The following abbreviations are used in this manuscript:
NTNanothermite
NSTEXNanostructured thermite and explosives
NPEDNo primary explosive device

Appendix A

Appendix A.1. SEM-EDS Tests

Figure A1. SEM images for C2 composition after preparation.
Figure A1. SEM images for C2 composition after preparation.
Molecules 29 03932 g0a1
Figure A2. SEM images for C3 composition after preparation.
Figure A2. SEM images for C3 composition after preparation.
Molecules 29 03932 g0a2
Figure A3. SEM images for C4 composition after preparation.
Figure A3. SEM images for C4 composition after preparation.
Molecules 29 03932 g0a3
Figure A4. SEM images for C3-1NC composition after preparation.
Figure A4. SEM images for C3-1NC composition after preparation.
Molecules 29 03932 g0a4
Figure A5. SEM images for C2 composition annealed at 350 °C.
Figure A5. SEM images for C2 composition annealed at 350 °C.
Molecules 29 03932 g0a5
Figure A6. SEM images for C3 composition annealed at 350 °C.
Figure A6. SEM images for C3 composition annealed at 350 °C.
Molecules 29 03932 g0a6
Figure A7. SEM images for C4 composition annealed at 350 °C.
Figure A7. SEM images for C4 composition annealed at 350 °C.
Molecules 29 03932 g0a7
Figure A8. SEM images for C3-1NC composition annealed at 350 °C.
Figure A8. SEM images for C3-1NC composition annealed at 350 °C.
Molecules 29 03932 g0a8
Figure A9. SEM images for C2 composition annealed at 550 °C.
Figure A9. SEM images for C2 composition annealed at 550 °C.
Molecules 29 03932 g0a9
Figure A10. SEM images for C3 composition annealed at 550 °C.
Figure A10. SEM images for C3 composition annealed at 550 °C.
Molecules 29 03932 g0a10
Figure A11. SEM images for C4 composition annealed at 550 °C.
Figure A11. SEM images for C4 composition annealed at 550 °C.
Molecules 29 03932 g0a11
Figure A12. SEM images for C3-1NC composition annealed at 550 °C.
Figure A12. SEM images for C3-1NC composition annealed at 550 °C.
Molecules 29 03932 g0a12
Figure A13. SEM images for C2 composition annealed at 750 °C.
Figure A13. SEM images for C2 composition annealed at 750 °C.
Molecules 29 03932 g0a13
Figure A14. SEM images for C3 composition annealed at 750 °C.
Figure A14. SEM images for C3 composition annealed at 750 °C.
Molecules 29 03932 g0a14
Figure A15. SEM images for C4 composition annealed at 750 °C.
Figure A15. SEM images for C4 composition annealed at 750 °C.
Molecules 29 03932 g0a15
Figure A16. SEM images for C3-1NC composition annealed at 750 °C.
Figure A16. SEM images for C3-1NC composition annealed at 750 °C.
Molecules 29 03932 g0a16
Figure A17. SEM-EDS images for C2 composition after preparation.
Figure A17. SEM-EDS images for C2 composition after preparation.
Molecules 29 03932 g0a17
Figure A18. SEM-EDS images for C3 composition after preparation.
Figure A18. SEM-EDS images for C3 composition after preparation.
Molecules 29 03932 g0a18
Figure A19. SEM-EDS images for C4 composition after preparation.
Figure A19. SEM-EDS images for C4 composition after preparation.
Molecules 29 03932 g0a19
Figure A20. SEM-EDS images for C3-1NC composition after preparation.
Figure A20. SEM-EDS images for C3-1NC composition after preparation.
Molecules 29 03932 g0a20
Figure A21. SEM-EDS images for C2 composition annealed at 350 °C.
Figure A21. SEM-EDS images for C2 composition annealed at 350 °C.
Molecules 29 03932 g0a21
Figure A22. SEM-EDS images for C3 composition annealed at 350 °C.
Figure A22. SEM-EDS images for C3 composition annealed at 350 °C.
Molecules 29 03932 g0a22
Figure A23. SEM-EDS images for C4 composition annealed at 350 °C.
Figure A23. SEM-EDS images for C4 composition annealed at 350 °C.
Molecules 29 03932 g0a23
Figure A24. SEM-EDS images for C3-1NC composition annealed at 350 °C.
Figure A24. SEM-EDS images for C3-1NC composition annealed at 350 °C.
Molecules 29 03932 g0a24
Figure A25. SEM-EDS images for C2 composition annealed at 550 °C.
Figure A25. SEM-EDS images for C2 composition annealed at 550 °C.
Molecules 29 03932 g0a25
Figure A26. SEM-EDS images for C3 composition annealed at 550 °C.
Figure A26. SEM-EDS images for C3 composition annealed at 550 °C.
Molecules 29 03932 g0a26
Figure A27. SEM-EDS images for C4 composition annealed at 550 °C.
Figure A27. SEM-EDS images for C4 composition annealed at 550 °C.
Molecules 29 03932 g0a27
Figure A28. SEM-EDS images for C3-1NC composition annealed at 550 °C.
Figure A28. SEM-EDS images for C3-1NC composition annealed at 550 °C.
Molecules 29 03932 g0a28
Figure A29. SEM-EDS images for C2 composition annealed at 750 °C.
Figure A29. SEM-EDS images for C2 composition annealed at 750 °C.
Molecules 29 03932 g0a29
Figure A30. SEM-EDS images for C3 composition annealed at 750 °C.
Figure A30. SEM-EDS images for C3 composition annealed at 750 °C.
Molecules 29 03932 g0a30
Figure A31. SEM-EDS images for C4 composition annealed at 750 °C.
Figure A31. SEM-EDS images for C4 composition annealed at 750 °C.
Molecules 29 03932 g0a31
Figure A32. SEM-EDS images for C3-1NC composition annealed at 750 °C.
Figure A32. SEM-EDS images for C3-1NC composition annealed at 750 °C.
Molecules 29 03932 g0a32

Appendix A.2. XRD Tests

Figure A33. XRD patterns for the combustion annealed at 350 °C. The main crystalline phases have been marked for clarity.
Figure A33. XRD patterns for the combustion annealed at 350 °C. The main crystalline phases have been marked for clarity.
Molecules 29 03932 g0a33
Figure A34. XRD patterns for the combustion annealed at 550 °C. The main crystalline phases have been marked for clarity.
Figure A34. XRD patterns for the combustion annealed at 550 °C. The main crystalline phases have been marked for clarity.
Molecules 29 03932 g0a34
Figure A35. XRD patterns for the combustion annealed at 750 °C. The main crystalline phases have been marked for clarity.
Figure A35. XRD patterns for the combustion annealed at 750 °C. The main crystalline phases have been marked for clarity.
Molecules 29 03932 g0a35

Appendix A.3. DSC/TG Tests

Table A1. Heat of reactions of tested compositions.
Table A1. Heat of reactions of tested compositions.
C2 composition
Heating rate5 K/min10 K/min15 K/min20 K/min
1st reaction----
2nd reaction149192239282
3rd reaction31332535
Sum180226264317
C3 composition
Heating rate5 K/min10 K/min15 K/min20 K/min
1st reaction----
2nd reaction207302400427
3rd reaction255150142110
Sum462451543537
C4 composition
Heating rate5 K/min10 K/min15 K/min20 K/min
1st reaction----
2nd reaction248307473463
3rd reaction105877558
Sum352394548521
C3-1NC composition
Heating rate5 K/min10 K/min15 K/min20 K/min
1st reaction15202434
2nd reaction183252303386
3rd reaction122906429
Sum320362391449
Figure A36. DSC/TG curves for C2 composition.
Figure A36. DSC/TG curves for C2 composition.
Molecules 29 03932 g0a36
Figure A37. DSC/TG curves for C3 composition.
Figure A37. DSC/TG curves for C3 composition.
Molecules 29 03932 g0a37
Figure A38. DSC/TG curves for C3-1NC composition.
Figure A38. DSC/TG curves for C3-1NC composition.
Molecules 29 03932 g0a38
Figure A39. DSC/TG curves for C4 composition.
Figure A39. DSC/TG curves for C4 composition.
Molecules 29 03932 g0a39
Figure A40. Contributions of the individually identified reactions to the total reaction heat for the tested NTs.
Figure A40. Contributions of the individually identified reactions to the total reaction heat for the tested NTs.
Molecules 29 03932 g0a40
Figure A41. Mass loss of tested compositions during DSC/TG tests.
Figure A41. Mass loss of tested compositions during DSC/TG tests.
Molecules 29 03932 g0a41

References

  1. Dixon, G.P.; Martin, J.A.; Thompson, D. Lead-Free Precussion Primer Mixes Based on Metastable Interstitial Composite (MIC) Technology. U.S. Patent 5,717,159, 10 February 1998. [Google Scholar]
  2. Nicollet, A.; Charlot, S.; Baijot, V.; Estève, A.; Rossi, C. Ultra-rapid and fully integrated active pyrotechnic safety switches integrating nanothermites. In Proceedings of the 2017 Materials Research Society Fall Meeting & Exhibit, Boston, MA, USA, 26 November–1 December 2017. [Google Scholar]
  3. Ru, C.; Wang, F.; Xu, J.; Dai, J.; Shen, Y.; Ye, Y.; Zhu, P.; Shen, R. Superior performance of a MEMS-based solid propellant microthruster (SPM) array with nanothermites. Microsyst. Technol. 2017, 23, 3161–3174. [Google Scholar]
  4. Comet, M.; Martin, C.; Schnell, F.; Spitzer, D. Nanothermites: A short review. Factsheet for experimenters, present and future challenges. Propellants Explos. Pyrotech. 2019, 44, 18–36. [Google Scholar]
  5. Lopez, A.; Drukier, A.; Freese, K.; Kurdak, C.; Tarle, G. New dark matter detector using nanoscale explosives. arXiv 2014, arXiv:1403.8115. [Google Scholar]
  6. Mei, X.; Zhong, G.; Cheng, Y. Ignition and combustion characteristics of aluminum/manganese iodate/nitrocellulose biocidal nanothermites. J. Therm. Anal. Calorim. 2019, 138, 425–432. [Google Scholar]
  7. Dombroski, D.M.; Wang, A.; Wen, J.Z.; Alfano, M. Joining and welding with a nanothermite and exothermic bonding using reactive multi-nanolayers–A review. J. Manuf. Process. 2022, 75, 280–300. [Google Scholar]
  8. Kirilenko, V.; Dolgoborodov, A.Y.; Brazhnikov, M.; Kuskov, M. On the Mechanism of Combustion Propagation in Porous Nanothermites. Russ. J. Phys. Chem. B 2023, 17, 936–946. [Google Scholar] [CrossRef]
  9. Tichtchenko, E.; Bedat, B.; Simonin, O.; Glavier, L.; Gauchard, D.; Estève, A.; Rossi, C. Comprehending the influence of the particle size and stoichiometry on Al/CuO thermite combustion in close bomb: A theoretical study. Propellants Explos. Pyrotech. 2023, 48, e202200334. [Google Scholar] [CrossRef]
  10. Dolgoborodov, A.Y.; Yankovskii, B.; Arsenov, P.; Anan’ev, S.Y.; Grishin, L.; Val’yano, G.; Borodina, T.; Vakorina, G. Electric-Spark Initiation of Nanothermites. Combust. Explos. Shock Waves 2023, 59, 471–478. [Google Scholar]
  11. Goetz, V.; Gibot, P. Al/SnO2 Nanothermite ESD Desensitization by Means of the Elaboration of Tailored SnO2–Polypyrrole Composites. ACS Appl. Mater. Interfaces 2023, 15, 9830–9840. [Google Scholar] [CrossRef]
  12. Wang, H.; Jian, G.; Egan, G.C.; Zachariah, M.R. Assembly and reactive properties of Al/CuO based nanothermite microparticles. Combust. Flame 2014, 161, 2203–2208. [Google Scholar] [CrossRef]
  13. Shi, L.; Zhang, W.; Cheng, J.; Yu, C.; Shen, R.; Ye, J.; Qin, Z.; Chao, Y. A high energy output and low onset temperature nanothermite based on three-dimensional ordered macroporous nano-NiFe2O4. RSC Adv. 2016, 6, 93330–93334. [Google Scholar]
  14. Guo, X.; Liang, T.; Bao, H.; Yuan, C.; Lai, C.; Tang, C.; Giwa, A. Novel electrophoretic assembly design of nano-aluminum@ tungsten trioxide (nano-Al@ WO3) energetic coating with controllable exothermic performance. J. Mater. Sci. Mater. Electron. 2021, 32, 15242–15250. [Google Scholar]
  15. Zheng, G.; Zhang, W.; Shen, R.; Ye, J.; Qin, Z.; Chao, Y. Three-dimensionally ordered macroporous structure enabled nanothermite membrane of Mn2O3/Al. Sci. Rep. 2016, 6, 22588. [Google Scholar]
  16. Jabraoui, H.; Estève, A.; Hong, S.; Rossi, C. Initial stage of titanium oxidation in Ti/CuO thermites: A molecular dynamics study using ReaxFF forcefields. Phys. Chem. Chem. Phys. 2023, 25, 11268–11277. [Google Scholar] [CrossRef] [PubMed]
  17. Wu, T.; Singh, V.; Julien, B.; Tenailleau, C.; Estève, A.; Rossi, C. Pioneering insights into the superior performance of titanium as a fuel in energetic materials. Chem. Eng. J. 2023, 453, 139922. [Google Scholar] [CrossRef]
  18. Zhao, W.; Wang, X.; Wang, H.; Wu, T.; Kline, D.J.; Rehwoldt, M.; Ren, H.; Zachariah, M.R. Titanium enhanced ignition and combustion of Al/I2O5 mesoparticle composites. Combust. Flame 2020, 212, 245–251. [Google Scholar]
  19. Xu, F.; Biswas, P.; Nava, G.; Schwan, J.; Kline, D.J.; Rehwoldt, M.C.; Mangolini, L.; Zachariah, M.R. Tuning the reactivity and energy release rate of I2O5 based ternary thermite systems. Combust. Flame 2021, 228, 210–217. [Google Scholar]
  20. Chang, Y.; Zhao, W.; Ren, W.; Nie, J.; Wei, C.; Zhang, H.; Zen, X. Tailorable Energetic Behavior of Al/Ti/CuO Composites. In Journal of Physics: Conference Series; IOP Publishing: Bristol, UK, 2023; Volume 2478, p. 032041. [Google Scholar]
  21. He, J.; Jiang, Y.; Peng, J.; Li, C.; Yan, B.; Wang, X. Fast synthesis of hierarchical cuprous oxide for nonenzymatic glucose biosensors with enhanced sensitivity. J. Mater. Sci. 2016, 51, 9696–9704. [Google Scholar]
  22. Murthy, P.S.; Venugopalan, V.; Arunya, D.D.; Dhara, S.; Pandiyan, R.; Tyagi, A. Antibiofilm activity of nano sized CuO. In Proceedings of the International Conference on Nanoscience, Engineering and Technology (ICONSET 2011), Chennai, India, 28–30 November 2011; pp. 580–583. [Google Scholar]
  23. Ohsaka, T.; Izumi, F.; Fujiki, Y. Raman spectrum of anatase, TiO2. J. Raman Spectrosc. 1978, 7, 321–324. [Google Scholar]
  24. Sibum, H.; Güther, V.; Roidl, O.; Habashi, F.; Wolf, H.U. Titanium, titanium alloys and titanium compounds. In Ullmann’s Encyclopedia of Industrial Chemistry; Wiley: Hoboken, NJ, USA, 2000. [Google Scholar] [CrossRef]
  25. Zaretsky, E.; Kanel, G. Response of copper to shock-wave loading at temperatures up to the melting point. J. Appl. Phys. 2013, 114, 083511. [Google Scholar] [CrossRef]
  26. Rehwoldt, M.C.; Yang, Y.; Wang, H.; Holdren, S.; Zachariah, M.R. Ignition of nanoscale titanium/potassium perchlorate pyrotechnic powder: Reaction mechanism study. J. Phys. Chem. C 2018, 122, 10792–10800. [Google Scholar] [CrossRef]
  27. Jian, G.; Chowdhury, S.; Sullivan, K.; Zachariah, M.R. Nanothermite reactions: Is gas phase oxygen generation from the oxygen carrier an essential prerequisite to ignition? Combust. Flame 2013, 160, 432–437. [Google Scholar] [CrossRef]
  28. Kang, Y.B.; Lee, H.G. Thermodynamic analysis of Mn-depleted zone near Ti oxide inclusions for intragranular nucleation of ferrite in steel. ISIJ Int. 2010, 50, 501–508. [Google Scholar] [CrossRef]
  29. Wahlbeck, P.G.; Gilles, P.W. Reinvestigation of the phase diagram for the system titanium–oxygen. J. Am. Ceram. Soc. 1966, 49, 180–183. [Google Scholar] [CrossRef]
  30. Sullivan, K.; Piekiel, N.; Wu, C.; Chowdhury, S.; Kelly, S.; Hufnagel, T.; Fezzaa, K.; Zachariah, M. Reactive sintering: An important component in the combustion of nanocomposite thermites. Combust. Flame 2012, 159, 2–15. [Google Scholar] [CrossRef]
  31. Yan, M.; Xu, W.; Dargusch, M.; Tang, H.; Brandt, M.; Qian, M. Review of effect of oxygen on room temperature ductility of titanium and titanium alloys. Powder Metall. 2014, 57, 251–257. [Google Scholar]
  32. Aleksandrov, A.; Dashevskii, V.Y. Oxygen Solubility in Titanium-Containing Melts of the Ni–Co System. Russ. Metall. (Met.) 2018, 2018, 1081–1087. [Google Scholar]
  33. Li, C.; Lv, X.; Chen, J.; Liu, X.; Bai, C. Kinetics of titanium nitride synthesized with Ti and N2. Int. J. Refract. Met. Hard Mater. 2015, 52, 165–170. [Google Scholar]
  34. Li, J.S.; Chen, J.J.; Hwang, C.C.; Lu, K.T.; Yeh, T.F. Study on thermal characteristics of TNT based melt-cast explosives. Propellants Explos. Pyrotech. 2019, 44, 1270–1281. [Google Scholar]
  35. Budrugeac, P.; Segal, E. Applicability of the Kissinger equation in thermal analysis: Revisited. J. Therm. Anal. Calorim. 2007, 88, 703–707. [Google Scholar]
Figure 1. SEM images of the C3 (on the left) and C4 (on the right) compositions after annealing at 350 °C.
Figure 1. SEM images of the C3 (on the left) and C4 (on the right) compositions after annealing at 350 °C.
Molecules 29 03932 g001
Figure 2. SEM-EDS images of the C3-1NC sample annealed at 350 °C (on the left), 550 °C (in the centre) and 750 °C (on the right).
Figure 2. SEM-EDS images of the C3-1NC sample annealed at 350 °C (on the left), 550 °C (in the centre) and 750 °C (on the right).
Molecules 29 03932 g002
Figure 3. Raman spectra of samples annealed at different temperatures—350, 550 and 750 °C.
Figure 3. Raman spectra of samples annealed at different temperatures—350, 550 and 750 °C.
Molecules 29 03932 g003
Figure 4. Example DSC/TG curves for C3 and C3-1NC compositions for heating rate of 20 K/min over limited range of heating temperatures.
Figure 4. Example DSC/TG curves for C3 and C3-1NC compositions for heating rate of 20 K/min over limited range of heating temperatures.
Molecules 29 03932 g004
Figure 5. Example DSC/TG curves for C3 composition for different heating rates.
Figure 5. Example DSC/TG curves for C3 composition for different heating rates.
Molecules 29 03932 g005
Table 1. Content of annealed compositions.
Table 1. Content of annealed compositions.
Temperature of AnnealingContent
350CuO, Ti, TiO2 (rutile), TiO2 (anatase)
550CuO, Cu2O, TiO2 (rutile)
750Cu, CuO, Cu2O, TiO2 (rutile)
Table 2. Calculated energies of activation. Values are expressed in kJ/mol.
Table 2. Calculated energies of activation. Values are expressed in kJ/mol.
Kissinger Method
ReactionC2C3C4C3-1NC
1---87 ± 6
2141 ± 28134 ± 16110 ± 37157 ± 25
3265 ± 32253 ± 51280 ± 43129 ± 19
Ozawa Method
ReactionC2C3C4C3-1NC
1---90 ± 6
2145 ± 25139 ± 15116 ± 35161 ± 24
3266 ± 30255 ± 48275 ± 50129 ± 19
Table 3. Melting points and densities of Ti and Ti oxides [24,28,29].
Table 3. Melting points and densities of Ti and Ti oxides [24,28,29].
CompoundMelting Point (K)Density (g/cm)3
Ti16504.51
TiO17504.94
Ti2O318394.49
Ti3O517744.42
TiO218434.23
Table 4. Materials used in composition preparation.
Table 4. Materials used in composition preparation.
ComponentPurity Grade/Concentration (wt.%)Particle Size (nm)Producer
Copper(II) oxidewt. 99.9940Iolitec GmBH (Heilbronn, Germany)
Titaniumwt. 99.9950Iolitec GmBH (Heilbronn, Germany)
Propan-2-ol99.9-Electro Chem (Warsaw, Poland)
Cellulose nitrate solution in 70/30 Et2O/EtOH4–8-Sigma-Aldrich (Taufkirchen, Germany)
Table 5. Content of tested compositions.
Table 5. Content of tested compositions.
Composition NameTi (wt.%)CuO (wt.%)NC (wt.%)
C226.573.5-
C329.670.4-
C432.567.5-
C3-1NC29.369.71.0
Disclaimer/Publisher’s Note: The statements, opinions and data contained in all publications are solely those of the individual author(s) and contributor(s) and not of MDPI and/or the editor(s). MDPI and/or the editor(s) disclaim responsibility for any injury to people or property resulting from any ideas, methods, instructions or products referred to in the content.

Share and Cite

MDPI and ACS Style

Polis, M.; Szydło, K.; Lisiecka, B.; Procek, M.; Gołofit, T.; Jarosz, T.; Hawełek, Ł.; Stolarczyk, A. Ti/CuO Nanothermite—Study of the Combustion Process. Molecules 2024, 29, 3932. https://doi.org/10.3390/molecules29163932

AMA Style

Polis M, Szydło K, Lisiecka B, Procek M, Gołofit T, Jarosz T, Hawełek Ł, Stolarczyk A. Ti/CuO Nanothermite—Study of the Combustion Process. Molecules. 2024; 29(16):3932. https://doi.org/10.3390/molecules29163932

Chicago/Turabian Style

Polis, Mateusz, Konrad Szydło, Barbara Lisiecka, Marcin Procek, Tomasz Gołofit, Tomasz Jarosz, Łukasz Hawełek, and Agnieszka Stolarczyk. 2024. "Ti/CuO Nanothermite—Study of the Combustion Process" Molecules 29, no. 16: 3932. https://doi.org/10.3390/molecules29163932

APA Style

Polis, M., Szydło, K., Lisiecka, B., Procek, M., Gołofit, T., Jarosz, T., Hawełek, Ł., & Stolarczyk, A. (2024). Ti/CuO Nanothermite—Study of the Combustion Process. Molecules, 29(16), 3932. https://doi.org/10.3390/molecules29163932

Article Metrics

Back to TopTop