Novel Non-Evaporable Getter Materials and Their Possible Use in Fusion Application for Tritium Recovery
Abstract
1. Introduction
2. The Problem of Tritium Impurities Inside the Helium Primary Coolant of DEMO Fusion Reactor
2.1. Triitum Mass Balance Inside the Helium Primary Coolant Loop
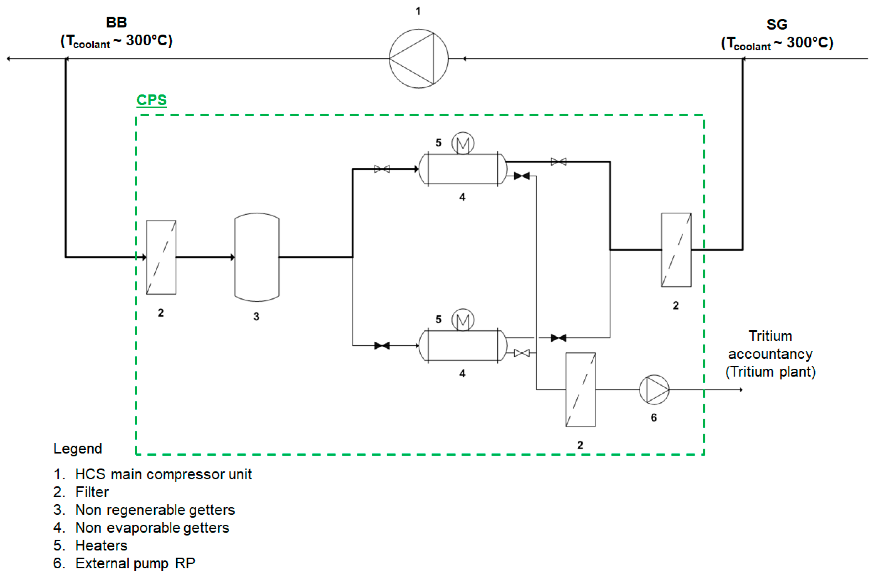
2.2. A Coolant Purification System Based on NEGs
3. Feasibility Study on the Use of NEGs for Tritium Recovery from Helium on DEMO CPS Scale
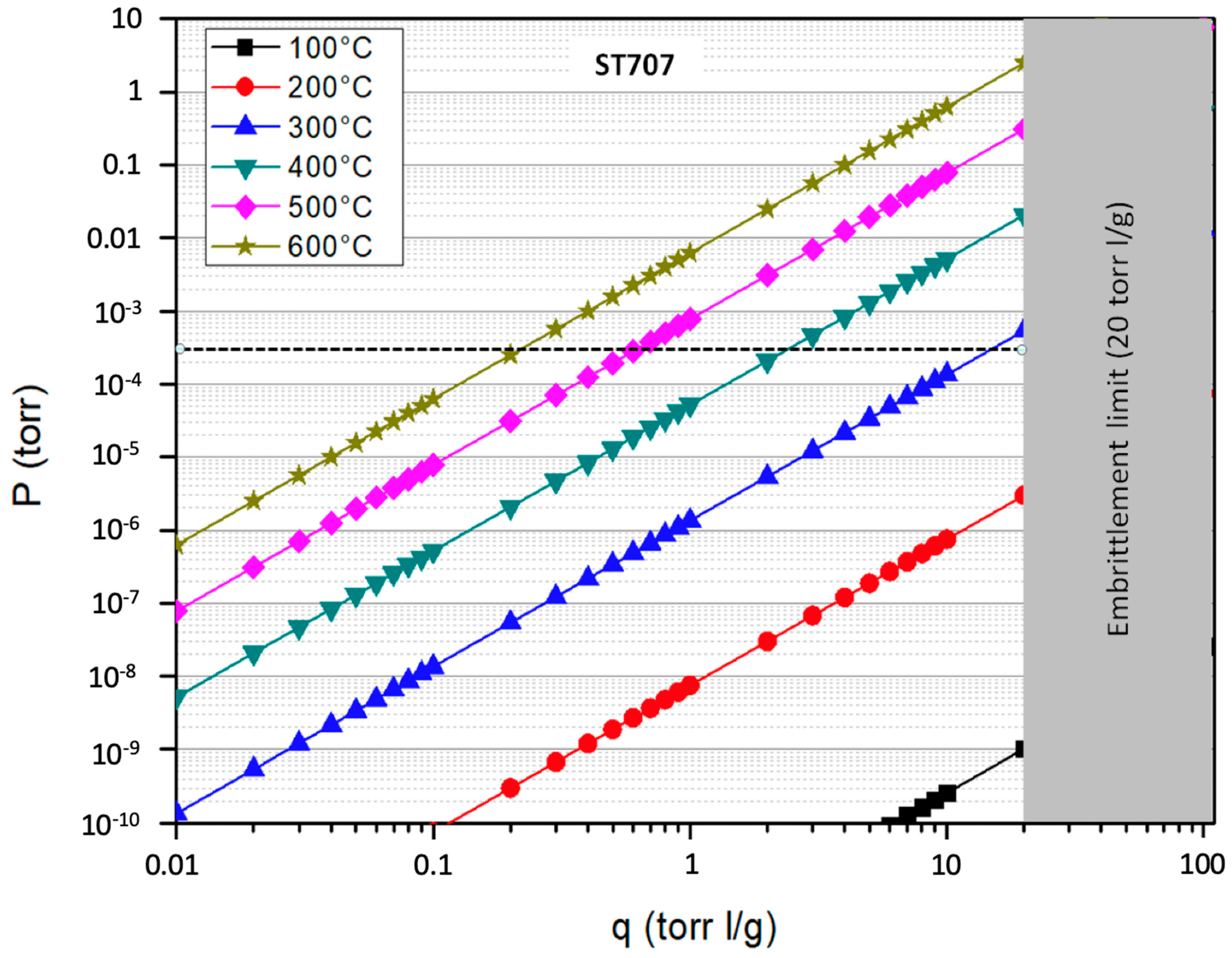
3.1. Selection of Suitable Getter Alloys
3.2. Definition of the Sorption Flux Regime
3.3. Dimensioning of the NEGs at DEMO CPS Scale
3.4. Analysis of NEGs Regeneration Parameters
4. Discussion and Conclusions
Author Contributions
Funding
Conflicts of Interest
References
- Ferrario, C. Chemical pumping in vacuum technology. Vacuum 1996, 47, 363–370. [Google Scholar]
- Maccallini, E.; Siviero, F.; Bonucci, A.; Conte, A. Non evaporable getter (NEG) technology: A powerful tool for UHV-XHV systems. Aip. Conf. Proc. 2012, 2, 1451. [Google Scholar]
- Benvenuti, C.; Chiggiato, P.; Costa Pinto, P.; Escudeiro Santana, A.; Hedley, T.; Mongelluzzo, A.; Ruzinov, V.; Wevers, I. Vacuum properties of TiZrV non-evaporable getter films. Vacuum 2001, 60, 57–65. [Google Scholar]
- Bourim, E.M.; Kim, H.Y.; Chung, N.K. Development and Characterization of Non-Evaporable Getter Thin Films with Ru Seeding Layer for MEMS Applications. Micromachines 2018, 9, 490. [Google Scholar] [CrossRef] [PubMed]
- Benvenuti, C.; Chiggiato, P.; Mongelluzzo, A.; Prodromides, A.; Ruzinov, V.; Scheuerlein, C.; Taborelli, M. Influence of the elemental composition and crystal structure on the vacuum properties of Ti-Zr-V non evaporable getter films. J. Vac. Sci. Technol. A. 2011, 19, 2925. [Google Scholar] [CrossRef]
- Chung, H.-K.; Dalgarno, A. Diffusion of hydrogen atoms in helium gas and helium atoms in hydrogen gas. Phys. Rev. A 2002, 66, 012712. [Google Scholar] [CrossRef]
- Chiggiato, P.; Costa Pinto, P. Ti-Zr-V non-evaporable getter films: From development to large scale production for the Large Hadron Collider. Thin Solid Films 2006, 515, 382–388. [Google Scholar] [CrossRef]
- Detian, L.; Yongjun, C. Application of non evaporable getter pump in vacuum metrology. Vacuum 2011, 85, 739–743. [Google Scholar] [CrossRef]
- Siviero, F.; Caruso, L.; Porcelli, T.; Mura, M.; Maccallini, E.; Manini, P.; Sartori, E.; Siragusa, M.; Day, C.; Sonato, P. Characterization of ZAO® sintered getter material for use in fusion applications. Fusion Eng. Des. 2019, 146, 1729–1732. [Google Scholar] [CrossRef]
- Siragusa, M.; Sonato, P.; Visentin, M.; Mura, M.; Siviero, F.; Viale, L.; Maccallini, E.; Day, C.; Hanke, S.; Sartori, E. Conceptual design of scalable vacuum pump to validate sintered getter technology for future NBI application. Fusion Eng. Des. 2019, 146, 87–90. [Google Scholar] [CrossRef]
- Cismondi, F.; Spagnuolo, G.A.; Boccaccini, L.V.; Chiovaro, P.; Ciattaglia, S.; Cristescu, I.; Day, C.; Del Nevo, A.; Di Maio, P.A.; Federici, G.; et al. Progress of the conceptual design of the European DEMO breeding blanket, tritium extraction and coolant purification systems. Fusion Eng. Des. 2020, 157, 111640. [Google Scholar] [CrossRef]
- Ciampichetti, A.; Aiello, A.; Coccoluto, G.; Ricapito, I.; Liger, K.; Demange, D.; Moreno, C. The coolant purification system of the European test blanket modules: Preliminary design. Fusion Eng. Des. 2010, 85, 2033–2039. [Google Scholar] [CrossRef]
- Tincani, A.; Aiello, A.; Ferrucci, B.; Granieri, M.; Voukelatou, K.; Ricapiyo, I.; Galabert, J.; Ortiz, C.; Arena, P.; Di MAio, A.; et al. Conceptual design of the enhanced coolant purification systems for the European HCLL and HCPB test blanket modules. Fusion Eng. Des. 2019, 146, 365–368. [Google Scholar] [CrossRef]
- The ITER Project. Available online: https://www.iter.org/ (accessed on 8 October 2020).
- Federici, G.; Boccaccini, L.V.; Cismondi, F.; Gasparotto, M.; Poitevin, Y.; Ricapito, I. An overview of the EU breeding blanket design strategy as an integral part of the DEMO design effort. Fusion Eng. Des. 2019, 141, 30–42. [Google Scholar] [CrossRef]
- Carella, E.; Moreno, C.; Urgorri, F.R.; Rapisarda, D.; Ibarra, A. Tritium modelling in HCPB breeder blanket at a system level. Fusion Eng. Des. 2017, 124, 687–691. [Google Scholar] [CrossRef]
- Santucci, A.; Frattolillo, A.; Incelli, M.; Tosti, S. The coolant purification system in DEMO: Interfaces and requirements. Fusion Eng. Des. 2017, 124, 744–747. [Google Scholar] [CrossRef]
- Santucci, A.; Incelli, M.; Noschese, L.; Moreno, C.; Di Fonzo, F.; Tosti, S.; Day, C. The issue of tritium in DEMO primary coolant and mitigation strategies. Fusion Eng. Des. 2020, 158, 111759. [Google Scholar] [CrossRef]
- Knize, R.J.; Cecchi, J.L. Theory of bulk gettering. J. Appl. Phys. 1983, 54, 3183–3189. [Google Scholar] [CrossRef]
- The SAES Group. Available online: https://www.saesgetters.com (accessed on 13 October 2020).
- Knize, R.J.; Cecchi, J.L. Diffusion of hydrogen and deuterium in Zr-Al. J. Nucl. Mater. 1982, 112, 645–647. [Google Scholar] [CrossRef]
- Knize, R.J.; Stanton, J.L.; Cecchi, J.L. Diffusion of hydrogen and deuterium in ZrVFe. J. Nucl. Mater. 1984, 123, 1553–1557. [Google Scholar] [CrossRef]
| Sample Availability: Not available. | 








| P0 = 3 × 10−4 Torr | Sieverts’ Parameters | Embrittlement Limit qe (Torr l/g) | Temperature T (°C) | ||||
|---|---|---|---|---|---|---|---|
| 300 | 500 | ||||||
| Getter Alloy | A | B | K(T) Torr/(Torr l/g)2 | q0(T) (Torr l/g) | K(T) Torr/(Torr l/g)2 | q0(T) (Torr l/g) | |
| ST707 (Zr-V-Fe) | 4.8 | 6116 | 20 | 1.34 × 10−6 | 14.98 | 7.73 × 10−4 | 0.62 | 
| ST101 (Zr-Al) | 4.82 | 7280 | 20 | 1.30 × 10−8 | 151.74 | 2.52 × 10−5 | 3.45 | 
| ZAO (Zr-V-Ti-Al) | 5.76 | 7290 | ~100 | 1.09× 10−7 | 52.46 | 2.13 × 10−4 | 1.19 | 
| ST101 | ST707 | |||
|---|---|---|---|---|
| Protium | Deuterium | Protium | Deuterium | |
| α | −2.9 | −0.4 | 13.6 | 8.7 | 
| β | 9900 | 12,100 | 18,700 | 14,600 | 
| ST707 @ 320 °C | ST101 @ 500 °C | ZAO @ 300 °C | ||
|---|---|---|---|---|
| P0 | [torr] | 3.0 × 10−4 | ||
| ki | [l s−1 cm−2] | 0.1 | ||
| kiP0 | [torr l s−1 cm−2] | 3.0 × 10−5 | ||
| L | [cm] | 1.0 × 10−2 | ||
| K(T) = 10(A-B/T) | [torr/(torr l/g)2] | 3.06 × 10−6 | 2.52 × 10−5 | 1.09 × 10−7 | 
| q0(T) = [P0/K(T)]1/2 | [torr l/g] | 9.89 | 3.45 | 52.46 | 
| ρ | (g/cm3) | 6.26 | 6 | 5.8 | 
| c0 = ρq0 | [torr l/cm3] | 61.94 | 20.68 | 304.26 | 
| D (T) = exp(α-β/T) | [cm2/s] | 1.22 × 10−7 | 1.07 × 10−7 | 5.16 × 10−8 | 
| Dc0/L | [torr l s−1 cm−2] | 7.55 × 10−4 | 2.21 × 10−4 | 1.57 × 10−3 | 
| H = (kiP0)/(Dc0/L) | [dimensionless] | 3.98 × 10−2 | 1.36 × 10−1 | 1.91 × 10−2 | 
| kiP0/Lc0 | [s−1] | 4.843 × 10−5 | 1.45 × 10−4 | 9.86 × 10−6 | 
| τ = Lc0/kiP0 | [s] | 2.065 × 104 | 6.89 × 103 | 1.01 × 105 | 
| TR (°C) | 550 | 600 | 650 | 700 | |
| D(TR) (cm2/s) | 1.186 × 10−4 | 3.275 × 10−4 | 8.104 × 10−4 | 1.827 × 10−3 | |
| K(TR) [torr/(torrl/g)2] | 2.337 × 10−3 | 6.227 × 10−3 | 1.492 × 10−2 | 3.268 × 10−2 | |
| (°C/min) | 2 | 2 | 2 | 2 | |
| τW | (hrs) | 1.92 | 2.33 | 2.75 | 3.17 | 
| τW | (min) | 115.00 | 140.00 | 165.00 | 190.00 | 
| TR (°C) | 650 | 700 | 750 | 800 | |
| D(TR) (cm2/s) | 1.358 × 10−6 | 2.664 × 10−6 | 4.892 × 10−6 | 8.489 × 10−6 | |
| K(TR) [torr/(torrl/g)2] | 8.564 × 10−4 | 2.178 × 10−3 | 5.054 × 10−3 | 1.085 × 10−2 | |
| (°C/min) | 2 | 2 | 2 | 2 | |
| τW | (hrs) | 1.25 | 1.67 | 2.08 | 2.50 | 
| τW | (min) | 75.00 | 100.00 | 125.00 | 150.00 | 
| TR (°C) | 550 | 600 | 650 | 700 | |
| D(TR) (cm2/s)(#) | 1.186 × 10-4 | 3.275 × 10-4 | 8.104 × 10-4 | 1.827 × 10-3 | |
| K(TR) [torr/(torrl/g)2] | 7.983 × 10-4 | 2.567 × 10-3 | 7.275 × 10-3 | 1.852 × 10-4 | |
| (°C/min) | 2 | 2 | 2 | 2 | |
| τW | (hrs) | 2.08 | 2.50 | 2.92 | 3.33 | 
| τW | (min) | 125 | 150 | 175 | 200 | 
| Length of the Sorption Cycle: τS (days) | 5 | AG (m2) | 1.583 | kiAG (l/s) | 1.58 × 103 | |||
| Pumping speed of the backup pump: S (l/s) | 1000 | |||||||
| TR (°C) | 550 | 600 | 650 | 700 | ||||
| qi | Required length τR of the regeneration plateau and time τ0 available for cool down (hrs) | |||||||
| (torr l/g) | τR | τ0 | τR | τ0 | τR | τ0 | τR | τ0 | 
| 0.1 | 1.90 | 116.18 | 0.71 | 116.95 | 0.30 | 116.95 | 0.14 | 116.70 | 
| 0.01 | 19.20 | 98.88 | 7.21 | 110.46 | 3.01 | 114.24 | 1.37 | 115.46 | 
| 0.001 | 192.19 | −74.11 | 72.13 | 45.54 | 30.10 | 87.15 | 13.74 | 103.09 | 
| 0.0001 | 1922.12 | −1804.03 | 721.37 | −603.70 | 301.06 | −183.81 | 137.45 | −20.62 | 
| Length of the Sorption Cycle: τS (days) | 5 | AG (m2) | 10.652 | kiAG (l/s) | 1.065 × 104 | |||
| Pumping speed of the backup pump: S (l/s) | 1000 | |||||||
| TR (°C) | 650 | 700 | 750 | 800 | ||||
| qi | Required length τR of the regeneration plateau and time τ0 available for cool down (hrs) | |||||||
| (torr l/g) | τR | τ0 | τR | τ0 | τR | τ0 | τR | τ0 | 
| 0.1 | 22.02 | 96.73 | 8.66 | 109.67 | 3.73 | 114.19 | 1.74 | 115.76 | 
| 0.01 | 226.10 | −107.35 | 88.92 | 29.42 | 38.31 | 79.61 | 17.85 | 99.65 | 
| 0.001 | 2266.90 | −2148.15 | 891.50 | −773.17 | 384.09 | −266.17 | 178.99 | −61.49 | 
| 0.0001 | 22,674.96 | −22,556.21 | 8917.37 | −8799.04 | 3841.91 | −3723.99 | 1790.35 | −1672.85 | 
| Length of the Sorption Cycle: τS (days) | 10 | AG (m2) | 1.449 | kiAG (l/s) | 1.4485 × 103 | |||
| Pumping speed of the backup pump: S (l/s) | 1000 | |||||||
| TR (°C) | 550 | 600 | 650 | 700 | ||||
| qi | Required length τR of the regeneration plateau and time τ0 available for cool down (hrs) | |||||||
| (torr l/g) | τR | τ0 | τR | τ0 | τR | τ0 | τR | τ0 | 
| 0.1 | 4.93 | 232.98 | 1.53 | 235.97 | 0.54 | 236.54 | 0.21 | 236.45 | 
| 0.01 | 49.41 | 188.51 | 15.36 | 222.14 | 5.42 | 231.66 | 2.13 | 234.54 | 
| 0.001 | 494.15 | −256.23 | 153.65 | 83.85 | 54.22 | 182.86 | 21.30 | 215.37 | 
| 0.0001 | 4941.58 | −4703.67 | 1536.54 | −1299.04 | 542.23 | −305.15 | 212.97 | 23.70 | 
| Publisher’s Note: MDPI stays neutral with regard to jurisdictional claims in published maps and institutional affiliations. | 
© 2020 by the authors. Licensee MDPI, Basel, Switzerland. This article is an open access article distributed under the terms and conditions of the Creative Commons Attribution (CC BY) license (http://creativecommons.org/licenses/by/4.0/).
Share and Cite
Santucci, A.; Farina, L.; Tosti, S.; Frattolillo, A. Novel Non-Evaporable Getter Materials and Their Possible Use in Fusion Application for Tritium Recovery. Molecules 2020, 25, 5675. https://doi.org/10.3390/molecules25235675
Santucci A, Farina L, Tosti S, Frattolillo A. Novel Non-Evaporable Getter Materials and Their Possible Use in Fusion Application for Tritium Recovery. Molecules. 2020; 25(23):5675. https://doi.org/10.3390/molecules25235675
Chicago/Turabian StyleSantucci, Alessia, Luca Farina, Silvano Tosti, and Antonio Frattolillo. 2020. "Novel Non-Evaporable Getter Materials and Their Possible Use in Fusion Application for Tritium Recovery" Molecules 25, no. 23: 5675. https://doi.org/10.3390/molecules25235675
APA StyleSantucci, A., Farina, L., Tosti, S., & Frattolillo, A. (2020). Novel Non-Evaporable Getter Materials and Their Possible Use in Fusion Application for Tritium Recovery. Molecules, 25(23), 5675. https://doi.org/10.3390/molecules25235675
 
         
                                                


 
       