Antifungal Activity and Nail Permeation of Nail Lacquer Containing Piper regnellii (Miq.) C. CD. var. pallescens (C. DC.) Yunck (Piperaceae) Leave Extracts and Derivatives
Abstract
:1. Introduction
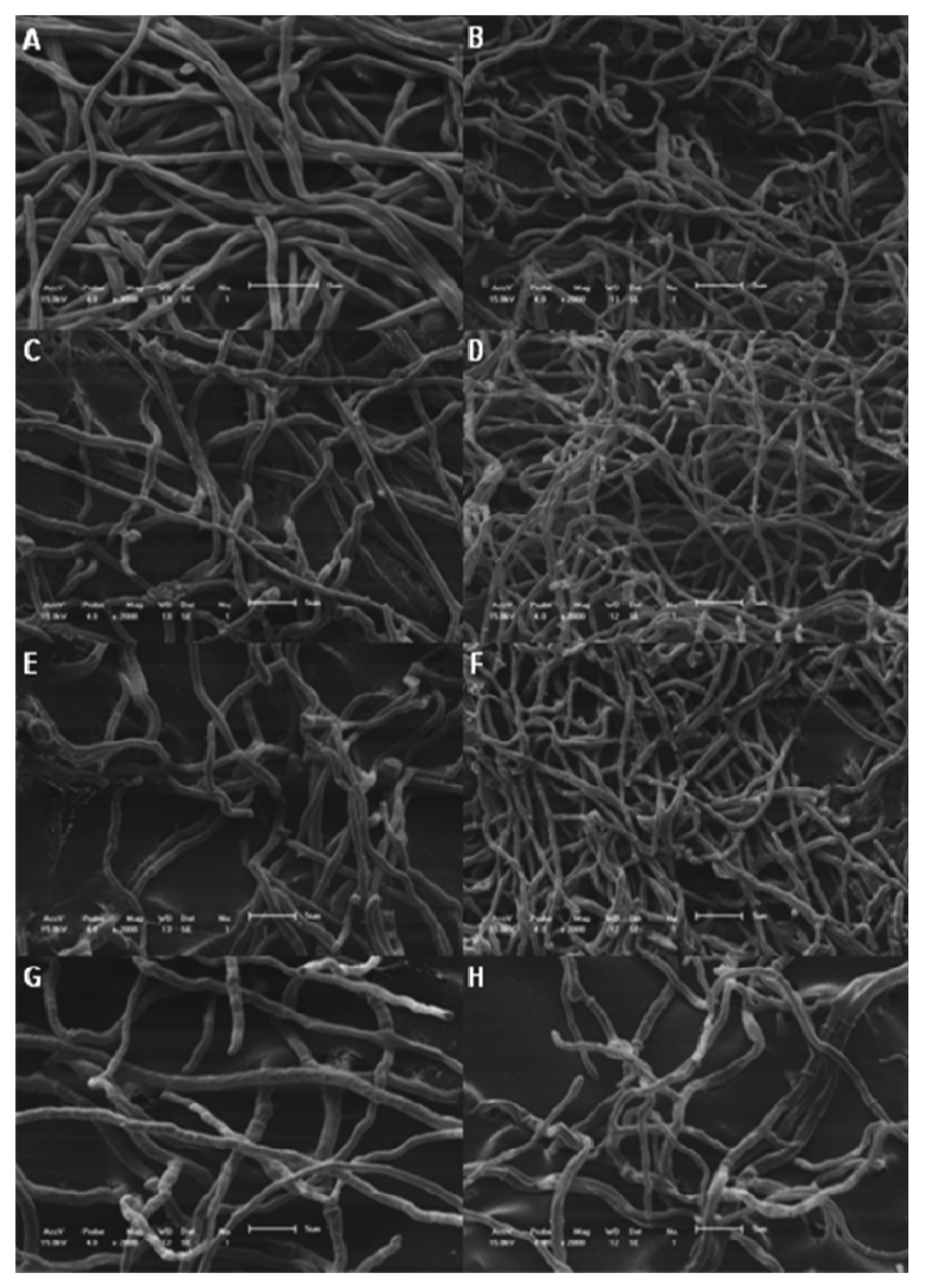
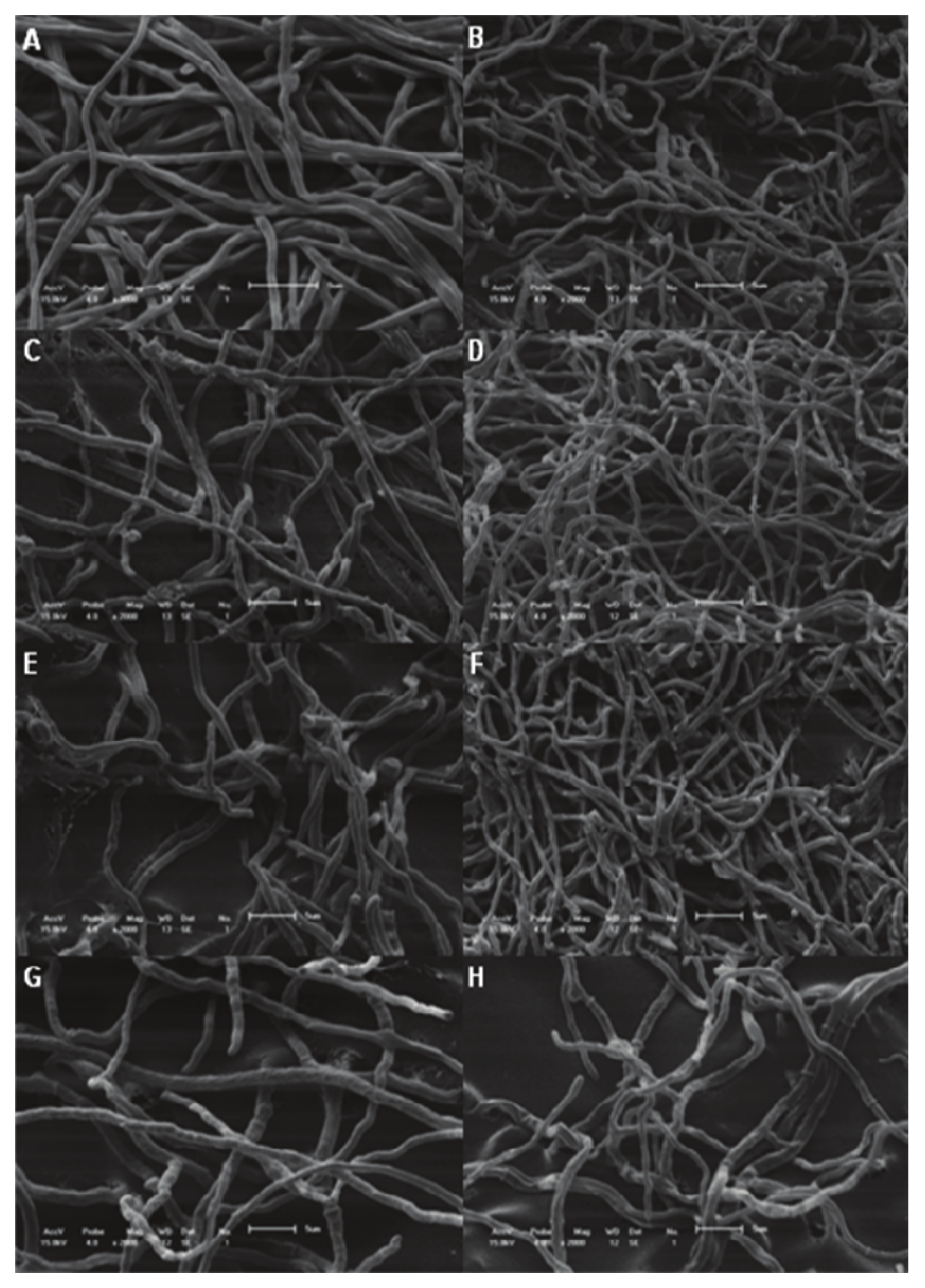
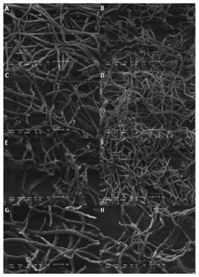
2. Results and Discussion
3. Experimental
3.1. Plant Material
3.2. Preparation of Plant Extract and Fractions
3.3. Nail Lacquer Formulation
3.4. Microorganism Used and Growth Conditions
3.5. Antifungal Activity Assay
3.5.1. Microbroth Dilution Assay
3.5.2. Antifungal Activity in Solid Medium
3.5.3. Ergosterol Effect Assay
3.5.4. In vitro Test with the Nail Lacquer Containing Fraction
3.5.5. Scanning Electronic Microscopy
3.6. Photoacoustic Spectroscopy Measurements
4. Conclusions
Acknowledgments
References
- Weitzman, I.; Summerbell, R.C. The dermatophytes. Clin. Microb. Rev. 1995, 8, 240–259. [Google Scholar] [CrossRef]
- Stein, A.C.; Sortino, M.; Avancini, C.; Zacchino, S.; Poser, G. Ethnoveterinary medicine in the search for antimicrobial agents: Antifungal activity of some species of Pterocaulon (Asteraceae). J. Ethnopharmacol. 2005, 99, 211–214. [Google Scholar] [CrossRef] [PubMed]
- Sortino, M.; Delgado, P.; Juárez, S.; Quiroga, J.; Abonía, R.; Insuasty, B.; Nogueras, M.; Rodero, L.; Garibotto, F.M.; Enriz, R.D.; Zacchino, S.A. Synthesis and antifungal activity of (Z)-5-aryldenerhodanines. Bioorg. Med. Chem. 2007, 15, 484–494. [Google Scholar] [CrossRef] [PubMed]
- Costa, A.F. Farmacognosia (Farmacognosia Experimental); Fundação Calouste Gulbenkian: Lisboa, Portugal, 1972; p. 380. [Google Scholar]
- Parmar, V.S.; Jain, S.C.; Bisht, K.S.; Jain, R.; Taneja, P.; Jha, A.; Tyagi, O.D.; Prasad, A.K.; Wengel, J.; Olsen, C.E.; Boll, P.M. Phytochemistry of the genus Piper. Phytochemistry 1997, 6, 597–673. [Google Scholar] [CrossRef]
- Silva, R.V.; Navickiene, H.M.D.; Kato, M.J.; Bolzani, V.S.; Méda, C.I.; Young, M.C.M.; Furlan, M. Antifungal amides from Piper arboreum and Piper tuberculatum. Phytochemistry 2002, 59, 521–527. [Google Scholar] [CrossRef]
- Freixa, B.; Vila, R.; Vargas, L.; Lozano, N.; Adzet, T.; Cañigueral, S. Screening for antifungal activity of nineteen Latin American plants. Phytother. Res. 1998, 12, 427–430. [Google Scholar] [CrossRef]
- Freixa, B.; Vila, R.; Ferro, E.A.; Adzet, T.; Cañigueral, S. Antifungal principles from Piper fulvescens. Planta Med. 2001, 67, 873–875. [Google Scholar] [CrossRef] [PubMed]
- Holetz, F.B.; Pessini, G.L.; Sanches, N.R.; Cortez, D.A.G.; Nakamura, C.V.; Dias Filho, B.P. Screening of some plants used in brazilian folk medicine for the treatment of infectious diseases. Mem. Inst. Oswaldo Cruz 2002, 97, 1027–1031. [Google Scholar] [CrossRef] [PubMed]
- Koroishi, A.M.; Foss, S.R.; Cortez, D.A.G.; Ueda-Nakamura, T.; Nakamura, C.V.; Dias Filho, B.P. In vitro activity of extracts and neolignans from Piper regnellii against dermatophytes. J. Ethnopharmacol. 2008, 117, 270–277. [Google Scholar] [PubMed]
- Vendrametto, M.C.; Santos, A.O.; Nakamura, C.V.; Dias Filho, B.P.; Cortez, D.A.G.; Ueda-Nakamura, T. Evaluation of antileishmanial activity of eupomatenoid-5, a compound isolated from leaves of Piper regnellii var. pallescens. Parasitol. Int. 2010, 59, 154–158. [Google Scholar] [CrossRef] [PubMed]
- Luize, P.S.; Ueda-Nakamura, T.; Dias Filho, B.P.; Cortez, D.A.G.; Nakamura, C.V. Activity of neolignans isolated from Piper regnellii (Miq.) C. DC. var. pallescens (C. DC.) YUNCK against Trypanosoma cruzi. Biol. Pharm. Bull. 2006, 29, 2126–2130. [Google Scholar]
- Murdan, S. Drug delivery to the nail following topical application. Int. J. Pharm. 2002, 236, 1–26. [Google Scholar] [CrossRef]
- Elewski, B. Onychomycosis: Pathogenesis, diagnosis and management. Clinical Microb. Rev. 1998, 11, 415–429. [Google Scholar] [CrossRef]
- Effendy, I. Therapeutic strategies in onychomycosis. J. Eur. Acad. Derm. Venereol. 1995, 4, S3–S10. [Google Scholar] [CrossRef]
- Marty, J.-P.L. Amorolfine nail lacquer: A novel formulation. J. Eur. Acad. Derm. Venereol. 1995, 4, S17–S21. [Google Scholar]
- Danelutte, A.P.; Lago, J.H.; Young, M.C.M.; Kato, M.J. Antifungal flavanones and prenylated hydroquinones from Piper crassinervium Kunth. Phytochemistry 2003, 64, 555–559. [Google Scholar] [CrossRef]
- Prasad, N.R.; Anandi, C.; Balasubramanian, S.; Pugalendi, K.V. Antidermatophyte activity of extracts from Psoralea corylifolia (Fabaceae) correlated with the presence of a flavonoid compound. J. Ethnopharmacol. 2001, 91, 21–24. [Google Scholar] [CrossRef] [PubMed]
- Odds, F.C.; Brown, A.J.P.; Gow, N.A.R. Antifungal agents: Mechanisms of action. Trends Microbiol. 2003, 11, 272–279. [Google Scholar] [CrossRef]
- Pessini, G.L.; Dias Filho, B.P.; Nakamura, C.V.; Cortez, D.A.G. Antibacterial activity of extracts and neolignans from Piper regnellii (Miq.) C. DC. var pallescens (C. DC.) Yunck. Mem. Inst. Oswaldo Cruz 2003, 98, 1115–1120. [Google Scholar]
- Sowa, M.G.; Wang, J.; Schultz, C.P.; Ahmed, K.; Mantsch, H.H. Infrared spectroscopy investigation of in vivo and ex vivo human nails. Vib. Spectrosc. 1995, 10, 49–56. [Google Scholar] [CrossRef]
- Nuglisch, L.E.R.; Dias, D.T.; Sehn, E.; Bento, A.C.; Baesso, M.L.; Santos, S.T.S.; Fushimi, M.Y. Photoacoustic spectroscopy to evaluate the penetration of two antifungal agents through the human nail. J. Phys. IV 2005, 125, 631–633. [Google Scholar] [CrossRef]
- Dias, D.T.; Nuglish, L.E.R.; Sehn, E.; Baesso, M.L.; Medina, A.N.; Bento, A.C. Human nail thermal diffusivity obtained using the open photoacoustic cell technique. J. Phys. IV 2005, 125, 657–660. [Google Scholar] [CrossRef]
Sample Availability: Samples of the compounds are available from the authors. |





| Antifungal Activity | ||
|---|---|---|
| Minimal Concentration Required for Inhibition of Spore Germination (µg/mL) | Minimal Inhibitory Concentration (µg/mL) | |
| Dichloromethane extract (EBD) | 7.8 | 15.6 |
| Chloroform fraction (FF) | 7.8 | 7.8 |
| Eupomatenoid-3 | >100 | >100 |
| Eupomatenoid-5 | 12.5 | 25 |
| Amphotericin B | 0.2 | 0.4 |
| Nystatin | 0.4 | 0.8 |
| Fluconazole | 1.6 | 3.2 |
| Ketoconazole | 0.2 | 0.4 |
© 2010 by the authors; licensee MDPI, Basel, Switzerland. This article is an Open Access article distributed under the terms and conditions of the Creative Commons Attribution license (http://creativecommons.org/licenses/by/3.0/).
Share and Cite
Koroishi, A.M.; Sehn, E.; Baesso, M.L.; Ueda-Nakamura, T.; Nakamura, C.V.; Cortez, D.A.G.; Filho, B.P.D. Antifungal Activity and Nail Permeation of Nail Lacquer Containing Piper regnellii (Miq.) C. CD. var. pallescens (C. DC.) Yunck (Piperaceae) Leave Extracts and Derivatives. Molecules 2010, 15, 3920-3931. https://doi.org/10.3390/molecules15063920
Koroishi AM, Sehn E, Baesso ML, Ueda-Nakamura T, Nakamura CV, Cortez DAG, Filho BPD. Antifungal Activity and Nail Permeation of Nail Lacquer Containing Piper regnellii (Miq.) C. CD. var. pallescens (C. DC.) Yunck (Piperaceae) Leave Extracts and Derivatives. Molecules. 2010; 15(6):3920-3931. https://doi.org/10.3390/molecules15063920
Chicago/Turabian StyleKoroishi, Andrea Mayumi, Elizandra Sehn, Mauro Luciano Baesso, Tânia Ueda-Nakamura, Celso Vataru Nakamura, Diógenes Aparício Garcia Cortez, and Benedito Prado Dias Filho. 2010. "Antifungal Activity and Nail Permeation of Nail Lacquer Containing Piper regnellii (Miq.) C. CD. var. pallescens (C. DC.) Yunck (Piperaceae) Leave Extracts and Derivatives" Molecules 15, no. 6: 3920-3931. https://doi.org/10.3390/molecules15063920
APA StyleKoroishi, A. M., Sehn, E., Baesso, M. L., Ueda-Nakamura, T., Nakamura, C. V., Cortez, D. A. G., & Filho, B. P. D. (2010). Antifungal Activity and Nail Permeation of Nail Lacquer Containing Piper regnellii (Miq.) C. CD. var. pallescens (C. DC.) Yunck (Piperaceae) Leave Extracts and Derivatives. Molecules, 15(6), 3920-3931. https://doi.org/10.3390/molecules15063920
