Open Circuit Fault Detection of T-Type Grid Connected Inverters Using Fast S Transform and Random Forest
Abstract
:1. Introduction
- (1)
- The open-circuit fault of a T-type inverter can be detected with high accuracy even if there are load changes;
- (2)
- The fault detection uses fast S transform and random forest, which can accommodate real-time applications;
- (3)
- The fault detection requires no manual threshold and additional sensors, which make the method useful in real industrial applications.
2. The Proposed Method
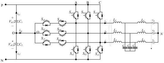
2.1. Fault Mechanism Analysis
2.2. Fault Feature Analysis
2.3. Fault Feature Extraction
- (1)
- Use Fourier transform (FT) to the x(t) and obtain the spectrum where is the frequency sample index (m < N);
- (2)
- Shift with (n < N);
- (3)
- Compute the FT of the Gaussian window:where is the parameter to tune the shape of the Gaussian window;
- (4)
- Multiply each with the corresponding and use Inverse FT to the result. Then, the discrete ST is obtained aswhere N is the number of signal points, T is the sample interval, and . The is the DC component of the current signal.
2.4. Random Forest for Fault Detection
- (1)
- Using bootstrap resampling on data set D to obtain a training set S = {(Fi, Li), i = 1,2,…,n}, where, Fi, Li are the feature set and label of the i-th sample, respectively. The F is a set of M-rated harmonic amplitudes;
- (2)
- Constructing classification and regression trees based on the S with features, randomly selecting from F. CART uses the Gini index (GI) to split the tree.where , and is the probability that s belongs to c, is the number of samples in the training set whose value is s, is the number of samples in the training set which belong to c, and C is the number of classes. The CART splits when the GI is minimized. Traditionally, the CART should be pruned manually, but the pruning process can be automatically carried out by the assembly learning of random forest.
- (3)
- Repeat (1) until the tree grows to the maximum and the random forest is obtained.
3. Simulations
3.1. Sa1 Open Circuit Fault Detection
3.2. Sa3 Open Circuit Fault Detection
4. Experiments
4.1. Sa2 Open Circuit Fault Detection
4.2. Sa4 Open Circuit Fault Detection
5. Conclusions
Author Contributions
Funding
Institutional Review Board Statement
Informed Consent Statement
Data Availability Statement
Conflicts of Interest
References
- Huang, Z.; Wang, Z.; Zhang, H. Multiple open-circuit fault diagnosis based on multistate data processing and subsection fluctuation analysis for photovoltaic inverter. IEEE Trans. Instrum. Meas. 2018, 67, 516–526. [Google Scholar] [CrossRef]
- Freire, N.; Estima, J.; Cardoso, A. Open-circuit fault diagnosis in PMSG drives for wind turbine applications. IEEE Trans. Ind. Electron. 2013, 60, 3957–3976. [Google Scholar] [CrossRef]
- Merritt, N.R.; Chakraborty, C.; Bajpai, P. New voltage control strategies for VSC-based DG units in an unbalanced microgrid. IEEE Trans. Sustain. Energy 2017, 8, 1127–1139. [Google Scholar] [CrossRef]
- Ignacio, L.; Ibarra, L.; Angel, P.; Glendy, C.; Ponce, P.; Molina, A.; Ricardo, R. The “Smart” concept from an electrical sustainability viewpoint. Energies 2023, 16, 3072. [Google Scholar]
- Zhou, D.; Li, Y.; Zhao, J.; Wu, F.; Luo, H. An embedded closed-Loop fault-tolerant control scheme for nonredundant VSI-Fed induction motor drives. IEEE Trans. Power Electron. 2017, 32, 3731–3740. [Google Scholar] [CrossRef]
- Abari, I.; Lahouar, A.; Hamouda, M.; Slama, J.; AI-Haddad, K. Fault detection methods for three-level NPC inverter based on DC-bus electromagnetic signatures. IEEE Trans. Ind. Electron. 2018, 65, 5224–5236. [Google Scholar] [CrossRef]
- Wang, B.; Li, Z.; Bai, Z.; Krein, P.T.; Ma, H. A voltage vector residual estimation method based on current path tracking for T-type inverter open-circuit fault diagnosis. IEEE Trans. Power Electron. 2021, 36, 13460–13477. [Google Scholar] [CrossRef]
- Cai, B.; Zhao, Y.; Liu, H.; Xie, M. A data-driven fault diagnosis methodology in three-phase inverters for PMSM drive systems. IEEE Trans. Power Electron. 2017, 32, 5590–5600. [Google Scholar] [CrossRef]
- Zhang, S.; Wang, R.; Si, Y.; Wang, L. An improved convolutional neural network for three-phase inverter fault diagnosis. IEEE Trans. Instrum. Meas. 2022, 71, 351095. [Google Scholar] [CrossRef]
- Dhumale, R.; Lokhande, S. Neural network fault diagnosis of voltage source inverter under variable load conditions at different frequencies. Measurement 2016, 91, 565–575. [Google Scholar] [CrossRef]
- Wang, T.; Xu, H.; Han, J.; Elbouchikhi, E.; Benbouzid, M. Cascaded H-bridge multilevel inverter system fault diagnosis using a PCA and multiclass relevance vector machine approach. IEEE Trans. Power Electron. 2015, 30, 7006–7018. [Google Scholar] [CrossRef]
- Jlassi, I.; Estima, J.O.; El Khil, S.K.; Bellaaj, N.M.; Cardoso, A.J.M. A robust observer-based method for IGBTs and current sensors fault diagnosis in voltage-source inverters of PMSM drives. IEEE Trans. Ind. Appl. 2017, 53, 2894–2905. [Google Scholar] [CrossRef]
- Freire, N.M.A.; Estima, J.O.; Cardoso, A.J.M. A new approach for current sensor fault diagnosis in PMSG drives for wind energy conversion systems. IEEE Trans. Ind. Appl. 2014, 50, 1206–1214. [Google Scholar] [CrossRef]
- Wang, Z.; Huang, Z.; Song, C.; Zhang, H. Multiscale adaptive fault diagnosis based on signal symmetry reconstitution preprocessing for microgrid inverter under changing load condition. IEEE Trans. Smart Grid 2018, 9, 797–806. [Google Scholar] [CrossRef]
- Anand, A.; Vinayak, A.; Nithin, R.; Jagadanand, G.; George, S. A generalized switch fault diagnosis for cascaded H-Bridge multilevel inverters using mean voltage prediction. IEEE Trans. Trans. Ind. Appl. 2020, 56, 1563–1574. [Google Scholar] [CrossRef]
- Huang, Z.; Wang, Z. A fault diagnosis algorithm for microgrid threephase inverter based on trend relationship of adjacent fold lines. IEEE Trans. Ind. Inf. 2020, 16, 267–276. [Google Scholar] [CrossRef]
- He, S.; Tian, W.; Zhu, R.; Zhang, Y.; Mao, S. Electrical signature analysis for open-circuit faults detection of inverter with various disturbances in distribution grid. IEEE Trans. Ind. Inf. 2022, 1–10, Early Access. [Google Scholar] [CrossRef]
- Zhang, W.; He, Y. A simple open-circuit fault diagnosis method for grid-tied T-type three-level inverters with various power factors based on instantaneous current distortion. IEEE J. Emerg. Sel. Top. Power Electron. 2023, 11, 1071–1085. [Google Scholar] [CrossRef]
- He, S.; Li, K.; Zhang, M. A real time power quality disturbances classification using hybrid method based on S-transform and Dynamics. IEEE Trans. Instru. Meas. 2013, 62, 2465–2475. [Google Scholar] [CrossRef]
- Choi, U.-M.; Lee, J.-S.; Blaabjerg, F.; Kyo-Beum, L. Open-circuit fault diagnosis and fault-tolerant control for a grid-connected NPC inverter. IEEE Trans. Power Electron. 2016, 31, 7234–7247. [Google Scholar] [CrossRef]
- Dhibi, K.; Fezai, R.; Mansouri, M.; Trabelsi, M.; Kouadri, A.; Bouzara, K.; Nounou, H.; Nounou, M. Reduced kernel random forest technique for fault detection and classification in grid-tied PV systems. IEEE J. Photovolt. 2020, 10, 1864–1871. [Google Scholar] [CrossRef]









| Feature Value | Phase A | Phase B | Phase C |
|---|---|---|---|
| DC component | −0.41 | 0.57 | −0.61 |
| 2nd harmonic | 0.32 | 0.144 | 0.32 |
| 3rd harmonic | 0.12 | 0.05 | 0.12 |
| Feature Value | Phase A | Phase B | Phase C |
|---|---|---|---|
| DC component | −0.55 | 0.63 | −0.55 |
| Second harmonic | 0.53 | 0.15 | 0.32 |
| Third harmonic | 0.13 | 0.07 | 0.04 |
| Feature Value | Phase A | Phase B | Phase C |
|---|---|---|---|
| DC component | 0.41 | −0.57 | 0.60 |
| Second harmonic | 0.31 | 0.144 | 0.32 |
| Third harmonic | 0.12 | 0.049 | 0.12 |
| Feature Value | Phase A | Phase B | Phase C |
|---|---|---|---|
| DC component | 0.55 | −0.63 | 0.54 |
| 2nd harmonic | 0.54 | 0.15 | 0.32 |
| 3rd harmonic | 0.13 | 0.07 | 0.05 |
Disclaimer/Publisher’s Note: The statements, opinions and data contained in all publications are solely those of the individual author(s) and contributor(s) and not of MDPI and/or the editor(s). MDPI and/or the editor(s) disclaim responsibility for any injury to people or property resulting from any ideas, methods, instructions or products referred to in the content. |
© 2023 by the authors. Licensee MDPI, Basel, Switzerland. This article is an open access article distributed under the terms and conditions of the Creative Commons Attribution (CC BY) license (https://creativecommons.org/licenses/by/4.0/).
Share and Cite
You, L.; Ling, Z.; Cui, Y.; Cai, W.; He, S. Open Circuit Fault Detection of T-Type Grid Connected Inverters Using Fast S Transform and Random Forest. Entropy 2023, 25, 778. https://doi.org/10.3390/e25050778
You L, Ling Z, Cui Y, Cai W, He S. Open Circuit Fault Detection of T-Type Grid Connected Inverters Using Fast S Transform and Random Forest. Entropy. 2023; 25(5):778. https://doi.org/10.3390/e25050778
Chicago/Turabian StyleYou, Li, Zaixun Ling, Yibo Cui, Wanli Cai, and Shunfan He. 2023. "Open Circuit Fault Detection of T-Type Grid Connected Inverters Using Fast S Transform and Random Forest" Entropy 25, no. 5: 778. https://doi.org/10.3390/e25050778
APA StyleYou, L., Ling, Z., Cui, Y., Cai, W., & He, S. (2023). Open Circuit Fault Detection of T-Type Grid Connected Inverters Using Fast S Transform and Random Forest. Entropy, 25(5), 778. https://doi.org/10.3390/e25050778
