Disturbance-Observer-Based U-Control (DOBUC) for Nonlinear Dynamic Systems
Abstract
:1. Introduction
2. Issues of Nonlinear System Control Using DOB
2.1. Frequency Domain DOBC
2.2. Nonlinear DOB
- (1)
- (2)
- (3)
- The lumped disturbances estimated requires the dynamics of disturbance observer be faster than that of the closed-loop dynamics, which may put pressure on industrial design.
- (4)
- The estimation results from NDOB cannot be used for compensation directly because the disturbances and control inputs are not in the same channels, where but .
3. Disturbance Observer Based U-Control
3.1. U-Model Based DOB (UDOB)
- (1)
- The computation of UDOB is cheaper (only the inversion of controlled plant is required), and there are less parameters to be designed and adjusted (only parameters in the filter Q).
- (2)
- The estimates of UDOB can be used to compensate the disturbances directly since the estimation disturbances are in the same channels with the control inputs, where and .
- (3)
- UDOB does not require the assumption that “the lumped disturbance changes slowly with time” in [20], because the inversion process happens almost instantaneously if the response of is fast enough and the computation tool is very powerful.
3.2. U-Control
- (1)
- (2)
- Obtained directly from advanced measuring and gauge equipment. For example, acquire the second derivative of the position signal by measuring the acceleration.
- (3)
- Reshape the polynomial-based model to a chained state space-based model, and the use the state observer to get the value of the desired signal indirectly.
- (4)
- By using high-order filters, such as, to obtain the required high-order differential signals directly from the system output indirectly.
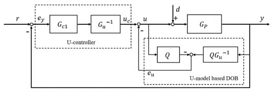
3.3. DOB Based U-Control (DOBUC)
- (1)
- Convert the controlled plant into its U-model based expression , then design its dynamic inverter through UM dynamic inversion algorithm. Accordingly, the model inverse should exist and satisfy the Lipschitz continuity with globally uniformly:
- (2)
- Based on the dynamic inverse in (1) to design a disturbance observer with a suitable low-pass filter . Parameter should be selected large enough to ensure be proper; is the filter time constant, which has an inverse relationship with the speed of closed loop response. It is noted that the smaller the value of , the higher accuracy in disturbance estimation.
- (3)
- Design invariant controller with user-desired damping ratio and undamped natural frequency . Where and .
4. Simulation Experiments
4.1. Control of Wind Energy Conversion System (WECS)
4.1.1. Modelling of WECS
4.1.2. DOBUC Design for WECS
4.1.3. Simulation Results
4.2. Control of Permanent Magnet Synchronous Motors (PMSM) System
4.2.1. Modelling of PMSM
4.2.2. DOBUC Design for PMSM
4.2.3. NDOBC Design for PMSM
4.2.4. Simulation Results
4.3. Discussion
5. Conclusions
Author Contributions
Funding
Data Availability Statement
Acknowledgments
Conflicts of Interest
References
- Chen, W.H.; Yang, J.; Guo, L.; Li, S. Disturbance-observer-based control and related methods—An overview. IEEE Trans. Ind. Electron. 2015, 63, 1083–1095. [Google Scholar] [CrossRef] [Green Version]
- Chen, W.H. Disturbance observer based control for nonlinear systems. IEEE/ASME Trans. Mechatron. 2004, 9, 706–710. [Google Scholar] [CrossRef] [Green Version]
- Umeno, T.; Kaneko, T.; Hori, Y. Robust servosystem design with two degrees of freedom and its application to novel motion control of robot manipulators. IEEE Trans. Ind. Electron. 1993, 40, 473–485. [Google Scholar] [CrossRef]
- Ohishi, K.; Nakao, M.; Ohnishi, K.; Miyachi, K. Microprocessor-controlled DC motor for load-insensitive position servo system. IEEE Trans. Ind. Electron. 1987, 1, 44–49. [Google Scholar] [CrossRef]
- Chen, W.H.; Ballance, D.J.; Gawthrop, P.J.; O’Reilly, J. A nonlinear disturbance observer for robotic manipulators. IEEE Trans. Ind. Electron. 2000, 47, 932–938. [Google Scholar] [CrossRef] [Green Version]
- Chen, W.H. Nonlinear disturbance observer-enhanced dynamic inversion control of missiles. J. Guid. Control. Dyn. 2003, 26, 161–166. [Google Scholar] [CrossRef]
- Chen, J.; Sun, R.; Zhu, B. Disturbance observer-based control for small nonlinear UAV systems with transient performance constraint. Aerosp. Sci. Technol. 2020, 105, 106028. [Google Scholar] [CrossRef]
- Müller, D.; Veil, C.; Sawodny, O. Disturbance observer based control for quasi continuum manipulators. IFAC-PapersOnLine 2020, 53, 9808–9813. [Google Scholar] [CrossRef]
- Ahmed, N.; Chen, M.; Shao, S. Disturbance observer based tracking control of quadrotor with high-order disturbances. IEEE Access 2020, 8, 8300–8313. [Google Scholar] [CrossRef]
- Su, J.; Chen, W.H.; Yang, J. On relationship between time-domain and frequency-domain disturbance observers and its applications. J. Dyn. Syst. Meas. Control. 2016, 138, 1013. [Google Scholar] [CrossRef] [Green Version]
- Zhu, Q.; Wang, Y.; Zhao, D.; Li, S.; Billings, S.A. Review of rational (total) nonlinear dynamic system modelling, identification, and control. Int. J. Syst. Sci. 2015, 46, 2122–2133. [Google Scholar] [CrossRef]
- Zhang, W.; Zhu, Q.; Mobayen, S.; Yan, H.; Qiu, J.; Narayan, P. U-Model and U-control methodology for nonlinear dynamic systems. Complexity 2020, 1–13. [Google Scholar] [CrossRef]
- Zhu, Q.M.; Guo, L.Z. A pole placement controller for non-linear dynamic plants. Proc. Inst. Mech. Eng. Part I J. Syst. Control. Eng. 2002, 216, 467–476. [Google Scholar] [CrossRef]
- Geng, X.; Zhu, Q.; Liu, T.; Na, J. U-model based predictive control for nonlinear processes with input delay. J. Process. Control. 2019, 75, 156–170. [Google Scholar] [CrossRef] [Green Version]
- Zhu, Q.; Zhang, W.; Zhang, J.; Sun, B. U-neural network-enhanced control of nonlinear dynamic systems. Neurocomputing 2019, 352, 12–21. [Google Scholar] [CrossRef]
- Hussain, N.A.A.; Ali, S.S.A.; Ovinis, M.; Arshad, M.R.; Al-Saggaf, U.M. Underactuated coupled nonlinear adaptive control synthesis using u-model for multivariable unmanned marine robotics. IEEE Access 2019, 8, 1851–1865. [Google Scholar] [CrossRef]
- Li, R.; Zhu, Q.; Narayan, P.; Yue, A.; Yao, Y.; Deng, M. U-Model-Based Two-Degree-of-Freedom Internal Model Control of Nonlinear Dynamic Systems. Entropy 2021, 23, 169. [Google Scholar] [CrossRef] [PubMed]
- Li, R.; Zhu, Q.; Kiely, J.; Zhang, W. Algorithms for U-Model-Based Dynamic Inversion (UM-Dynamic Inversion) for Continuous Time Control Systems. Complexity 2020, 1–14. [Google Scholar] [CrossRef]
- Zhao, Z.; He, X.; Ahn, C.K. Boundary disturbance observer-based control of a vibrating single-link flexible manipulator. IEEE Trans. Syst. Man Cybern. Syst. 2019, 51, 2382–2390. [Google Scholar] [CrossRef]
- Li, S.; Yang, J.; Chen, W.H.; Chen, X. Disturbance Observer-Based Control: Methods and Applications; CRC Press: Boca Raton, FL, USA, 2014; pp. 75–83. [Google Scholar]
- Zhu, Q.; Li, S.; Zhao, D. A universal U-model based control system design. In Proceedings of the 33rd Chinese Control Conference, Nanjing, China, 28–30 July 2014; pp. 1839–1844. [Google Scholar]
- Fthenakis, V.; Kim, H.C. Land use and electricity generation: A life-cycle analysis. Renew. Sustain. Energy Rev. 2009, 13, 1465–1474. [Google Scholar] [CrossRef] [Green Version]
- Song, D.; Zheng, S.; Yang, S.; Yang, J.; Dong, M.; Su, M.; Joo, Y.H. Annual energy production estimation for variable-speed wind turbine at high-altitude site. J. Mod. Power Syst. Clean Energy 2020, 9, 684–687. [Google Scholar] [CrossRef]
- Wang, H.; Nayar, C.; Su, J.; Ding, M. Control and interfacing of a grid-connected small-scale wind turbine generator. IEEE Trans. Energy Convers. 2011, 26, 428–434. [Google Scholar] [CrossRef]
- Meng, W.; Yang, Q.; Ying, Y.; Sun, Y.; Yang, Z.; Sun, Y. Adaptive power capture control of variable-speed wind energy conversion systems with guaranteed transient and steady-state performance. IEEE Trans. Energy Convers. 2013, 28, 716–725. [Google Scholar] [CrossRef]
- Ghaffarzadeh, H.; Mehrizi-Sani, A. Review of Control Techniques for Wind Energy Systems. Energies 2020, 13, 6666. [Google Scholar] [CrossRef]
- De Siqueira, L.M.S.; Peng, W. Control strategy to smooth wind power output using battery energy storage system: A review. J. Energy Storage 2021, 35, 102252. [Google Scholar] [CrossRef]
- Milev, K.; Yaramasu, V.; Dekka, A.; Kouro, S. Modulated predictive current control of PMSG-based wind energy systems. In Proceedings of the 2020 11th Power Electronics, Drive Systems, and Technologies Conference (PEDSTC), Tehran, Iran, 4–6 February 2020; pp. 1–6. [Google Scholar]
- Krishnan, R. Permanent Magnet Synchronous and Brushless DC Motor Drives; CRC Press: Boca Raton, FL, USA, 2017. [Google Scholar]
- Yang, J.; Chen, W.; Li, S. Non-linear disturbance observer-based robust control for systems with mismatched disturbances/uncertainties. IET Control. Theory Appl. 2011, 18, 2053–2062. [Google Scholar] [CrossRef] [Green Version]














| Rated power | 1.5 MW |
| Rotor radius | R = 38.5 m |
| Rotor inertia | Jr = 4,456,761 kg·m2 |
| Generator inertia | Jg = 123 kg·m2 |
| Rotor friction coefficient | Kr = 45.52 N·m/rad/s |
| Generator friction coefficient | Kg = 0.4 N·m/rad/s |
| Gearbox ratio | ng = 104.494 |
| Air density |
Publisher’s Note: MDPI stays neutral with regard to jurisdictional claims in published maps and institutional affiliations. |
© 2021 by the authors. Licensee MDPI, Basel, Switzerland. This article is an open access article distributed under the terms and conditions of the Creative Commons Attribution (CC BY) license (https://creativecommons.org/licenses/by/4.0/).
Share and Cite
Li, R.; Zhu, Q.; Yang, J.; Narayan, P.; Yue, X. Disturbance-Observer-Based U-Control (DOBUC) for Nonlinear Dynamic Systems. Entropy 2021, 23, 1625. https://doi.org/10.3390/e23121625
Li R, Zhu Q, Yang J, Narayan P, Yue X. Disturbance-Observer-Based U-Control (DOBUC) for Nonlinear Dynamic Systems. Entropy. 2021; 23(12):1625. https://doi.org/10.3390/e23121625
Chicago/Turabian StyleLi, Ruobing, Quanmin Zhu, Jun Yang, Pritesh Narayan, and Xicai Yue. 2021. "Disturbance-Observer-Based U-Control (DOBUC) for Nonlinear Dynamic Systems" Entropy 23, no. 12: 1625. https://doi.org/10.3390/e23121625
APA StyleLi, R., Zhu, Q., Yang, J., Narayan, P., & Yue, X. (2021). Disturbance-Observer-Based U-Control (DOBUC) for Nonlinear Dynamic Systems. Entropy, 23(12), 1625. https://doi.org/10.3390/e23121625

