Sign in to use this feature.

Years

Between: -

Subjects

remove_circle_outline
remove_circle_outline
remove_circle_outline
remove_circle_outline
remove_circle_outline
remove_circle_outline

Journals

Article Types

Countries / Regions

Search Results (6)

Search Parameters:
Keywords = sour water stripping

Order results
Result details
Results per page
Select all
Export citation of selected articles as:
24 pages, 4484 KB  
Article
Synergizing Phenomenological and AI-Based Models with Industrial Data to Develop Soft Sensors for a Sour Water Treatment Unit
by Danielle Gradin Queiroz, Francisco Davi Belo Rodrigues, Júlia do Nascimento Pereira Nogueira, Príamo Albuquerque Melo and Maurício B. de Souza
Processes 2024, 12(9), 1900; https://doi.org/10.3390/pr12091900 - 5 Sep 2024
Cited by 1 | Viewed by 1684
Abstract
Sour waters are one of the main aqueous byproducts generated during petroleum refining and require processing in sour water treatment units (SWTUs) to remove contaminants such as H2S and NH3 in compliance with environmental legislations. Therefore, monitoring the composition of [...] Read more.
Sour waters are one of the main aqueous byproducts generated during petroleum refining and require processing in sour water treatment units (SWTUs) to remove contaminants such as H2S and NH3 in compliance with environmental legislations. Therefore, monitoring the composition of SWTU effluxents, including acid gas, ammoniacal gas, and treated water, is essential. This study aims to present an AI (artificial intelligence) hybrid-based methodology to develop soft sensors capable of real-time prediction of H2S and NH3 mass fractions in the effluents of SWTUs and validate them using real data from industrial units. Initially, a new database based on the dynamic simulation of a two-stripping-column SWTU phenomenological model, developed in Aspen Plus Dynamics® V10, was generated, aiming at non-faulty runs, unlike our previous work. Ensemble methods (decision trees), such as gradient boosting and random forest, and support vector machines were compared for soft sensor creation using these simulated data. The best outcome was the development of six soft sensors based on random forest with R2 greater than 0.87, MAE less than 0.12, MSE less than 0.17, and RMSE less than 0.41. Variable importance analysis revealed that the temperature of the second stage of Column 1 significantly influences the thermodynamic equilibrium of H2S and NH3 separation from sour waters, being critical for five of the six soft sensors. After this initial stage using data from the phenomenological model, data from an industrial-scale SWTU were used to develop real soft sensors. The results proved the effectiveness of the conjugated use of a physical model and industrial data approach in the development of soft sensors for two-column SWTUs. Full article
(This article belongs to the Special Issue Recent Developments in Automatic Control and Systems Engineering)
Show Figures

Figure 1

16 pages, 1314 KB  
Article
Evaluation of Spinning Cone Column Distillation as a Strategy for Remediation of Smoke Taint in Juice and Wine
by Carolyn Puglisi, Renata Ristic, Jamie Saint and Kerry Wilkinson
Molecules 2022, 27(22), 8096; https://doi.org/10.3390/molecules27228096 - 21 Nov 2022
Cited by 21 | Viewed by 9137
Abstract
Where vineyard exposure to bushfire smoke cannot be avoided or prevented, grape and wine producers need strategies to transform smoke-affected juice and wine into saleable product. This study evaluated the potential for spinning cone column (SCC) distillation to be used for the remediation [...] Read more.
Where vineyard exposure to bushfire smoke cannot be avoided or prevented, grape and wine producers need strategies to transform smoke-affected juice and wine into saleable product. This study evaluated the potential for spinning cone column (SCC) distillation to be used for the remediation of ‘smoke taint’. Compositional analysis of ‘stripped wine’ and condensate collected during SCC treatment of two smoke-tainted red wines indicated limited, if any, removal of volatile phenols, while their non-volatile glycoconjugates were concentrated due to water and ethanol removal. Together with the removal of desirable volatile aroma compounds, this enhanced the perception of smoke-related sensory attributes; i.e., smoke taint intensified. Stripped wines also became increasingly sour and salty as ethanol (and water) were progressively removed. A preliminary juice remediation trial yielded more promising results. While clarification, heating, evaporation, deionization and fermentation processes applied to smoke-tainted white juice gave ≤3 µg/L changes in volatile phenol concentrations, SCC distillation of smoke-tainted red juice increased the volatile phenol content of condensate (in some cases by 3- to 4-fold). Deionization of the resulting condensate removed 75 µg/L of volatile phenols, but fermentation of reconstituted juice increased volatile phenol concentrations again, presumably due to yeast metabolism of glycoconjugate precursors. Research findings suggest SCC distillation alone cannot remediate smoke taint, but used in combination with adsorbents, SCC may offer a novel remediation strategy, especially for tainted juice. Full article
(This article belongs to the Special Issue Smoke Taint in Grapes and Wine)
Show Figures

Figure 1

17 pages, 2498 KB  
Article
Optimization of Sour Water Stripping Unit Using Artificial Neural Network–Particle Swarm Optimization Algorithm
by Ye Zhang, Zheng Fan, Genhui Jing and Mohammed Maged Ahemd Saif
Processes 2022, 10(8), 1431; https://doi.org/10.3390/pr10081431 - 22 Jul 2022
Cited by 2 | Viewed by 4077
Abstract
Sour water stripping can treat the sour water produced by crude oil processing, which has the effect of environmental protection, energy saving and emission reduction. This paper aims to reduce energy consumption of the unit by strengthening process parameter optimization. Firstly, the basic [...] Read more.
Sour water stripping can treat the sour water produced by crude oil processing, which has the effect of environmental protection, energy saving and emission reduction. This paper aims to reduce energy consumption of the unit by strengthening process parameter optimization. Firstly, the basic model is established by utilizing Aspen Plus, and the optimal model is determined by comparative analysis of back propagation neural network (BPNN), radial basis function neural network (RBFNN) and generalized regression neural network (GRNN) models. Then, the sensitivity analysis of Sobol is used to select the operating variables that have a significant influence on the energy consumption of the sour water stripping system. Finally, the particle swarm optimization (PSO) algorithm is used to optimize the operating conditions of the sour water stripping unit. The results show that the RBFNN model is more accurate than other models. Its network structure is 5-66-1, and the expected value has an approximately linear relationship with the output value. Through sensitivity analysis, it is found that each operating parameter has an impact on the sour water stripping process, which needs to be optimized by the PSO algorithm. After 210 iterations of the PSO algorithm, the optimal system energy consumption is obtained. In addition, the cold/hot feed ratio, sideline production position, tower bottom pressure, hot feed temperature, and cold feed temperature are 0.117, 18, 436 kPa, 146 °C, and 35 °C, respectively; the system energy consumption is 5.918 MW. Compared with value of 7.128 MW before optimization, the energy consumption of the system is greatly reduced by 16.97%, which shows that the energy-saving effect is very significant. Full article
(This article belongs to the Special Issue Chemical Engineering and Technology)
Show Figures

Figure 1

13 pages, 645 KB  
Article
TAS1R3 and TAS2R38 Polymorphisms Affect Sweet Taste Perception: An Observational Study on Healthy and Obese Subjects
by Monia Cecati, Arianna Vignini, Francesca Borroni, Sofia Pugnaloni, Sonila Alia, Jacopo Sabbatinelli, Giulia Nicolai, Marina Taus, Andrea Santarelli, Mara Fabri, Laura Mazzanti and Monica Emanuelli
Nutrients 2022, 14(9), 1711; https://doi.org/10.3390/nu14091711 - 20 Apr 2022
Cited by 16 | Viewed by 5937
Abstract
Background: The inter-individual differences in taste perception find a possible rationale in genetic variations. We verified whether the presence of four different single nucleotide polymorphisms (SNPs) in genes encoding for bitter (TAS2R38; 145G > C; 785T > C) and sweet ( [...] Read more.
Background: The inter-individual differences in taste perception find a possible rationale in genetic variations. We verified whether the presence of four different single nucleotide polymorphisms (SNPs) in genes encoding for bitter (TAS2R38; 145G > C; 785T > C) and sweet (TAS1R3; −1572C > T; −1266C > T) taste receptors influenced the recognition of the basic tastes. Furthermore, we tested if the allelic distribution of such SNPs varied according to BMI and whether the associations between SNPs and taste recognition were influenced by the presence of overweight/obesity. Methods: DNA of 85 overweight/obese patients and 57 normal weight volunteers was used to investigate the SNPs. For the taste test, filter paper strips were applied. Each of the basic tastes (sweet, sour, salty, bitter) plus pure rapeseed oil, and water were tested. Results: Individuals carrying the AV/AV diplotype of the TAS2R38 gene (A49P G/G and V262 T/T) were less sensitive to sweet taste recognition. These alterations remained significant after adjustment for gender and BMI. Moreover, a significant decrease in overall taste recognition associated with BMI and age was found. There was no significant difference in allelic distribution for the investigated polymorphisms between normal and overweight/obese patients. Conclusions: Our findings suggest that overall taste recognition depends on age and BMI. In the total population, the inter-individual ability to identify the sweet taste at different concentrations was related to the presence of at least one genetic variant for the bitter receptor gene but not to the BMI. Full article
(This article belongs to the Special Issue Implications of Taste and Olfaction in Nutrition and Health)
Show Figures

Figure 1

18 pages, 4125 KB  
Article
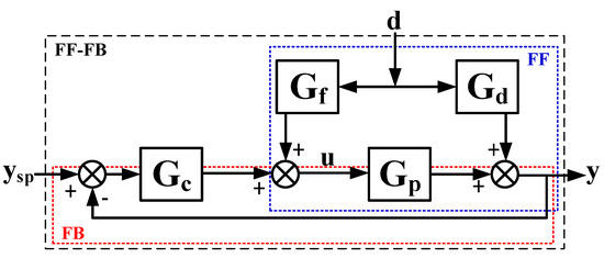
Evaluation of Process Control Schemes for Sour Water Strippers in Petroleum Refining
by Chii-Dong Ho, Yih-Hang Chen, Chao-Min Chang and Hsuan Chang
Processes 2021, 9(2), 363; https://doi.org/10.3390/pr9020363 - 16 Feb 2021
Cited by 6 | Viewed by 7325
Abstract
For the sour water strippers in petroleum refinery plants, three prediction models were developed first, including the estimators of sour water feed concentrations using convenient online measurements, the minimum reboiler duty and the corresponding internal temperature at a specific location (Tstage,29). [...] Read more.
For the sour water strippers in petroleum refinery plants, three prediction models were developed first, including the estimators of sour water feed concentrations using convenient online measurements, the minimum reboiler duty and the corresponding internal temperature at a specific location (Tstage,29). Feedforward control schemes were developed based on these prediction models. Four categories of control schemes, including feedforward, feedback, feedback with external reset, and feedforward-feedback, were proposed and evaluated by the rigorous dynamic simulation model of the sour water stripper for their dynamic responses to the sour water feed stream disturbances. The comparison of control performance, in terms of the settling time, integrated absolute error (IAE) of the NH3 concentration of the stripped sour water and IAE of the specific reboiler duty, reveals that FFT (feedforward control of Tstage,29) and FBA-DT3 (feedback control with 3 min concentration measurement delay) are the best control schemes. The second-best control scheme is FBAT (cascade feedback control of concentration with temperature). Full article
(This article belongs to the Section Energy Systems)
Show Figures

Figure 1

21 pages, 1530 KB  
Article
Investigating the Relationships between Basic Tastes Sensitivities, Fattiness Sensitivity, and Food Liking in 11-Year-Old Children
by Ervina Ervina, Ingunn Berget and Valérie L. Almli
Foods 2020, 9(9), 1315; https://doi.org/10.3390/foods9091315 - 18 Sep 2020
Cited by 41 | Viewed by 8367
Abstract
This study investigates the relationships between basic tastes and fattiness sensitivity and food liking in 11-year-old children. The basic taste sensitivity of 106 children was measured using different methods, namely detection (DT) and recognition (RT) thresholds, and taste responsiveness. Caffeine and quinine (bitter), [...] Read more.
This study investigates the relationships between basic tastes and fattiness sensitivity and food liking in 11-year-old children. The basic taste sensitivity of 106 children was measured using different methods, namely detection (DT) and recognition (RT) thresholds, and taste responsiveness. Caffeine and quinine (bitter), sucrose (sweet), citric acid (sour), sodium chloride (salty), and monosodium glutamate (umami) were investigated for DT and RT at five concentrations in water solutions. In addition, taste responsiveness and liking were collected for the high-intensity concentrations. PROP (6-n-propylthiouracil) responsiveness was tested on paper strips. Fattiness sensitivity was measured by a paired comparison method using milk samples with varying fat content. Liking for 30 food items was recorded using a food-list questionnaire. The test was completed in a gamified “taste detective” approach. The results show that DT correlates with RT for all tastes while responsiveness to PROP correlates with overall taste responsiveness. Caffeine and quinine differ in bitterness responsiveness and liking. Girls have significantly lower DTs than boys for bitterness and sweetness. Food liking is driven by taste and fattiness properties, while fatty food liking is significantly influenced by fattiness sensitivity. These results contribute to a better holistic understanding of taste and fattiness sensitivity in connection to food liking in preadolescents. Full article
Show Figures

Figure 1

Back to TopTop