Sign in to use this feature.

Years

Between: -

Subjects

remove_circle_outline
remove_circle_outline
remove_circle_outline
remove_circle_outline
remove_circle_outline

Journals

Article Types

Countries / Regions

Search Results (5)

Search Parameters:
Keywords = segmented magnetic linear actuator

Order results
Result details
Results per page
Select all
Export citation of selected articles as:
23 pages, 5433 KB  
Article
Hybrid Analytical Modeling of Force Dense Segmented Magnetic Linear Actuator with Non-Dimensional Parametric Modeling of the Magnetic Flux Effects
by Sagar Gaur, Yingjie Tang, Matthew A. Franchek, Karolos Grigoriadis and Jay Pickett
Machines 2023, 11(2), 278; https://doi.org/10.3390/machines11020278 - 13 Feb 2023
Viewed by 2035
Abstract
A new advanced two-dimensional hybrid analytical model of a segmented magnet linear actuator (MLA) comprised of surface permanent magnets (PM) is developed in this paper. This model is used to predict and evaluate the performance of the segmented MLA with proper correction on [...] Read more.
A new advanced two-dimensional hybrid analytical model of a segmented magnet linear actuator (MLA) comprised of surface permanent magnets (PM) is developed in this paper. This model is used to predict and evaluate the performance of the segmented MLA with proper correction on magnetic Flux Effects, validated by computational modeling. An MLA design with non-uniform PM segmentation was applied in this research to improve its performance compared with conventional radially magnetized MLA and uniform segmented Halbach Array based MLA. For MLA thrust force prediction, the previous published analytical model does not consider losses due to two observed magnetic Flux Effects: (1) the magnetic edge effect—the diminishing nature of the magnetic flux at the edge of the MLA, and (2) the observed magnetic interaction effect—the inconsistent peaks of individual magnetic flux lines, lower than the overall peak flux. In the proposed hybrid model for the segmented MLA, the shaft magnetic field distribution is based on a scalar potential theory subdomain method and the ring magnetic field is based on equivalent surface distributed currents. Collectively, these models are combined with three-dimensional finite element analysis (FEA), to estimate the magnetic thrust force. A data driven pole correction factor is introduced, based on the FEA computational database of three-dimensional MLA, to capture the losses associated with the magnetic flux, which is not considered in the analytical subdomain method. Finally, a normalized pole correction is proposed to generalize the model to different magnetic grades, different dimensional constraints, and varying magnet ratios of the segmented magnets. The developed model provides the design basis for manufacturing optimized force dense segmented MLAs for rotary to linear actuation, based on the force required for the application without the need for running FEA analysis after each design iteration, reducing costs and time required for the optimal design. Full article
Show Figures

Figure 1

16 pages, 9108 KB  
Article
Two-Phase Linear Hybrid Reluctance Actuator with Low Detent Force
by Jordi Garcia-Amorós, Marc Marín-Genescà, Pere Andrada and Eusebi Martínez-Piera
Energies 2020, 13(19), 5162; https://doi.org/10.3390/en13195162 - 3 Oct 2020
Cited by 2 | Viewed by 2760
Abstract
In this paper, a novel two-phase linear hybrid reluctance actuator with the double-sided segmented stator, made of laminated U cores, and an interior mover with permanent magnets is proposed. The permanent magnets are disposed of in a way that increases the thrust force [...] Read more.
In this paper, a novel two-phase linear hybrid reluctance actuator with the double-sided segmented stator, made of laminated U cores, and an interior mover with permanent magnets is proposed. The permanent magnets are disposed of in a way that increases the thrust force of a double-sided linear switched reluctance actuator of the same size. To achieve this objective, each phase of the actuator is powered by a single H-bridge inverter. To reduce the detent force, the upper and the lower stator were shifted. Finite element analysis was used to demonstrate that the proposed actuator has a high force density with low detent force. In addition, a comparative study between the proposed linear hybrid reluctance actuator, linear switched reluctance, and linear permanent magnet actuators of the same size was performed. Finally, experimental tests carried out in a prototype confirmed the goals of the proposed actuator. Full article
(This article belongs to the Special Issue Magnetic Material Modelling of Electrical Machines)
Show Figures

Graphical abstract

16 pages, 6304 KB  
Article
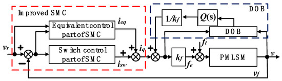
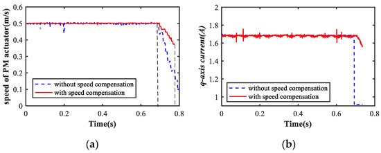
Speed Control of Segmented PMLSM Based on Improved SMC and Speed Compensation Model
by Tong Wen, Biao Xiang, Zhongyi Wang and Silei Zhang
Energies 2020, 13(4), 981; https://doi.org/10.3390/en13040981 - 22 Feb 2020
Cited by 12 | Viewed by 3011
Abstract
A segmented control model including an improved sliding model control (SMC) and a speed compensation model is applied into the speed control of a segmented permanent magnet linear synchronous motor (PMLSM) to improve the speed precision during the drive process and reduce the [...] Read more.
A segmented control model including an improved sliding model control (SMC) and a speed compensation model is applied into the speed control of a segmented permanent magnet linear synchronous motor (PMLSM) to improve the speed precision during the drive process and reduce the speed loss during the switch process. During the drive process of segmented PMLSM, an improved SMC with a disturbance observer (DOB) is used to suppress the speed fluctuation, and a DOB is added to suppress the oscillation caused by the switch part of SMC. During the switch process of a segmented PMLSM, a speed compensation model based on the position feedback of permanent magnet (PM) actuator is designed to reduce the speed loss of a segmented PMLSM, so the speed of PM actuator could be kept at the reference speed when the PM actuator absolutely quits the stator windings. Finally, the simulation and experiment are conducted to verify the control performances of proposed control model, the results indicate that the speed fluctuation of PM actuator and the speed loss during the switch process are mitigated. Therefore, this proposed control model could satisfy requirements of high-stability and celerity of segmented PMLSM in a long-distance automatic transportation system. Full article
Show Figures

Figure 1

13 pages, 3456 KB  
Article
Design of a Solenoid Actuator with a Magnetic Plunger for Miniaturized Segment Robots
by Chang-Woo Song and Seung-Yop Lee
Appl. Sci. 2015, 5(3), 595-607; https://doi.org/10.3390/app5030595 - 18 Sep 2015
Cited by 40 | Viewed by 20516
Abstract
We develop a solenoid actuator with a ferromagnetic plunger to generate both rectilinear and turning motions of a multi-segmented robot. Each segment of the miniaturized robot is actuated by a pair of solenoids, and in-phase and out-of-phase actuations of the solenoid pair cause [...] Read more.
We develop a solenoid actuator with a ferromagnetic plunger to generate both rectilinear and turning motions of a multi-segmented robot. Each segment of the miniaturized robot is actuated by a pair of solenoids, and in-phase and out-of-phase actuations of the solenoid pair cause the linear and turning motions. The theoretical analysis on the actuation force by the solenoid with the magnetic plunger is implemented based on the Biot-Savart law. The optimal design parameters of the solenoid are determined to actuate a segmented body. We manufacture the miniaturized robot consisting of two segments and a pair of solenoids. Experiments are performed to measure the linear and angular displacements of the two-segmented robot for various frictional conditions. Full article
Show Figures

Figure 1

18 pages, 1100 KB  
Article
Influence of Segmentation of Ring-Shaped NdFeB Magnets with Parallel Magnetization on Cylindrical Actuators
by Paulo Roberto Eckert, Evandro Claiton Goltz and Aly Ferreira Flores Filho
Sensors 2014, 14(7), 13070-13087; https://doi.org/10.3390/s140713070 - 21 Jul 2014
Cited by 5 | Viewed by 7637
Abstract
This work analyses the effects of segmentation followed by parallel magnetization of ring-shaped NdFeB permanent magnets used in slotless cylindrical linear actuators. The main purpose of the work is to evaluate the effects of that segmentation on the performance of the actuator and [...] Read more.
This work analyses the effects of segmentation followed by parallel magnetization of ring-shaped NdFeB permanent magnets used in slotless cylindrical linear actuators. The main purpose of the work is to evaluate the effects of that segmentation on the performance of the actuator and to present a general overview of the influence of parallel magnetization by varying the number of segments and comparing the results with ideal radially magnetized rings. The analysis is first performed by modelling mathematically the radial and circumferential components of magnetization for both radial and parallel magnetizations, followed by an analysis carried out by means of the 3D finite element method. Results obtained from the models are validated by measuring radial and tangential components of magnetic flux distribution in the air gap on a prototype which employs magnet rings with eight segments each with parallel magnetization. The axial force produced by the actuator was also measured and compared with the results obtained from numerical models. Although this analysis focused on a specific topology of cylindrical actuator, the observed effects on the topology could be extended to others in which surface-mounted permanent magnets are employed, including rotating electrical machines. Full article
Show Figures

Back to TopTop