Sign in to use this feature.

Years

Between: -

Subjects

remove_circle_outline
remove_circle_outline
remove_circle_outline
remove_circle_outline

Journals

Article Types

Countries / Regions

Search Results (8)

Search Parameters:
Keywords = frequency-doubling phase shifter

Order results
Result details
Results per page
Select all
Export citation of selected articles as:
17 pages, 4689 KB  
Article
A Novel Compact Beamforming Network Based on Quasi-Twisted Branch Line Coupler for 5G Applications
by Fayyadh H. Ahmed and Salam K. Khamas
Electronics 2025, 14(17), 3565; https://doi.org/10.3390/electronics14173565 - 8 Sep 2025
Cited by 1 | Viewed by 949
Abstract
This paper presents a novel compact 4 × 4 Butler matrix (BM) employing a quasi-twisted branch line coupler (QBLC) as the unit cell to achieve enhanced bandwidth performance. The proposed BM integrates four QBLCs, a uniquely designed 0 dB crossover, and a 45° [...] Read more.
This paper presents a novel compact 4 × 4 Butler matrix (BM) employing a quasi-twisted branch line coupler (QBLC) as the unit cell to achieve enhanced bandwidth performance. The proposed BM integrates four QBLCs, a uniquely designed 0 dB crossover, and a 45° phase shifter, all fabricated on a double-layer Rogers RO4003C substrate with a thickness of 0.8 mm, dielectric constant (εr) of 3.3, and a loss tangent of 0.0027. A common ground plane is used to separate the layers. Both simulation and experimental results indicate a reflection coefficient of approximately −6.5 dB at the resonant frequency of 6.5 GHz and isolation levels better than −20 dB at all ports. The system achieves output phase differences of ±13°, ±41°, ±61°, ±89°, and ±120° (±10°) at the designated frequencies. The BM occupies a compact area of 13.8 mm × 38.8 mm, achieving a 92.5% size reduction compared to conventional T-shaped BM structures. The design was modeled and simulated using CST Microwave Studio, with a strong correlation observed between simulated and measured results, validating the design’s reliability and effectiveness. Furthermore, the BM’s beamforming performance is evaluated by integrating it with a 1 × 4 microstrip antenna array. The measured return loss at all ports is below −10 dB at 6.5 GHz, and the system successfully achieves switched beam steering toward four distinct angles: −5°, +6°, +26°, −24°, +43, and −43 with antenna gains ranging from 7 to 10 dBi. Full article
Show Figures

Figure 1

16 pages, 3537 KB  
Article
A 5–18 GHz Four-Channel Multifunction Chip Using 3D Heterogeneous Integration of GaAs pHEMT and Si-CMOS
by Bai Du, Zhiyu Wang and Faxin Yu
Electronics 2025, 14(12), 2342; https://doi.org/10.3390/electronics14122342 - 7 Jun 2025
Viewed by 1248
Abstract
Compact, broadband, multi-channel RF chips with low loss and high integration are required for high-performance phased-array systems. Presented in this paper is a four-channel, multifunction RF chip operating in the 5–18 GHz frequency range that integrates broadband phase shifting, amplitude control, power amplification, [...] Read more.
Compact, broadband, multi-channel RF chips with low loss and high integration are required for high-performance phased-array systems. Presented in this paper is a four-channel, multifunction RF chip operating in the 5–18 GHz frequency range that integrates broadband phase shifting, amplitude control, power amplification, and switching functions. The chip is designed to have flip-chip bonding and stacked gold bumps to enable the compact 3D integration of the GaAs pHEMT and Si-CMOS. To ensure high-density interconnects with minimal parasitic effects, a fan-in redistribution process is implemented. The RF front-end part of this chip, fabricated through a 0.15 µm GaAs pHEMT process, integrates 6-bit digital phase shifters, 6-bit digital attenuators, low-noise amplifiers (LNAs), power amplifiers (PAs), and single-pole double-throw (SPDT) switches. To enhance multi-channel isolation and reduce crosstalk between RF chips and digital circuits, high isolation techniques, including a ground-coupled shield layer in the fan-in process and on-chip shield cavities, are utilized, which achieve isolation levels greater than 41 dB between adjacent RF channels. The measurement results demonstrate a reception gain of 0 dB with ±0.6 dB flatness, an NF below 11 dB, and transmit gain of more than 10 dB, with a VSWR of below 1.6 over the entire 5–18 GHz frequency band. The 6-bit phase shifter achieves a root mean square (RMS) phase error below 2.5° with an amplitude variation of less than 0.8 dB, while the 6-bit attenuator exhibits an RMS attenuation error of below 0.5 dB and a phase variation of less than 7°. The RF and digital chips are heterogeneously integrated using flip-chip and fan-in technology, resulting in a compact chip size of 6.2 × 6.2 × 0.33 mm3. These results validate that this is a compact, high-performance solution for advanced phased-array radar applications. Full article
Show Figures

Figure 1

18 pages, 12529 KB  
Article
A Novel Shunt Zigzag Double-Tap Low-Harmonic Multi-Pulse Rectifier Based on a Three-Stage Power Electronic Phase-Shifting Transformer
by Xiuqing Mu, Xiaoqiang Chen, Qianxiao Liu, Ying Wang, Tun Bai, Leijiao Ge and Xiping Ma
Sensors 2024, 24(17), 5564; https://doi.org/10.3390/s24175564 - 28 Aug 2024
Viewed by 1414
Abstract
To solve the problem of the large size of traditional industrial frequency phase-shift transformers and the harmonic distortion of multi-pulse wave rectifier systems, this paper proposes a three-stage shunt zigzag power electronic phase-shift transformer based on a double-tap multi-pulse wave rectifier, which combines [...] Read more.
To solve the problem of the large size of traditional industrial frequency phase-shift transformers and the harmonic distortion of multi-pulse wave rectifier systems, this paper proposes a three-stage shunt zigzag power electronic phase-shift transformer based on a double-tap multi-pulse wave rectifier, which combines the power factor correction (PFC) converter with the voltage-type SPWM inverter circuit to form a power electronic converter to realize the frequency boost and power factor correction. Through AC–DC–AC conversion, the frequency of the three-phase AC input voltage is increased, the number of core and coil turns in the transformer is reduced to reduce the size of the phase-shifter transformer, a zigzag structure of the phase-shifter transformer is used to solve the unbalanced distribution of current between the diode bridges, and a passive harmonic suppression method on the DC side is used to generate a loop current by using a group of single-phase rectifier bridges to regulate the input line current of the phase-shifter transformer. The phase-shifted voltage is input into two three-phase diode rectifier bridges to rectify and supply power to the load. Simulation and semi-physical test results show that the proposed method reduces the total harmonic distortion (THD) value of the input current of the phase-shifted transformer to 7.17%, and the THD value of the grid-side input current is further reduced to 2.49%, which meets the harmonic standard and realizes the purpose of power factor correction as well as being more suitable for high-power applications. Full article
(This article belongs to the Section Industrial Sensors)
Show Figures

Figure 1

9 pages, 3374 KB  
Communication
A Microwave Photonic Frequency-Doubling Phase Shifter Based on Dual-Parallel Mach–Zehnder Modulators
by Jun Su and Wenkai Chen
Photonics 2024, 11(2), 116; https://doi.org/10.3390/photonics11020116 - 26 Jan 2024
Viewed by 2421
Abstract
A microwave photonic frequency-doubling phase shifter with a broad bandwidth and large tuning range is proposed in this paper. Frequency doubling and phase shifting are realized by processing the input microwave signal in the optical domain at a dual-drive dual-parallel Mach–Zehnder modulator (DD-DPMZM) [...] Read more.
A microwave photonic frequency-doubling phase shifter with a broad bandwidth and large tuning range is proposed in this paper. Frequency doubling and phase shifting are realized by processing the input microwave signal in the optical domain at a dual-drive dual-parallel Mach–Zehnder modulator (DD-DPMZM) and a dual-parallel Mach–Zehnder modulator (DPMZM). The input signal is split into two branches through a 90-degree hybrid splitter. One signal is sent to the DD-DPMZM to achieve a phase-shifted carrier-suppressed up-sideband by tuning the bias voltage, and the other is sent to the DPMZM to realize a carrier-suppressed down-sideband. By beating the phase-shifted up-sideband and the down-sideband at a photodetector (PD), the input signal is frequency doubled and phase shifted. The proposed frequency-doubling phase shifter is simulated. The results show that the frequency-doubled signal has a phase-tuning range from 0 to 360 degrees. In addition, the influence of the amplitude and phase unbalance of the 90-degree hybrid splitter on the magnitude variation and phase deviation of the frequency-doubling phase shifter is studied. Full article
(This article belongs to the Special Issue The Development and Future Prospect of Microwave Photonics)
Show Figures

Figure 1

11 pages, 3288 KB  
Article
Photonic Integrated Frequency Shifter Based on Double Side Band Modulation: Performance Analysis
by Andrés Betancur-Pérez, Cristina de Dios and Pablo Acedo
Photonics 2022, 9(11), 793; https://doi.org/10.3390/photonics9110793 - 25 Oct 2022
Viewed by 3967
Abstract
In this research, we present an analysis of a photonic integrated frequency shifter as a stage for a THz dual comb generator. We studied the performance of the PIC by simulating it with standard building blocks, and aimed toward an improvement of the [...] Read more.
In this research, we present an analysis of a photonic integrated frequency shifter as a stage for a THz dual comb generator. We studied the performance of the PIC by simulating it with standard building blocks, and aimed toward an improvement of the output signal quality. We revised two approaches of the PIC by simulating two modes of generating a double side band modulation suppressed carrier (DSB-SC) with a Mach Zehnder modulator structure (MZM). One approach was using a single Electro-Optic Phase Modulator (EOPM) on an MZM structure (SE-MZM), and the other one was using Double EOPM (DE-MZM). We found a cleaner spectrum with the DE-MZM, since this structure is usually applied to reduce the chirp effect in optical communication systems. We obtained 23 dB of side mode suppression ratio SMSR with one filter, and 44 dB of SMSR with a two-stage filter. In the case of DE-MZM, we obtained a clean tone on intermediate frequency (IF) free of spurious sidebands and comb in IF frequency with 10 dB more power compared to SE-MZM. Full article
(This article belongs to the Special Issue Recent Advances in THz and Microwave Photonics)
Show Figures

Figure 1

18 pages, 12746 KB  
Article
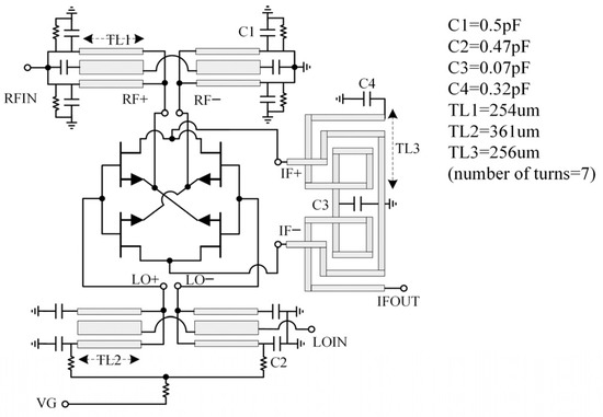
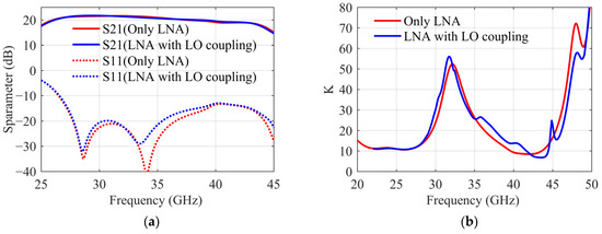
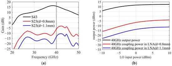
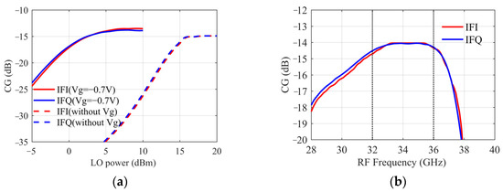
Coupling Effects Analysis and Suppression in a Highly Integrated Ka-Band Receiver Front-End MMIC for a Passive Millimeter-Wave Imager System
by Xi Chen, Anyong Hu, Jianhao Gong, Amjad Altaf and Jungang Miao
Sensors 2022, 22(15), 5695; https://doi.org/10.3390/s22155695 - 29 Jul 2022
Cited by 2 | Viewed by 2664
Abstract
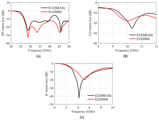
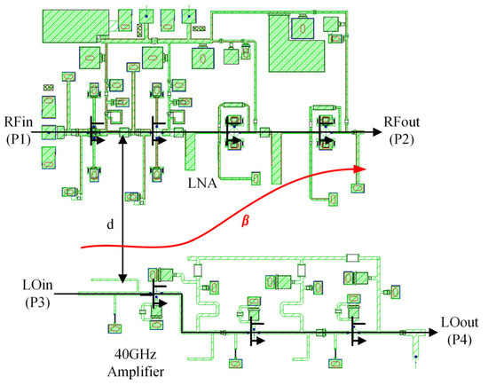
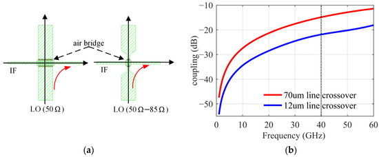
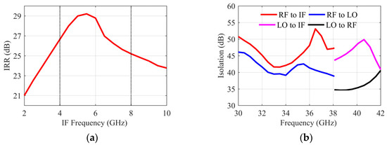
This paper presents the coupling effects analysis and suppression of a highly integrated receiver front-end MMIC for a passive millimeter-wave imager system. The receiver MMIC consists of a low-noise amplifier, double-balanced image-reject mixer, frequency quadrupler, and analog phase shifter. In order to integrate [...] Read more.
This paper presents the coupling effects analysis and suppression of a highly integrated receiver front-end MMIC for a passive millimeter-wave imager system. The receiver MMIC consists of a low-noise amplifier, double-balanced image-reject mixer, frequency quadrupler, and analog phase shifter. In order to integrate these devices into a compact single chip without affecting the core performance, coupling problems need to be solved. We analyze the influence of coupling effects on the image rejection ratio, and propose corresponding solutions for three different coupling paths. (1) The coupling in the LO-RF path of the mixer is solved by designing a double-balanced mixer with high isolation characteristics. (2) The coupling between the LO chain and the LNA from space and dielectric is suppressed by optimizing the two main transmission lines spacing and adding isolation vias. (3) The coupling caused by the line crossing is restrained by designing a differential line crossover structure. The design and implementation of the MMIC are based on 0.15 µm GaAs pHEMT process. The receiver chip has 6.1~8.7 dB conversion gain in 32~36 GHz, less than 3.5 dB of noise figure, and more than 35 dB of image rejection ratio. The measurement results show that the receiver MMIC is especially suitable for high-sensitivity passive millimeter-wave imaging systems. Full article
(This article belongs to the Section Remote Sensors)
Show Figures

Figure 1

11 pages, 3268 KB  
Article
Substrate Integrated Waveguide Antenna System for 5G In-Band Full Duplex Applications
by Masaud Shah, Hammad M. Cheema and Qammer H. Abbasi
Electronics 2021, 10(20), 2456; https://doi.org/10.3390/electronics10202456 - 10 Oct 2021
Cited by 8 | Viewed by 4189
Abstract
In-band full duplex offers a new approach of meeting the ever-increasing data rate demands by operating the transmitter and receiver at the same frequency at the same time, potentially doubling the spectral efficiency. However, self-interference is the fundamental bottleneck of such systems. In [...] Read more.
In-band full duplex offers a new approach of meeting the ever-increasing data rate demands by operating the transmitter and receiver at the same frequency at the same time, potentially doubling the spectral efficiency. However, self-interference is the fundamental bottleneck of such systems. In contrast to non-planar or sub 6 GHz microstrip designs reported so-far, this paper presents an all SIW based antenna system for in-band full duplex systems. The proposed design integrates a dual linear polarized three port differential antenna, three port SIW common-mode power combiner and a 180°phase shifter at 28 GHz. Operating the antenna in TE201 mode provides inherent isolation between the differential receive and single-ended transmit port. The residual coupling is further reduced through use of TE101 based power combiner and a 180°phase shifter. Implemented on a 0.508 mm thick RT Duroid 5880 substrate, the antenna occupies a foot-print of 48 × 80 mm2. Demonstrating a measured gain of 6.95 dBi and 3.42 dBi for Tx and Rx mode of operation, respectively, the proposed design offers a self-interference cancellation (SiC) of better than 36 dB over a 177 MHz bandwidth. Full article
(This article belongs to the Special Issue Antennas in the 5G System)
Show Figures

Figure 1

12 pages, 1941 KB  
Article
Wireless Battery-Free Harmonic Communication System for Pressure Sensing
by Deepak Kumar, Saikat Mondal, Yiming Deng and Premjeet Chahal
Micromachines 2020, 11(12), 1043; https://doi.org/10.3390/mi11121043 - 27 Nov 2020
Cited by 3 | Viewed by 3174
Abstract
In this paper, an efficient passive wireless harmonic communication system is proposed for the real-time monitoring of the pressurized pipelines. A pressure sensor is fabricated using the additive manufacturing technique and a harmonic radio frequency (RF) tag is designed to operate at the [...] Read more.
In this paper, an efficient passive wireless harmonic communication system is proposed for the real-time monitoring of the pressurized pipelines. A pressure sensor is fabricated using the additive manufacturing technique and a harmonic radio frequency (RF) tag is designed to operate at the fundamental frequency (fo) of 2 GHz that shifts the phase of the back reflected RF signal according to the applied pressure ranging from 0 to 20 psi. A power efficient phase modulation with virtually no losses is achieved using a hybrid coupler-based phase shifter that efficiently reflect back the incoming signal using an end coupled reactive impedance element/sensor. The phase delay introduced by the reactive element gets doubled with the second harmonic communication, which increases the sensitivity by a factor of two. The concept of harmonic backscattering is exploited to reduce the effects of multi-path interference and self jamming, as well as improving the signal-to-noise ratio (SNR). Full article
(This article belongs to the Special Issue 3D Printing of MEMS Technology)
Show Figures

Figure 1

Back to TopTop