Sign in to use this feature.

Years

Between: -

Subjects

remove_circle_outline
remove_circle_outline
remove_circle_outline
remove_circle_outline
remove_circle_outline
remove_circle_outline
remove_circle_outline
remove_circle_outline

Journals

Article Types

Countries / Regions

Search Results (8)

Search Parameters:
Keywords = fractional-order linear active disturbance rejection control

Order results
Result details
Results per page
Select all
Export citation of selected articles as:
15 pages, 4478 KB  
Article
Fractional-Order Linear Active Disturbance Rejection Control Strategy for DC-DC BUCK Converters
by Jiahao Zhang and Shuqing Wang
Electronics 2025, 14(11), 2226; https://doi.org/10.3390/electronics14112226 - 30 May 2025
Cited by 1 | Viewed by 566
Abstract
This paper explores the problems of slow response speed, poor anti-interference performance, and low control accuracy that exist in traditional Active Disturbance Rejection Control methods in Buck-type DC/DC converters. To address these issues, a fractional-order Active Disturbance Rejection Control (FO-LADRC) controller is proposed [...] Read more.
This paper explores the problems of slow response speed, poor anti-interference performance, and low control accuracy that exist in traditional Active Disturbance Rejection Control methods in Buck-type DC/DC converters. To address these issues, a fractional-order Active Disturbance Rejection Control (FO-LADRC) controller is proposed to enhance the dynamic characteristics and anti-interference ability of Buck-type DC/DC converters, while expanding the control range and flexibility of traditional linear Active Disturbance Rejection Control (LADRC). Firstly, the mathematical model of the Buck-type DC/DC converter is established. Secondly, based on Active Disturbance Rejection Control, a fractional-order linear Extended State Observer (FO-LESO) is constructed to estimate the model error and external disturbance of the system. Then, the stability of the system is studied through transfer function and error analysis. Finally, the effectiveness of the FO-LADRC controller method is verified through simulation. The simulation and experiment results show that the proposed FO-LADRC method outperforms traditional PI and LADRC methods in terms of dynamic performance. It can effectively improve the dynamic characteristics of the system and enhance the anti-interference ability of the system. Full article
Show Figures

Figure 1

19 pages, 18403 KB  
Article
Development and Experiment of Semi-Physical Simulation Platform for Space Manipulator
by Jilong Xu, Yasheng Guo, Fucai Liu and Haoyu Huang
Sensors 2024, 24(13), 4354; https://doi.org/10.3390/s24134354 - 4 Jul 2024
Cited by 1 | Viewed by 1390
Abstract
To address the extended development cycle, high costs, and maintenance difficulties associated with existing microgravity simulation methods, this study has developed a semi-physical simulation platform for robotic arms tailored to different gravity environments and loading conditions. The platform represents difficult-to-model joints as physical [...] Read more.
To address the extended development cycle, high costs, and maintenance difficulties associated with existing microgravity simulation methods, this study has developed a semi-physical simulation platform for robotic arms tailored to different gravity environments and loading conditions. The platform represents difficult-to-model joints as physical objects, while the easily modeled components are simulated based on principles of similarity. In response to the strong coupling, nonlinearity, and excess force disturbance issues in the electric variable load loading system, a fractional-order linear active disturbance rejection control algorithm was employed. The controller parameters were tuned using an improved particle swarm algorithm with modified weight coefficients, and experimental results demonstrate that a fractional-order linear active disturbance rejection control improves response speed and disturbance rejection performance compared to linear sliding mode control. The study investigated the differences in the drive force of joint motors in space robotic arms under varying gravity environments and loading conditions. Experimental results indicate that load torque is the primary influencing factor on joint motor drive force, while radial force serves as a secondary influencing factor. Additionally, when the axis of the joint motor is perpendicular to the ground, it can, to some extent, simulate microgravity conditions on the ground. Full article
Show Figures

Figure 1

14 pages, 6550 KB  
Article
Research on Active Repetitive Control for Tracking Lissajous Scan Trajectories with Voice Coil Motors Actuated Fast Steering Mirror
by Lin Wang, Shijiao Liu, Shuning Liang, Xuelian Liu and Chunyang Wang
Fractal Fract. 2024, 8(3), 128; https://doi.org/10.3390/fractalfract8030128 - 22 Feb 2024
Cited by 2 | Viewed by 2133
Abstract
The performance of laser beams in tracking Lissajous scan trajectories is severely limited by beam jitter. To enhance the performance of fast steering mirror (FSM) control in tracking Lissajous scan trajectories, this paper proposed a fractional order active disturbance rejection controller (FOADRC) and [...] Read more.
The performance of laser beams in tracking Lissajous scan trajectories is severely limited by beam jitter. To enhance the performance of fast steering mirror (FSM) control in tracking Lissajous scan trajectories, this paper proposed a fractional order active disturbance rejection controller (FOADRC) and verified its effectiveness in improving system scanning tracking accuracy. A dynamic mathematical model of a fast steering mirror was studied, and the design of parameters for the control mode of the closed-loop system was determined. A reduced-order linear active disturbance rejection controller suitable for FSM systems was designed, and the corresponding fractional-order proportional differentiation (FOPD) controller was determined according to the mathematical model. The use of the designed controller enabled high-performance tracking of high-frequency Lissajous scanning curves (X-axis 500 Hz, Y-axis 350 Hz) and met the need for high-frequency repetitive scanning. The controller has the characteristics of simple implementation and low computational complexity and is suitable for closed-loop control applications in engineering. Full article
Show Figures

Figure 1

25 pages, 4823 KB  
Article
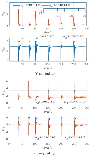
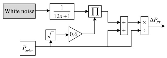
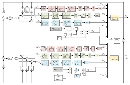
Adaptive Active Disturbance Rejection Load Frequency Control for Power System with Renewable Energies Using the Lyapunov Reward-Based Twin Delayed Deep Deterministic Policy Gradient Algorithm
by Yuemin Zheng, Jin Tao, Qinglin Sun, Hao Sun, Zengqiang Chen and Mingwei Sun
Sustainability 2023, 15(19), 14452; https://doi.org/10.3390/su151914452 - 3 Oct 2023
Cited by 3 | Viewed by 1853
Abstract
The substitution of renewable energy sources (RESs) for conventional fossil fuels in electricity generation is essential in addressing environmental pollution and resource depletion. However, the integration of RESs in the load frequency control (LFC) of power systems can have a negative impact on [...] Read more.
The substitution of renewable energy sources (RESs) for conventional fossil fuels in electricity generation is essential in addressing environmental pollution and resource depletion. However, the integration of RESs in the load frequency control (LFC) of power systems can have a negative impact on frequency deviation response, resulting in a decline in power quality. Moreover, load disturbances can also affect the stability of frequency deviation. Hence, this paper presents an LFC method that utilizes the Lyapunov reward-based twin delayed deep deterministic policy gradient (LTD3) algorithm to optimize the linear active disturbance rejection control (LADRC). With the advantages of being model-free and mitigating unknown disturbances, LADRC can regulate load disturbances and renewable energy deviations. Additionally, the LTD3 algorithm, based on the Lyapunov reward function, is employed to optimize controller parameters in real-time, resulting in enhanced control performance. Finally, the LADRC-LTD3 is evaluated using a power system containing two areas, comprising thermal, hydro, and gas power plants in each area, as well as RESs such as a noise-based wind turbine and photovoltaic (PV) system. A comparative analysis is conducted between the performance of the proposed controller and other control techniques, such as integral controller (IC), fractional-order proportional integral derivative (FOPID) controller, I-TD, ID-T, and TD3-optimized LADRC. The results indicate that the proposed method effectively addresses the LFC problem. Full article
(This article belongs to the Section Sustainable Engineering and Science)
Show Figures

Figure 1

21 pages, 39108 KB  
Article
Complex Fractional-Order LQIR for Inverted-Pendulum-Type Robotic Mechanisms: Design and Experimental Validation
by Omer Saleem, Faisal Abbas and Jamshed Iqbal
Mathematics 2023, 11(4), 913; https://doi.org/10.3390/math11040913 - 10 Feb 2023
Cited by 39 | Viewed by 3451
Abstract
This article presents a systematic approach to formulate and experimentally validate a novel Complex Fractional Order (CFO) Linear Quadratic Integral Regulator (LQIR) design to enhance the robustness of inverted-pendulum-type robotic mechanisms against bounded exogenous disturbances. The CFO controllers, an enhanced variant of the [...] Read more.
This article presents a systematic approach to formulate and experimentally validate a novel Complex Fractional Order (CFO) Linear Quadratic Integral Regulator (LQIR) design to enhance the robustness of inverted-pendulum-type robotic mechanisms against bounded exogenous disturbances. The CFO controllers, an enhanced variant of the conventional fractional-order controllers, are realised by assigning pre-calibrated complex numbers to the order of the integral and differential operators in the control law. This arrangement significantly improves the structural flexibility of the control law, and hence, subsequently strengthens its robustness against the parametric uncertainties and nonlinear disturbances encountered by the aforementioned under-actuated system. The proposed control procedure uses the ubiquitous LQIR as the baseline controller that is augmented with CFO differential and integral operators. The fractional complex orders in LQIR are calibrated offline by minimising an objective function that aims at attenuating the position-regulation error while economising the control activity. The effectiveness of the CFO-LQIR is benchmarked against its integer and fractional-order counterparts. The ability of each controller to mitigate the disturbances in inverted-pendulum-type robotic systems is rigorously tested by conducting real-time experiments on Quanser single-link rotary pendulum system. The experimental outcomes validate the superior disturbance rejection capability of the CFO-LQIR by yielding rapid transits and strong damping against disturbances while preserving the control input economy and closed-loop stability of the system. Full article
(This article belongs to the Special Issue Control Theory and Applications)
Show Figures

Figure 1

17 pages, 6471 KB  
Article
Improved Fractional-Order Extended State Observer-Based Hypersonic Vehicle Active Disturbance Rejection Control
by Mingfei Zhao, Yunlong Hu and Jia Song
Mathematics 2022, 10(23), 4414; https://doi.org/10.3390/math10234414 - 23 Nov 2022
Cited by 10 | Viewed by 1883
Abstract
In this work, a novel fractional-order extended state observer (FOESO)-based linear active disturbance rejection control (LADRC) method is firstly proposed for a hypersonic vehicle (HV) to address the measurement noise problem. The uncertainty and external disturbance of an HV was discussed and addressed [...] Read more.
In this work, a novel fractional-order extended state observer (FOESO)-based linear active disturbance rejection control (LADRC) method is firstly proposed for a hypersonic vehicle (HV) to address the measurement noise problem. The uncertainty and external disturbance of an HV was discussed and addressed by the active disturbance rejection control and many different control methods in recent decades. However, the research of an HV with measurement noise is insufficient. For the LADRC, the anti-noise ability is highly dependent on the bandwidth of the extended state observer (ESO). Meanwhile, the control performance of the LADRC is relevant to the bandwidth. The FOESO is presented, aiming to address the tradeoff of the control performance or noise suppression. The FOESO-based LADRC (FOESO-LADRC) introduces fractional calculus. It can enhance the anti-noise ability with little influence on the control performance. The simulation results show that the FOESO-LADRC has a significant improvement in the noise suppression. In addition, compared with the LADRC, it obtains a better solution to address the tradeoff between the bandwidth and noise impact. Full article
Show Figures

Figure 1

18 pages, 7241 KB  
Article
Fractional-Order Linear Active Disturbance Rejection Control Design and Optimization Based Improved Sparrow Search Algorithm for Quadrotor UAV with System Uncertainties and External Disturbance
by Jia Song, Yunlong Hu, Jiangcheng Su, Mingfei Zhao and Shaojie Ai
Drones 2022, 6(9), 229; https://doi.org/10.3390/drones6090229 - 31 Aug 2022
Cited by 25 | Viewed by 2937
Abstract
This paper presents a generic robust controller that allows applications in various quadrotor unmanned aerial vehicle (UAV) systems effectively even when facing severe system uncertainties and unknown external disturbances. The fractional-order linear active disturbance rejection control (FOLADRC) scheme has combined the advantages of [...] Read more.
This paper presents a generic robust controller that allows applications in various quadrotor unmanned aerial vehicle (UAV) systems effectively even when facing severe system uncertainties and unknown external disturbances. The fractional-order linear active disturbance rejection control (FOLADRC) scheme has combined the advantages of the fractional-order PID (FOPID) with the linear active disturbance rejection control (LADRC). Firstly, the structure of the FOLADRC-based quadrotor UAV is designed. Then, considering the difficulty of parameter tuning of FOLADRC and the demand for accuracy and rapidity of the controller, the improved sparrow search algorithm is applied. Finally, to illustrate the robustness and effectiveness of FOLADRC, the FOLADRC-based quadrotor UAV is firstly compared with PID and LADRC. The simulation and experiment results show that the FOLADRC method can suppress the influence of system uncertainties and external disturbance effectively, where the superiority compared to PID and LADRC has been demonstrated clearly. Full article
Show Figures

Figure 1

17 pages, 2512 KB  
Article
Load Frequency Control of Pumped Storage Power Station Based on LADRC
by Kezhen Liu, Jing He, Zhao Luo, Hua Shan, Chenglong Li, Rui Mei, Quanchun Yan, Xiaojian Wang and Li Wei
Processes 2020, 8(4), 380; https://doi.org/10.3390/pr8040380 - 25 Mar 2020
Cited by 17 | Viewed by 4456
Abstract
The pumped storage power station has the characteristics of frequency-phase modulation, energy saving, and economy, and has great development prospects and application value. In order to cope with the large-scale integration and intermittency of renewable energy and improve the ability of pumped storage [...] Read more.
The pumped storage power station has the characteristics of frequency-phase modulation, energy saving, and economy, and has great development prospects and application value. In order to cope with the large-scale integration and intermittency of renewable energy and improve the ability of pumped storage units to participate in power grid frequency modulation, this paper proposed a load frequency control (LFC) strategy for pumped storage units based on linear active disturbance rejection technology. Firstly, based on the operating characteristics of the pumped storage power station, the LFC model of the two-area reheat steam turbine under nonlinear conditions such as governor dead zone and generation rate constrains was established. Secondly, a second-order linear active disturbance rejection control (LADRC) was designed. The feasibility and control performance of the proposed LFC system were quantitatively analyzed through simulation. The results show that the LADRC has better control effect and stronger robustness than fractional-order proportion integration differentiation (FOPID) and traditional proportion integration differentiation (PID) controller. Finally, the pumped storage power station was added, and it was found that it has better correction performance under both generating and pumping operations, which greatly improved the dynamic response of secondary frequency modulation. Full article
(This article belongs to the Special Issue Energy Storage System: Integration, Power Quality, and Operation)
Show Figures

Figure 1

Back to TopTop