Sign in to use this feature.

Years

Between: -

Subjects

remove_circle_outline
remove_circle_outline
remove_circle_outline
remove_circle_outline

Journals

Article Types

Countries / Regions

Search Results (4)

Search Parameters:
Keywords = dual-inertia servo system

Order results
Result details
Results per page
Select all
Export citation of selected articles as:
21 pages, 8001 KB  
Article
Fractional-Order Modeling and Identification for Dual-Inertia Servo Inverter Systems with Lightweight Flexible Shaft or Coupling
by Xiaohong Wang, Yijian Su, Ying Luo, Tiancai Liang and Hengrui Hu
Fractal Fract. 2025, 9(4), 222; https://doi.org/10.3390/fractalfract9040222 - 1 Apr 2025
Viewed by 511
Abstract
To effectively mitigate resonance in dual-inertia servo inverter systems with a lightweight flexible shaft or coupling, the precise modeling of the dual-mass mechanism is essential. This paper proposes a fractional-order modeling and identification methodology tailored for a dual-mass loading permanent magnet synchronous motor [...] Read more.
To effectively mitigate resonance in dual-inertia servo inverter systems with a lightweight flexible shaft or coupling, the precise modeling of the dual-mass mechanism is essential. This paper proposes a fractional-order modeling and identification methodology tailored for a dual-mass loading permanent magnet synchronous motor (PMSM) servo inverter system. By extending the traditional integer-order model to a more precise fractional-order one, the accuracy of resonance capture can be enhanced within the dual-inertia mechanism. Model parameters are identified using an output error approach combined with the Levenberg–Marquardt (LM) algorithm for fractional-order identification. To validate the effectiveness of this proposed methodology, a PMSM servo inverter experimental platform was developed, and identification experiments were conducted on this platform. The experimental results demonstrate that the proposed fractional-order modeling and parameter identification method significantly improves the system characterization accuracy of the dual-inertia servo inverter system. Full article
Show Figures

Figure 1

18 pages, 6569 KB  
Article
Online Identification Method for Mechanical Parameters of Dual-Inertia Servo System
by Bo Wang, Runze Ji, Chengpeng Zhou, Kai Liu, Wei Hua and Hairong Ye
Energies 2025, 18(1), 79; https://doi.org/10.3390/en18010079 - 28 Dec 2024
Viewed by 745
Abstract
Rotary table servo systems are widely used in industrial manufacturing. In order to satisfy the demands of low-speed and high-torque applications, rotary table servo systems are typically applied with a reduction gear and gearbox, causing transmission system limit loop oscillation and reducing the [...] Read more.
Rotary table servo systems are widely used in industrial manufacturing. In order to satisfy the demands of low-speed and high-torque applications, rotary table servo systems are typically applied with a reduction gear and gearbox, causing transmission system limit loop oscillation and reducing the system’s transmission accuracy. Accordingly, the single-axis servo rotary table is taken as the object of study, with the objective of enhancing the positioning precision of the load side. The identification of the mechanical parameters of the dual-inertia servo system is thus undertaken. A simplified mathematical model of the dual-inertia system is constructed, the principle of mechanical parameter identification of the dual-inertia system is elucidated, an online identification algorithm based on the forgetting factor recursive least square (FFRLS) is investigated, and factors affecting the identification accuracy are analyzed. The efficacy of the recognition algorithm is validated through simulations and experimentation. The experiments on the DSP 28,335 platform demonstrate that the dual-inertia system mechanical parameter recognition algorithm is capable of identifying rotor inertia, load inertia, and shaft stiffness online simultaneously. The recognition error is less than 10%, the recognition accuracy is high, and the algorithm exhibits a certain degree of robustness. Full article
(This article belongs to the Section F: Electrical Engineering)
Show Figures

Figure 1

16 pages, 6635 KB  
Article
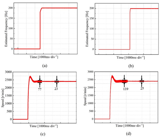
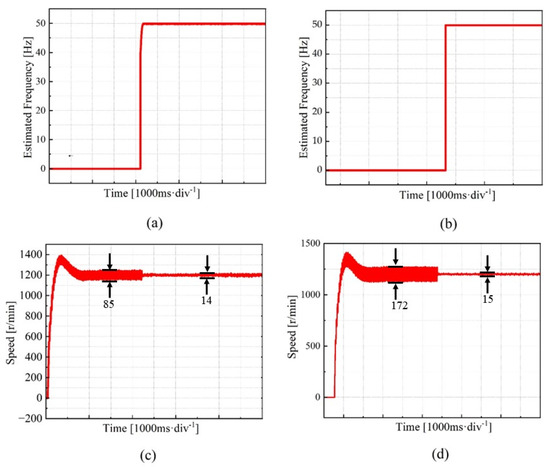
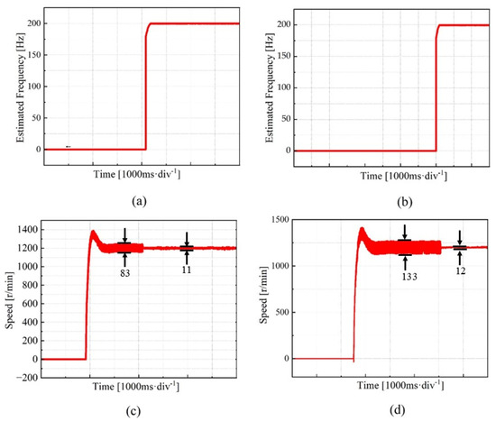
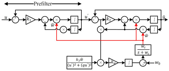
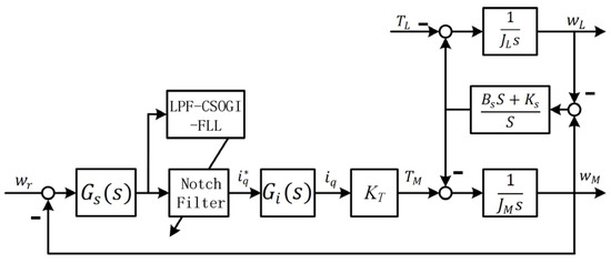
Online Mechanical Resonance Frequency Identification Method Based on an Improved Second-Order Generalized Integrator—Frequency-Locked Loop
by Kelu Wu, Yongchao Zhang, Wenqi Lu, Lei Sun, Luojun Wang and Weimin Shi
Electronics 2024, 13(16), 3310; https://doi.org/10.3390/electronics13163310 - 21 Aug 2024
Cited by 1 | Viewed by 1468
Abstract
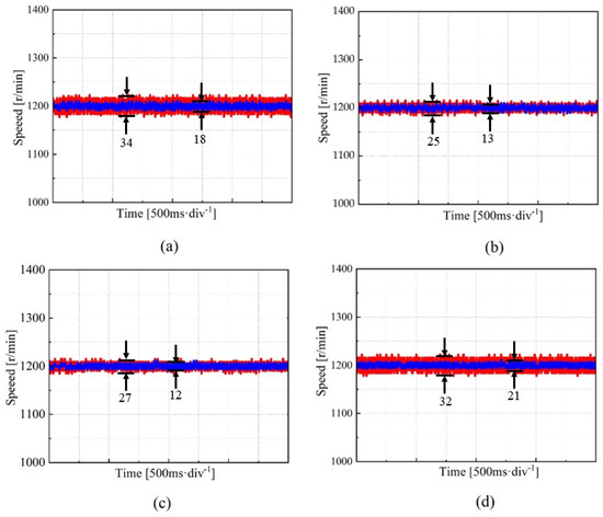
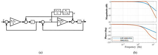
To address the issue of mechanical resonance frequency detection in dual-inertia servo systems, this paper proposes an online identification method for mechanical resonance frequency using a low-pass filter and cascaded second-order generalized integrator—frequency-locked loop (LPF-CSOGI-FLL). Initially, the cascaded second-order generalized integrator—frequency-locked loop (CSOGI-FLL) [...] Read more.
To address the issue of mechanical resonance frequency detection in dual-inertia servo systems, this paper proposes an online identification method for mechanical resonance frequency using a low-pass filter and cascaded second-order generalized integrator—frequency-locked loop (LPF-CSOGI-FLL). Initially, the cascaded second-order generalized integrator—frequency-locked loop (CSOGI-FLL) is employed to eliminate the interference of direct current (DC) bias in resonance frequency identification. From a dual-stage structural perspective, the first second-order generalized integrator (SOGI-FLL) acts as a band-pass pre-filter to extract the mechanical resonance signal from the signal to be tested. The second SOGI-FLL generates a signal with equal amplitude and frequency to the mechanical resonance and obtains the frequency of the resonance signal through the frequency-locked loop. Subsequently, a low-pass filter (LPF) is applied to the frequency feedback loop of the second-stage SOGI-FLL, effectively reducing the oscillation of the estimated frequency. Finally, combining the CSOGI-FLL with an LPF forms a novel structure, namely, LPF-CSOGI-FLL. The results demonstrate that the proposed method significantly improves the detection accuracy of mechanical resonance frequency under various conditions. Compared to traditional offline techniques, this method overcomes the impact of resonance frequency drift and enhances system stability. Full article
Show Figures

Figure 1

20 pages, 5791 KB  
Article
The Design and the Control Principle of a Direct Low-Speed PMSM Servo-Drive Operating under a Sign-Changing Load on the Shaft
by Oleksandr Makarchuk and Dariusz Całus
Energies 2024, 17(13), 3134; https://doi.org/10.3390/en17133134 - 26 Jun 2024
Cited by 1 | Viewed by 1916
Abstract
The paper relates to the development of an algorithm applicable for maintaining the rotational speed of low-speed drives using PMSM motors and operating under a sign-changing load. The moment of inertia of rotating parts does not play the role of a mechanical stabilizer [...] Read more.
The paper relates to the development of an algorithm applicable for maintaining the rotational speed of low-speed drives using PMSM motors and operating under a sign-changing load. The moment of inertia of rotating parts does not play the role of a mechanical stabilizer for the speeds discussed in the article. Simulation studies are presented with the aim of developing a rotational speed control algorithm that utilizes only positional feedback and the previously assumed sign-changing load on the shaft. For the purposes of this research, a mathematical model was developed to calculate transient processes in a PMSM machine operating in the conditions of a sign-changing load on the shaft. This model assumes a deterministic control principle adapted to the known nature of the load change. In this model, the mutual influence occurring between the phase fluxes, the electromagnetic torque, the electric currents and the rotor position angle are established on the basis of FEM analysis of a two-dimensional magnetic field using a quasi-stationary approximation. Principles applicable for controlling a direct low-speed servo drive based on a PMSM machine operating with a known variable shaft load using only positional feedback and a predetermined shaft load change law are defined. The proposed regulation method is verified in an experimental manner. For this purpose, an experimental setup was built, which includes a PMSM with a load imitator on a variable sign shaft, an inverter providing sine-shaped power supply to the machine and a digital dual-processor control system. The discussed rotational speed stabilization algorithm was implemented in the form of a program for a microcontroller, which forms a part of the control system. The results of experimental tests confirm the adequacy of mathematical modeling and the effectiveness of the proposed rotational speed stabilization algorithm. Full article
(This article belongs to the Section F1: Electrical Power System)
Show Figures

Figure 1

Back to TopTop