Next Article in Journal
Renewable Energy Consumption Strategies for Electric Vehicle Aggregators Based on a Two-Layer Game
Previous Article in Journal
Energy Waste as a Side-Effect of Photovoltaic Development: Net Impact of Photovoltaics on CO2 Emissions in European Union Countries
 
 
Font Type:
Arial Georgia Verdana
Font Size:
Aa Aa Aa
Line Spacing:
Column Width:
Background:
Article

Online Identification Method for Mechanical Parameters of Dual-Inertia Servo System

by
Bo Wang
1,2,
Runze Ji
1,
Chengpeng Zhou
1,
Kai Liu
1,*,
Wei Hua
1 and
Hairong Ye
1
1
School of Electrical Engineering, Southeast University, Nanjing 210096, China
2
Xi’an Modern Control Technology Institute, Xi’an 710065, China
*
Author to whom correspondence should be addressed.
Energies 2025, 18(1), 79; https://doi.org/10.3390/en18010079
Submission received: 7 November 2024 / Revised: 12 December 2024 / Accepted: 21 December 2024 / Published: 28 December 2024
(This article belongs to the Section F: Electrical Engineering)

Abstract

Rotary table servo systems are widely used in industrial manufacturing. In order to satisfy the demands of low-speed and high-torque applications, rotary table servo systems are typically applied with a reduction gear and gearbox, causing transmission system limit loop oscillation and reducing the system’s transmission accuracy. Accordingly, the single-axis servo rotary table is taken as the object of study, with the objective of enhancing the positioning precision of the load side. The identification of the mechanical parameters of the dual-inertia servo system is thus undertaken. A simplified mathematical model of the dual-inertia system is constructed, the principle of mechanical parameter identification of the dual-inertia system is elucidated, an online identification algorithm based on the forgetting factor recursive least square (FFRLS) is investigated, and factors affecting the identification accuracy are analyzed. The efficacy of the recognition algorithm is validated through simulations and experimentation. The experiments on the DSP 28,335 platform demonstrate that the dual-inertia system mechanical parameter recognition algorithm is capable of identifying rotor inertia, load inertia, and shaft stiffness online simultaneously. The recognition error is less than 10%, the recognition accuracy is high, and the algorithm exhibits a certain degree of robustness.

1. Introduction

In a dual-inertia system based on a permanent magnet synchronous motor (PMSM), the elastic transmission mechanism, such as the reducer and coupling, is prone to mechanical resonance, which reduces the precision of servo system transmission. Model prediction and introduction of state feedback are effective methods to suppress mechanical resonance, but the control parameters depend on the mechanical parameters of the system. In the design of servo drive system controllers, in order to achieve a better response process or higher positioning accuracy, the controller parameter tuning usually needs to be substituted for mechanical parameter values. For example, in the design of a speed loop controller, the accurate rotational inertia is necessary. Chang, H. et al. point out that mismatched parameters will lead to slow dynamic response or poor steady-state performance of the system [1]. Manufacturer’s production differences or variations in operating conditions may cause changes in the mechanical parameters of the system, resulting in a decline in control performance. So, it is crucial to identify the mechanical parameters of this study.
Parameters in a servo drive system include internal electrical parameters (resistance, inductance, magnetic chain, etc.) and external mechanical parameters (rotational inertia, friction damping, drive shaft stiffness, etc.), where the internal parameters are used for the design of a current loop controller. And the external parameters are used for the design of a speed loop controller. The main difference between a single-inertia and a multi-inertia system parameter identification is the difference in external mechanical parameters. And the multi-inertia system adds the mechanical parameters of the transmission mechanism in addition to the parameters of the drive motor and load. Thenozhi, S. et al. concluded that the identification algorithms of each parameter in a single-inertia system have been more mature, including acceleration and deceleration methods, least squares, and improvement algorithms [2]; Song, Z. et al. point out that model reference adaptive method have been more mature [3]; Lian, C. et al. point out that observer-based methods have been more mature [4]; Zhang mentioned the extended Kalman filtering method as the identification algorithm [5], etc. Currently, this function is available in servo drives such as the Mitsubishi MR-JE-40A and Panasonic A6 [6] in Japan. The multi-inertia system parameter identification is represented by double inertia; due to the mechanical structure of the introduction of more parameters, complex working conditions and other issues appear more difficult. However, since the technology has not yet matured, the application of the method is not as rich as the single-inertia system. For the dual-inertia servo system, it is quite challenging to construct the full-rank identification equation due to the excessive mechanical parameters, so the mechanical parameter identification technology is relatively immature [7]. At present, there are mainly two types of methods: parametric and non-parametric methods.
The parametric method recognizes the system parameters by assuming a system model such that the difference between its output and the actual output of the system satisfies a set performance index function. With the development of digitalization, the assumed system model has been transformed from a continuous data discrimination model to a discrete data discrimination model. Seppo E. Sarika’s team at Aalto University, Finland used a discrete-time polynomial model with an Output Error (OE) structure in 2012 and a random binary sequence as the excitation signal. The comparisons of the identification accuracy under different test methods, such as open loop, indirect closed loop, and direct closed loop, pointed out that the identification results deviated greatly in the case of a closed loop at speed due to the influence of the controller [8]. In order to overcome the difficulties of closed-loop identification, the team proposed an improved indirect method in 2013, which used a pseudo-random binary sequence (PRBS) as the excitation signal for six external mechanical parameters (drive motor inertia and friction coefficient, load motor inertia and friction coefficient, driveshaft stiffness and friction coefficient), and a random binary sequence (PRBS) as the excitation signal, combined with the least squares method, to find out the parameters in the discrete domain, and then transformed to the frequency domain through the zero-pole matching method to obtain the identification results. However, due to its cumbersome arithmetic process, it needs to be combined with dSPACE, which limits its application in industry [9]. Luczak, D. et al. considered the different identification settings and gave simulation and experimental results for two different mechanism signals, PRBS and Chirp, under ARX and OE identification models, respectively [10].
The non-parametric method achieves identification based on the system response curve, such as impulse response and frequency response characteristics. Ref. [11] superimposed the PRBS on the stator current component iq for the excitation of an encoder-less system. The motor speed is obtained using an extended speed adaptive observer, signal processing is performed, frequency response is calculated, baud plots are plotted, and resonance frequencies are obtained by Welch’s method. Zhou [12] mentioned a method for identification, employing an iterative process based on the linearized and weighted total least squares approach. This methodology enables the derivation of a transfer function without any prerequisite knowledge concerning resonance characteristics or time delay. However, Calvini, M. et al. mentioned that the non-parametric identification method cannot be used for systems with serious nonlinear features, because the nonlinear features will greatly change the system frequency response, resulting in poor identification accuracy [13].
Inspired by the references, this article first establishes a mathematical model of a dual-inertia servo system and then uses recursive least squares with forgetting factors to construct a discrete identification function, achieving online identification of the main mechanical parameters. At the same time, the factors affecting identification accuracy are analyzed, and finally, the effectiveness of the identification algorithm is demonstrated through simulation and experiments. This article solves the parameter identification problem of multi-inertia systems based on dual inertia. Based on the identified stiffness and inertia values, it can provide support for more complex nonlinear factors such as gap analysis, reduce sensor costs, and improve the dynamic response capability and position control accuracy in precision manufacturing, especially in micromachining processes. The technology proposed in this article provides technical support.

2. Mathematical Modelling of Dual-Inertia Systems

The rotary vector reducer, ball screws, and other traditional connections of the servo system are often accompanied by a nonlinear gap, typically in the form of a certain amount of clearance, with the aim of ensuring the transmission of flexibility to avoid jamming. However, the long-term operation of machinery and equipment, coupled with the inevitable effects of wear and tear, will also result in an increase in the gap. The introduction of the gap will further exacerbate the mechanical resonance. With regard to the study of clearance, the current prevailing approach is the approximate dead zone model and the dead zone model [14], as illustrated in Figure 1a,b. While the former model, despite its greater accuracy, is relatively complex and has a limited impact on the primary calculation interval, this paper establishes a dead zone model for study.
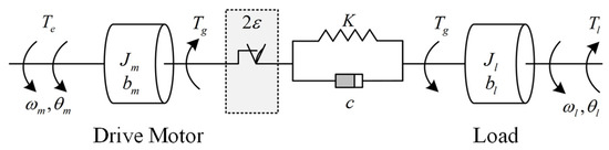
Thus, as Figure 2 shows, in a dual-inertia system, the drive motor and the load are connected via a driveshaft with a torsional stiffness of K, a damping coefficient of c, a clearance of 2ε, and a simplified ratio of 1. In this regard, Wang et al. proposed a block diagram of an equivalent model for a dual-inertia system [12].
Consider that the effect of the gap is mainly reflected in the initial position of non-engagement or changes in the direction of motion to produce positioning errors, while in the identification of mechanical parameters can be maintained in one direction of rotation, necessarily engaged. Therefore, the clearance only has an effect at the initial stage of identification and does not affect the final iteration results. Neglecting the gap, the coupling inertia and the damping coefficient of each part—that is, the mechanical parameters to be identified—are simplified as the drive motor inertia Jm, the coupling stiffness K, and load inertia Jl, and the motion process of each inertial body in the double-inertia system are analyzed to establish a mathematical model: when the drive is given a current to generate the electromagnetic torque Te, which drives the drive motor with rotational inertia of Jm to rotate; the load side is static due to the inertia; and there is an angular difference, it causes the drive shaft to twist and deform, generating transfer torque. This torque is both the load torque of the drive motor and the driving torque of the load, which acts together with the load-side torque Tl to determine the load speed. The mathematical model of the above process is as follows:
J m θ ¨ m = T e T g J l θ ¨ l = T g T l ω m = θ ˙ m ω l = θ ˙ l T g = K θ m θ l
A simplified block diagram of the dual-inertia system is shown in Figure 3 [14].
From the diagram above, A(s) and B(s) are the transfer function; the transfer equation can be defined as
G l ( s ) = ω m ( s ) T ( s ) = B ( s ) A ( s )
In Equation (2), T(s) represents electromagnetic torque and Gl(s) represents the relationship between electromagnetic speed and electromechanical torque.
The A(s) and B(s) in the equation is
A ( s ) = J m J l s 3 + ( J m K + J l K ) s B ( s ) = ( J l s 2 + K ) T e ( s ) K T l ( s )
The motor speed is determined by the electromagnetic torque and load torque together, and its transfer function is
ω m ( s ) = ( J l s 2 + K ) J m J l s 3 + ( J m K + J l K ) s T e ( s ) K J m J l s 3 + ( J m K + J l K ) s T l ( s )
where the transfer function from motor speed to electromagnetic torque is
ω m ( s ) = ( J l s 2 + K ) J m J l s 3 + ( J m K + J l K ) s T e ( s )
From (5), the system exhibits a pair of conjugate zero poles; the conjugate zero point is the anti-resonance frequency (ARF); the conjugate poles are the natural torsional frequency (NTF); the zero poles make the system produce a relatively strong response to the input of a specific frequency, i.e., trigger mechanical resonance.
ω ARF = K J l
ω NTF = J m K + J l K J m J l

3. Identification of Mechanical Parameters for Dual-Inertia Systems

3.1. The Principle of Least Squares

The least square (LS) method was first introduced by K.F. Gauss in his work on the prediction of celestial orbits and is based on the principle of minimizing the sum of the squares of the errors in each set of data. In 2013, Seppo E. S.’s team at Aalto University, Finland combined the least squares method to derive the parameters in the discrete domain and then transformed them to the frequency domain by the zero-pole matching method to obtain the identification results [8]. In this article, the n sets of input and output observations of an observable system are expressed as in (8), and the estimates of the system parameters can be obtained according to the least squares method as in (9).
{ y ( k ) , u ( k ) , k = 1 , 2 , , n }
θ = ( ϕ Τ ϕ ) 1 ϕ Τ Y
where θ is the estimate output of system, ϕ is the data vector matrix, and Y is the system output matrix.
However, when using LS, every time an observation is added, it is necessary to re-solve the identification of the new observation together with all the previous data, which leads to a large number of repeated calculations, and the quantity of data increases dramatically over time, which seriously affects the computational speed of the system. In order to improve computational efficiency, the recursive least square (RLS) algorithm is introduced, which is based on the idea of assuming that the deviation of the estimated values of the system parameters at k moments and k – 1 moments is ∆, i.e.,:
θ ( k ) = θ ( k 1 ) + Δ
Also, by the least square’s method, the estimate for moment k is obtained as
θ ( k ) = [ ϕ T ( k ) ϕ ( k ) ] 1 ϕ T ( k ) Y ( k )
in which ϕ ( k ) = ϕ ( k 1 ) φ T ( k ) , Y ( k ) = Y ( k 1 ) y ( k ) .
Let the covariance matrix P(k) be
P ( k ) = [ P 1 ( k 1 ) + φ ( k ) φ T ( k ) ] 1
Thus:
P 1 ( k ) = P 1 ( k 1 ) + φ ( k ) φ T ( k )
From (11) and (12), the estimate for the k – 1 moment is
θ ( k 1 ) = P ( k 1 ) ϕ T ( k 1 ) Y ( k 1 )
From (13) and (14):
ϕ T ( k 1 ) Y ( k 1 ) = [ P 1 ( k ) φ ( k ) φ T ( k ) ] θ ( k 1 )
Thus, the estimates of the system parameters at moment k can be corrected by moment k – 1 to obtain
θ ( k ) = P ( k ) ϕ Τ ( k ) Y ( k ) = θ ( k 1 ) + K ( k ) [ y ( k ) φ T ( k ) θ ( k 1 ) ]
where K(k) the gain vector and K(k) = P(k) φ(k).
The iterative formula for the recursive least square’s method can be obtained from the matrix inverse lemma as well as (15) as
θ ( k ) = θ ( k 1 ) + K ( k ) [ y ( k ) φ T ( k ) θ ( k 1 ) ]   P ( k ) = [ E K ( k ) φ T ( k ) ] P ( k 1 ) K ( k ) = P ( k 1 ) φ ( k ) / [ 1 + φ T ( k ) P ( k 1 ) φ ( k ) ]
where I is the unit matrix. Although the RLS algorithm solves the problem of a large number of repeated calculations well, its default is that the old and new data are equally important, which will not reflect the real-time status of the motor. Therefore, the attenuation coefficient is added to RLS to weaken the influence of the old data on the discriminated values, forming the recursive least squares method with forgetting factor, and the iteration formula is modified as
θ ( k ) = θ ( k 1 ) + K ( k ) [ y ( k ) φ T ( k ) θ ( k 1 ) ] P ( k ) = 1 λ [ E K ( k ) φ T ( k ) ] P ( k 1 ) K ( k ) = P ( k 1 ) φ ( k ) / [ λ + φ T ( k ) P ( k 1 ) φ ( k ) ]
In the formula, the value range of forgetting factor λ is usually 0.9~1. The smaller λ is, the faster the convergence speed is, the larger λ is, and the smaller the fluctuation in algorithm recognition results is. After many simulations and experimental verification, λ = 0.99 was finally selected for this topic.

3.2. Mechanical Parameter Identification Algorithm for Dual-Inertia Systems

In order to apply FFRLS, the system transfer function needs to be converted from the frequency domain to the discrete domain. The commonly used discretization methods [15] and their advantages and disadvantages are listed below:
(1)
First-order backward difference: the mapping relationship is severely distorted, the transformation accuracy is low, and there are fewer engineering applications;
(2)
First-order forward difference: the mapping relationship is severely distorted, and the stability of the system after discretization cannot be guaranteed (unless the sampling period is small);
(3)
Bilinear transformation (Tustin) method: better accuracy, easy to apply, the disadvantage is that the high-frequency characteristics of the distortion are serious;
(4)
Zero-pole matching method: due to the need to decompose the transfer function into zero-pole form and the need for steady-state gain matching, the application is not convenient enough;
(5)
z-conversion method (impulse response invariant method): z-conversion is more cumbersome and prone to frequency aliasing;
(6)
z-transform method with keeper: also has the disadvantages of z-transform.
Considering the frequency range of the dual-inertia system and the ease of application of the discrete method, Tustin’s method is used in this topic. Ts is the discrete sampling period; the transfer function of the system in the discrete domain is obtained as
s = ( 2 / T ) ( 1 z 1 ) / ( 1 + z 1 )
ω m ( z ) = θ 1 z 3 + θ 2 z 2 + θ 2 z + θ 1 z 3 + θ 3 z 2 θ 3 z 1 T e ( z ) θ 4 z 3 + 3 θ 4 z 2 + 3 θ 4 z + θ 4 z 3 + θ 3 z 2 θ 3 z 1 T l ( z )
Among the above equation:
θ 1 = 4 J l T s + K T s 3 8 J m J l + 2 ( J m K + J l K ) T s 2 θ 2 = 4 J l T s + 3 K T s 3 8 J m J l + 2 ( J m K + J l K ) T s 2 θ 3 = 24 J m J l + 2 ( J m K + J l K ) T s 2 8 J m J l + 2 ( J m K + J l K ) T s 2 θ 4 = K T s 3 8 J m J l + 2 ( J m K + J l K ) T s 2
Convert the above equation into the expression required by FFRLS, and the output ωm(k) at k stage is
ω m ( k ) = θ 1 [ T e ( k ) + T e ( k 3 ) ] + θ 2 [ T e ( k 1 ) + T e ( k 2 ) ] + θ 3 [ ω m ( k 2 ) ω m ( k 1 ) ] + ω m ( k 3 ) θ 4 [ T l ( k ) + 3 T l ( k 1 ) + 3 T l ( k 2 ) + T l ( k 3 ) ]
Let the output be a parameter vector and a data vector as follows:
θ = [ θ 1   θ 2   θ 3   1   θ 4 ] T ϕ = [ T e ( k ) + T e ( k 3 ) , T e ( k 1 ) + T e ( k 2 ) , ω m ( k 1 ) + ω m ( k 2 ) , ω m ( k 3 ) , ( T l ( k ) + 3 T l ( k - 1 ) + 3 T l ( k - 2 ) + T l ( k - 3 ) ) ] T
The data vector consists of the sampled values of electromagnetic torque Te, load torque Tl, and motor speed ωm, and the initial values are all set to 0. The parameter vector corresponds to five system parameters, of which the coefficient of ωm(k – 3) is always 1 and does not need to be identified; here, all the initial values of the parameters are still set to 0.01 according to empirical formulas, the final results of which can be used to judge whether the identification algorithm can converge to the true value or not; the initial value of the covariance matrix P (0) = 106 I(6). According to the initial value and the input and output, the results of parameter identification in the discrete domain are calculated iteratively by (19).
After the discrete domain parameter identification is completed, the equation is solved by substituting into (21) to complete the conversion of the parameters to be sought from the discrete domain to the frequency domain. The equations are solved as (24), which are all polynomials, avoiding the nonlinear operations such as ln function brought by other discrete methods, saving computational resources and parameter conversion time. It is worth noting that there are four equations and three to-be-sought mechanical parameters in (21), among which θ4 does not need to participate in the conversion process, which means that the load torque Tl only participates in the iteration as a compensating effect without affecting the conversion process.
J m = T s ( θ 3 1 ) 6 θ 1 2 θ 2 J l = 2 T s ( 2 θ 1 θ 2 + θ 1 θ 3 ) ( 3 θ 1 θ 2 ) ( θ 1 + θ 2 ) K = 16 θ 1 8 θ 2 + 8 θ 1 θ 3 T s ( 3 θ 1 θ 2 ) 2  
The flowchart of the system identification procedure is shown in Figure 4.

4. Simulation Verification

Algorithmic Validity

Least squares with forget factor, also known as exponentially weighted least squares or recursive least squares with a forget factor, is an adaptive algorithm used for online parameter estimation in time-varying systems. In order to verify the effectiveness of the above algorithm, the model as Figure 5 shown is built and simulated in MATLAB 2023b/Simulink, and the model parameters are consistent with the experimental platform, as shown in Table 1.
Plum blossom coupling is used as the flexible coupling, and since its stiffness is unknown, chirp sweep method is used to determine the resonance characteristics of the system and determine the coupling stiffness, which is used to compare with the identified results. Given the d-axis current id* = 0 and q-axis current iq* = sin (2π(125 t2)), the motor speed response waveform is shown in Figure 6, and its FFT analyze result is shown in Figure 7. The anti-resonance frequency is 204.8 Hz; according to Equation (4), the stiffness of the coupling can be calculated as K = 301.36 N·m/rad.
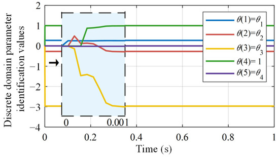
The rotational speed reference signal is nr* = 200 + 200 sin (5πt) rpm, the simulation sampling period is 0.0001 s, and the identification results are shown in Figure 8 and Figure 9.
The discrete domain parameter θ(4) converges from the initial value of 0.01 to the true value of 1 in (23), indicating the effectiveness of the current parameter identification algorithm. The comparison of the identification results with the actual values is shown in Table 2, with small identification errors and high identification accuracy.

5. Influence of System Parameters on Recognition Accuracy

(1)
Discrete time
Yang, M. et al. point out that the smaller the discretization period is, the closer the discrete domain function is to the continuous domain function, and the higher the discrimination accuracy is [16]. In order to correspond to the experiment platform hardware, we choose the switching frequency between 1 k~10 kHz. Figure 10a gives a comparison of the identification results in two cases where Ts is 0.001 s and 0.0001 s, respectively. The convergence process of the recognition algorithm is slow when the discrete period is large. The numerical accuracy of the final convergence is also poor.
(2)
Given signal
Given different speed signals, the comparison of the recognition results is shown in Table 3. Under the three signal forms, the recognition accuracies of the inertia Jm and Jl on both sides are high and can reach within 1% under ideal simulation conditions. However, the identification error of the shaft stiffness K under the slope given speed signal is extremely high, as high as 40.3%. As the slope of the given signal increases, the identification error decreases significantly. The simulation waveforms are shown in Figure 10b for the second, fourth, and sixth given signals. The convergence speeds and recognition accuracies of the step signal and sinusoidal signal do not differ much, but the convergence speeds are relatively slow, and the recognition results fluctuate a lot in the slope of the given signal. From the derivation of the algorithm, it can be seen that the recognition process depends on the transient process of the motor speed rise, while the acceleration is small and the transient process is short when the ramp is given, which is not conducive to the recognition.
(3)
Forgetting factor
As mentioned before, the forgetting factor λ affects the convergence speed and volatility of the identification results. In the real working condition, the weapon station will have the situation of sudden unloading, which leads to the sudden change in inertia on the load side. Therefore, relevant experiments are needed to verify the robustness of the algorithm. Figure 10c shows the recognition waveforms under different forgetting factors when the load inertia is suddenly reduced at 0.5 s. When λ = 1, the convergence is still not possible within 0.5 s, and the convergence speed is slow, but the waveform of the recognition result is smoother; when λ = 0.99, the recognition result is re-converged to the vicinity of the true value within 0.1 s, and the convergence speed is fast, but there are many signal burrs and fluctuation is large.
After comprehensive consideration, in the mechanical parameter identification experiment, this paper selected a sinusoidal signal as the given signal, with forgetting factor λ = 0.99. Discretization time needs to be based on the performance of the controller and other algorithms to further determine the time required.

6. Experimental Verification

Details on the experimental platform of this research’s software platform and hardware platform are shown in Figure 11 and Figure 12.
The controller of the experimental platform uses the DSP TMS320F28335 chip from Texas Instruments (Dallas, TX, USA). The three-phase currents of the motor are obtained through the sampling module. Through the real-time position feedback from the 18 bits AS5047P absolute encoder, the ePWM output duty cycle is calculated and updated to drive the motor rotation. The load-side controller is the same as that of the drive-side, and both transmit position signals in both directions via CAN communication. The experimental platform uses two M02430LBX motors.
The parameters of the platform are shown in Table 4 below.
The iterative algorithm is a fifth-order matrix operation, which takes more time, and FFRLS also has requirements for discrete time (i.e., sampling time), so it is necessary to test the algorithm time. The clock period of the controller used in the experiment is 0.67 ns, and the running time of the test programmed using breakpoints is 4994 clock cycles (33 μs) for the motor control programmed. The time of the parameter recognition algorithm is shown in Table 5, with a total running time of 84 μs for no-load operation, and 121 μs for with-load operation. When the current loop control frequency is 10 kHz and the speed loop control frequency is 1 kHz, the recognition time in the loaded case the discrimination time exceeds one current loop cycle. In order to simplify the control and improve the recognition accuracy as much as possible, the sampling time is 0.0002 s.
Given nr* = 200 + 200 sin (5πt) rpm with sinusoidal speed, the system response waveform and the convergence waveform of the discriminated values of mechanical parameters are shown in Figure 13. It is considered to be basically converged in 0.6 s, and the discriminated values of the drive motor inertia, load inertia, and shaft stiffness in 2 s are 1.93 × 10−4 kg·m2, 1.98 × 10−4 kg·m2, and 304.5 N·m/rad, with identification errors of 5.82%, 8.90%, and 1.02%, respectively.
Figure 14 shows the system response and recognition waveforms when the load inertia changes suddenly. The load inertia decreases from 2 Jl to Jl at 2 s, the drive motor inertia and shaft stiffness converge to the real value after fluctuation, while the load inertia converges slower and the recognition accuracy decreases from 2.2% to 4.95%, which is due to the fact that the covariance matrix P is not re-initialized.
The experiment shows that the mechanical parameter identification algorithm of the dual-inertia system can simultaneously identify three main mechanical parameters online. From the experiment results shown in Figure 13 and Figure 14, all the identification errors are less than 10%, which shows the algorithm has high identification accuracy and certain robustness.

7. Conclusions

In this paper, a new algorithm is constructed and validated using recursive least squares with forgetting factor for the problem of identifying the mechanical parameters of a two-inertia elastic system. First, the dual-inertia system is modeled and analyzed to obtain its mathematical model. Second, using the recursive least squares method with forgetting factor, an online identification algorithm for the main mechanical parameters of the dual-inertia system is constructed, and the drive motor inertia, load inertia, and coupling stiffness of the system are accurately obtained. This backstepping adaptive controller based on backtracking compensation can effectively compensate for the backtracking effect, improve the stability of the system, and realize accurate tracking. Finally, the algorithm is simulated and experimentally verified. The experimental results show that the algorithm can recognize the three main mechanical parameters at the same time, with high recognition accuracy and a certain robustness. However, when the system structure is unknown (single inertia, thrip inertia, and above), the identification algorithm cannot be implemented, making it necessary to conduct research on systematization and generalization algorithms in a nonlinear system.

Author Contributions

Conceptualization, B.W. and H.Y.; Methodology, B.W., R.J. and K.L.; Software, B.W. and C.Z.; Validation, B.W. and C.Z.; Formal analysis, B.W.; Investigation, B.W. and K.L.; Resources, B.W. and H.Y.; Data curation, B.W., R.J., C.Z. and H.Y.; Writing—original draft, B.W. and R.J.; Writing—review & editing, B.W., R.J. and W.H.; Supervision, K.L. and W.H.; Project administration, W.H. and H.Y.; Funding acquisition, K.L. All authors have read and agreed to the published version of the manuscript.

Funding

This research was funded by Tianjin Navigation Instruments Research Institute, grant number 62602010313.

Data Availability Statement

The original contributions presented in this study are included in the article. Further inquiries can be directed to the corresponding author.

Conflicts of Interest

Author Bo Wang was employed by the company Xi’an Modern Control Technology Institute. The remaining authors declare that the research was conducted in the absence of any commercial or financial relationships that could be construed as a potential conflict of interest.

Abbreviation

PMSMpermanent magnet synchronous motor
OEoutput error
PRBSpseudo-random binary sequence
ARXautoregressive exogenous system
ARFanti-resonance frequency
NTFnatural torsional frequency
LSleast square
RLSrecursive least square
FFRLSforgetting factor recursive least square
Jmdrive motor rotor inertia
Jlload inertia
Teelectromagnetic torque
Tlload torque
Tgtorque of shaft
ωmelectromagnetic speed
ωlload rotation speed
θmmechanical angle of rotor
θlmechanical angle of load
iqq-axis current
Ktorsional stiffness
blviscosity coefficient of load
bmviscosity coefficient of motor
cdamping coefficient
εclearance
λforgetting factor

References

  1. Chang, H.; Lu, S.; Zheng, S.; Shi, P.; Song, B. Integrated Parameter Identification Based on a Topological Structure for Servo Resonance Suppression. IEEE Trans. Ind. Electron. 2024, 71, 4541–4550. [Google Scholar] [CrossRef]
  2. Thenozhi, S.; Concha, A.; Resendiz, J.R. A Contraction Theory-based Tracking Control Design with Friction Identification and Compensation. IEEE Trans. Ind. Electron. 2022, 69, 6111–6120. [Google Scholar] [CrossRef]
  3. Song, Z.; Mei, X.; Jiang, G. Inertia Identification based on Model Reference Adaptive System with Variable Gain for AC Servo Systems. In Proceedings of the International Conference on Mechatronics and Automation (ICMA), Takamatsu, Japan, 6–9 August 2017; IEEE: Takamatsu, Japan, 2017; pp. 188–192. [Google Scholar]
  4. Lian, C.; Xiao, F.; Gao, S.; Liu, L. Load Torque and Moment of Inertia Identification for Permanent Magnet Synchronous Motor Drives Based on Sliding Mode Observer. IEEE Trans. Power Electron. 2019, 34, 5675–5683. [Google Scholar] [CrossRef]
  5. Zhang, Y.; Huang, X.; Xu, J. An Identification Method of Equivalent Mechanical Parameters of Ironless Permanent Magnet Synchronous Linear Motor Based on Stribeck Model. In Proceedings of the 2023 IEEE International Conference on Predictive Control of Electrical Drives and Power Electronics (PRECEDE), Wuhan, China, 16–19 June 2023; IEEE: Wuhan, China, 2023; pp. 1–6. [Google Scholar]
  6. Abirami, M.; Balakrishnan, P. DTC-FOC Hybrid Controller to Control the Speed and Torque of BLDC Motor. In Proceedings of the 2023 Innovations in Power and Advanced Computing Technologies (i-PACT), Kuala Lumpur, Malaysia, 8–10 December 2023; pp. 1–6. [Google Scholar] [CrossRef]
  7. Saarakkala, S.E.; Hinkkanen, M. Identification of Two-Mass Mechanical Systems Using Torque Excitation: Design and Experimental Evaluation. IEEE Trans. Ind. Appl. 2015, 51, 4180–4189. [Google Scholar] [CrossRef]
  8. Saarakkala, S.E.; Hinkkanen, M. Identification of Two-mass Mechanical Systems in Closed-loop Speed Control. In Proceedings of the Annual Conference of the IEEE Industrial Electronics Society (IECON), Vienna, Austria, 10–13 November 2013; IEEE: Vienna, Austria, 2013; pp. 2905–2910.1. [Google Scholar]
  9. Luczak, D.; Pajchrowski, T. Application of Adaptive Neural Controller and Filter Tune for Multi-Mass Drive System. In Proceedings of the 2018 20th European Conference on Power Electronics and Applications (EPE’18 ECCE Europe), Riga, Latvia, 17–21 September 2018; pp. 1–9. [Google Scholar]
  10. Zoubek, H.; Pacas, M. Encoderless Identification of Two-Mass-Systems Utilizing an Extended Speed Adaptive Observer Structure. IEEE Trans. Ind. Electron. 2016, 64, 595–604. [Google Scholar] [CrossRef]
  11. Zhou, R.; Yang, M.; Shang, C.; Zeng, Q. A Frequency Domain Identification Method of General Mechanical Drive System. In Proceedings of the 2023 IEEE 4th China International Youth Conference on Electrical Engineering (CIYCEE), Chengdu, China, 8–10 December 2023; pp. 1–7. [Google Scholar] [CrossRef]
  12. Wang, C.; Pan, J.; Hong, Y.; Liu, Y. Design Mechanism of Sampling Frequency on Mechanical Parameter Identification in a Two-Mass Servo Drive System. In Proceedings of the International Conference on Electrical Machines and Systems (ICEMS), Harbin, China, 11–14 August 2019; pp. 1–5. [Google Scholar]
  13. Wu, H.; Fan, K. A Survey of Resonance Frequency Detection in Robot Joint Systems. In Proceedings of the IEEE International Conference on Mechatronics and Automation (ICMA), Beijing, China, 13–16 October 2020; pp. 496–501. [Google Scholar]
  14. Wang, C. Research on Mechanical Parameter Identification and Oscillation Suppression Technology for Servo Drive System. Ph.D. Thesis, Harbin Institute of Technology, Harbin, China, 2018. [Google Scholar]
  15. Gontrand, C. Digital Communication Techniques; Wiley-IEEE Press: Piscataway, NJ, USA, 2020. [Google Scholar]
  16. Yang, M.; Qu, W.Y.; Chen, Y.Y.; Xu, D.G. Online Inertia Identification of Servo Systems Based on Variable-period Recursive Least Squares and Kalman Observer. J. Electr. Eng. 2018, 33, 367–376. [Google Scholar]
Figure 1. Gap model: (a) dead zone model of backlash nonlinearity; (b) approximate dead zone model.
Figure 1. Gap model: (a) dead zone model of backlash nonlinearity; (b) approximate dead zone model.
Energies 18 00079 g001
Figure 2. Dual-inertia system diagram.
Figure 2. Dual-inertia system diagram.
Energies 18 00079 g002
Figure 3. Simplified block diagram of dual-inertia system.
Figure 3. Simplified block diagram of dual-inertia system.
Energies 18 00079 g003
Figure 4. Flowchart of system identification procedure.
Figure 4. Flowchart of system identification procedure.
Energies 18 00079 g004
Figure 5. The Simulink model for algorithm validation.
Figure 5. The Simulink model for algorithm validation.
Energies 18 00079 g005
Figure 6. Given current chirp signal and motor speed response.
Figure 6. Given current chirp signal and motor speed response.
Energies 18 00079 g006
Figure 7. Sweeping FFT analysis results.
Figure 7. Sweeping FFT analysis results.
Energies 18 00079 g007
Figure 8. Convergence of parameter values in the discrete domain.
Figure 8. Convergence of parameter values in the discrete domain.
Energies 18 00079 g008
Figure 9. Simulation results of mechanical parameter identification of dual-inertia system: (a) motor speed waveform; (b) drive motor inertia identification results; (c) shaft stiffness identification results; (d) load inertia recognition results.
Figure 9. Simulation results of mechanical parameter identification of dual-inertia system: (a) motor speed waveform; (b) drive motor inertia identification results; (c) shaft stiffness identification results; (d) load inertia recognition results.
Energies 18 00079 g009
Figure 10. Analysis of factors affecting identification accuracy: (a) different sampling times; (b) different speed feed signal forms; (c) different forgetting factors.
Figure 10. Analysis of factors affecting identification accuracy: (a) different sampling times; (b) different speed feed signal forms; (c) different forgetting factors.
Energies 18 00079 g010
Figure 11. Implementation flowchart.
Figure 11. Implementation flowchart.
Energies 18 00079 g011
Figure 12. Experimental platform.
Figure 12. Experimental platform.
Energies 18 00079 g012
Figure 13. Experimental results of parameter identification of dual-inertia system: (a) motor speed waveform; (b) motor inertia recognition results; (c) shaft stiffness identification results; (d) load inertia identification results.
Figure 13. Experimental results of parameter identification of dual-inertia system: (a) motor speed waveform; (b) motor inertia recognition results; (c) shaft stiffness identification results; (d) load inertia identification results.
Energies 18 00079 g013
Figure 14. Experimental results of parameter identification of a two-inertia system with sudden load inertia reduction: (a) motor speed waveform; (b) motor inertia recognition results; (c) shaft stiffness identification results; (d) load inertia identification results.
Figure 14. Experimental results of parameter identification of a two-inertia system with sudden load inertia reduction: (a) motor speed waveform; (b) motor inertia recognition results; (c) shaft stiffness identification results; (d) load inertia identification results.
Energies 18 00079 g014
Table 1. Main parameters of the motor.
Table 1. Main parameters of the motor.
ParametersValue
Rated power (W)750
Rated current (A)3
Rated torque (N·m)2.39
Poles5
Inertia (kg·m2)1.82 × 10−4
Table 2. Simulation results of mechanical parameter identification of dual-inertia system.
Table 2. Simulation results of mechanical parameter identification of dual-inertia system.
ParametersTure ValueIdentification
Value
Identification
Error (%)
Jm (kg·m2)1.82 × 10−41.813 × 10−40.38
Jl (kg·m2)1.82 × 10−41.828 × 10−40.44
K (N·m/rad)301.36301.70.11
Table 3. Parameter identification results for different given speeds.
Table 3. Parameter identification results for different given speeds.
No.Given TypeValue (rpm)Jm Identification
Error (%)
Jl Identification
Error (%)
K Identification
Error (%)
1Step500.050.530.44
22000.290.440.59
3Ramp1000 t0.380.0640.3
44000 t0.420.206.85
5Sine200 sin (5πt)0.050.570.46
6200 sin (10πt)0.160.370.49
Table 4. Dual-inertia system experimental platform parameters.
Table 4. Dual-inertia system experimental platform parameters.
ParametersValues
Switching frequency (Hz)10 k
Rated power (W)750
Rated current (A)2
Rated rotation speed (rpm)3000
Rotor inertia (kg·m2)1.82 × 10−4
ADC resolution12 bits
DAC resolution12 bits
Table 5. Dual-inertia system parameter identification time test.
Table 5. Dual-inertia system parameter identification time test.
Load ConditionOrder of
Operation
Iteration
Duration
Conversion TimeTotal Duration
Unladen446 μs5 μs51 μs
Payload584 μs4 μs88 μs
Disclaimer/Publisher’s Note: The statements, opinions and data contained in all publications are solely those of the individual author(s) and contributor(s) and not of MDPI and/or the editor(s). MDPI and/or the editor(s) disclaim responsibility for any injury to people or property resulting from any ideas, methods, instructions or products referred to in the content.

Share and Cite

MDPI and ACS Style

Wang, B.; Ji, R.; Zhou, C.; Liu, K.; Hua, W.; Ye, H. Online Identification Method for Mechanical Parameters of Dual-Inertia Servo System. Energies 2025, 18, 79. https://doi.org/10.3390/en18010079

AMA Style

Wang B, Ji R, Zhou C, Liu K, Hua W, Ye H. Online Identification Method for Mechanical Parameters of Dual-Inertia Servo System. Energies. 2025; 18(1):79. https://doi.org/10.3390/en18010079

Chicago/Turabian Style

Wang, Bo, Runze Ji, Chengpeng Zhou, Kai Liu, Wei Hua, and Hairong Ye. 2025. "Online Identification Method for Mechanical Parameters of Dual-Inertia Servo System" Energies 18, no. 1: 79. https://doi.org/10.3390/en18010079

APA Style

Wang, B., Ji, R., Zhou, C., Liu, K., Hua, W., & Ye, H. (2025). Online Identification Method for Mechanical Parameters of Dual-Inertia Servo System. Energies, 18(1), 79. https://doi.org/10.3390/en18010079

Note that from the first issue of 2016, this journal uses article numbers instead of page numbers. See further details here.

Article Metrics

Back to TopTop