Sign in to use this feature.

Years

Between: -

Subjects

remove_circle_outline
remove_circle_outline
remove_circle_outline

Journals

Article Types

Countries / Regions

Search Results (8)

Search Parameters:
Keywords = driven right leg

Order results
Result details
Results per page
Select all
Export citation of selected articles as:
20 pages, 2731 KB  
Article
A Fully Differential Analog Front-End for Signal Processing from EMG Sensor in 28 nm FDSOI Technology
by Vilem Kledrowetz, Roman Prokop, Lukas Fujcik and Jiri Haze
Sensors 2023, 23(7), 3422; https://doi.org/10.3390/s23073422 - 24 Mar 2023
Cited by 5 | Viewed by 5715
Abstract
This paper presents a novel analog front-end for EMG sensor signal processing powered by 1 V. Such a low supply voltage requires specific design steps enabled using the 28 nm fully depleted silicon on insulator (FDSOI) technology from STMicroelectronics. An active ground circuit [...] Read more.
This paper presents a novel analog front-end for EMG sensor signal processing powered by 1 V. Such a low supply voltage requires specific design steps enabled using the 28 nm fully depleted silicon on insulator (FDSOI) technology from STMicroelectronics. An active ground circuit is implemented to keep the input common-mode voltage close to the analog ground and to minimize external interference. The amplifier circuit comprises an input instrumentation amplifier (INA) and a programmable-gain amplifier (PGA). Both are implemented in a fully differential topology. The actual performance of the circuit is analyzed using the corner and Monte Carlo analyses that comprise fifth-hundred samples for the global and local process variations. The proposed circuit achieves a high common-mode rejection ratio (CMRR) of 105.5 dB and a high input impedance of 11 GΩ with a chip area of 0.09 mm2. Full article
Show Figures

Figure 1

11 pages, 2022 KB  
Article
Characterization of Leg Push Forces and Their Relationship to Velocity in On-Water Sprint Kayaking
by Kent K. Klitgaard, Hans Rosdahl, Rene B. K. Brund, John Hansen and Mark de Zee
Sensors 2021, 21(20), 6790; https://doi.org/10.3390/s21206790 - 13 Oct 2021
Cited by 8 | Viewed by 4178
Abstract
The purpose of this work was to describe the leg-muscle-generated push force characteristics in sprint kayak paddlers for females and males on water. Additionally, the relationship between leg pushing force characteristics and velocity was investigated. Twenty-eight paddlers participated in the study. The participants [...] Read more.
The purpose of this work was to describe the leg-muscle-generated push force characteristics in sprint kayak paddlers for females and males on water. Additionally, the relationship between leg pushing force characteristics and velocity was investigated. Twenty-eight paddlers participated in the study. The participants had five minutes of self-chosen warm-up and were asked to paddle at three different velocities, including maximal effort. Left- and right-side leg extension force were collected together with velocity. Linear regression analyses were performed with leg extension force characteristics as independent variables and velocity as the dependent variable. A second linear regression analysis investigated the effect of paddling velocity on different leg extension force characteristics with an explanatory model. The results showed that the leg pushing force elicits a sinus-like pattern, increasing and decreasing throughout the stroke cycle. Impulse over 10 s showed the highest correlation to maximum velocity (r = 0.827, p < 0.01), while a strong co-correlation was observed between the impulse per stroke cycle and mean force (r = 0.910, p < 0.01). The explanatory model results revealed that an increase in paddling velocity is, among other factors, driven by increased leg force. Maximal velocity could predict 68% of the paddlers’ velocity within 1 km/h with peak leg force, impulse over 10 s, and stroke rate (p-value < 0.001, adjusted R-squared = 0.8). Sprint kayak paddlers elicit a strong positive relationship between leg pushing forces and velocity. The results confirm that sprint kayakers’ cyclic leg movement is a key part of the kayaking technique. Full article
(This article belongs to the Collection Sensor Technology for Sports Science)
Show Figures

Figure 1

21 pages, 11706 KB  
Article
Novel Stable Capacitive Electrocardiogram Measurement System
by Chi-Chun Chen, Shu-Yu Lin and Wen-Ying Chang
Sensors 2021, 21(11), 3668; https://doi.org/10.3390/s21113668 - 25 May 2021
Cited by 14 | Viewed by 6015
Abstract
This study presents a noncontact electrocardiogram (ECG) measurement system to replace conventional ECG electrode pads during ECG measurement. The proposed noncontact electrode design comprises a surface guard ring, the optimal input resistance, a ground guard ring, and an optimal voltage divider feedback. The [...] Read more.
This study presents a noncontact electrocardiogram (ECG) measurement system to replace conventional ECG electrode pads during ECG measurement. The proposed noncontact electrode design comprises a surface guard ring, the optimal input resistance, a ground guard ring, and an optimal voltage divider feedback. The surface and ground guard rings are used to reduce environmental noise. The optimal input resistor mitigates distortion caused by the input bias current, and the optimal voltage divider feedback increases the gain. Simulated gain analysis was subsequently performed to determine the most suitable parameters for the design, and the system was combined with a capacitive driven right leg circuit to reduce common-mode interference. The present study simulated actual environments in which interference is present in capacitive ECG signal measurement. Both in the case of environmental interference and motion artifact interference, relative to capacitive ECG electrodes, the proposed electrodes measured ECG signals with greater stability. In terms of R–R intervals, the measured ECG signals exhibited a 98.6% similarity to ECGs measured using contact ECG systems. The proposed noncontact ECG measurement system based on capacitive sensing is applicable for use in everyday life. Full article
(This article belongs to the Special Issue Advances in ECG Sensing and Monitoring)
Show Figures

Figure 1

15 pages, 5373 KB  
Article
Development and Test of a Portable ECG Device with Dry Capacitive Electrodes and Driven Right Leg Circuit
by Alessandro Zompanti, Anna Sabatini, Simone Grasso, Giorgio Pennazza, Giuseppe Ferri, Gianluca Barile, Massimo Chello, Mario Lusini and Marco Santonico
Sensors 2021, 21(8), 2777; https://doi.org/10.3390/s21082777 - 15 Apr 2021
Cited by 29 | Viewed by 8878
Abstract
The use of wearable sensors for health monitoring is rapidly growing. Over the past decade, wearable technology has gained much attention from the tech industry for commercial reasons and the interest of researchers and clinicians for reasons related to its potential benefit on [...] Read more.
The use of wearable sensors for health monitoring is rapidly growing. Over the past decade, wearable technology has gained much attention from the tech industry for commercial reasons and the interest of researchers and clinicians for reasons related to its potential benefit on patients’ health. Wearable devices use advanced and specialized sensors able to monitor not only activity parameters, such as heart rate or step count, but also physiological parameters, such as heart electrical activity or blood pressure. Electrocardiogram (ECG) monitoring is becoming one of the most attractive health-related features of modern smartwatches, and, because cardiovascular disease (CVD) is one of the leading causes of death globally, the use of a smartwatch to monitor patients could greatly impact the disease outcomes on health care systems. Commercial wearable devices are able to record just single-lead ECG using a couple of metallic contact dry electrodes. This kind of measurement can be used only for arrhythmia diagnosis. For the diagnosis of other cardiac disorders, additional ECG leads are required. In this study, we characterized an electronic interface to be used with multiple contactless capacitive electrodes in order to develop a wearable ECG device able to perform several lead measurements. We verified the ability of the electronic interface to amplify differential biopotentials and to reject common-mode signals produced by electromagnetic interference (EMI). We developed a portable device based on the studied electronic interface that represents a prototype system for further developments. We evaluated the performances of the developed device. The signal-to-noise ratio of the output signal is favorable, and all the features needed for a clinical evaluation (P waves, QRS complexes and T waves) are clearly readable. Full article
(This article belongs to the Special Issue Wearable/Wireless Body Sensor Networks for Healthcare Applications)
Show Figures

Figure 1

17 pages, 41705 KB  
Article
Common-Mode Voltage Reduction in Capacitive Sensing of Biosignal Using Capacitive Grounding and DRL Electrode
by Tadeas Bednar, Branko Babusiak, Michal Labuda, Milan Smetana and Stefan Borik
Sensors 2021, 21(7), 2568; https://doi.org/10.3390/s21072568 - 6 Apr 2021
Cited by 10 | Viewed by 4656
Abstract
A capacitive measurement of the biosignals is a very comfortable and unobtrusive way suitable for long-term and wearable monitoring of health conditions. This type of sensing is very susceptible to noise from the surroundings. One of the main noise sources is power-line noise, [...] Read more.
A capacitive measurement of the biosignals is a very comfortable and unobtrusive way suitable for long-term and wearable monitoring of health conditions. This type of sensing is very susceptible to noise from the surroundings. One of the main noise sources is power-line noise, which acts as a common-mode voltage at the input terminals of the acquisition unit. The origin and methods of noise reduction are described on electric models. Two methods of noise removal are modeled and experimentally verified in the paper. The first method uses a passive capacitive grounding electrode, and the second uses an active capacitive Driven Right Leg (DRL) electrode. The effect of grounding electrode size on noise suppression is experimentally investigated. The increasing electrode area reduces power-line noise: the power of power-line frequency within the measured signal is 70.96 dB, 59.13 dB, and 43.44 dB for a grounding electrode area of 1650 cm2, 3300 cm2, and 4950 cm2, respectively. The capacitive DRL electrode shows better efficiency in common-mode noise rejection than the grounding electrode. When using an electrode area of 1650 cm2, the DRL achieved 46.3 dB better attenuation than the grounding electrode at power-line frequency. In contrast to the grounding electrode, the DRL electrode reduces a capacitive measurement system’s financial costs due to the smaller electrode area made of the costly conductive textile. Full article
(This article belongs to the Special Issue Sensors, Circuit and System for Biomedical Applications)
Show Figures

Figure 1

19 pages, 10116 KB  
Article
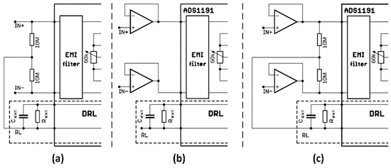
Two-Electrode ECG for Ambulatory Monitoring with Minimal Hardware Complexity
by Branko Babusiak, Stefan Borik and Maros Smondrk
Sensors 2020, 20(8), 2386; https://doi.org/10.3390/s20082386 - 22 Apr 2020
Cited by 16 | Viewed by 18377
Abstract
This article introduces a two-electrode ground-free electrocardiogram (ECG) with minimal hardware complexity, which is ideal for wearable battery-powered devices. The main issue of ground-free measurements is the presence of noise. Therefore, noise suppression methods that can be employed for a two-electrode ECG acquisition [...] Read more.
This article introduces a two-electrode ground-free electrocardiogram (ECG) with minimal hardware complexity, which is ideal for wearable battery-powered devices. The main issue of ground-free measurements is the presence of noise. Therefore, noise suppression methods that can be employed for a two-electrode ECG acquisition system are discussed in detail. Experimental measurements of a living subject and patient simulator are used to investigate and compare the performance of the three proposed methods utilizing the ADS1191 analogue front-end for biopotential measurements. The resulting signals recorded for the simulator indicate that all three methods should be suitable for suppressing power-line noise. The Power Spectral Density (PSD) of the signals measured for a subject exhibits differences across methods; the signal power at 50 Hz is −28, −24.8, and −26 dB for the first, second, and third method, respectively. The digital postprocessing of measured signals acquired a high-quality ECG signal comparable to that of three-electrode sensing. The current consumption measurements demonstrate that all proposed two-electrode ECG solutions are appropriate as a battery-powered device (current consumption < 1.5 mA; sampling rate of 500 SPS). The first method, according to the results, is considered the most effective method in the suppression of power-line noise, current consumption, and hardware complexity. Full article
(This article belongs to the Section Biomedical Sensors)
Show Figures

Figure 1

17 pages, 6787 KB  
Article
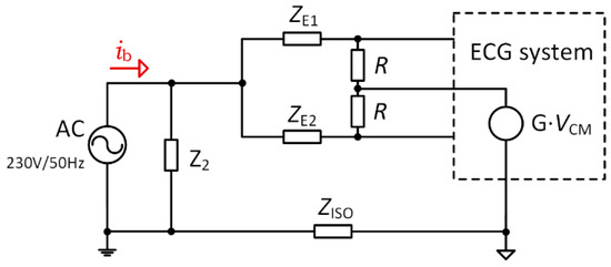
An Interference Suppression Method for Non-Contact Bioelectric Acquisition
by Yue Tang, Ronghui Chang, Limin Zhang and Feng Yan
Electronics 2020, 9(2), 293; https://doi.org/10.3390/electronics9020293 - 8 Feb 2020
Cited by 8 | Viewed by 4452
Abstract
For non-contact bioelectrical acquisition, a new interference suppression method, named ‘noise neutralization method’, is proposed in this paper. Compared with the traditional capacitive driven-right-leg method, the proposed method is characterized with that there is an optimal gain to achieve the minimum interference output [...] Read more.
For non-contact bioelectrical acquisition, a new interference suppression method, named ‘noise neutralization method’, is proposed in this paper. Compared with the traditional capacitive driven-right-leg method, the proposed method is characterized with that there is an optimal gain to achieve the minimum interference output whatever for the electrode interface impedance mismatch caused by body motion and is more effective for smaller reference electrode areas. The performance of traditional capacitive driven-right-leg method is analyzed and the difficulty to suppress interference in the case of the interface impedance mismatch is pointed out. Therefore, a noise neutralization method is proposed by applying the reference electrode and a 50 Hz band-pass filter to obtain the interference of the human body and adapting the gains to neutralize the interference inputs of two acquisition electrodes and achieve the minimum interference output. The performance of the proposed method is theoretically analyzed and verified by the experiment results, which shows that the proposed method has similar performance to that of the traditional capacitive driven-right-leg method with electrode interface impedance match, while has better interference suppression ability with electrode interface impedance mismatch caused by body motion. It is suggested that the proposed method can be preferred in the case of limited reference electrode area or interface impedance mismatch. Full article
(This article belongs to the Special Issue Design and Application of Biomedical Circuits and Systems)
Show Figures

Figure 1

19 pages, 8448 KB  
Article
Development of a Single Leg Knee Exoskeleton and Sensing Knee Center of Rotation Change for Intention Detection
by Dae-Hoon Moon, Donghan Kim and Young-Dae Hong
Sensors 2019, 19(18), 3960; https://doi.org/10.3390/s19183960 - 13 Sep 2019
Cited by 22 | Viewed by 10559
Abstract
In this study, we developed a single leg knee joint assistance robot. Commonly used exoskeletons have a left-right pair, but when only one leg of the wearer is uncomfortable, it is effective to wear the exoskeleton on only the uncomfortable leg. The designed [...] Read more.
In this study, we developed a single leg knee joint assistance robot. Commonly used exoskeletons have a left-right pair, but when only one leg of the wearer is uncomfortable, it is effective to wear the exoskeleton on only the uncomfortable leg. The designed exoskeleton uses a lightweight material and uses a wire-driven actuator, which reduces the weight of the driving section that is attached on the knee directly. Therefore, proposed exoskeleton reduces the force of inertia that the wearer experiences. In addition, the lower frame length of the exoskeleton can be changed to align with the complex movement of the knee. Furthermore, the length between the knee center of rotation and the ankle (LBKA) is measured by using this structure, and the LBKA values are used as the data for intention detection. These value helps to detect the intention because it changes faster than a motor encoder value. A neural network was trained using the motor encoder values, and LBKA values. Neural network detects the intention of three motions (stair ascending, stair descending, and walking), Training results showed that intention detection was good in various environments. Full article
Show Figures

Figure 1

Back to TopTop