error_outline You can access the new MDPI.com website here. Explore and share your feedback with us.
 
 
Sign in to use this feature.

Years

Between: -

Subjects

remove_circle_outline
remove_circle_outline
remove_circle_outline

Journals

Article Types

Countries / Regions

Search Results (2)

Search Parameters:
Keywords = decentralized hybrid HVDC system

Order results
Result details
Results per page
Select all
Export citation of selected articles as:
27 pages, 1208 KB  
Article
State Estimation for Hybrid VSC Based HVDC/AC Transmission Networks
by Motaz Ayiad, Helder Leite and Hugo Martins
Energies 2020, 13(18), 4932; https://doi.org/10.3390/en13184932 - 20 Sep 2020
Cited by 13 | Viewed by 4991
Abstract
As the integration of High Voltage Direct Current (HVDC) systems on modern power networks continues to expand, challenges have appeared in different fields of the network architecture. In the Supervisory, Control and Data Acquisition (SCADA) field, software and toolboxes are expected to be [...] Read more.
As the integration of High Voltage Direct Current (HVDC) systems on modern power networks continues to expand, challenges have appeared in different fields of the network architecture. In the Supervisory, Control and Data Acquisition (SCADA) field, software and toolboxes are expected to be modified to meet the new network characteristics. Therefore, this paper presents a unified Weighted Least Squares (WLS) state estimation algorithm suitable for hybrid HVDC/AC transmission systems, based on Voltage Source Converter (VSC). The mathematical formulas of the unified approach are derived for modelling the AC, DC and converter coupling components. The method couples the AC and DC sides of the converter through power and voltage constraints and measurement functions. Two hybrid power system test cases have been studied to validate this work, a 4-AC/4-DC/4-AC network and Cigre B4 DC test case network. Furthermore, comparison between the fully decentralized state estimation and the unified method is provided, which indicated an accuracy improvement and error reduction. Full article
(This article belongs to the Special Issue Hybrid AC/DC Transmission Grids)
Show Figures

Figure 1

17 pages, 2002 KB  
Article
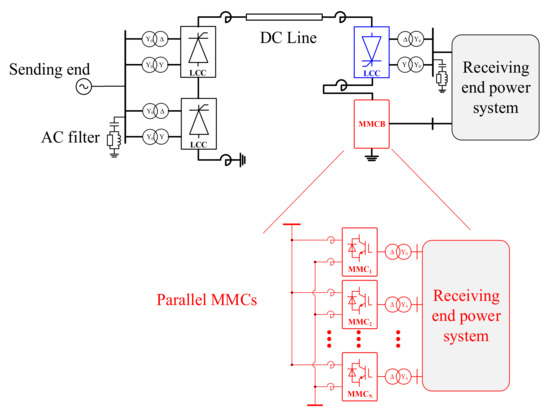
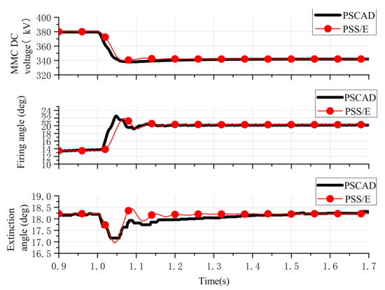
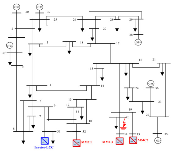
Electromechanical Transient Modeling and Control Strategy of Decentralized Hybrid HVDC Systems
by Guoteng Wang, Huangqing Xiao, Liang Xiao, Zheren Zhang and Zheng Xu
Energies 2019, 12(15), 2856; https://doi.org/10.3390/en12152856 - 24 Jul 2019
Cited by 5 | Viewed by 3249
Abstract
This paper studies the electromechanical transient model and the control strategy of line commutated converter (LCC) and modular multilevel converter (MMC) based decentralized hybrid High Voltage Direct Current (HVDC) Transmission systems. The decentralized hybrid HVDC system is a new type of topology, and [...] Read more.
This paper studies the electromechanical transient model and the control strategy of line commutated converter (LCC) and modular multilevel converter (MMC) based decentralized hybrid High Voltage Direct Current (HVDC) Transmission systems. The decentralized hybrid HVDC system is a new type of topology, and the related electromechanical transient model and control strategy have not been studied well. In this paper, the electromechanical transient model of a decentralized hybrid HVDC system is devloped through mathematical deduction. This model can be easily implemented in electromechanical transient simulation software and meet the time domain simulation requirements of large-scale systems. Then, in order to ensure the safe absorption of the DC power under various conditions, an optimal power flow model considering the decentralized hybrid HVDC system is proposed. Finally, the electromechanical transient model proposed in this paper is verified by the electromagnetic transient model, and the control strategy is validated in a modified New England 39-bus system. Full article
Show Figures

Graphical abstract

Back to TopTop