Sign in to use this feature.

Years

Between: -

Subjects

remove_circle_outline
remove_circle_outline
remove_circle_outline

Journals

Article Types

Countries / Regions

Search Results (2)

Search Parameters:
Keywords = chopping amplification technology

Order results
Result details
Results per page
Select all
Export citation of selected articles as:
16 pages, 6156 KB  
Article
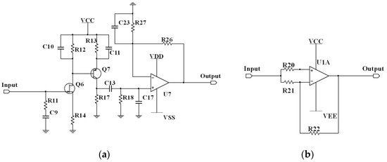
A Low-Noise Amplifier for Submarine Electric Field Signal Based on Chopping Amplification Technology
by Fenghai Liu, Shaoheng Chun, Rujun Chen, Chao Xu and Xun Cao
Sensors 2024, 24(5), 1417; https://doi.org/10.3390/s24051417 - 22 Feb 2024
Cited by 5 | Viewed by 1986
Abstract
In the exploration of ocean resources, the submarine electric field signal plays a crucial role through marine electromagnetic methods. However, due to the field signal’s low-frequency and weak characteristics, it often encounters interference from the instrument’s own 1/f noise during its [...] Read more.
In the exploration of ocean resources, the submarine electric field signal plays a crucial role through marine electromagnetic methods. However, due to the field signal’s low-frequency and weak characteristics, it often encounters interference from the instrument’s own 1/f noise during its acquisition. To address this issue, we developed a low-noise amplifier for the submarine electric field signal based on chopping amplification technology. This amplifier utilizes low-temperature electronic components to adapt to the cold submarine environment and enhances its independence by incorporating a square wave generator. Additionally, we conducted simulations and experimental tests on the designed chopper amplifier circuit, evaluating the equivalent input voltage noise spectrum (EIVNS) and the frequency response within 1 mHz~100 Hz. The experimental results indicate that the amplifier designed in this study achieves sufficiently low noise 2 nV/Hz@1 mHz, effectively amplifying the submarine electric field signal measured with the electric field sensor. Full article
(This article belongs to the Section Electronic Sensors)
Show Figures

Figure 1

15 pages, 1712 KB  
Article
High-CMRR Low-Noise Fully Integrated Front-End for EEG Acquisition Systems
by Robert Chebli, Mohamed Ali and Mohamad Sawan
Electronics 2019, 8(10), 1157; https://doi.org/10.3390/electronics8101157 - 12 Oct 2019
Cited by 7 | Viewed by 6016
Abstract
We present in this paper a fully integrated low-noise high common-mode rejection ratio (CMRR) logarithmic programmable gain amplifier (LPGA) and chopped LPGA circuits for EEG acquisition systems. The proposed LPGA is based on a rail-to-rail true logarithmic amplifier (TLA) stage. The high CMRR [...] Read more.
We present in this paper a fully integrated low-noise high common-mode rejection ratio (CMRR) logarithmic programmable gain amplifier (LPGA) and chopped LPGA circuits for EEG acquisition systems. The proposed LPGA is based on a rail-to-rail true logarithmic amplifier (TLA) stage. The high CMRR achieved in this work is a result of cascading three amplification stages to construct the LPGA in addition to the lower common-mode gain of the proposed logarithmic amplification topology. In addition, the 1 / f noise and the inherent DC offset voltage of the input transistors are reduced using a chopper stabilization technique. The CMOS 180 nm standard technology is used to implement the circuits. Experimental results for the integrated LPGA show a CMRR of 140 dB, a differential gain of 37 dB, an input-referred noise of 0.754 μ Vrms, a 189 μ W power consumption from 1.8 V power supply and occupies an active area of 0.4 mm 2 . Full article
(This article belongs to the Special Issue Nanoscale CMOS Technologies)
Show Figures

Figure 1

Back to TopTop