High-Impedance Fault Diagnosis: A Review
Abstract
1. Introduction
1.1. Definition
1.2. Hazards
1.3. Characteristics
2. HIF Modeling
2.1. Real-Time Models
2.2. Simulated Models
2.2.1. Single Variable Resistor
2.2.2. Variable Resistor and Single Inductor
2.2.3. Two Variable Resistors
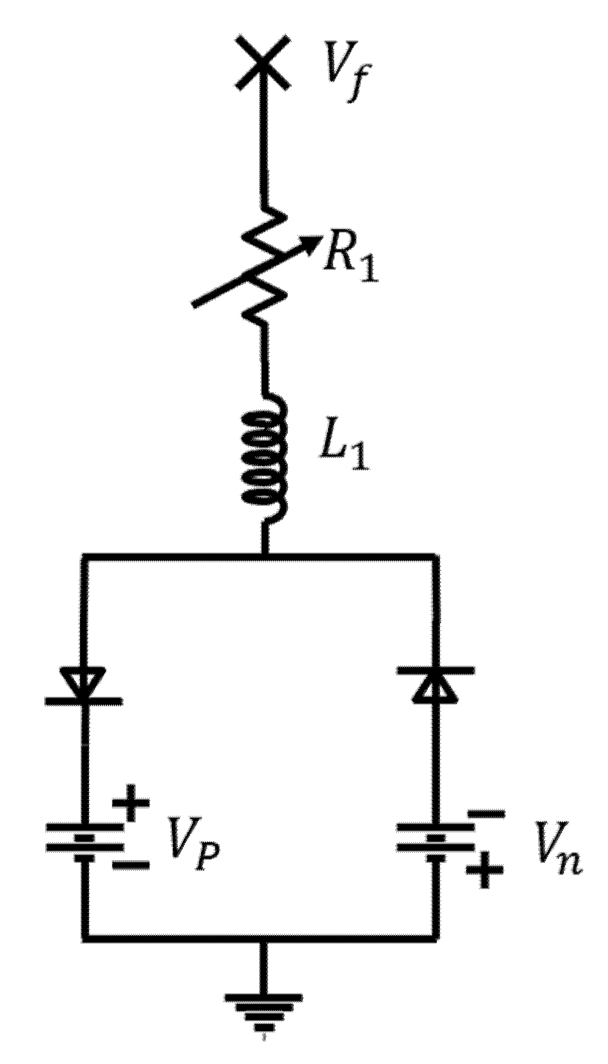
2.2.4. Two Antiparallel Diodes
3. HIF Diagnosis Techniques
3.1. Traditional Methods
3.2. Signal Processing Techniques
3.3. Mathematical Approximation
3.4. Artificial Intelligence-Based Methods
3.4.1. Data Acquisition
3.4.2. Feature Extraction
3.4.3. Machine Learning
4. Comparative Analysis
- Accuracy is used to measure the performance of proposed techniques against the expected results.
- Dependability and security can measure the precision percentage and miscalculation ratio of HIF diagnosis techniques which are missing in most studies.
5. Conclusions and Future Recommendations
- MLP-NN is known to be a universal approximator that helps solve nonlinear problems such as HIFs. The utilization of one hidden layer is widely used in the literature. However, a methodology to determine the optimum number of hidden layers and neurons is still required to increase the effectiveness of neural network-based approaches.
- Datasets represent the cornerstone of intelligent-based methods. Therefore, scaling, removing outliners, and filtering out noises can improve the learning process of neural networks.
- Convolutional neural network (CNN) algorithms proved to be capable of training multidimensional data for image processing. An implementation of such techniques to solve the HIF problem can be considered.
- PMUs are used to measure the magnitude and phase angle of the voltage and current in a distribution grid using a common time source for synchronization. Such measurements provide an additional layer of information to help neural network-based schemes better diagnose HIFs.
Funding
Acknowledgments
Conflicts of Interest
References
- Ghaderi, A.; Ginn, H.L.; Mohammadpour, H.A. High impedance fault detection: A review. Electr. Power Syst. Res. 2017, 143, 376–388. [Google Scholar] [CrossRef]
- Hao, B. AI in arcing-HIF detection: A brief review. IET Smart Grid 2020, 3, 435–444. [Google Scholar] [CrossRef]
- Mishra, M.; Panigrahi, R.R. Taxonomy of high impedance fault detection algorithm. Measurement 2019, 148, 106955. [Google Scholar] [CrossRef]
- Theron, J.C.J.; Pal, A.; Varghese, A. Tutorial on high impedance fault detection. In Proceedings of the 2018 71st Annual Conference for Protective Relay Engineers (CPRE), College Station, TX, USA, 26–29 March 2018; pp. 1–23. [Google Scholar] [CrossRef]
- Wester, C. High impedance fault detection on distribution systems. In Proceedings of the 1998 Rural Electric Power Conference Presented at 42nd Annual Conference, St. Louis, MO, USA, 26–28 April 1998; p. c5-1. [Google Scholar] [CrossRef]
- Chen, J.C.; Phung, B.T.; Wu, H.W.; Zhang, D.M.; Blackburn, T. Detection of High Impedance Faults using wavelet transform. In Proceedings of the 2014 Australasian Universities Power Engineering Conference (AUPEC), Perth, WA, Australia, 28 September–1 October 2014; pp. 1–6. [Google Scholar] [CrossRef]
- Vico, J.; Adamiak, M.; Wester, C.; Kulshrestha, A. High impedance fault detection on rural electric distribution systems. In Proceedings of the 2010 IEEE Rural Electric Power Conference (REPC), Orlando, FL, USA, 16–19 May 2010. [Google Scholar] [CrossRef]
- Sarlak, M.; Shahrtash, S.M. High-Impedance Faulted Branch Identification Using Magnetic-Field Signature Analysis. IEEE Trans. Power Deliv. 2012, 28, 67–74. [Google Scholar] [CrossRef]
- Lai, T.; Snider, L.; Lo, E.; Sutanto, D. High-Impedance Fault Detection Using Discrete Wavelet Transform and Frequency Range and RMS Conversion. IEEE Trans. Power Deliv. 2005, 20, 397–407. [Google Scholar] [CrossRef]
- Thakallapelli, A.; Mehra, R.; Mangalvedekar, H.A. Differentiation of faults from power swings and detection of high impedance faults by distance relays. In Proceedings of the 2013 IEEE 1st International Conference on Condition Assessment Techniques in Electrical Systems (CATCON), Kolkata, India, 6–8 December 2013; pp. 374–377. [Google Scholar] [CrossRef]
- Lukowicz, M.; Kang, S.-H.; Michalik, M.; Rebizant, W.; Lee, S.-J. High-Impedance Fault Detection in Distribution Networks with Use of Wavelet-Based Algorithm. IEEE Trans. Power Deliv. 2006, 21, 1793–1802. [Google Scholar] [CrossRef]
- Milioudis, A.; Andreou, G.T.; Labridis, D.P. Detection and Location of High Impedance Faults in Multiconductor Overhead Distribution Lines Using Power Line Communication Devices. IEEE Trans. Smart Grid 2014, 6, 894–902. [Google Scholar] [CrossRef]
- Ali, M.S.; Abu Bakar, A.H.; Mokhlis, H.; Aroff, H.; Illias, H.A.; Aman, M. High impedance fault localization in a distribution network using the discrete wavelet transform. In Proceedings of the 2012 IEEE International Power Engineering and Optimization Conference, Melaka, Malaysia, 6–7 June 2012; pp. 349–354. [Google Scholar] [CrossRef]
- Baqui, I.; Zamora, I.; Mazón, J.; Buigues, G. High impedance fault detection methodology using wavelet transform and artificial neural networks. Electr. Power Syst. Res. 2011, 81, 1325–1333. [Google Scholar] [CrossRef]
- Abu Bakar, A.H.; Ali, M.S.; Tan, C.; Mokhlis, H.; Arof, H.; Illias, H. High impedance fault location in 11 kV underground distribution systems using wavelet transforms. Int. J. Electr. Power Energy Syst. 2014, 55, 723–730. [Google Scholar] [CrossRef]
- Mahari, A.; Seyedi, H. High impedance fault protection in transmission lines using a WPT-based algorithm. Int. J. Electr. Power Energy Syst. 2015, 67, 537–545. [Google Scholar] [CrossRef]
- Mokhtari, H.; Aghatehrani, R. A new wavelet-based method for detection of high impedance faults. In Proceedings of the 2005 International Conference on Future Power Systems, Amsterdam, The Netherlands, 18 November 2005. [Google Scholar] [CrossRef]
- Ghaderi, A.; Mohammadpour, H.A.; Ginn, H.L.; Shin, Y.-J. High-Impedance Fault Detection in the Distribution Network Using the Time-Frequency-Based Algorithm. IEEE Trans. Power Deliv. 2015, 30, 1260–1268. [Google Scholar] [CrossRef]
- Gautam, S.; Brahma, S.M. Detection of High Impedance Fault in Power Distribution Systems Using Mathematical Morphology. IEEE Trans. Power Syst. 2012, 28, 1226–1234. [Google Scholar] [CrossRef]
- Kawady, T.A.; Taalab, A.E.-M.I.; Elgeziry, M.Z. Experimental investigation of high impedance faults in low voltage distribution networks. In Proceedings of the 2009 IEEE Power & Energy Society General Meeting, Calgary, AB, Canada, 26–30 July 2009. [Google Scholar] [CrossRef]
- Torres-Garcia, V.; Paredes, H.F.R. High Impedance Fault Detection Using Discrete Wavelet Transform. In Proceedings of the 2011 IEEE Electronics, Robotics and Automotive Mechanics Conference, Cuernavaca, Mexico, 15–18 November 2011; pp. 325–329. [Google Scholar] [CrossRef]
- Shahrtash, S.M.; Sarlak, M. High Impedance Fault Detection Using Harmonics Energy Decision Tree Algorithm. In Proceedings of the 2006 International Conference on Power System Technology, Chongqing, China, 22–26 October 2006. [Google Scholar] [CrossRef]
- Sheng, Y.; Rovnyak, S. Decision Tree-Based Methodology for High Impedance Fault Detection. IEEE Trans. Power Deliv. 2004, 19, 533–536. [Google Scholar] [CrossRef]
- Prasad, C.D.; Srinivasu, N.; Prasad, D.J.V.; Saiveerraju, M. Reliability of different fault detection algorithms under high impedance faults. In Proceedings of the 2013 International Conference on Advanced Computing and Communication Systems, Coimbatore, India, 19–21 December 2013. [Google Scholar] [CrossRef]
- Siadatan, A.; Karegar, H.K.; Najmi, V. New high impedance fault detection. In Proceedings of the 2010 IEEE International Conference on Power and Energy, Kuala Lumpur, Malaysia, 29 November–1 December 2010; pp. 573–576. [Google Scholar] [CrossRef]
- Bretas, A.S.; Moreto, M.; Salim, R.H.; Pires, L.O. A Novel High Impedance Fault Location for Distribution Systems Considering Distributed Generation. In Proceedings of the 2006 IEEE/PES Transmission & Distribution Conference and Exposition: Latin America, Caracas, Venezuela, 15–18 August 2006. [Google Scholar] [CrossRef]
- Milioudis, A.; Andreou, G.T.; Labridis, D.P. Enhanced Protection Scheme for Smart Grids Using Power Line Communications Techniques—Part II: Location of High Impedance Fault Position. IEEE Trans. Smart Grid 2012, 3, 1631–1640. [Google Scholar] [CrossRef]
- Sharaf, A.; Wang, G. High impedance fault detection using feature-pattern based relaying. In Proceedings of the 2003 IEEE PES Transmission and Distribution Conference and Exposition (IEEE Cat. No.03CH37495), Dallas, TX, USA, 7–12 September 2003; pp. 222–226. [Google Scholar] [CrossRef]
- Samantaray, S.; Dash, P.; Upadhyay, S. Adaptive Kalman filter and neural network based high impedance fault detection in power distribution networks. Int. J. Electr. Power Energy Syst. 2009, 31, 167–172. [Google Scholar] [CrossRef]
- Abohagar, A.A.; Mustafa, M. Back propagation neural network aided wavelet transform for high impedance fault detection and faulty phase selection. In Proceedings of the 2012 IEEE International Conference on Power and Energy (PECon), Kota Kinabalu, Malaysia, 2–5 December 2012; pp. 790–795. [Google Scholar] [CrossRef]
- Chen, J.; Phung, B.; Zhang, D.; Blackburn, T.; Ambikairajah, E. Study on high impedance fault arcing current characteristics. In Proceedings of the 2013 Australasian Universities Power Engineering Conference (AUPEC), Hobart, TAS, Australia, 29 September–3 October 2013. [Google Scholar] [CrossRef]
- Eldin, E.S.T.; Aboul-Zahab, D.K.I.E.M.; Saleh, S.M. High impedance fault detection in EHV series compensated lines using the wavelet transform. In Proceedings of the 2009 IEEE/PES Power Systems Conference and Exposition, Seattle, WA, USA, 15–18 March 2009. [Google Scholar] [CrossRef]
- Ibrahim, D.K.; Eldin, E.S.T.; Aboul-Zahab, E.M.; Saleh, S.M. Real time evaluation of DWT-based high impedance fault detection in EHV transmission. Electr. Power Syst. Res. 2010, 80, 907–914. [Google Scholar] [CrossRef]
- Zanjani, M.G.M.; Karegar, H.K.; Niaki, H.A.; Zanjani, M.G.M. High Impedance Fault Detection of Distribution Network by Phasor Measurement Units. Smart Grid Renew. Energy 2013, 4, 297–305. [Google Scholar] [CrossRef]
- Costa, F.B.; Souza, B.A.; Brito, N.S.D.; Silva, J.A.C.B.; Santos, W.C. Real-Time Detection of Transients Induced by High-Impedance Faults Based on the Boundary Wavelet Transform. IEEE Trans. Ind. Appl. 2015, 51, 5312–5323. [Google Scholar] [CrossRef]
- Torres, V.; Guardado, J.; Ruiz, H.; Maximov, S. Modeling and detection of high impedance faults. Int. J. Electr. Power Energy Syst. 2014, 61, 163–172. [Google Scholar] [CrossRef]
- Torres-Garcia, V.; Guillen, D.; Olveres, J.; Escalante-Ramírez, B.; Rodríguez-Rodríguez, J.R. Modelling of high impedance faults in distribution systems and validation based on multiresolution techniques. Comput. Electr. Eng. 2020, 83, 106576. [Google Scholar] [CrossRef]
- Maximov, S.; Torres-Garcia, V.; Ruiz, H.F.; Guardado, J. Analytical Model for High Impedance Fault Analysis in Transmission Lines. Math. Probl. Eng. 2014, 2014, 1–10. [Google Scholar] [CrossRef]
- Cassie, A.M. Theorie Nouvelle des Arcs de Rupture et de la Rigidité des Circuits. Cigre Rep. 1939, 102, 588–608. [Google Scholar]
- Mayr, O. Beiträge zur Theorie des statischen und des dynamischen Lichtbogens. Electr. Eng. 1943, 37, 588–608. [Google Scholar] [CrossRef]
- Wontroba, A.; De Morais, A.P.; Rossini, J.P.; Gallas, M.; Cardoso, G.; Vieira, J.P.A.; Farias, P.E.; Santos, M.C. Modeling and Real-Time Simulation of High Impedance Faults for Protection Relay Testing and Methods Validation. In Proceedings of the 2019 IEEE PES Innovative Smart Grid Technologies Conference-Latin America (ISGT Latin America), Gramado, Brazil, 15–18 September 2019. [Google Scholar] [CrossRef]
- Sharaf, A.; Abu-Azab, S. Smart relaying scheme for high impedance faults in distribution and utilization networks. In Proceedings of the 2000 Canadian Conference on Electrical and Computer Engineering. Conference Proceedings Navigating to a New Era (Cat. No.00TH8492), Halifax, NS, Canada, 7–10 May 2000; Volume 2, pp. 740–744. [Google Scholar]
- Dos Santos, W.C.; De Souza, B.A.; Brito, N.S.D.; Costa, F.B.; Paes, M.R.C. High Impedance Faults: From Field Tests to Modeling. J. Control. Autom. Electr. Syst. 2013, 24, 885–896. [Google Scholar] [CrossRef]
- Wontroba, A.; De Morais, A.P.; Rossini, J.P.; Gallas, M.; Cardoso, G.; Vieira, J.P.A.; Santos, M.C.; Farias, P.E. Comprehensive High Impedance Fault Model for Real-Time Environment. In Proceedings of the IECON 2019-45th Annual Conference of the IEEE Industrial Electronics Society, Lisbon, Portugal, 14–17 October 2019; pp. 6432–6437. [Google Scholar] [CrossRef]
- Nam, S.; Park, J.; Kang, Y.; Kim, T. A modeling method of a high impedance fault in a distribution system using two series time-varying resistances in EMTP. In Proceedings of the 2001 Power Engineering Society Summer Meeting. Conference Proceedings (Cat. No.01CH37262), Vancouver, BC, Canada, 15–19 July 2001; Volume 2, no. SUMMER. pp. 1175–1180. [Google Scholar] [CrossRef]
- Emanuel, A.E.; Cyganski, D.; Orr, J.A.; Shiller, S.; Gulachenski, E.M. High impedance fault arcing on sandy soil in 15 kV distribution feeders: Contributions to the evaluation of the low frequency spectrum. IEEE Trans. Power Deliv. 1990, 5, 676–686. [Google Scholar] [CrossRef]
- Mishra, M.; Rout, P.K.; Routray, P. High impedance fault detection in radial distribution system using wavelet transform. In Proceedings of the 2015 Annual IEEE India Conference (INDICON), New Delhi, India, 17–20 December 2015. [Google Scholar] [CrossRef]
- Nayak, P.K.; Sarwagya, K.; Biswal, T. A novel high impedance fault detection technique in distribution systems with distributed generators. In Proceedings of the 2016 National Power Systems Conference (NPSC), Bhubaneswar, India, 19–21 December 2016. [Google Scholar] [CrossRef]
- Iurinic, L.U.; Herrera-Orozco, A.R.; Ferraz, R.G.; Bretas, A.S. Distribution Systems High-Impedance Fault Location: A Parameter Estimation Approach. IEEE Trans. Power Deliv. 2015, 31, 1806–1814. [Google Scholar] [CrossRef]
- Zamanan, N.; Sykulski, J.K. The evolution of high impedance fault modeling. In Proceedings of the 2014 16th International Conference on Harmonics and Quality of Power (ICHQP), Bucharest, Romania, 25–28 May 2014; pp. 77–81. [Google Scholar] [CrossRef]
- Novak, T.; Morley, L.; Trutt, F. Sensitive ground-fault relaying. IEEE Trans. Ind. Appl. 1988, 24, 853–861. [Google Scholar] [CrossRef]
- Mitolo, M.; Musca, R.; Zizzo, G. A Cost-Effective Solution for Clearing High-Impedance Ground Faults in Overhead Low-Voltage Lines. IEEE Trans. Ind. Appl. 2018, 55, 1208–1213. [Google Scholar] [CrossRef]
- Soheili, A.; Sadeh, J.; Bakhshi, R. Modified FFT based high impedance fault detection technique considering distribution non-linear loads: Simulation and experimental data analysis. Int. J. Electr. Power Energy Syst. 2018, 94, 124–140. [Google Scholar] [CrossRef]
- Lima, É.M.; Brito, N.S.; Souza, B.A. High impedance fault detection based on Stockwell transform and third harmonic current phase angle. Electr. Power Syst. Res. 2019, 175, 105931. [Google Scholar] [CrossRef]
- Gadanayak, D.A.; Mallick, R.K. Interharmonics based high impedance fault detection in distribution systems using maximum overlap wavelet packet transform and a modified empirical mode decomposition. Int. J. Electr. Power Energy Syst. 2019, 112, 282–293. [Google Scholar] [CrossRef]
- Roy, S.; Debnath, S. PSD based high impedance fault detection and classification in distribution system. Measurement 2020, 169, 108366. [Google Scholar] [CrossRef]
- Batista, O.E.; Flauzino, R.A.; De Araujo, M.A.; De Moraes, L.A.; Da Silva, I.N. Methodology for information extraction from oscillograms and its application for high-impedance faults analysis. Int. J. Electr. Power Energy Syst. 2016, 76, 23–34. [Google Scholar] [CrossRef]
- Gonzalez, C.; Tant, J.; Germain, J.G.; De-Rybel, T.; Driesen, J.; Miguel, C.G.-D. Directional, High-Impedance Fault Detection in Isolated Neutral Distribution Grids. IEEE Trans. Power Deliv. 2018, 33, 2474–2483. [Google Scholar] [CrossRef]
- Nikander, A.; Jarventausta, P. Identification of High-Impedance Earth Faults in Neutral Isolated or Compensated MV Networks. IEEE Trans. Power Deliv. 2017, 32, 1187–1195. [Google Scholar] [CrossRef]
- Langeroudi, A.T.; Abdelaziz, M.M. Preventative high impedance fault detection using distribution system state estimation. Electr. Power Syst. Res. 2020, 186, 106394. [Google Scholar] [CrossRef]
- Nunes, J.; Bretas, A.S.; Bretas, N.G.; Herrera-Orozco, A.; Iurinic, L. Distribution systems high impedance fault location: A spectral domain model considering parametric error processing. Int. J. Electr. Power Energy Syst. 2019, 109, 227–241. [Google Scholar] [CrossRef]
- Ramos, M.J.; Resener, M.; Bretas, A.S.; Bernardon, D.P.; Leborgne, R.C. Physics-based analytical model for high impedance fault location in distribution networks. Electr. Power Syst. Res. 2020, 188, 106577. [Google Scholar] [CrossRef]
- Li, J.; Wang, G.; Zeng, D.; Li, H. High-impedance ground faulted line-section location method for a resonant grounding system based on the zero-sequence current’s declining periodic component. Int. J. Electr. Power Energy Syst. 2020, 119, 105910. [Google Scholar] [CrossRef]
- Mortazavi, S.H.; Moravej, Z.; Shahrtash, S.M. A Searching Based Method for Locating High Impedance Arcing Fault in Distribution Networks. IEEE Trans. Power Deliv. 2018, 34, 438–447. [Google Scholar] [CrossRef]
- Grimaldi, R.B.; Chagas, T.S.; Montalvão, J.; Brito, N.S.; Dos Santos, W.C.; Ferreira, T.V. High impedance fault detection based on linear prediction. Electr. Power Syst. Res. 2021, 190, 106846. [Google Scholar] [CrossRef]
- Mortazavi, S.H.; Moravej, Z.; Shahrtash, S.M. A hybrid method for arcing faults detection in large distribution networks. Int. J. Electr. Power Energy Syst. 2018, 94, 141–150. [Google Scholar] [CrossRef]
- Aziz, M.S.A.; Hassan, M.A.; Zahab, E.A. Applications of ANFIS in high impedance faults detection and classification in distribution networks. In Proceedings of the 8th IEEE Symposium on Diagnostics for Electrical Machines, Power Electronics & Drives, Bologna, Italy, 5–8 September 2011; pp. 612–619. [Google Scholar] [CrossRef]
- Lala, H.; Karmakar, S. Detection and Experimental Validation of High Impedance Arc Fault in Distribution System Using Empirical Mode Decomposition. IEEE Syst. J. 2020, 14, 3494–3505. [Google Scholar] [CrossRef]
- Hafidz, I.; Nofi, P.E.; Anggriawan, D.O.; Priyadi, A.; Pumomo, M.H. Neuro wavelet algortihm for detecting high impedance faults in extra high voltage transmission systems. In Proceedings of the 2017 2nd International Conference Sustainable and Renewable Energy Engineering (ICSREE), Hiroshima, Japan, 10–12 May 2017; pp. 97–100. [Google Scholar] [CrossRef]
- Lai, T.M.; Lo, W.; To, W.-M.; Lam, K. RMS percent of wavelet transform for the detection of stochastic high impedance faults. In Proceedings of the 2012 IEEE 15th International Conference on Harmonics and Quality of Power, Hong Kong, China, 17–20 June 2012; Volume 3, pp. 823–828. [Google Scholar] [CrossRef]
- Mahmoud, M.M.A.S. Detection of high impedance faults in M.V. mesh distribution network. In Proceedings of the 2015 Modern Electric Power Systems (MEPS), Wroclaw, Poland, 6–9 July 2015; pp. 1–8. [Google Scholar] [CrossRef]
- De La Ree, J.; Centeno, V.; Thorp, J.S.; Phadke, A.G. Synchronized Phasor Measurement Applications in Power Systems. IEEE Trans. Smart Grid 2010, 1, 20–27. [Google Scholar] [CrossRef]
- Ledesma, J.J.G.; Nascimento, K.B.D.; De Araujo, L.R.; Penido, D.R.R. A two-level ANN-based method using synchronized measurements to locate high-impedance fault in distribution systems. Electr. Power Syst. Res. 2020, 188, 106576. [Google Scholar] [CrossRef]
- Cui, Q.; Weng, Y. Enhance High Impedance Fault Detection and Location Accuracy via [Math Processing Error] -PMUs. IEEE Trans. Smart Grid 2020, 11, 797–809. [Google Scholar] [CrossRef]
- Khokhar, S.; Zin, A.A.B.M.; Mokhtar, A.S.B.; Pesaran, M. A comprehensive overview on signal processing and artificial intelligence techniques applications in classification of power quality disturbances. Renew. Sustain. Energy Rev. 2015, 51, 1650–1663. [Google Scholar] [CrossRef]
- Cui, Q.; El-Arroudi, K.; Weng, Y. A Feature Selection Method for High Impedance Fault Detection. IEEE Trans. Power Deliv. 2019, 34, 1203–1215. [Google Scholar] [CrossRef]
- Suliman, M.Y.; Ghazal, M.T. Detection of High impedance Fault in Distribution Network Using Fuzzy Logic Control. In Proceedings of the 2019 2nd International Conference on Electrical, Communication, Computer, Power and Control Engineering (ICECCPCE), Mosul, Iraq, 13–14 February 2019; pp. 103–108. [Google Scholar] [CrossRef]
- Huang, S.-J.; Hsieh, C.-T.; Huang, C.-L. Application of wavelets to classify power system disturbances. Electr. Power Syst. Res. 1998, 47, 87–93. [Google Scholar] [CrossRef]
- Kannan, A.N.; Rathinam, A. High Impedance Fault Classification Using Wavelet Transform and Artificial Neural Network. In Proceedings of the 2012 Fourth International Conference on Computational Intelligence and Communication Networks, Mathura, India, 3–5 November 2012; pp. 831–837. [Google Scholar] [CrossRef]
- Moloi, K.; Jordaan, J.A.; Hamam, Y. High Impedance Fault Classification and Localization Method for Power Distribution Network. In Proceedings of the 2018 IEEE PES/IAS PowerAfrica, Cape Town, South Africa, 28–29 June 2018; pp. 84–89. [Google Scholar] [CrossRef]
- Sirojan, T.; Lu, S.; Phung, B.T.; Zhang, D.; Ambikairajah, E. High Impedance Fault Detection by Convolutional Deep Neural Network. In Proceedings of the 2018 IEEE International Conference on High Voltage Engineering and Application (ICHVE), ATHENS, Greece, 10–13 September 2018. [Google Scholar] [CrossRef]
- Narasimhulu, N.; Kumar, D.V.A.; Kumar, M.V. Classification of high impedance fault using MWT and enhanced fuzzy logic controller in power system. In Proceedings of the 2017 Innovations in Power and Advanced Computing Technologies (i-PACT), Vellore, India, 21–22 April 2017; Volume 2017, pp. 1–13. [Google Scholar] [CrossRef]
- Gurney, K. An Introduction to Neural Networks; CRC Press: Boca Raton, FL, USA, 1997; Available online: https://books.google.com.sa/books/about/An_Introduction_to_Neural_Networks.html?id=sn6oBHq8qQQC&printsec=frontcover&source=kp_read_button&redir_esc=y#v=onepage&q&f=false (accessed on 1 December 2020).
- Nielsen, M. Neural Networks and Deep Learning; Springer: Berlin, Germany, 2018; Available online: https://books.google.com.sa/books?id=STDBswEACAAJ&dq=Neural+Networks+and+Deep+Learning&hl=en&sa=X&ved=2ahUKEwihhoONoq3tAhXOxYUKHcMsB4wQ6AEwAnoECAIQAQ (accessed on 1 December 2020).
- Belfast, G.I.; Reading, K.W.; Berlin, K.H. Neural Network Applications in Control; Institution of Electrical Engineers: London, UK, 1995. [Google Scholar]
- Vijayachandran, G.; Mathew, B. High impedance arcing fault detection in MV networks using discrete wavelet transform and Artificial Neural Networks. In Proceedings of the 2012 International Conference on Green Technologies (ICGT), Trivandrum, India, 18–20 December 2012; pp. 89–98. [Google Scholar] [CrossRef]
- Uma, U.U.; Ekwue, A.; Ejiogu, E. An Adaptive Distance Protection Scheme for High Varying Fault Resistances: Updated Results. Sci. Afr. 2020, 9, e00528. [Google Scholar] [CrossRef]
- Aljohani, A.; AlJurbua, A.; Shafiullah, M.; Abido, M.A. Smart Fault Detection and Classification for Distribution Grid Hybridizing ST and MLP-NN. In Proceedings of the 2018 15th International Multi-Conference on Systems, Signals & Devices (SSD), Hammamet, Tunisia, 19–22 March 2018; pp. 94–98. [Google Scholar] [CrossRef]
- Lucas, F.; Costa, P.; Batalha, R.; Leite, D. High Impedance Fault Detection in Time-Varying Distributed Generation Systems Using Adaptive Neural Networks. In Proceedings of the 2018 International Joint Conference on Neural Networks (IJCNN), Rio de Janeiro, Brazil, 8–13 July 2018. [Google Scholar] [CrossRef]
- Aljohani, A.; Sheikhoon, T.; Fataa, A.; Shafiullah, M.; Abido, M. Design and Implementation of an Intelligent Single Line to Ground Fault Locator for Distribution Feeders. In Proceedings of the 2019 International Conference on Control, Automation and Diagnosis (ICCAD), Grenoble, France, 2–4 July 2019; pp. 1–6. [Google Scholar] [CrossRef]
- Mortazavi, S.H.; Moravej, Z.; Shahrtash, S.M. A Hybrid Method for Arcing Faults Detection in Large Distribution Networks. Available online: https://www.sciencedirect.com/science/article/abs/pii/S0142061517311596 (accessed on 1 December 2020).
- Lala, H.; Karmakar, S. Detection and Experimental Validation of High Impedance Arc Fault in Distribution System Using Empirical Mode Decomposition. Available online: https://ieeexplore.ieee.org/document/9018242 (accessed on 1 December 2020).
- Moloi, K.; Jordaan, J.A.; Hamam, Y. A hybrid method for high impedance fault classification and detection. In Proceedings of the 2019 Southern African Universities Power Engineering Conference/Robotics and Mechatronics/Pattern Recognition Association of South Africa (SAUPEC/RobMech/PRASA), Bloemfontein, South Africa, 28–30 January 2019; pp. 548–552. [Google Scholar] [CrossRef]
- Chaitanya, B.K.; Yadav, A.; Pazoki, M. An Intelligent Detection of High-Impedance Faults for Distribution Lines Integrated With Distributed Generators. IEEE Syst. J. 2020, 14, 870–879. [Google Scholar] [CrossRef]
- Chaitanya, B.; Yadav, A. An intelligent fault detection and classification scheme for distribution lines integrated with distributed generators. Comput. Electr. Eng. 2018, 69, 28–40. [Google Scholar] [CrossRef]
- Sekar, K.; Mohanty, N.K. Data mining-based high impedance fault detection using mathematical morphology. Comput. Electr. Eng. 2018, 69, 129–141. [Google Scholar] [CrossRef]
- Routray, P.; Mishra, M.; Rout, P. High Impedance Fault detection in radial distribution system using S-Transform and neural network. In Proceedings of the 2015 IEEE Power, Communication and Information Technology Conference (PCITC), Bhubaneswar, India, 15–17 October 2015; pp. 545–551. [Google Scholar] [CrossRef]
- Sekar, K.; Mohanty, N.K. A fuzzy rule base approach for High Impedance Fault detection in distribution system using Morphology Gradient filter. J. King Saud Univ. Eng. Sci. 2020, 32, 177–185. [Google Scholar] [CrossRef]
- Sarwar, M.; Mehmood, F.; Abid, M.; Khan, A.Q.; Gul, S.T.; Khan, A.S. High impedance fault detection and isolation in power distribution networks using support vector machines. J. King Saud Univ. Eng. Sci. 2019. [Google Scholar] [CrossRef]
- Moshtagh, J.; Rafinia, A. A new approach to high impedance fault location in three-phase underground distribution system using combination of fuzzy logic & wavelet analysis. In Proceedings of the 2012 11th International Conference on Environment and Electrical Engineering, Venice, Italy, 18–25 May 2012; pp. 90–97. [Google Scholar] [CrossRef]
- Sekar, K.; Mohanty, N.K. Combined Mathematical Morphology and Data Mining Based High Impedance Fault Detection. Energy Procedia 2017, 117, 417–423. [Google Scholar] [CrossRef]
- Bhongade, S.; Golhani, S. HIF detection using wavelet transform, travelling wave and support vector machine. In Proceedings of the 2016 International Conference on Electrical Power and Energy Systems (ICEPES), Bhopal, India, 14–16 December 2016; pp. 151–156. [Google Scholar] [CrossRef]
- Bueno, D.M.; Dos Santos, E.M.; Stein, H.; Fagundes, A.R.; Franco, M.C.; Rodrigues, A.H. High Impedance Fault Detection and Classification in Medium Voltage Distribution Networks. In Proceedings of the 2019 IEEE PES Innovative Smart Grid Technologies Conference-Latin America (ISGT Latin America), Gramado, Brazil, 15–18 September 2019. [Google Scholar] [CrossRef]
- Silva, S.; Costa, P.; Gouvea, M.; Lacerda, A.; Alves, F.; Leite, D. High impedance fault detection in power distribution systems using wavelet transform and evolving neural network. Electr. Power Syst. Res. 2018, 154, 474–483. [Google Scholar] [CrossRef]
- Moloi, K.; Jordaan, J.A.; Hamam, Y. High impedance fault detection technique based on Discrete Wavelet Transform and support vector machine in power distribution networks. In Proceedings of the 2017 IEEE AFRICON, Cape Town, South Africa, 18–20 September 2017; pp. 9–14. [Google Scholar] [CrossRef]
- Sekar, K.; Mohanty, N.K.; Sahoo, A.K. High impedance fault detection using wavelet transform. In Proceedings of the 2018 Technologies for Smart-City Energy Security and Power (ICSESP), Bhubaneswar, India, 28–30 March 2018; pp. 1–6. [Google Scholar] [CrossRef]
- Bouricha, A.; Bouthiba, T.; Boukhari, R.; Seghir, S. High Impedance Faults Location in the Distribution Networks using Adaptive Neuro-Fuzzy Inference System. In Proceedings of the 2018 International Conference on Electrical Sciences and Technologies in Maghreb (CISTEM), Algiers, Algeria, 28–31 October 2018. [Google Scholar] [CrossRef]
- AsghariGovar, S.; Pourghasem, P.; Seyedi, H. High impedance fault protection scheme for smart grids based on WPT and ELM considering evolving and cross-country faults. Int. J. Electr. Power Energy Syst. 2019, 107, 412–421. [Google Scholar] [CrossRef]
- Hong, Y.-Y.; Huang, W.-S.; Chang, Y.-R.; Lee, Y.-D.; Ouyang, D.-C. Locating high-impedance fault in a smart distribution system using wavelet entropy and hybrid self-organizing mapping network. In Proceedings of the 2017 IEEE PES Innovative Smart Grid Technologies Conference Europe (ISGT-Europe), Torino, Italy, 26–29 September 2017; pp. 1–6. [Google Scholar] [CrossRef]
- Aljohani, A. Centralized Fault Detection and Classification for Motor Power Distribution Centers Utilizing MLP-NN and Stockwell Transform. In Proceedings of the 2020 IEEE PES Innovative Smart Grid Technologies Europe (ISGT-Europe), The Hague, The Netherlands, 26–28 October 2020; pp. 222–226. [Google Scholar] [CrossRef]








| Surface | Current (A) |
|---|---|
| Reinforced concrete | 75 |
| Wet grass | 50 |
| Wet sod | 40 |
| Dry grass | 25 |
| Dry sod | 20 |
| Wet sand | 15 |
| Dry asphalt | <1 |
| Dry sand | <1 |
| Reference | Measurement Data | Feature Extraction Technique | Machine Learning Classifiers | Experiment Objectives | Accuracy % | Dependability % | Security % |
|---|---|---|---|---|---|---|---|
| [91] | Voltage and Current | WT | SVM | Detection | 91.38 | 90.04 | 92.6 |
| [67] | Current | DFT | ANFIS | Detection and Classification | 99.64 | ||
| [92] | Arc Voltage | EMD | ANN | Detection | 99.35 | ||
| [71] | Resistance | ANN | Location | 99 | |||
| [69] | Voltage and Current | WT | ANN | Detection | 91.33 | ||
| [70] | Voltage and Current | WT | ANN | Detection | 95.989 | ||
| [93] | Current | WT | SVM | Detection and Classification | 96 | ||
| [94] | Current | VMD | SVM | Detection and Classification | 99 | ||
| [95] | Current | TEO | FIS | Detection and Classification | |||
| [82] | Voltage and Current | WT | FLC | Classification | 88.89 | ||
| [96] | Current | MM | DT | Detection | 99.34 | 100 | 98.77 |
| [77] | Current | FFT | FLC | Detection | |||
| [79] | Current | WT | ANN | Classification | |||
| [97] | Voltage and Current | ST | ANN | Detection | 95.43 | ||
| [98] | Current | MG | FLC | Detection | 99.4 | 99.78 | 99.07 |
| [99] | Voltage and Current | SVM | Detection | 100 | 100 | ||
| [100] | Current | WT | FLC | Location | 99.24 | ||
| [87] | Voltage and Current | ANN | Location | 99.67 | |||
| [101] | Current | MM | DT | Detection | 98.33 | 98.88 | 100 |
| [102] | Voltage and Current | WT | SVM | Location | 99.34 | ||
| [86] | Voltage and Current | WT | ANN | Detection | |||
| [80] | Current | WT | ANN+GPR | Location | 99.4 | ||
| [103] | Current | FLC | Detection and Classification | ||||
| [104] | Current | WT | ANN | Detection and Classification | 99 | ||
| [89] | Voltage and Current | WT | ANN | Detection | 96 | ||
| [105] | Current | WT | SVM | Detection | 99 | ||
| [106] | Current | WT | DT | Detection | 98.22 | 95.79 | 100 |
| [107] | Voltage and Current | ANFIS | Location | 99.25 | |||
| [108] | Current | WT | ELM | Detection | |||
| [109] | Current | WT | SOMN | Location | 91.27 | ||
| [110] | Current | ST | ANN | Location | 99.15 | ||
| [90] | Current | ST | ELM | Detection and Classification | 99.3 |
Publisher’s Note: MDPI stays neutral with regard to jurisdictional claims in published maps and institutional affiliations. |
© 2020 by the authors. Licensee MDPI, Basel, Switzerland. This article is an open access article distributed under the terms and conditions of the Creative Commons Attribution (CC BY) license (http://creativecommons.org/licenses/by/4.0/).
Share and Cite
Aljohani, A.; Habiballah, I. High-Impedance Fault Diagnosis: A Review. Energies 2020, 13, 6447. https://doi.org/10.3390/en13236447
Aljohani A, Habiballah I. High-Impedance Fault Diagnosis: A Review. Energies. 2020; 13(23):6447. https://doi.org/10.3390/en13236447
Chicago/Turabian StyleAljohani, Abdulaziz, and Ibrahim Habiballah. 2020. "High-Impedance Fault Diagnosis: A Review" Energies 13, no. 23: 6447. https://doi.org/10.3390/en13236447
APA StyleAljohani, A., & Habiballah, I. (2020). High-Impedance Fault Diagnosis: A Review. Energies, 13(23), 6447. https://doi.org/10.3390/en13236447

