Fuzzy Logic Detector for Photovoltaic Fault Diagnosis †
Abstract
1. Introduction
2. PV System Description and Modeling Design
2.1. PV Panel Mathematical Model
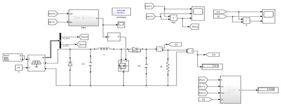
2.2. PV System Modeling
3. Fault Detector
3.1. PV Array Faults
3.2. DC-DC Converter Faults
3.3. PV System Fuzzy Diagnosis
3.4. Results and Discussion
4. Conclusions
Author Contributions
Funding
Institutional Review Board Statement
Informed Consent Statement
Data Availability Statement
Conflicts of Interest
References
- Compaore, W.O. Aide à la Décision Pour le Diagnostic des Défauts Pour une Maintenance Proactive Dans un Générateur photovoltaïque. Ph.D. Thesis, Université Joseph Ki-Zerbo, Ouagadougou, Burkina Faso, 2023. [Google Scholar]
- Khan, J.A.; Tang, S.; Ji, B.; Khan, F.; Khan, M.A.; Khalil, U.K.; Ullah, I. A fuzzy classification method based on rules learning for shaded and unshaded hotspot faults on photovoltaic modules. J. Clean. Prod. 2024, 449, 141785. [Google Scholar] [CrossRef]
- Damo, U.M.; Ozoegwu, C.G.; Ogbonnaya, C.; Maduabuchi, C. Effects of light, heat and relative humidity on the accelerated testing of photovoltaic degradation using Arrhenius model. Sol. Energy 2023, 250, 335–346. [Google Scholar] [CrossRef]
- Khan, S.A.; Mahmood, T.; Awan, K.S. A nature based novel maximum power point tracking algorithm for partial shading conditions. Electr. Eng. Electromech. 2021, 6, 54–63. [Google Scholar] [CrossRef]
- Dhimish, M.; Badran, G. Photovoltaic Hot-Spots Fault Detection Algorithm Using Fuzzy Systems. IEEE Trans. Device Mater. Relib. 2019, 19, 671–679. [Google Scholar] [CrossRef]
- Ali, A.I.M.; Mohamed, H.R.A. Improved P&O MPPT algorithm with efficient open-circuit voltage estimation for two-stage grid-integrated PV system under realistic solar radiation. Int. J. Electr. Power Energy Syst. 2022, 137, 107805. [Google Scholar] [CrossRef]
- Akter, K.; Motakabber, S.M.A.; Alam, A.H.M.Z.; Yusoff, S.H.B. Design and investigation of high power quality PV fed DC-DC boost converter. e-Prime-Adv. Electr. Eng. Electron. Energy 2024, 9, 100649. [Google Scholar] [CrossRef]
- Sebbane, S.; Ncir, N.; El Akchioui, N. Diagnosis and Classification of Photovoltaic Panel Defects Based on a Hybrid Intelligent Method. In The Proceedings of the International Conference on Electrical Systems & Automation; Bendaoud, M., Wolfgang, B., El Fathi, A., Eds.; Springer: Singapore, 2022; pp. 59–69. [Google Scholar] [CrossRef]
- Nicholas, T.N.; Sigalo, F.B.; Alabraba, M.A. Characterizing the Photovoltaic Solar Panel for Maximum Power Output. J. Sci. Eng. Res. 2018, 5, 143–151. [Google Scholar]
- Arkan, F.; Izadyar, M. Theoretical prediction of voltage-current behavior and other photovoltaic properties of natural flavonoid-based solar cells. Sol. Energy 2021, 228, 89–99. [Google Scholar] [CrossRef]
- El Karch, H.; Abouelmahjoub, Y.; Mchaouar, Y.; El Beid, S.; Giri, F.; Elouafi, M. Advanced Nonlinear Control of Shunt Active Power Filter Connected to PV System via DC/DC Converter. IFAC-PapersOnLine 2024, 58, 104–109. [Google Scholar] [CrossRef]
- Nebti, K.; Lebied, R. Fuzzy maximum power point tracking compared to sliding mode technique for photovoltaic systems based on DC-DC boost converter. Electr. Eng. Electromech. 2021, 1, 67–73. [Google Scholar] [CrossRef]
- Ullah, K.; Ishaq, M.; Tchier, F.; Ahmad, H.; Ahmad, Z. Fuzzy-based maximum power point tracking (MPPT) control system for photovoltaic power generation system. Results Eng. 2023, 20, 101466. [Google Scholar] [CrossRef]
- Baz, A.; Logeshwaran, J.; Natarajan, Y.; Patel, S.K. Deep fuzzy nets approach for energy efficiency optimization in smart grids. Appl. Soft Comput. 2024, 161, 111724. [Google Scholar] [CrossRef]
- Hartani, M.A.; Hamouda, M.; Abdelkhalek, O.; Mekhilef, S. Sustainable energy assessment of multi-type energy storage system in direct-current-microgrids adopting Mamdani with Sugeno fuzzy logic-based energy management strategy. J. Energy Storage 2022, 56, 106037. [Google Scholar] [CrossRef]
- Marhraoui, S.; Abbou, A.; Cabrane, Z.; Rhaili, S.E.; Hichami, N.E. Fuzzy Logic-Integral Backstepping Control for PV Grid-Connected System with Energy Storage Management. Int. J. Intell. Eng. Syst. 2020, 13, 359–372. [Google Scholar] [CrossRef]
- Wang, D.; Yu, K.; Zhu, X.; Yu, Z. Optimal solutions to granular fuzzy relation equations with fuzzy logic operations. Appl. Soft Comput. 2024, 163, 111861. [Google Scholar] [CrossRef]












| Parameter | Value |
|---|---|
| PPPM | 249.952 W |
| VPPM | 42.8 V |
| IPPM | 5.84 A |
| VOC | 50.93 V |
| ISC | 6.2 A |
| NCell | 72 |
| Diode ideality factor | 1.0262 |
| Shunt resistance RSh | 420.5449 Ω |
| Series resistance RS | 0.37748 Ω |
| Components | Faults | Fault Code |
|---|---|---|
| PV array | 25% shading | F01 |
| 50% shading | F02 | |
| 75% shading | F03 | |
| 100% shading | F04 | |
| Temperature increase | F05 | |
| Reverse bypass diode | F06 | |
| Humidity 100% | F07 | |
| Humidity more than 50% | F08 | |
| Humidity less than 50% | F09 | |
| DC-DC Boost Converter | MPP Controller Failure | F10 |
| Short circuit | F11 | |
| Open circuit | F12 |
| Fault | Pmax (W) | ISC (A) | VOC (V) | VC (V) |
|---|---|---|---|---|
| F00 | 249.952 | 5.84 | 42.8 | 290.5 |
| F01 | 187.398 | 4.382912 | 42.7565 | 254.7 |
| F02 | 124.331 | 2.92601 | 42.4916 | 213.3 |
| F03 | 61.081 | 1.46049 | 41.8225 | 149.2 |
| F04 | 23.6264 | 0.5845 | 40.4215 | 85.99 |
| F05 | 226.448 | 5.81274 | 38.9572 | 281.2 |
| F06 | 5.002 | 6.2525 | 0.8062 | 0.8117 |
| F07 | 174.565 | 4.1341 | 42.2107 | 256.8 |
| F08 | 189.691 | 4.39107 | 42.1807 | 261.1 |
| F09 | 212.27 | 5.028 | 42.1472 | 279.7 |
| F10 | 249.952 | 5.84 | 42.8 | 60.7 |
| F11 | 0.092 | 5.84 | 42.8 | 0 |
| F12 | 249.952 | 5.84 | 42.8 | 50.06 |
| Fault | Distortion Rate of | |||
|---|---|---|---|---|
| Pmax (W) | ISC (A) | VOC (V) | VC (V) | |
| F00 | 0 | 0 | 0 | 0 |
| F01 | 0.2526 | 0.2495 | 0.00101 | 0.1171 |
| F02 | 0.50258 | 0.49897 | 0.0072 | 0.2606 |
| F03 | 0.75562 | 0.74991 | 0.022 | 0.4828 |
| F04 | 0.90547 | 0.89991 | 0.0555 | 0.7019 |
| F05 | 0.09403 | 0.0046 | 0.1038 | 0.0253 |
| F06 | 0.97998 | −0.0706 | 0.9811 | 0.9971 |
| F07 | 0.3016 | 0.2921 | 0.01376 | 0.1160 |
| F08 | 0.24109 | 0.2481 | 0.01447 | 0.1012 |
| F09 | 0.15075 | 0.1390 | 0.01525 | 0.0371 |
| F10 | 0 | 0 | 0 | 0.7896 |
| F11 | 0.99963 | 0 | 0 | 1 |
| F12 | 0 | 0 | 0 | 0.8264 |
| Fault | Distortion Rate of | |||
|---|---|---|---|---|
| Pmax (W) | ISC (A) | VOC (V) | VC (V) | |
| F00 | Small | Small | Small | Small |
| F01 | Small | Medium | Small | Small |
| F02 | Medium | Medium | Small | Medium |
| F03 | Big | Big | Medium | Medium |
| F04 | Big | Big | Big | Big |
| F05 | Small | Small | Big | Small |
| F06 | Big | Small | Big | Big |
| F07 | Medium | Medium | Small | |
| F08 | Small | Medium | Medium | Small |
| F09 | Small | Small | Medium | Small |
| F10 | Small | Small | Small | Medium |
| F11 | Big | Small | Small | Big |
Disclaimer/Publisher’s Note: The statements, opinions and data contained in all publications are solely those of the individual author(s) and contributor(s) and not of MDPI and/or the editor(s). MDPI and/or the editor(s) disclaim responsibility for any injury to people or property resulting from any ideas, methods, instructions or products referred to in the content. |
© 2025 by the authors. Licensee MDPI, Basel, Switzerland. This article is an open access article distributed under the terms and conditions of the Creative Commons Attribution (CC BY) license (https://creativecommons.org/licenses/by/4.0/).
Share and Cite
Abdellaoui, C.; Lagmich, Y. Fuzzy Logic Detector for Photovoltaic Fault Diagnosis. Comput. Sci. Math. Forum 2025, 10, 4. https://doi.org/10.3390/cmsf2025010004
Abdellaoui C, Lagmich Y. Fuzzy Logic Detector for Photovoltaic Fault Diagnosis. Computer Sciences & Mathematics Forum. 2025; 10(1):4. https://doi.org/10.3390/cmsf2025010004
Chicago/Turabian StyleAbdellaoui, Chaymae, and Youssef Lagmich. 2025. "Fuzzy Logic Detector for Photovoltaic Fault Diagnosis" Computer Sciences & Mathematics Forum 10, no. 1: 4. https://doi.org/10.3390/cmsf2025010004
APA StyleAbdellaoui, C., & Lagmich, Y. (2025). Fuzzy Logic Detector for Photovoltaic Fault Diagnosis. Computer Sciences & Mathematics Forum, 10(1), 4. https://doi.org/10.3390/cmsf2025010004