Automated R-DAC Layout Design with Parameterized Topology Written in SWA: SoftWare Analog
Abstract
1. Introduction
2. Description of Parametric Topology for the R-DAC
2.1. Circuit Topology and Layout Topology
- (1)
- Using the process data “Pelgrom coefficient” of resistance , and the variation range of (e.g., ), the resistor variation range is given as:
- (2)
- In a -bit DAC, assuming the upper n-bits are segment-type (thermometer-type) and the lower (b − n) bits are R-2R-type (binary-type) (including and ), the allowable relative error of the MSB resistor in the R-2R type assigns the times of the LSB (e.g., or ; is also acceptable if calibration is installed).
- (3)
- From Equation (1) = Equation (2),
- (4)
- , the unit resistance value of a silicide-blocked poly-resistor, is given aswhere is the sheet resistance.
- (5)
- From Equations (3) and (4), and can be calculated directly. If the result values are below the minimum process values, they should be replaced by the minimum process values.
- (6)
- The on-resistance of the transistor switches should be sufficiently small compared to the accuracy of the resistance in Equation (2) (e.g., times). is usually the minimum process value. Transistors’ can be calculated.
- (1)
- To fill a sea of the same slice bases in the same pitches on the entire RDAC. An example is the entirety of Figure 2.
- (2)
- The slice consists of four-finger MOS transistors and resistors or capacitors with equal pitches.
- (3)
- Both sides are assigned to sources and connected to VDD or GND planes located on the top layer(s) through stacked vias.
- (4)
- Furthermore, (3) is shared with the adjacent slices.
- (5)
- Except for the digital input bit lines, clock lines, and analog output wiring, all connections are within a slice with an approximate width of 1 μm, thus requiring only a few μm and having a parasitic capacitance in the order of femto-farad (fF), which is almost negligible.
2.2. Description of Parametric Topology Layout
| Listing 1. SWA description for layout of 4-finger, P/N MOS transistor pairs. |
| 1 ParamsN = SWA_trParams( SWA_L SWA_Wn 4 0 “bare”) ; finger=4, without NP, CO 2 ParamsP = SWA_trParams( SWA_L SWA_Wp 4 0 “bare”) ; finger=4, without PW, PP, CO 3 half_slice = SWA_list( 4 list( “%pInst” SWA_techname nch “” dx:dy “R0” 1 ParamsN) ; nch = “nch”, can be “nch_lvt”, “nch33”… 5 list( “%pInst” SWA_techname pch “” dx:dy+Wn+OD_xP_PN “R0” 1 ParamsP) ; pch = “pch”, etc. 6 ) 7 ; SWA_layout( cv half_slice) ; drawing ( normally commented out) |
| Listing 2. The SWA description for a layout of 2NAND+INV in a slice. |
| 10 NAND2_INV = SWA_list( 11 half_slice ; “pch”+”nch” base layers in line 3 12 wire_VDD_GND_half ; stacked vias from both end sources to top VDD/ GND layers 13 list( ““ “PO” C00X:mid “M2”) ; from PO to M2 stacked vias for NAND input1 14 list( ““ “PO” C01X:mid “M1” C01X:ndy “M2”) ; from PO to M1 via, M1 wire, via to M2 for NAND input2 15 list( ““ “PO” C03X:mid “M1” C02X:mid “M2”) ; from PO to M1 via, M1 wire, via to M2 for INV input 16 list( ““ “pch” C01X:pDy “M2” C01X:nDy C02X:nDy “nch”) ; from CO to M2 vias, M2 wire, vias to CO for NAND output 17 list( ““ “nch” C03X:nDy “M2” C03X:pDy “pch”) ; from CO to M2 vias, M2 wire, via to CO for INV output 18 list( ““ “pch” C02X:pDy “M1” C02X:puy C04X:puy) ; VDD 19 list( ““ “PO” C02X:ndy “M1” C04X:ndy) ; grounded gate for isolation 20 list( ““ “PO” C02X:puy “M1”) ; pulled-up gate for isolation 21 ) 22 ; SWA_layout( cv NAND2_INV) ; drawing ( normally commented out) |
| Listing 3. SWA layout description for bottom column of R-DAC. |
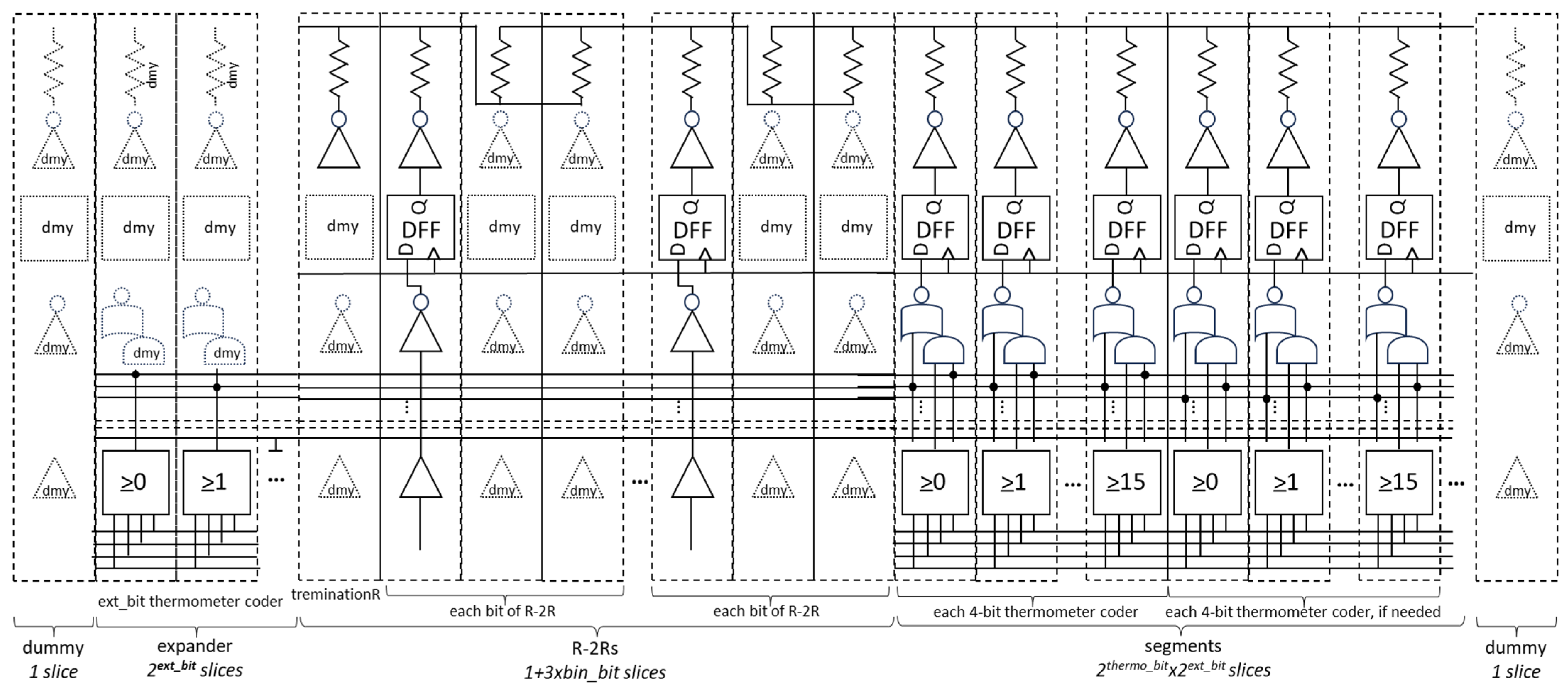
| 30 RDAC1 = SWA_list( dummy list( “%offset” p:0.0) ) ; add left dummy and shift origin p(= width of slice) 31 case( exp_bit (0 x=nil) (1 x=thermo1) (2 x=thermo2) (3 x=thermo3) (4 x=thermo4) ) ; expander-bit selection 32 RDAC1 = SWA_list( RDAC1 x list( “%offset” p*exp_bit:0.0) ) ; add selected expander and origin shift into RDAC1 33 total_slice = 1 + exp_bit 34 if( bin_bit!=0 then 35 RDAC1 = SWA_list( RDAC1 dummy list( “%offset” p:0.0) ) ; add dummy and shift for space of left road of R-2R 36 for( i 1 bin_bit 37 RDAC1=SWA_list( RDAC1 BUF2 dummy dummy list( “%offset” p*3:0.0) ) ; add 3 logic slices for R-2R and shift 38 ) 39 total_slice = total_slice + 1 + 3*(bin_bit) 40 ) 41 case( thermo_bit (0 x=nil) (1 x=thermo1) (2 x=thermo2) (3 x=thermo3) (4 x=thermo4) ; thermometer-bit selection 42 for( i 1 2**(exp_bit) 43 RDAC1 = SWA_list( RDAC1 x list( “%offset” p*2**seg_bit:0.0) ) ; add 4-bit expander and origin shift into RDAC1 44 ) 45 total_slice = total_slice + thermo_bit * exp_bit 46 RDAC1 = SWA_list( RDAC1 dummy list( “%offset” -p*total_slice:0.0) ) ; add dummy and reset shift |
2.3. Standard Cell Wirings
2.4. Multiple Voltage Transistor Handling
2.5. SWA_layout(), Interpreter Function
2.6. Schematic Netlist Creations
3. Experimental Results
4. Discussion
5. Conclusions
Author Contributions
Funding
Institutional Review Board Statement
Informed Consent Statement
Data Availability Statement
Acknowledgments
Conflicts of Interest
References
- Sugawara, M. A Study of Design Methodology for Mixed-Signal Circuits Using Sub-Micron Slice Structures. Ph.D. Thesis, Tokyo Institute of Technology, Meguro, Tokyo, Japan, 2019. [Google Scholar]
- Sugawara, M.; Mori, K.; Xu, Z.; Miyahara, M.; Okada, K.; Matsuzawa, A. Synthesis and Automatic Layout of Resistive Digital-to-Analog Converter Based on Mixed-Signal Slice Cell. IEICE Trans. Fundam. Electron. Commun. Comput. Sci. 2016, E99.A, 2435–2443. [Google Scholar] [CrossRef]
- Sugawara, M.; Mori, K.; Miyahara, M.; Matsuzawa, A. Novel Design Method for ~GHz DAC & Automated Design Program. In Proceedings of the Technical Meeting on Electronic Circuits, Toyo, Japan, 6 March 2014. Available online: https://www.ssc.pe.titech.ac.jp/private/publications/2014/IEEJ_AnalogRF/AnalogRF_sugawara_paper.pdf (accessed on 10 November 2024).
- Cadence Design Systems, Inc. Virtuoso Layout Suite XL SKILL Reference; Cadence Design Systems, Inc.: San Jose, CA, USA, 2017. [Google Scholar]
- Cadence Design Systems, Inc. Cadence Physical Verification System Developer Guide; Cadence Design Systems, Inc.: San Jose, CA, USA, 2017. [Google Scholar]
- Matthias Köfferlein, KLayout—Your Mask Layout Friend. Available online: https://www.klayout.de/ (accessed on 1 February 2025).
- Synopsys, Inc. Python API Reference Manual; Synopsys, Inc.: Mountain View, CA, USA. Available online: https://www.synopsys.com/cloud/openlink/api.html (accessed on 1 February 2025).
- Cadence Design Systems, Inc. Virtuoso Parameterized Cell SKILL Reference; Cadence Design Systems, Inc.: San Jose, CA, USA, 2017. [Google Scholar]
- Cadence Design Systems, Inc. SKILL Language User Guide; Cadence Design Systems, Inc.: San Jose, CA, USA, 2017. [Google Scholar]
- Cadence Design Systems, Inc. SKILL Language Reference; Cadence Design Systems, Inc.: San Jose, CA, USA, 2017. [Google Scholar]
- Cadence Design Systems, Inc. Virtuoso Design Environment SKILL Reference; Cadence Design Systems, Inc.: San Jose, CA, USA, 2017. [Google Scholar]
- Zhu, K.; Chen, H.; Liu, M.; Pan, D.Z. Tutorial and Perspectives on MAGICAL: A Silicon-Proven Open-Source Analog IC Layout System. IEEE Trans. Circuits Syst. II Express Briefs 2023, 70, 715–720. [Google Scholar] [CrossRef]
- Wu, P.H.; Lin, M.P.H.; Chen, T.C.; Yeh, C.F.; Li, X.; Ho, T.Y. A Novel Physical Synthesis Methodology Integrating Existent Design Expertise. IEEE Trans. Comput. Aided Des. Integr. Circuits Syst. 2015, 34, 199–212. [Google Scholar] [CrossRef]
- Chen, H.; Zhu, K.; Liu, M.; Tang, X.; Sun, N.; Pan, D.Z. Toward Silicon-Proven Detailed Routing for Analog and Mixed-Signal Circuits. In Proceedings of the 39th International Conference on Computer-Aided Design, Storrs, CT, USA, 24–27 October 2021. [Google Scholar] [CrossRef]
- Zhu, K.; Chen, H.; Liu, M.; Tang, X.; Sun, N.; Pan, D.Z. Effective Analog/Mixed-Signal Circuit Placement Considering System Signal Flow. In Proceedings of the 39th International Conference on Computer-Aided Design, Storrs, CT, USA, 24–27 October 2021; Volume 133, pp. 1–9. [Google Scholar] [CrossRef]
- Xu, B.; Basaran, B.; Su, M.; Pan, D.Z. Analog Placement Constraint Extraction and Exploration with the Application to Layout Retargeting. In Proceedings of the 2018 International Symposium on Physical Design, Monterey, CA, USA, 25–28 March 2018; pp. 98–105. [Google Scholar] [CrossRef]
- Zhu, K.; Liu, M.; Lin, Y.; Hao, C. magical-eda/MAGICAL. Available online: https://github.com/magical-eda/MAGICAL (accessed on 1 February 2025).
- Chang, E.; Han, J.; Bae, W.; Wang, Z.; Narevsky, N.; Nikolic, B.; Alon, E. BAG2: A Process-portable framework for generator-based AMS circuit design. In Proceedings of the 2018 IEEE Custom Integrated Circuits Conference, San Diego, CA, USA, 8–11 April 2018; pp. 1–8. [Google Scholar] [CrossRef]
- ucb-art/BAG_framework: Berkeley Analog Generator (BAG). Available online: https://github.com/ucb-art/BAG_framework (accessed on 10 November 2024).
- Hakhamaneshi, K.; Werblun, N.; Abbeel, P.; Stojanovic, V. BagNet: Berkeley Analog Generator with Layout Optimizer Boosted with Deep Neural Networks. In Proceedings of the IEEE/ACM International Conference on Computer-Aided Design, Westminster, CO, USA, 4–7 November 2019; pp. 1–8. [Google Scholar] [CrossRef]
- Wang, Z.; Alon, E. Analog Generators for SerDes Clock Generation and Distribution, 2023, Technical Reports-2023, Electrical Engineering & Computer Sciences, Berkeley. Available online: https://www2.eecs.berkeley.edu/Pubs/TechRpts/2023/EECS-2023-36.pdf (accessed on 10 November 2024).
- Susa, H.; Mori, K.; Sugawara, M.; Matsuzawa, A. SWA: SoftWare for Analog design automation. Chips 2024, 3, 379–394. [Google Scholar] [CrossRef]
- Girardi, A.; De-Oliveira, T.; Ghissoni, S.; Aguirre, A.C.; Compassi-Severo, L. A comprehensive review on automation-based sizing techniques for analog IC design. J. Integr. Circuits Syst. 2022, 17, 1–14. [Google Scholar] [CrossRef]
- Lourenco, N.; Martins, R.; Horta, N. Automatic Analog IC Sizing and Optimization Constrained with PVT Corners and Layout Effects; Springer: Berlin/Heidelberg, Germany, 2017. [Google Scholar] [CrossRef]
- Martins, R.; Lourenco, N.; Horta, N. Analog Integrated Circuit Design Automation; Springer: Berlin/Heidelberg, Germany, 2017. [Google Scholar] [CrossRef]
- Kammara, A.C.; Koenig, A. ABSYNTH: A Comprehensive Approach for Full Front to Back Analog Design Automation. In Proceedings of the 2018 15th International Conference on Synthesis, Modeling, Analysis and Simulation Methods and Applications to Circuit Design (SMACD), Prague, Czech Republic, 2–5 July 2018. [Google Scholar] [CrossRef]







Disclaimer/Publisher’s Note: The statements, opinions and data contained in all publications are solely those of the individual author(s) and contributor(s) and not of MDPI and/or the editor(s). MDPI and/or the editor(s) disclaim responsibility for any injury to people or property resulting from any ideas, methods, instructions or products referred to in the content. |
© 2025 by the authors. Licensee MDPI, Basel, Switzerland. This article is an open access article distributed under the terms and conditions of the Creative Commons Attribution (CC BY) license (https://creativecommons.org/licenses/by/4.0/).
Share and Cite
Sugawara, M.; Susa, H.; Mori, K.; Matsuzawa, A. Automated R-DAC Layout Design with Parameterized Topology Written in SWA: SoftWare Analog. Chips 2025, 4, 7. https://doi.org/10.3390/chips4010007
Sugawara M, Susa H, Mori K, Matsuzawa A. Automated R-DAC Layout Design with Parameterized Topology Written in SWA: SoftWare Analog. Chips. 2025; 4(1):7. https://doi.org/10.3390/chips4010007
Chicago/Turabian StyleSugawara, Mitsutoshi, Hidekana Susa, Kenji Mori, and Akira Matsuzawa. 2025. "Automated R-DAC Layout Design with Parameterized Topology Written in SWA: SoftWare Analog" Chips 4, no. 1: 7. https://doi.org/10.3390/chips4010007
APA StyleSugawara, M., Susa, H., Mori, K., & Matsuzawa, A. (2025). Automated R-DAC Layout Design with Parameterized Topology Written in SWA: SoftWare Analog. Chips, 4(1), 7. https://doi.org/10.3390/chips4010007
