A 0.5-V Four-Stage Amplifier Using Cross-Feedforward Positive Feedback Frequency Compensation
Abstract
:1. Introduction
2. Review of Frequency Compensation and Low-Voltage Amplifier Topologies
2.1. Review of Frequency Compensation in Three-Stage Amplifier Topologies
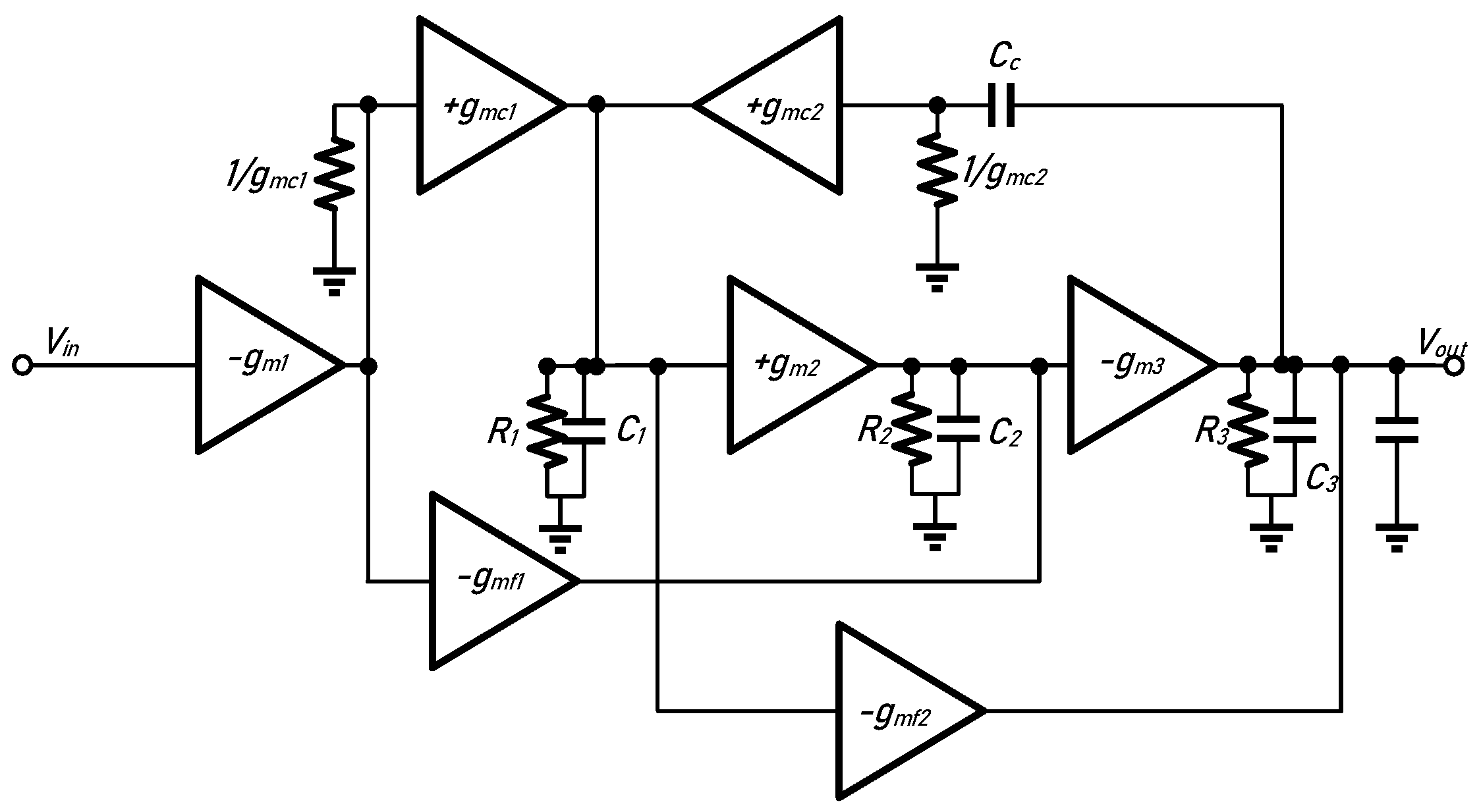
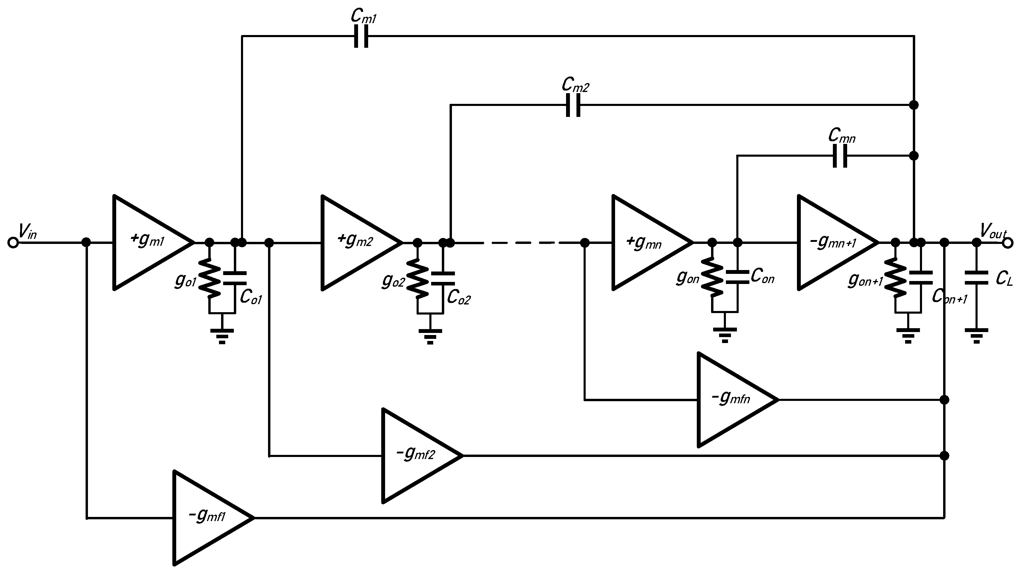
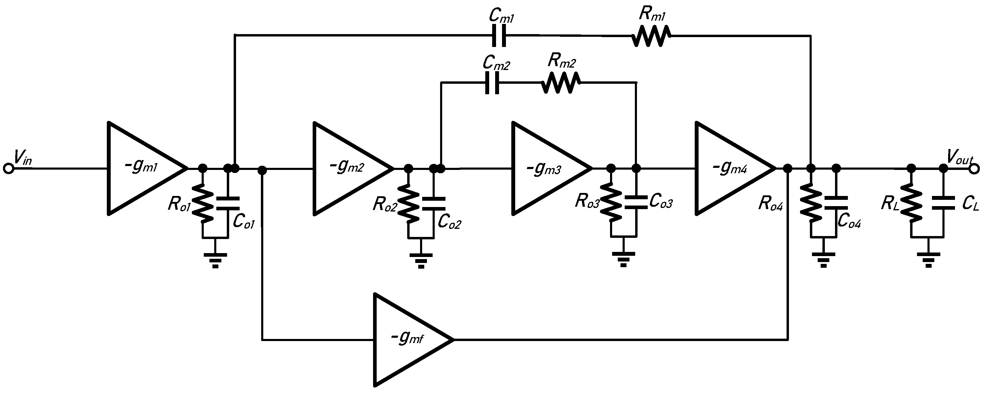
2.2. Review of Frequency Compensation in Four-Stage Amplifier Topologies
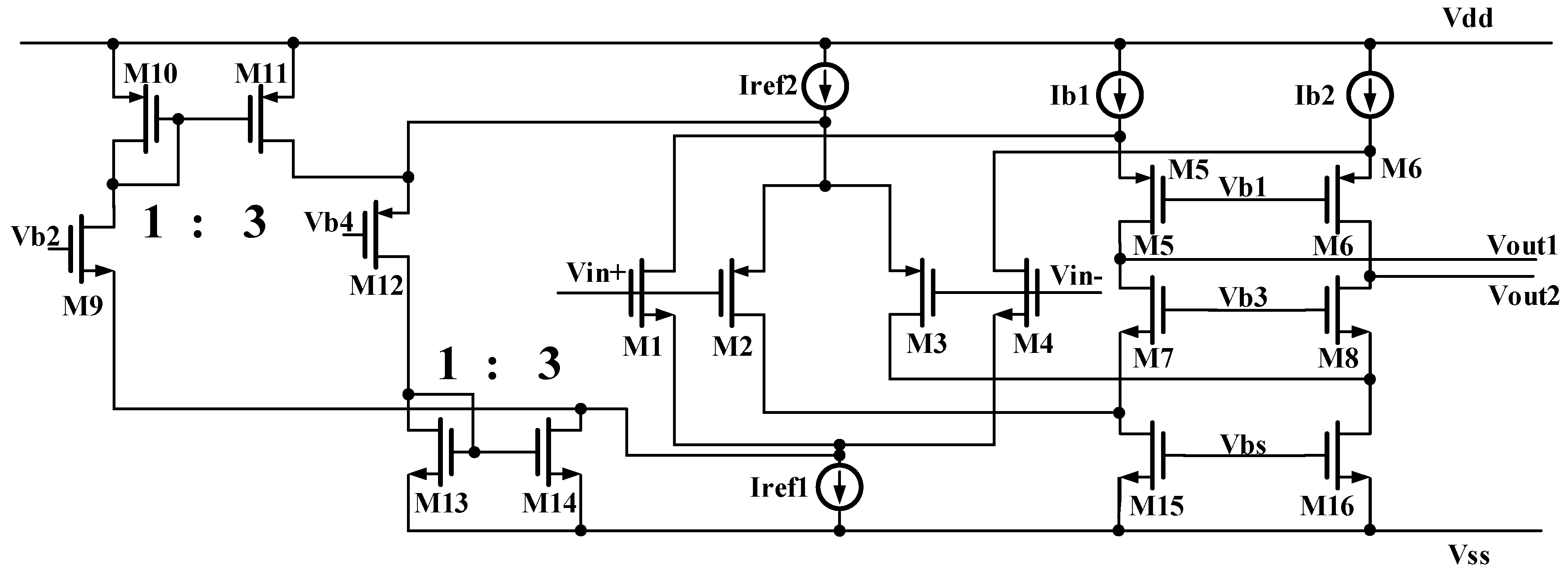
2.3. Review of Low-Voltage Rail-to-Rail Amplifier Circuits
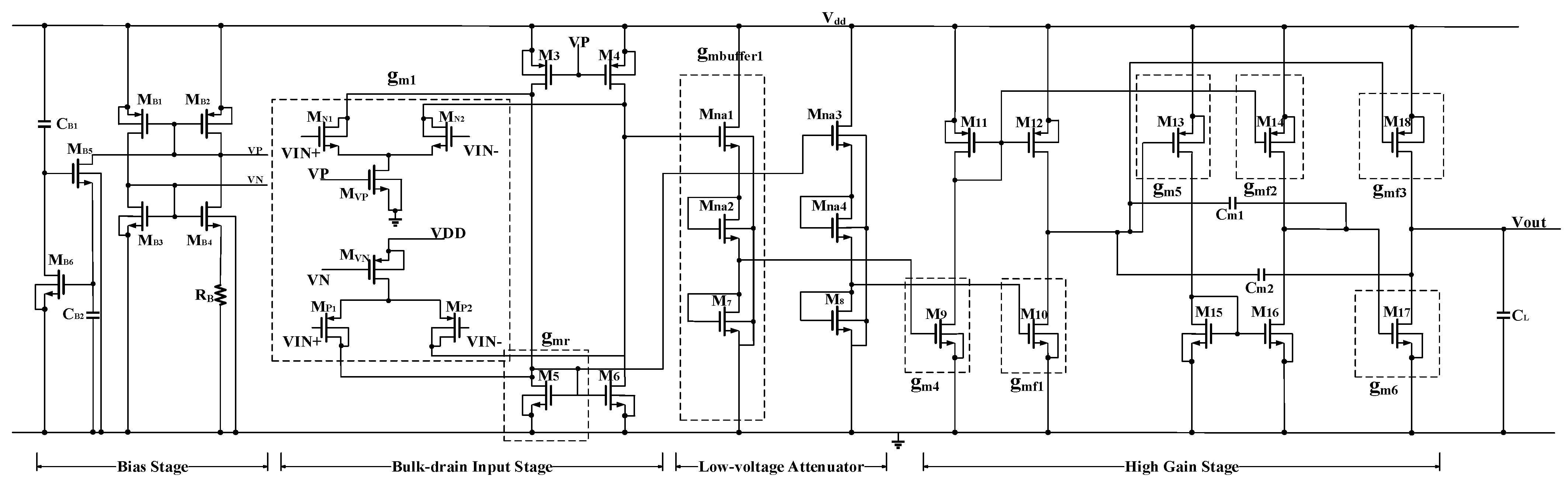
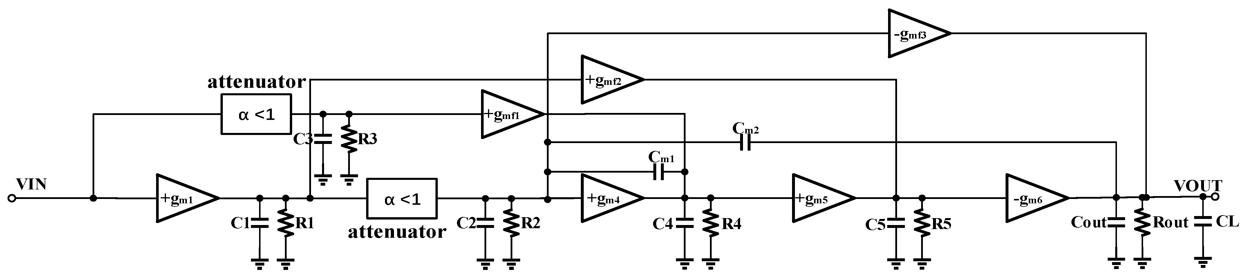
3. Proposed Four-Stage Amplifier with Cross-Feedforward Positive Frequency Compensation (CFPFC)
- There may be a RHP pole that causes oscillation;
 - The peak introduced by the existence of high-order complex polynomial.
 
4. Results and Discussion
5. Conclusions
Author Contributions
Funding
Institutional Review Board Statement
Informed Consent Statement
Data Availability Statement
Conflicts of Interest
References
- Xia, F.; Yang, L.T.; Wang, L.; Vinel, A. Internet of Things. Int. J. Commun. Syst. 2012, 25, 1101–1102. [Google Scholar] [CrossRef]
 - Weber, R.H.; Weber, R. Internet of Things: Legal Perspectives; Springer: Berlin/Heidelberg, Germany, 2010. [Google Scholar] [CrossRef]
 - Rose, K.; Eldridge, S.; Chapin, L. The Internet of Things: An Overview. Internet Soc. (ISOC) 2015, 80, 1–50. [Google Scholar]
 - Qiu, J.; Jiang, H.; Ji, H.; Zhu, K. Comparison between four piezoelectric energy harvesting circuits. Front. Mech. Eng. China 2009, 4, 153–159. [Google Scholar] [CrossRef]
 - Woo, K.-C.; Yang, B.-D. A 0.25-V Rail-to-Rail Three-Stage OTA with an Enhanced DC Gain. IEEE Trans. Circuits Syst. II 2020, 67, 1179–1183. [Google Scholar] [CrossRef]
 - Leung, K.N.; Mok, P. Analysis of multistage amplifier-frequency compensation. IEEE Trans. Circuits Syst. I 2001, 48, 1041–1056. [Google Scholar] [CrossRef]
 - Chong, S.S.; Chan, P.K. Cross Feedforward Cascode Compensation for Low-Power Three-Stage Amplifier with Large Capacitive Load. IEEE J. Solid-State Circuits 2012, 47, 2227–2234. [Google Scholar] [CrossRef]
 - Leung, K.N.; Mok, P. Nested Miller compensation in low-power CMOS design. IEEE Trans. Circuits Syst. II 2001, 48, 388–394. [Google Scholar] [CrossRef]
 - Leung, K.N.; Mok, P.; Ki, W.-H.; Sin, J. Three-stage large capacitive load amplifier with damping-factor-control frequency compensation. IEEE J. Solid-State Circuits 2000, 35, 221–230. [Google Scholar] [CrossRef]
 - Ramos, J.; Steyaert, M.S.J. Positive Feedback Frequency Compensation for Low-Voltage Low-Power Three-Stage Amplifier. IEEE Trans. Circuits Syst. I 2004, 51, 1967–1974. [Google Scholar] [CrossRef]
 - Marano, D.; Grasso, A.D.; Palumbo, G.; Pennisi, S. Optimized Active Single-Miller Capacitor Compensation with Inner Half-Feedforward Stage for Very High-Load Three-Stage OTAs. IEEE Trans. Circuits Syst. I 2016, 63, 1349–1359. [Google Scholar] [CrossRef]
 - Pernici, S.; Nicollini, G.; Castello, R. A CMOS low-distortion fully differential power amplifier with double nested Miller compensation. IEEE J. Solid-State Circuits 1993, 28, 758–763. [Google Scholar] [CrossRef]
 - Eschauzier, R.; Hogervorst, R.; Huijsing, J. A programmable 1.5 V CMOS class-AB operational amplifier with hybrid nested Miller compensation for 120 dB gain and 6 MHz UGF. IEEE J. Solid-State Circuits 1994, 29, 1497–1504. [Google Scholar] [CrossRef]
 - Aminzadeh, H.; Ballo, A.; Grasso, A.; Valinezhad, M.; Jamali, M. Hybrid Cascode Frequency Compensation for Four-Stage OTAs Driving a Wide Range of CL. IEEE Trans. Very Large Scale Integr. (VLSI) Syst. 2023, 31, 1665–1674. [Google Scholar] [CrossRef]
 - You, F.; Embabi, S.H.K.; Sanchez-Sinencio, E. A multistage amplifier topology with nested Gm-C compensation for low-voltage application. In Proceedings of the 1997 IEEE International Solids-State Circuits Conference. Digest of Technical Papers, San Francisco, CA, USA, 8 February 1997; 40, pp. 348–349. [Google Scholar] [CrossRef]
 - Yan, W.; Kolm, R.; Zimmermann, H. Efficient four-stage frequency compensation for low-voltage amplifiers. In Proceedings of the 2008 IEEE International Symposium on Circuits and Systems, Seattle, WA, USA, 18–21 May 2008; pp. 2278–2281. [Google Scholar] [CrossRef]
 - Grasso, A.D.; Palumbo, G.; Pennisi, S. High-Performance Four-Stage CMOS OTA Suitable for Large Capacitive Loads. IEEE Trans. Circuits Syst. I 2015, 62, 2476–2484. [Google Scholar] [CrossRef]
 - Fordjour, S.A.; Riad, J.; Sánchez-Sinencio, E. A 175.2-mW 4-Stage OTA with Wide Load Range (400 pF–12 nF) Using Active Parallel Compensation. IEEE Trans. Very Large Scale Integr. (VLSI) Syst. 2020, 28, 1621–1629. [Google Scholar] [CrossRef]
 - Khateb, F.; Kulej, T. Design and Implementation of a 0.3-V Differential Difference Amplifier. IEEE Trans. Circuits Syst. I 2018, 66, 513–523. [Google Scholar] [CrossRef]
 - Hogervorst, R.; Wiegerink, R.J.; De Jong, P.A.L.; Fonderie, J.; Wassenaar, R.F.; Huijsing, J.H. CMOS low-voltage operational amplifiers with constant-gm rail-to-rail input stage. Analog Integr. Circuits Signal Process. 1994, 5, 135–146. [Google Scholar] [CrossRef]
 - Ibáñez, M.J.; Roldán, J.B.; Roldán, A.M.; Yáñez, R. A comprehensive characterization of the threshold voltage extraction in MOSFETs transistors based on smoothing splines. Math. Comput. Simul. 2014, 102, 1–10. [Google Scholar] [CrossRef]
 - Lee, J.; Chan, P.K. A 0.5 V Inverter-Based Analog Output-Capacitorless Low-Dropout Regulator with Bulk-Driven Transient-Enhancing Paths. In Proceedings of the 2022 11th International Conference on Communications, Circuits and Systems (ICCCAS), Singapore, 13–15 May 2022; pp. 44–49. [Google Scholar] [CrossRef]
 - Dehghani, R.; Danesh, A.R. A high-constant gm rail-to-rail operational amplifier using bump-smoothing technique with stabilized output stage. Analog Integr. Circuits Signal Process. 2020, 103, 273–281. [Google Scholar] [CrossRef]
 - Zazerin, A.; Orlov, A.; Bogdan, O. Modified operational transconductance amplifier macromodel application in piezoelectric active filter design. In Proceedings of the 2014 IEEE 34th International Scientific Conference on Electronics and Nanotechnology (ELNANO), Kyiv, Ukraine, 15–18 April 2014; pp. 373–377. [Google Scholar] [CrossRef]
 - Kulej, T.; Khateb, F.; Arbet, D.; Stopjakova, V. A 0.3-V High Linear Rail-to-Rail Bulk-Driven OTA in 0.13 μm CMOS. IEEE Trans. Circuits Syst. II 2022, 69, 2046–2050. [Google Scholar] [CrossRef]
 - Gangineni, M.; Ramirez-Angulo, J.; Vázquez-Leal, H.; Huerta-Chua, J.; Lopez-Martin, A.J.; Carvajal, R.G. ±0.3V Bulk-Driven Fully Differential Buffer with High Figures of Merit. J. Low Power Electron. Appl. 2022, 12, 35. [Google Scholar] [CrossRef]
 - Khateb, F.; Kulej, T.; Kumngern, M.; Arbet, D.; Jaikla, W. A 0.5-V 95-dB rail-to-rail DDA for biosignal processing. AEU—Int. J. Electron. Commun. 2022, 145, 154098. [Google Scholar] [CrossRef]
 - Khateb, F.; Kulej, T.; Akbari, M.; Tang, K.T. A 0.5-V multiple-input bulk-driven OTA in 0.18-μm CMOS. IEEE Transactions on Very Large Scale Integr. (VLSI) Syst. 2022, 30, 1739–1747. [Google Scholar] [CrossRef]
 - Faraji Baghtash, H. A 0.4 V, tail-less, fully differential transconductance amplifier: An all inverter-based structure. Analog Integr. Circuits Signal Process. 2020, 104, 1–15. [Google Scholar] [CrossRef]
 - Kulej, T.; Khateb, F. A Compact 0.3-V Class AB Bulk-Driven OTA. IEEE Trans. Very Large Scale Integr. (VLSI) Syst. 2020, 28, 224–232. [Google Scholar] [CrossRef]
 - Kulej, T.; Khateb, F. A 0.3-V 98-dB Rail-to-Rail OTA in 0.18 μm CMOS. IEEE Access 2020, 8, 27459–27467. [Google Scholar] [CrossRef]
 






























| Transistor | Size (Type) | Transistor | Size (Type) | 
|---|---|---|---|
| MB1 | 20/1 (1.1 V low VTH) | MB2 | 20/1 (1.1 V low VTH) | 
| MB3 | 1.5/1 (1.1 V low VTH) | MB4 | 12/1 (1.1 V low VTH) | 
| MB5 | 50/1 (1.1 V standard) | MB6 | 1/1 (1.1 V standard) | 
| CB1 | 10 pF | CB2 | 10 pF | 
| RB | 4.2 MΩ | ||
| MP1 | 200/1 (1.1 V low VTH) | MP2 | 200/1 (1.1 V low VTH) | 
| MN1 | 40/1 (1.1 V low VTH) | MN2 | 40/1 (1.1 V low VTH) | 
| M3 | 16/1 (1.1 V low VTH) | M4 | 16/1 (1.1 V low VTH) | 
| M5 | 1/7 (1.1 V low VTH) | M6 | 1/7 (1.1 V low VTH) | 
| Mna1 | 0.5/22 (2.5 V native) | Mna2 | 1/10 (1.1 V native) | 
| Mna3 | 0.5/22 (2.5 V native) | Mna4 | 1/10 (1.1 V native) | 
| M7 | 50/1 (1.1 V low VTH) | M8 | 50/1 (1.1 V low VTH) | 
| M9 | 70/1 (1.1 V low VTH) | M10 | 72/1 (1.1 V low VTH) | 
| M11 | 4/1 (1.1 V low VTH) | M12 | 4/1 (1.1 V low VTH) | 
| M13 | 13/1 (1.1 V low VTH) | M14 | 16/1 (1.1 V low VTH) | 
| M15 | 3.57/1 (1.1 V low VTH) | M16 | 3.57/1 (1.1 V low VTH) | 
| M17 | 1/1 (1.1 V low VTH) | M18 | 16/1 (1.1 V low VTH) | 
| Cm1 | 100 fF | Cm2 | 7 pF | 
| Parameter | tt | ss | ff | 
|---|---|---|---|
| Gain (dB) | 84.588 | 88.207 | 75.376 | 
| UGB (kHz) | 161 | 66 | 248 | 
| PM (deg) | 96 | 76 | 102 | 
| GM (deg) | 5.7 | 8.23 | 11.94 | 
| Power-Supply Gain (dB) | −56 | −61 | −43 | 
| PSRR (dB) | 56 | 61 | 43 | 
| Common-Mode Gain (dB) | −57 | −67 | −43 | 
| CMRR (dB) | 57 | 67 | 43 | 
| Input CMR (mV) | 194 | 280 | 150 | 
| Output CMR (mV) | 196 | 275 | 154 | 
| SR+ (V/µs) | 0.064 | 0.005 | 0.005 | 
| SR− (V/µs) | 0.017 | 0.003 | 0.006 | 
| Settling Time (to 1%) (µs) | 72.49 | 116.58 | 58.35 | 
| Input Noise@1 kHz (nV/) | 213.63 | 343.96 | 214.91 | 
| Power (µW) | 0.866 | 0.30 | 3.05 | 
| FoMss (MHz∙pF/μW) | 9.31 | 11 | 4.07 | 
| IfoMss (MHz∙pF/μA) | 4.65 | 5.50 | 2.03 | 
| FoMls ((V∙pF)/(μs∙μW)) | 2.34 | 0.67 | 0.09 | 
| IfoMls ((V∙pF)/(μs∙uA)) | 1.17 | 0.33 | 0.05 | 
| FoMnpb (()·µW/Hz)  | 1.15 × 10−6 | 1.56 × 10−6 | 2.64 × 10−6 | 
| Parameter | (a) ss, 80 °C, VDD = 0.475 V  | (b) tt, 27 °C, VDD = 0.5 V  | (c) ff, −20 °C, VDD = 0.525 V  | (d) tt, 27 °C, VDD = 0.5 V plus Estimated Layout Parasitics  | 
|---|---|---|---|---|
| Gain (dB) | 82.4 | 84.6 | 83.5 | 84.6 | 
| UGB (kHz) | 87 | 161 | 328 | 137 | 
| PM (deg) | 106 | 96 | 84 | 78 | 
| GM (deg) | 7.0 | 5.7 | 7.6 | 5.27 | 
| Power-Supply Gain (dB) | −69 | −56 | −57 | −56 | 
| PSRR (dB) | 69 | 56 | 57 | 56 | 
| Common-Mode Gain (dB) | −59 | −57 | −51 | −57 | 
| CMRR (dB) | 59 | 57 | 51 | 57 | 
| Input CMR (mV) | 193 | 194 | 200 | 194 | 
| Output CMR (mV) | 193 | 196 | 200 | 196 | 
| SR+ (V/µs) | 0.01 | 0.064 | 0.03 | 0.05 | 
| SR− (V/µs) | 0.007 | 0.017 | 0.014 | 0.018 | 
| Settling Time (to 1%) (µs) | 74.71 | 72.49 | 50.05 | 74.23 | 
| Input Noise@1 kHz (nV/) | 219.45 | 213.63 | 166 | 213.8 | 
| Power (µW) | 0.66 | 0.866 | 1.62 | 0.866 | 
| FoMss (MHz∙pF/μW) | 6.59 | 9.31 | 10.12 | 7.91 | 
| IFoMss (MHz∙pF/μA) | 3.13 | 4.65 | 5.31 | 3.95 | 
| FoMls ((V∙pF)/(μs∙μW)) | 0.64 | 2.34 | 0.68 | 1.96 | 
| IFoMls ((V∙pF)/(μs∙uA)) | 0.31 | 1.17 | 0.36 | 0.98 | 
| FoMnpb (()·µW/Hz)  | 1.66 × 10−6 | 1.15 × 10−6 | 0.82 × 10−6 | 1.35 × 10−6 | 
| Parameter | Typical  Spec  | Mean 200 Runs of Monte Carlo Simulations with Estimated Layout Parasitics | 
|---|---|---|
| Gain (dB) | 84.6 | 84.02 | 
| UGB (kHz) | 161 | 153.8 | 
| PM (deg) | 96 | 79.39 | 
| GM (deg) | 5.7 | 4.7 | 
| PSRR (dB) | 56 | 49.3 | 
| CMRR (dB) | 57 | 49.1 | 
| Input Noise@1 kHz (nV/) | 213.63 | 205.47 | 
| Power (µW) | 0.866 | 0.95 | 
| FoMss (MHz∙pF/μW) | 9.31 | 8.1 | 
| IFoMss (MHz∙pF/μA) | 4.65 | 3.24 | 
| FoMnpb (()·µW/Hz) | 1.15 × 10−6 | 1.26 × 10−6 | 
| Parameter Year sim/exp  | [26] 2022 (sim)  | [27] 2022 (sim)  | [28] 2021 (sim)  | [29] 2020 (exp)  | [30] 2020 (exp)  | [31] 2020 (exp)  | [5] 2020 (exp)  | This Work (sim)  | 
|---|---|---|---|---|---|---|---|---|
| Vdd (V) | 0.6 | 0.5 | 0.5 | 0.4 | 0.3 | 0.3 | 0.25 | 0.5 | 
| Technology (µm) | 0.18 | 0.18 | 0.18 | 0.18 | 0.18 | 0.18 | 0.065 | 0.04 | 
| Power (µW) | 0.684 | 0.312 | 0.124 | 0.024 | 0.0126 | 0.013 | 0.026 | 0.866 | 
| Open Loop Gain (dB) | 71.3 | 95 | 29.2 | 60 | 64.7 | 98.1 | 70 | 84.588 | 
| UGB (MHz) | 0.0868 | 0.0128 | 2.93 × 10−4 | 0.007 | 0.00296 | 0.003 | 0.0095 | 0.161 | 
| CL (pF) | 50 × 2 | 15 | 20pF | 15 × 2 | 30 | 30 | 15 | 50 | 
| SR (V/us) | 0.238 | 0.014 | NA | 0.079 | 0.0042 | 0.0091 | 0.002 | 0.0405 | 
| Settling Time (to 1%) (µs) | NA | NA | NA | NA | 446 | 252 | NA | 72.49 | 
| CMRR@DC (dB) | 102 | 60 | 84.88 | 85.4 | 110 | 60 | 62.5 | 57 | 
| PSRR@DC (dB) | 104.5 | 66 | 58.53 | 76.3 | 56 | 61 | 38 | 56 | 
| Input-referred Noise  (())  | 1.1@ 1 kHz  | 0.88 | 5.32 | NA | 1.6 | 1.8 | NA | 0.214@ 1 kHz  | 
| Input Stage  Typology  | bulk-driven | bulk-driven | bulk-driven | bulk-driven | bulk-driven | bulk-driven | bulk-driven | bulk-drain-driven | 
| Input CMR /Vdd (mV)  | NA | 500/500 | 500/500 | 400/400 | 300/300 | 300/300 | 250/250 | 194/500 | 
| Output CMR /Vdd (mV)  | NA | 500/500 | 500/500 | 400/400 | 240/300 | 300/300 | 250/250 | 196/500 | 
| Output Stage Type | differential | single-ended | single-ended | differential | single-ended | single-ended | single-ended | single-ended | 
| Parameter Year sim/exp  | [26] 2022 (sim)  | [27] 2022 (sim)  | [28] 2021 (sim)  | [29] 2020 (exp)  | [30] 2020 (exp)  | [31] 2020 (exp)  | [5] 2020 (exp)  | This Work (sim)  | 
| FoMss (MHz∙pF/µW)  | 6.34 | 0.614 | 0.04 | 4.38 | 7.047 | 6.92 | 5.48 | 9.31 | 
| IFoMss (MHz∙pF/μA)  | 7.61 | 0.31 | 0.02 | 1.75 | 2.11 | 2.08 | 1.37 | 4.65 | 
| FoMls ((V/µs)∙pF/µW)  | 17.4 | 0.647 | NA | 49.38 | 4.52 | 21 | 1.15 | 2.34 | 
| IFoMls ((V∙pF)/(μs∙uA))  | 10.43 | 0.34 | NA | 19.75 | 3.00 | 6.3 | 0.29 | 1.17 | 
| FoMnpb )·µW/Hz)  | 8.67 × 10−6 | 21.45 × 10−6 | 2.93 × 10−3 | NA | 6.81 × 10−6 | 7.55 × 10−6 | NA | 1.15 × 10−6 | 
| Parameter Year sim/exp  | [12] 1993 (exp)  | [13] 1994 (exp)  | [14] 2023 (exp)  | [15] 1997 (exp)  | [16] 2008 (sim)  | [17] 2015 (exp)  | [18] 2020 (exp)  | This Work (sim)  | 
|---|---|---|---|---|---|---|---|---|
| Vdd (V) | 5 | 1.5 | 1.2 | 2 | 1 | 3 | 1.2 | 0.5 | 
| Compensation Typology  | Multiple Nested Miller Compensation | HNMC | Hybrid Cascode Frequency Compensation | NGCC | SMF | Passive Resistance-capacitor-Series Branch  | APC | CFPFC | 
| Technology (µm)  | 1.5 | 0.8 | 0.065 | 2 | 0.12 | 0.35 | 0.13 | 0.04 | 
| Load | 50 Ω | 10 kΩ//10 pF | 5 nF | 10 kΩ//20 pF | 500 pF | 1 nF | 12 nF | 50 pF | 
| Power (µW) | 10000 | 450 | 168 | 680 | 1400 | 156 | 175.2 | 0.866 | 
| UGB (MHz) | 2 | 2 | 5.15 | 0.61 | 40.2 | 3 | 1.18 | 0.161 | 
| FoMss (MHz∙pF/µW)  | NA | NA | 153.3 | NA | 14.36 | 19.2 | 80.8 | 9.31 | 
| FoMls ((V/µs)∙pF/µW)  | NA | NA | 12.78 | NA | 6.26 | 7.56 | 9.59 | 2.34 | 
Disclaimer/Publisher’s Note: The statements, opinions and data contained in all publications are solely those of the individual author(s) and contributor(s) and not of MDPI and/or the editor(s). MDPI and/or the editor(s) disclaim responsibility for any injury to people or property resulting from any ideas, methods, instructions or products referred to in the content.  | 
© 2023 by the authors. Licensee MDPI, Basel, Switzerland. This article is an open access article distributed under the terms and conditions of the Creative Commons Attribution (CC BY) license (https://creativecommons.org/licenses/by/4.0/).
Share and Cite
Gao, F.; Chan, P.K. A 0.5-V Four-Stage Amplifier Using Cross-Feedforward Positive Feedback Frequency Compensation. Chips 2024, 3, 1-31. https://doi.org/10.3390/chips3010001
Gao F, Chan PK. A 0.5-V Four-Stage Amplifier Using Cross-Feedforward Positive Feedback Frequency Compensation. Chips. 2024; 3(1):1-31. https://doi.org/10.3390/chips3010001
Chicago/Turabian StyleGao, Feifan, and Pak Kwong Chan. 2024. "A 0.5-V Four-Stage Amplifier Using Cross-Feedforward Positive Feedback Frequency Compensation" Chips 3, no. 1: 1-31. https://doi.org/10.3390/chips3010001
APA StyleGao, F., & Chan, P. K. (2024). A 0.5-V Four-Stage Amplifier Using Cross-Feedforward Positive Feedback Frequency Compensation. Chips, 3(1), 1-31. https://doi.org/10.3390/chips3010001
        
