The Standard and Reverse Mode Operation of a Hydrocyclone for Microplastic Separation
Abstract
1. Introduction
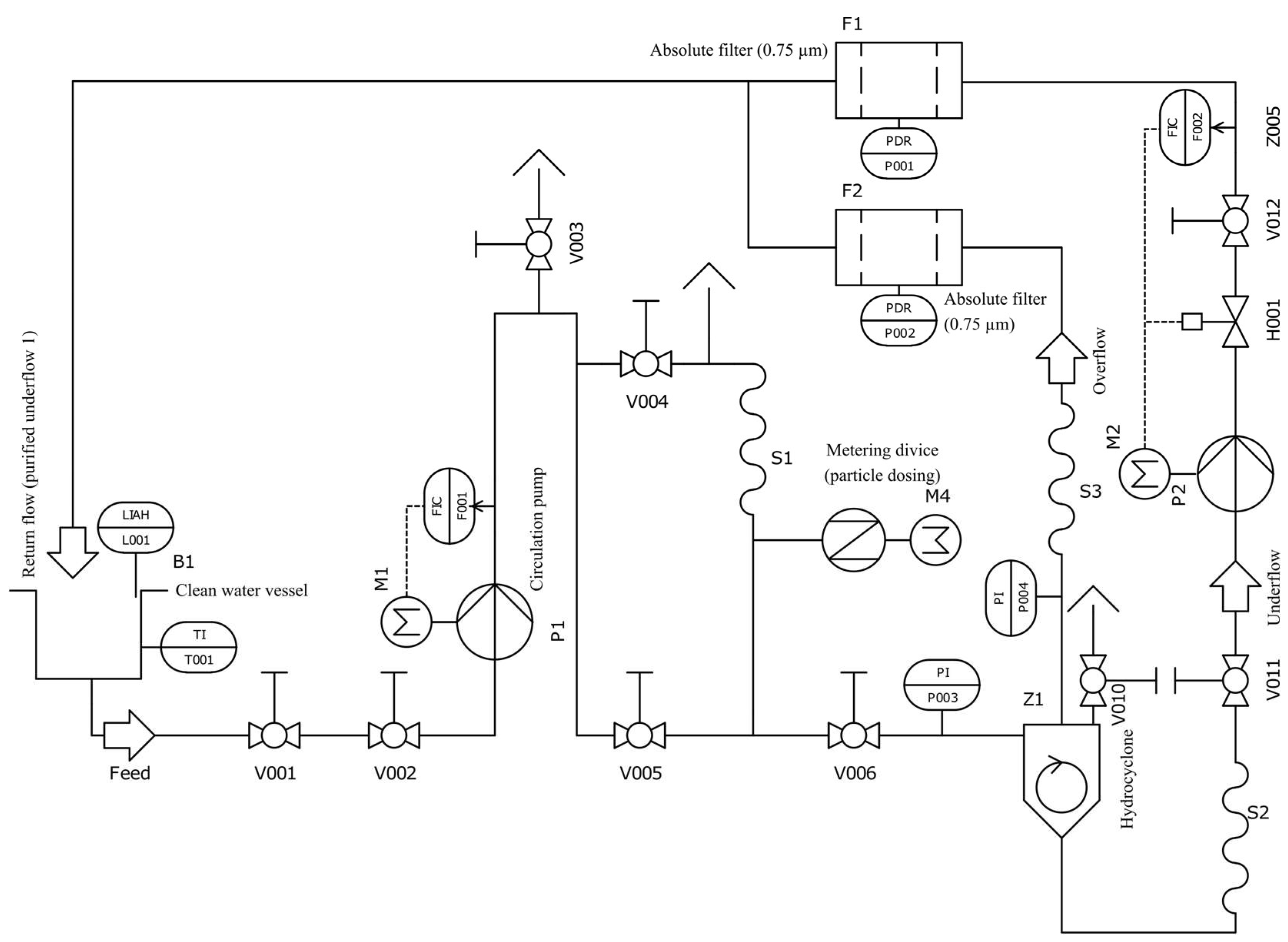
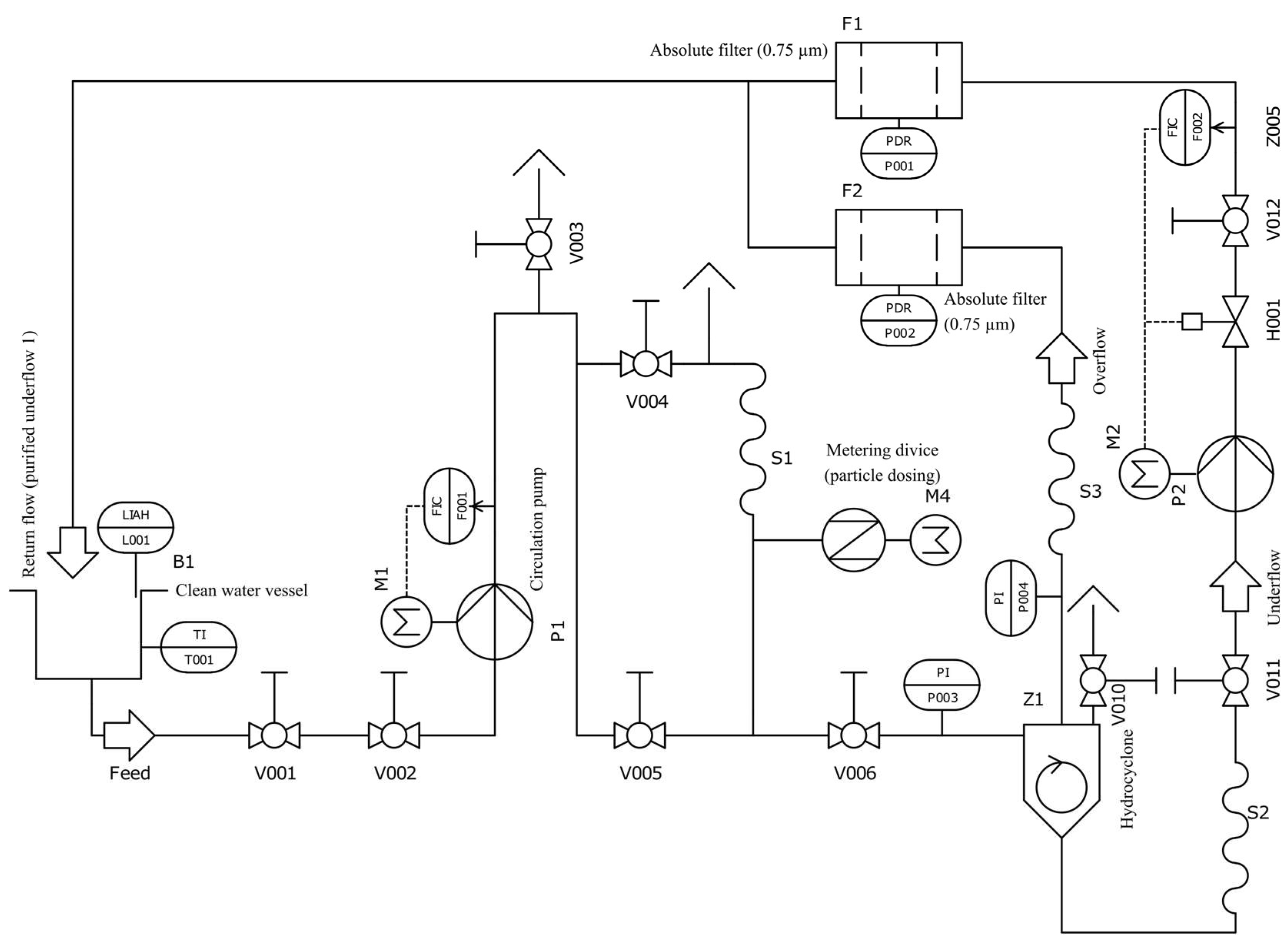
2. Materials and Methods
2.1. Material Selection and Characterization
2.2. Separation Experiments
3. Results and Discussion
4. Conclusions
Author Contributions
Funding
Institutional Review Board Statement
Informed Consent Statement
Data Availability Statement
Acknowledgments
Conflicts of Interest
References
- Yuan, H.; Fu, S.; Tan, W.; He, J.; Wu, K. Study on the hydrocyclonic separation of waste plastics with different density. Waste Manag. 2014, 45, 108–111. [Google Scholar] [CrossRef]
- Prata, J.C.; da Costa, J.P.; Duarte, A.C.; Rocha-Santos, T. Methods for sampling and detection of microplastics in water and sediment: A critical review. TrAC Trends Anal. Chem. 2019, 110, 150–159. [Google Scholar] [CrossRef]
- Delre, A.; Goudriaan, M.; Morales, V.H.; Vaksmaa, A.; Ndhlovu, R.T.; Baas, M.; Keijzer, E.; de Groot, T.; Zeghal, E.; Egger, M.; et al. Plastic photodegradation under simulated marine conditions. Mar. Pollut. Bull. 2023, 187, 114544. [Google Scholar] [CrossRef]
- Alavian Petroody, S.S.; Hashemi, S.H.; Škrlep, L.; Mušič, B.; van Gestel, C.A.M.; Sever Škapin, A. UV Light Causes Structural Changes in Microplastics Exposed in Bio-Solids. Polymers 2023, 15, 4322. [Google Scholar] [CrossRef]
- Mani, T.; Hauk, A.; Walter, U.; Burkhardt-Holm, P. Microplastics profile along the Rhine River. Sci. Rep. 2015, 5, 17988. [Google Scholar] [CrossRef]
- Napper, I.E.; Davies, B.F.R.; Clifford, H.; Elvin, S.; Koldewey, H.J.; Mayewski, P.A.; Miner, K.R.; Potocki, M.; Elmore, A.C.; Gajurel, A.P.; et al. Reaching New Heights in Plastic Pollution—Preliminary Findings of Microplastics on Mount Everest. One Earth 2020, 3, 621–630. [Google Scholar] [CrossRef]
- Bergmann, M.; Mützel, S.; Primpke, S.; Tekman, M.B.; Trachsel, J.; Gerdts, G. White and wonderful? Microplastics prevail in snow from the Alps to the Arctic. Sci. Adv. 2019, 5, eaax1157. [Google Scholar] [CrossRef]
- Tang, R.; Zhang, T.; Song, K.; Sun, Y.; Chen, Y.; Huang, W.; Feng, Z. Microplastics in commercial clams from the intertidal zone of the South Yellow Sea, China. Front. Mar. Sci. 2022, 9, 905923. [Google Scholar] [CrossRef]
- Yuan, Z.; Nag, R.; Cummins, E. Human health concerns regarding microplastics in the aquatic environment—From marine to food systems. Sci. Total Environ. 2022, 823, 153730. [Google Scholar] [CrossRef]
- Issac, M.N.; Kandasubramanian, B. Effect of microplastics in water and aquatic systems. Environ. Sci. Pollut. Res. 2021, 28, 19544–19562. [Google Scholar] [CrossRef]
- Cox, K.D.; Covernton, G.A.; Davies, H.L.; Dower, J.F.; Juanes, F.; Dudas, S.E. Human Consumption of Microplastics. Environ. Sci. Technol. 2019, 53, 7068–7074. [Google Scholar] [CrossRef]
- Müller, Y.K.; Wernicke, T.; Pittroff, M.; Witzig, C.S.; Storck, F.R.; Klinger, J.; Zumbülte, N. Microplastic analysis—Are we measuring the same? Results on the first global comparative study for microplastic analysis in a water sample. Anal. Bioanal. Chem. 2020, 412, 555–560. [Google Scholar] [CrossRef]
- Hartmann, N.B.; Hüffer, T.; Thompson, R.C.; Hassellöv, M.; Verschoor, A.; Daugaard, A.E.; Rist, S.; Karlsson, T.; Brennholt, N.; Cole, M.; et al. Are We Speaking the Same Language? Recommendations for a Definition and Categorization Framework for Plastic Debris. Environ. Sci. Technol. 2019, 53, 1039–1047. [Google Scholar] [CrossRef]
- Senfter, T.; Walter, A.; Dür, L.; Alber, F.; Pillei, M. Do We Speak the Same Language for Reference Particles in Microplastic Research? Microplastics 2022, 1, 221–228. [Google Scholar] [CrossRef]
- Hildebrandt, L.; Zimmermann, T.; Primpke, S.; Fischer, D.; Gerdts, G.; Pröfrock, D. Comparison and uncertainty evaluation of two centrifugal separators for microplastic sampling. J. Hazard. Mater. 2021, 414, 125482. [Google Scholar] [CrossRef]
- Rios Mendoza, L.M.; Balcer, M. Microplastics in freshwater environments: A review of quantification assessment. TrAC Trends Anal. Chem. 2019, 113, 402–408. [Google Scholar] [CrossRef]
- Ji, L.; Paul, P.; Shanbhag, B.K.; Dixon, I.; Kuang, S.; He, L. Emerging application of hydrocyclone in biotechnology and food processing. Sep. Purif. Technol. 2023, 309, 122992. [Google Scholar] [CrossRef]
- Habibian, M.; Pazouki, M.; Ghanaie, H.; Abbaspour-Sani, K. Application of hydrocyclone for removal of yeasts from alcohol fermentations broth. Chem. Eng. J. 2008, 138, 30–34. [Google Scholar] [CrossRef]
- Gama, A.J.A.; Neves, G.A.; Barros, P.L.; Neto, A.T.P.; Alves, J.J.N. Hydrocyclone performance for bentonite clay purification. Chem. Eng. Res. Des. 2020, 161, 168–177. [Google Scholar] [CrossRef]
- do Carmo Precci Lopes, A.; Senfter, T.; Ebner, C.; Senn, M.; Pillei, M.; Kraxner, M.; Robra, S.; Bockreis, A. Separation of biodegradable material from the low calorific fraction of municipal solid waste. J. Clean. Prod. 2020, 280, 124681. [Google Scholar] [CrossRef]
- Vimal, A.; Thalaieswaran, S.; Kannan, N.H.; Ganeshan, P.; Venkatesh, S. A review on the Investigation of Hydrocyclone Performance by shape optimization. E3S Web Conf. 2023, 405, 04047. [Google Scholar] [CrossRef]
- Hou, D.; Zhang, L.; Cui, B.; Zhao, Q.; Jiang, L.; Liu, P.; Wei, D. Research on the particle circulation flow and classification performance of multi-stage cylindrical hydrocyclones. Powder Technol. 2023, 429, 118908. [Google Scholar] [CrossRef]
- Fu, S.; Qian, Y.; Yuan, H.; Fang, Y. Effect of cone angles of a hydrocyclone for the separation of waste plastics with low value of density difference. Waste Manag. 2022, 140, 183–192. [Google Scholar] [CrossRef] [PubMed]
- Carlson, D.C. Light Medium Separation of High Density Polyethylene and Polypropylene in a Hydrocyclone. Master’s Thesis, Michigan State University, East Lansing, MI, USA, 1995. Available online: https://www.proquest.com/openview/a19599d209af90b6e330b801bb17ba27/1?pq-origsite=gscholar&cbl=18750&diss=y (accessed on 6 October 2023).
- Senfter, T.; Fritsch, L.; Berger, M.; Kofler, T.; Mayerl, C.; Pillei, M.; Kraxner, M. Sludge thickening in a wastewater treatment plant using a modified hydrocyclone. Carbon Resour. Convers. 2021, 4, 132–141. [Google Scholar] [CrossRef]
- Senfter, T. Kontinuierliche Störstoffabtrennung in der Klärschlamm-Co-Fermentation Mittels Zentrifugalabscheider (Continuous Removal of Impurities in Co-Fermentation Plants by Using Centrifugal Separators). Ph.D. Thesis, University of Innsbruck, Innsbruck, Austria, 2019. [Google Scholar]
- Zhang, Y.; Yang, M.; Jiang, L.; Wang, H.; Xu, J.; Yang, J. High concentration fine particle separation performance in hydrocyclones. Minerals 2021, 11, 307. [Google Scholar] [CrossRef]





| Hydrocyclone Operation | Manufacturer | Particle type | Particle name | Particle density | Median diameter | Inlet flow rate | Underflow rate | Separation efficiency | Δmax (+) | Δmin (−) |
|---|---|---|---|---|---|---|---|---|---|---|
| - | - | kg/m3 | µm | m3/h | % | % | % | % | ||
| Standard mode | EVONIK | PMMA | Degacryl LP 55/03 | 1200.6 | 520 | 5 | 0 | 98.42 | 0.33 | 0.29 |
| 10 | 98.54 | 0.32 | 0.34 | |||||||
| EOS | PS | PrimeCast 101 | 1068.7 | 85 | 5 | 0 | 3.01 | 2.18 | 1.15 | |
| 10 | 20.69 | 0.62 | 0.42 | |||||||
| 20 | 35.65 | 0.62 | 0.35 | |||||||
| 30 | 50.32 | 0.45 | 0.89 | |||||||
| 40 | 64.29 | 0.43 | 0.61 | |||||||
| 50 | 79.00 | 1.19 | 2.34 | |||||||
| 60 | 85.83 | 1.25 | 0.66 | |||||||
| 70 | 90.36 | 0.65 | 0.39 | |||||||
| 80 | 92.34 | 1.66 | 0.90 | |||||||
| 90 | 93.85 | 0.66 | 0.69 | |||||||
| Reverse mode | GOODFELLOW | HDPE | ET306010 | 949.6 | 118 | 5 | 0 | 0.00 | - | |
| 10 | ||||||||||
| 20 | ||||||||||
| 30 | ||||||||||
| 40 | ||||||||||
| 50 | 3.15 | 1.59 | 1.59 | |||||||
| 60 | 13.96 | 1.37 | 1.37 | |||||||
| 70 | 40.25 | 2.73 | 2.02 | |||||||
| 80 | 89.01 | 2.90 | 2.94 | |||||||
| 90 | 99.12 | 0.70 | 1.51 | |||||||
| INEOS | PP | Eltex P KS001PF | 881.9 | 670 | 5 | 0 | 0.00 | - | ||
| 10 | ||||||||||
| 20 | ||||||||||
| 30 | 7.16 | 1.14 | 2.66 | |||||||
| 40 | 33.58 | 0.79 | 0.89 | |||||||
| 50 | 47.91 | 2.04 | 1.52 | |||||||
| 60 | 71.68 | 0.65 | 1.98 | |||||||
| 70 | 91.09 | 2.13 | 2.63 | |||||||
| 80 | 96.76 | 1.04 | 1.29 | |||||||
| 90 | 99.23 | 0.74 | 1.35 | |||||||
Disclaimer/Publisher’s Note: The statements, opinions and data contained in all publications are solely those of the individual author(s) and contributor(s) and not of MDPI and/or the editor(s). MDPI and/or the editor(s) disclaim responsibility for any injury to people or property resulting from any ideas, methods, instructions or products referred to in the content. |
© 2024 by the authors. Licensee MDPI, Basel, Switzerland. This article is an open access article distributed under the terms and conditions of the Creative Commons Attribution (CC BY) license (https://creativecommons.org/licenses/by/4.0/).
Share and Cite
Senfter, T.; Walter, A.; Dür, L.; Alber, F.; Berger, M.; Kraxner, M.; Pillei, M. The Standard and Reverse Mode Operation of a Hydrocyclone for Microplastic Separation. Microplastics 2024, 3, 22-30. https://doi.org/10.3390/microplastics3010002
Senfter T, Walter A, Dür L, Alber F, Berger M, Kraxner M, Pillei M. The Standard and Reverse Mode Operation of a Hydrocyclone for Microplastic Separation. Microplastics. 2024; 3(1):22-30. https://doi.org/10.3390/microplastics3010002
Chicago/Turabian StyleSenfter, Thomas, Andreas Walter, Lukas Dür, Florian Alber, Manuel Berger, Michael Kraxner, and Martin Pillei. 2024. "The Standard and Reverse Mode Operation of a Hydrocyclone for Microplastic Separation" Microplastics 3, no. 1: 22-30. https://doi.org/10.3390/microplastics3010002
APA StyleSenfter, T., Walter, A., Dür, L., Alber, F., Berger, M., Kraxner, M., & Pillei, M. (2024). The Standard and Reverse Mode Operation of a Hydrocyclone for Microplastic Separation. Microplastics, 3(1), 22-30. https://doi.org/10.3390/microplastics3010002

