Recovery of Neodymium from Spent Hard Disk Drivers by Microwave Treatment and Magnesium Liquid Extraction
Abstract
1. Introduction
2. Materials and Methods
2.1. Pretreatment of Magnets
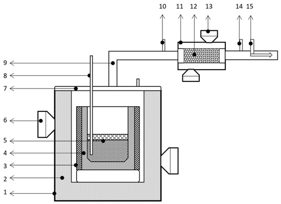
2.2. MW LME
2.3. Distillation of Mg-REE Ingots
3. Results and Discussion
Author Contributions
Funding
Institutional Review Board Statement
Informed Consent Statement
Data Availability Statement
Acknowledgments
Conflicts of Interest
References
- Balaram, V. Rare earth elements: A review of applications, occurrence, exploration, analysis, recycling, and environmental impact. Geosci. Front. 2019, 10, 1285–1303. [Google Scholar] [CrossRef]
- Binnemans, K.; McGuiness, P.P.; Jones, P.T. Rare-earth recycling needs market intervention. Nat. Rev. Mater. 2021, 6, 459–461. [Google Scholar] [CrossRef]
- Habibzadeh, A.; Kucuker, M.A.; Gökelma, M. Review on the Parameters of Recycling NdFeB Magnets via a Hydrogenation Process. ACS Omega 2023, 8, 17431–17445. [Google Scholar] [CrossRef] [PubMed]
- Gupta, C.K. Acquaintance. In Chemical Metallurgy: Principles and Practice; WILEY-VCH Verlag GmbH & Co. KGaA: Weinheim, Germany, 2003; pp. 4–7. ISBN 3-527-30376-6. [Google Scholar]
- Hower, J.C.; Granite, E.J.; Mayfield, D.B.; Lewis, A.S.; Finkelman, R.B. Notes on Contributions to the Science of Rare Earth Element Enrichment in Coal and Coal Combustion Byproducts. Minerals 2016, 6, 32. [Google Scholar] [CrossRef]
- El-Taher, A. Rare earth elements content in geological samples from eastern desert, Egypt, determined by instrumental neutron activation analysis. Appl. Radiat. Isot. 2010, 68, 1859–1863. [Google Scholar] [CrossRef]
- Dutta, T.; Kim, K.-H.; Uchimiya, M.; Kwon, E.E.; Jeon, B.-H.; Deep, A.; Yun, S.-T. Global demand for rare earth resources and strategies for green mining. Environ. Res 2016, 150, 182–190. [Google Scholar] [CrossRef] [PubMed]
- Liu, S.-L.; Fan, H.-R.; Liu, X.; Meng, J.; Butcher, A.R.; Yann, L.; Yang, K.-F.; Li, X.-C. Global rare earth elements projects: New developments and supply chains. Ore Geol. Rev. 2023, 157, 105428. [Google Scholar] [CrossRef]
- Distribution of Rare Earth Element Consumption Worldwide in 2022, by End Use. Available online: https://www.statista.com/statistics/604190/distribution-of-rare-earth-element-consumption-worldwide-by-end-use/ (accessed on 30 November 2024).
- International Energy Agency (IEA), Global Critical Minerals Outlook 2024. Available online: https://www.iea.org/reports/global-critical-minerals-outlook-2024 (accessed on 6 December 2024).
- Britannica. Available online: https://www.britannica.com/science/magnet (accessed on 22 August 2024).
- Lucas, J.; Lucas, P.; Le Mercier, T.; Rollat, A.; Davenport, W. Rare Earths: Science, Technology, Production and Use, 1st ed.; Elsevier: Amsterdam, The Netherlands, 2014; ISBN 9780444627445. [Google Scholar] [CrossRef]
- King, A.H.; Eggert, R.G. Chapter 10—Critical materials for permanent magnets. In Modern Permanent Magnets; Electronic and Optical Materials, Woodhead Publishing: Cambridge, MA, USA, 2022; pp. 343–370. [Google Scholar] [CrossRef]
- Herbst, J.F.; Croat, J.J.; Pinkerton, F.E.; Yelon, W.B. Relationships between crystal structure and magnetic properties in Nd2Fe14B. Phys. Rev. B 1984, 29, 4176–4178. [Google Scholar] [CrossRef]
- Sagawa, M.; Fujimura, S.; Togawa, N.; Yamamoto, H.; Matsuura, Y. New material for permanent magnets on a base of Nd and Fe. J. Appl. Phys. 1984, 55, 2083–2087. [Google Scholar] [CrossRef]
- Xiao, F.; Hu, W.; Zhang, Z.; Li, B.; Zhu, H. Recovery of neodymium and iron from NdFeB waste by combined electrochemical–hydrometallurgical process. Sep. Purif. Technol. 2025, 353, 128301. [Google Scholar] [CrossRef]
- European Commission: Directorate-General for Internal Market, Industry, Entrepreneurship and SMEs. Grohol, M.; Veeh, C. In Study on the Critical Raw Materials for the EU 2023—Final Report; Publications Office of the European Union: Luxembourg, 2023. [Google Scholar] [CrossRef]
- Gaustad, G.; Williams, E.; Leader, A. Rare earth metals from secondary sources: Review of potential supply from waste and byproducts. Resour. Conserv. Recycl. 2021, 167, 105213. [Google Scholar] [CrossRef]
- Shahzabeen, A.; Ghosh, A.; Pandey, B.; Shekhar, S. Circular Economy and Sustainable Production and Consumption. In Green Circular Economy; Singh, P., Yadav, A., Chowdhury, I., Singh, R.P., Eds.; Springer: Cham, Switzerland, 2023; Volume 6, pp. 43–65. [Google Scholar] [CrossRef]
- Bassi, F.; Dias, J.G. The use of circular economy practices in SMEs across the EU. RCR Adv. 2019, 146, 523–533. [Google Scholar] [CrossRef]
- Kaya, E.E.; Kay, O.; Stopic, S.; Gürmen, S.; Friedrich, B. NdFeB Magnets Recycling Process: An Alternative Method to Produce Mixed Rare Earth Oxide from Scrap NdFeB Magnets. Metals 2021, 11, 716. [Google Scholar] [CrossRef]
- Danczak, A.; Chojnacka, I.; Matuska, S.; Marcola, K.; Leśniewicz, A.; Wełna, M.; Żak, A.; Adamski, Z.; Rycerz, L. The recycling-oriented material characterization of hard disk drives with special emphasis on NdFeB magnets. Phys Chem Miner 2018, 54, 363–376. [Google Scholar] [CrossRef]
- Jowitt, S.M.; Werner, T.T.; Weng, Z.; Mudd, G.M. Recycling of the rare earth elements. Curr. Opin. Green Sustain. Chem. 2018, 13, 1–7. [Google Scholar] [CrossRef]
- World Economic Forum. A New Circular Vision for Electronics Time for a Global Reboot. Available online: https://www.weforum.org/publications/a-new-circular-vision-for-electronics-time-for-a-global-reboot/ (accessed on 6 December 2024).
- Blet, V.; Andreiadis, E.; Serp, J.; Miguirditchian, M. Innovative Coupled Hydrometallurgical and Pyrochemical Processes for Rare Earth Recycling. Extraction 2018, 2647–2658. [Google Scholar] [CrossRef]
- He, M.; Jin, X.; Zhang, X.; Duan, X.; Zhang, P.; Teng, L.; Liu, Q.; Liu, W. Combined pyro-hydrometallurgical technology for recovering valuable metal elements from spent lithium-ion batteries: A review of recent developments. Green Chem. 2023, 25, 6561–6580. [Google Scholar] [CrossRef]
- Holzer, A.; Zimmermann, J.; Wiszniewski, L.; Necke, T.; Gatschlhofer, C.; Öfner, W.; Raupenstrauch, H. A Combined Hydro-Mechanical and Pyrometallurgical Recycling Approach to Recover Valuable Metals from Lithium-Ion Batteries Avoiding Lithium Slagging. Batteries 2023, 9, 15. [Google Scholar] [CrossRef]
- Hassan, B. Environmental Impact of Modern Permanent Magnets. In Modern Permanent Magnets—Fundamentals and Applications; Dipti Ranjan Sahu; IntechOpen: Rijeka, Croatia, 2023; pp. 10–20. [Google Scholar] [CrossRef]
- Burkhardt, C.; van Nielenb, S.; Awaisc, M.; Bartolozzid, F.; Blomgrene, J.; Ortizf, P.; Xicotencatlb, M.B.; Degric, M.; Nayebossadric, S.; Walton, A. An overview of Hydrogen assisted (Direct) recycling of Rare earth permanent magnets. J. Magn. Magn. 2023, 588, 171475. [Google Scholar] [CrossRef]
- Lixandru, A. Recycling of Nd-Fe-B Permanent Magnets by Hydrogen Processes. Ph.D Thesis, Technische Universität Darmstadt, Darmstadt, Germany, 2018. [Google Scholar]
- Yang, Y.; Walton, A.; Sheridan, R.; Güth, K.; Gauß, R.; Gutfleisch, O.; Buchert, M.; Steenari, B.-M. REE Recovery from End-of-Life NdFeB Permanent Magnet Scrap: A Critical Review. J. Environ. Sustain. 2017, 3, 122–149. [Google Scholar] [CrossRef]
- Kaya, M. An overview of NdFeB magnets recycling technologies. Curr. Opin. Green Sustain. Chem. 2024, 46, 100884. [Google Scholar] [CrossRef]
- Burkhardt, C.; Ortiz, F.; Daoud, K.; Björnfot, T.; Ahrentorp, F.; Blomgren, J.; Walton, A. Automated High-Speed Approaches for the Extraction of Permanent Magnets from Hard-Disk Drive Components for the Circular Economy. Magnetism 2024, 4, 295–304. [Google Scholar] [CrossRef]
- Ormerod, J.; Karati, A.; Baghel, A.P.S.; Prodius, D.; Nlebedim, I.C. Sourcing, Refining and Recycling of Rare-Earth Magnets. Sustainability 2023, 15, 14901. [Google Scholar] [CrossRef]
- Simon, T.R.; Conga, L.; Zhaia, Y.; Zhua, Y.; Zhaoa, F. A semi-automatic system for efficient recovery of rare earth permanent magnets from hard disk drives. In Proceedings of the CIRP 69 of ScienceDirect 25th CIRP Life Cycle Engineering (LCE) Conference, Copenhagen, Denmark, 30 April–2 May 2018. [Google Scholar]
- Li, J.; Barwood, M.; Rahimifar, S. Robotic disassembly for increased recovery of strategically important materials from electrical vehicles. Robot. Comput. Integr. 2018, 50, 203–212. [Google Scholar] [CrossRef]
- SUSMAGPRO, Sustainable Recovery, Reprocessing and Reuse of Rare Earth Magnets in a European Circular Economy Project Update: Automated Separation of NdFeB Magnets from Waste Electrical and Electronic Equipment Scrap. Available online: https://www.susmagpro.eu/news/project-update-automated-separation-ndfeb-magnets-waste-electrical-and-electronic-equipment (accessed on 6 December 2024).
- Yang, Y. VALOMAG: Upscale of Permanent Magnet Dismantling and Recycling. Available online: https://www.tudelft.nl/me/over/afdelingen/materials-science-and-engineering/research/metals-production-refining-and-recycling/valomag-upscale-of-permanent-magnet-dismantling-and-recycling (accessed on 6 December 2024).
- OAK RIDGE National Laboratory, WORNL Licenses Rare Earth Magnet Recycling Process to Momentum Technologies. Available online: https://www.ornl.gov/news/ornl-licenses-rare-earth-magnet-recycling-process-momentum-technologies (accessed on 6 December 2024).
- Hansjosten, M.; Fleischer, J. Towards autonomous adaptive disassembly of permanent-magnet synchronous motors with industrial robots. Manuf. Lett. 2023, 35, 1336–1346. [Google Scholar] [CrossRef]
- Schuler, D.; Buchert, M.; Liu, R.; Dittrich, S.; Merz, C. Study on Rare Earths and Their Recycling: Final Report for the Greens/EFA Group in the European Parliament. Available online: http://www.oeko.de/publikationen/dok/1192.php (accessed on 22 August 2024).
- Cherkezova-Zheleva, Z.; Burada, M.; Sobetkii, A.E.; Paneva, D.; Fironda, S.A.; Piticescu, R.R. Green and Sustainable Rare Earth Element Recycling and Reuse from End-of-Life Permanent Magnets. Metals 2024, 14, 658. [Google Scholar] [CrossRef]
- Mishra, R.R.; Sharma, A.K. Microwave–material interaction phenomena: Heating mechanisms, challenges and opportunities in material processing. Compos. Part A 2016, 81, 78–97. [Google Scholar] [CrossRef]
- Singh, S.; Gupta, D.; Jain, V.; Sharma, A.K. Microwave Processing of Materials and Applications in Manufacturing Industries: A Review. J. Manuf. Mater. 2015, 30, 1–29. [Google Scholar] [CrossRef]
- Jones, D.A.; Lelyveld, T.P.; Mavrofidis, S.D.; Kingman, S.W.; Miles, N.J. Microwave heating applications in environmental engineering—A review. RCR Adv. 2002, 34, 75–90. [Google Scholar] [CrossRef]
- Oghbaei, M.; Mirzaee, O. Microwave versus conventional sintering: A review of fundamentals, advantages, and applications. J. Alloys Compd. 2010, 494, 175–189. [Google Scholar] [CrossRef]
- Dupont, D.; Binnemans, K. Recycling of Rare Earths from NdFeB Magnets Using a Combined Leaching/Extraction System Based on the Acidity and Thermomorphism of the Ionic Liquid [Hbet][Tf2N]. Green Chem. 2015, 17, 2150–2163. [Google Scholar] [CrossRef]
- Böhm, D.; Czerski, K.; Gottlieb, S.; Huke, A.; Ruprecht, G. Recovery of Rare Earth Elements from NdFeB Magnets by Chlorination and Distillation. Processes 2023, 11, 577. [Google Scholar] [CrossRef]
- Xu, Y.; Chumbley, L.S.; Laabs, L.S. Liquid metal extraction of Nd from NdFeB magnet scrap. J. Mater. Res. 2000, 15, 2296–2304. [Google Scholar] [CrossRef]
- Akahori, T.; Miyamoto, Y.; Saeki, T.; Okamoto, M.; Okabe, T.H. Optimum conditions for extracting rare earth metals from waste magnets by using molten magnesium. J. Alloys Compd. 2017, 703, 337–343. [Google Scholar] [CrossRef]
- Takeda, O.; Okabe, T.H.; Umetsu, Y. Recovery of neodymium from a mixture of magnet scrap and other scrap. J. Alloys Compd. 2006, 408–412, 387–390. [Google Scholar] [CrossRef]
- Rasheed, M.Z.; Nam, S.-W.; Cho, J.-Y.; Park, K.-T.; Kim, B.-S.; Kim, T.-S. Review of the Liquid Metal Extraction Process for the Recovery of Nd and Dy from Permanent Magnets. Metall Mater Trans B 2021, 52, 1213–1227. [Google Scholar] [CrossRef]
- Chae, H.J.; Kim, Y.D.; Kim, B.S.; Kim, J.G.; Kim, T.-S. Experimental investigation of diffusion behavior between molten Mg and Nd–Fe–B magnets. J. Alloys Compd. 2014, 586, 143–149. [Google Scholar] [CrossRef]
- Kim, Y.-S.; Nam, S.-W.; Park, K.-T.; Kim, T.-S. Extraction Behavior of Rare Earth Element (Nd, Dy) from Rare Earth Magnet by Using Molten Magnesium. Sci. Adv. Mater. 2017, 9, 2166–2172. [Google Scholar] [CrossRef]
- Takeda, O.; Okabe, T.H.; Umetsu, Y. Phase equilibria of the system Fe–Mg–Nd at 1076 K. J. Alloys Compd. 2005, 392, 206–213. [Google Scholar] [CrossRef]
- Nam, S.-W.; Park, S.-M.; Rasheed, M.Z.; Song, M.-S.; Kim, D.-H.; Kim, T.-S. Influence of Dysprosium Compounds on the Extraction Behavior of Dy from Nd-Dy-Fe-B Magnet Using Liquid Magnesium. Metals 2021, 11, 1345. [Google Scholar] [CrossRef]
- Ueberschaar, M.; Geiping, J.; Zamzow, M.; Flamme, S.; Rotter, V.S. Assessment of element-specific recycling efficiency in WEEE pre-processing. Resour. Conserv. Recycl. 2017, 124, 25–41. [Google Scholar] [CrossRef]
- Okabe, T.H.; Takeda, O.; Fukuda, K.; Umetsu, Y. Direct Extraction and Recovery of Neodymium Metal from Magnet Scrap. Mater. Trans. 2003, 44, 798–801. [Google Scholar] [CrossRef]
- Park, S.; Kim, D.-K.; Jeong, J.; Shin, J.-H.; Kang, Y.; Liu, R.; Kim, T.-S.; Song, M. Separation and recovery Nd and Dy from Mg-REEs alloy by vacuum distillation. J. Alloys Compd. 2023, 967, 171775. [Google Scholar] [CrossRef]
- Fironda, S.A.; Badea, C.I.; Burada, M.; Licu, L.; Piticescu, R.R.; Cherkezova-Zheleva, Z.; Axinte, S.; Jay, O. An LCA study on recycling neodymium from spent HDD permanent magnets. In Proceedings of the 7th 7TH International Conference on Emerging Technologies In Materials Engineering, Bucharest, Romania, 30–31 October 2024. [Google Scholar]
- Karal, E.; Kucuker, M.A.; Demirel, B.; Copty, N.K.; Kuchta, K. Hydrometallurgical recovery of neodymium from spent hard disk magnets: A life cycle perspective. J. Clean. Prod. 2021, 288, 125087. [Google Scholar] [CrossRef]









| Method | Description |
|---|---|
| Hydrogen Decrepitation | A method which desintegrates the NdFeB magnets. As soon as the magnet absorbs the hydrogen, there is an increase in volume and the magnet is pulverized into a powder. |
| Solvent Extraction | A process that involves dissolving REE-containing materials in a solvent and then extracting the REEs using another solvent, commonly used for neodymium and dysprosium recovery from magnets. |
| Ion Exchange | A method that separates REEs from other metals by exchanging ions with a resin, often used for yttrium and europium recovery from fluorescent lamps. |
| Precipitation | A technique that involves adding a chemical to precipitate out the REEs, which are then collected and processed further. |
| Pyrometallurgy | A high-temperature process that separates individual REEs from the REE-containing material, commonly used for cerium and lanthanum recovery from catalytic converters. |
| Hydrometallurgy | A method that involves dissolving the REE-containing material in an acid or base solution and then separating the individual REEs using chemical processes. |
| Biometallurgy | A novel approach that utilizes microorganisms to extract and recover REEs from waste materials such as electronic waste or mine tailings. |
| Sample Code | Nd | Pr | Dy | Ce | Ni | Cu | Co | Al | B | Other REEs, Σ | Fe |
| HDD REPM1 | 22.5 | 4.38 | 1.25 | 0.12 | 1.32 | 0.15 | <0.1 | 0.25 | 0.89 | <0.1 | balance |
| HDD REPM2 | 26.5 | 4.80 | 0.99 | 0.08 | 1.92 | 0.16 | 0.37 | 0.28 | 1.03 | <0.1 | balance |
| HDD REPM3 | 22.8 | 3.3 | 0.71 | 0.07 | 1.26 | 0.11 | 0.91 | 0.24 | 0.91 | <0.1 | balance |
| HDD REPM4 | 23.5 | 4.1 | 0.88 | 0.06 | 1.76 | 0.12 | 0.72 | 0.29 | 0.89 | <0.1 | balance |
| HDD REPM5 | 24.9 | 3.88 | 1.32 | 0.11 | 1.93 | 0.15 | 1.02 | 0.34 | 0.96 | <0.1 | balance |
| Element | Fe | Ni | Co | Al | Mn | Mg |
|---|---|---|---|---|---|---|
| wt.% | 0.04 | ˂0.002 | ˂0.002 | 0.012 | 0.011 | base |
| Flux Type | T (°C) | LiF | LiCl | MgF2 | MgCl2 | KCl | BaCl2 | CaCl2 | CaF2 | AlF3 | B2O3 | Ar Purge Flow |
|---|---|---|---|---|---|---|---|---|---|---|---|---|
| F1 | 750 | 20 | 80 | - | - | - | - | - | - | - | - | 0.5–1 L/min (purified) |
| F2 | 800 | 15 | 70 | 15 | - | - | - | - | - | - | - | |
| F3 | 900 | - | - | 30 | - | - | - | - | 15 | 40 | 15 |
| Sample No. | Mg/REE Ratio | Melt Temperature [°C] | Resulted REE Composition [wt.%] | |||
|---|---|---|---|---|---|---|
| Nd | Pr | Dy | Ce | |||
| 1 | 1 | 750 | 6.9 | 1.26 | <0.1 | <0.1 |
| 2 | 0.5 | 750 | 7.4 | 1.33 | <0.1 | <0.1 |
| 3 | 0.25 | 750 | 9.2 | 2.76 | <0.1 | <0.1 |
| 4 | 1 | 800 | 17.5 | 0.26 | <0.1 | <0.1 |
| 5 | 0.5 | 800 | 21.5 | 0.39 | <0.1 | <0.1 |
| 6 | 0.25 | 800 | 30.1 | 0.15 | <0.1 | <0.1 |
| 7 | 1 | 900 | 31.2 | <0.1 | <0.1 | <0.1 |
| 8 | 0.5 | 900 | 37.1 | <0.1 | <0.1 | <0.1 |
| 9 | 0.25 | 900 | 43.2 | <0.1 | <0.1 | <0.1 |
| Nd | Pr | Dy | Ce | Fe | Ni | Cu | Co | Al | B | Mg | |
|---|---|---|---|---|---|---|---|---|---|---|---|
| 1 | 6.9 | 1.26 | <0.1 | <0.1 | 0.15 | 0.65 | <0.1 | <0.1 | <0.1 | <0.1 | Balance |
| 2 | 7.4 | 1.33 | <0.1 | <0.1 | 0.1 | 0.95 | <0.1 | <0.1 | <0.1 | <0.1 | Balance |
| 3 | 9.2 | 2.76 | <0.1 | <0.1 | 0.1 | 1.03 | <0.1 | <0.1 | <0.1 | <0.1 | Balance |
| 4 | 17.5 | 0.26 | <0.1 | <0.1 | 0.1 | 0.79 | <0.1 | <0.1 | <0.1 | <0.1 | Balance |
| 5 | 21.5 | 0.39 | <0.1 | <0.1 | 0.38 | 0.86 | <0.1 | <0.1 | <0.1 | <0.1 | Balance |
| 6 | 30.1 | 0.15 | <0.1 | <0.1 | 0.1 | 1.06 | <0.1 | <0.1 | <0.1 | <0.1 | Balance |
| 7 | 31.2 | <0.1 | <0.1 | <0.1 | 0.27 | 0.74 | <0.1 | <0.1 | <0.1 | <0.1 | Balance |
| 8 | 37.1 | <0.1 | <0.1 | <0.1 | 0.16 | 0.65 | <0.1 | <0.1 | <0.1 | <0.1 | Balance |
| 9 | 43.2 | <0.1 | <0.1 | <0.1 | 0.1 | 0.86 | <0.1 | <0.1 | <0.1 | <0.1 | Balance |
| Sample No. | % | ||||
|---|---|---|---|---|---|
| B | Fe | Mg | Others | Nd | |
| 5 | <0.1 | 0.26 | 3.64 | <0.1 | 96.081 |
| 6 | <0.1 | 0.18 | 1.85 | <0.1 | 97.951 |
| 7 | <0.1 | 0.15 | 1.08 | <0.1 | 98.61 |
| 8 | <0.1 | 0.12 | 0.1 | <0.1 | 94.423 |
| 9 | <0.1 | 0.11 | 0.4 | <0.1 | 87.196 |
| Environmental Impact Categories | Units | Our Study [59] | Raw Nd Metal, [60] | Recovered Nd Metal, [60] |
|---|---|---|---|---|
| Abiotic depletion-fossil | MJ | 108 ![]() | 440 ![]() | 297 ![]() |
| Abiotic depletion-elements | kg antimony eq | 807.885 ![]() | 105 ![]() | 104 ![]() |
| Acidification potential | kg SO2 eq | 0.97 ![]() | 0.26 ![]() | 0.3 ![]() |
| Eutrophication potential | kg PO4 eq | 0.001 ![]() | 0.01 ![]() | 0.67 ![]() |
| Freshwater aquatic ecotoxicity | kg 1,4-DCB eq | 0.126 ![]() | 1.3 | 0.3 ![]() |
| Climate change-GWP 100 | kg CO2 eq | 67.66 ![]() | 30.5 | 22.8 ![]() |
| Human toxicity potential | kg 1,4-DCB eq | 2.556 ![]() | 72.8 | 52.5 ![]() |
| Marine aquatic ecotoxicity | kg 1,4-DCB eq | 2339.07 ![]() | 105 ![]() | 105 ![]() |
| Ozone depletion potential | kg CFC-11 eq | 10−10 ![]() | 10−6 | 10−6 |
| Photochemical oxidation | kg ethylene eq | 0.00905 | 0.013 | 0.013 |
| Terrestrial ecotoxicity potential | kg 1,4-DCB eq | 0.7 ![]() | 0.47 | 0.16 ![]() |
Disclaimer/Publisher’s Note: The statements, opinions and data contained in all publications are solely those of the individual author(s) and contributor(s) and not of MDPI and/or the editor(s). MDPI and/or the editor(s) disclaim responsibility for any injury to people or property resulting from any ideas, methods, instructions or products referred to in the content. |
© 2025 by the authors. Licensee MDPI, Basel, Switzerland. This article is an open access article distributed under the terms and conditions of the Creative Commons Attribution (CC BY) license (https://creativecommons.org/licenses/by/4.0/).
Share and Cite
Fironda, S.A.; Badea, I.C.; Burada, M.; Piticescu, R.-R.; Licu, L. Recovery of Neodymium from Spent Hard Disk Drivers by Microwave Treatment and Magnesium Liquid Extraction. Magnetism 2025, 5, 3. https://doi.org/10.3390/magnetism5010003
Fironda SA, Badea IC, Burada M, Piticescu R-R, Licu L. Recovery of Neodymium from Spent Hard Disk Drivers by Microwave Treatment and Magnesium Liquid Extraction. Magnetism. 2025; 5(1):3. https://doi.org/10.3390/magnetism5010003
Chicago/Turabian StyleFironda, Sabina Andreea, Ioana Cristina Badea, Marian Burada, Radu-Robert Piticescu, and Lidia Licu. 2025. "Recovery of Neodymium from Spent Hard Disk Drivers by Microwave Treatment and Magnesium Liquid Extraction" Magnetism 5, no. 1: 3. https://doi.org/10.3390/magnetism5010003
APA StyleFironda, S. A., Badea, I. C., Burada, M., Piticescu, R.-R., & Licu, L. (2025). Recovery of Neodymium from Spent Hard Disk Drivers by Microwave Treatment and Magnesium Liquid Extraction. Magnetism, 5(1), 3. https://doi.org/10.3390/magnetism5010003





