Interlaboratory Comparison of SI-Traceable Flow Metering Calibration Facilities with Gaseous Carbon Dioxide
Abstract
1. Introduction
2. Facilities Descriptions
2.1. Intermediate Scale
2.1.1. VSL Mercury-Seal Piston Prover
2.1.2. NEL High-Pressure Low-Flow Facility
2.1.3. INRIM Piston Prover
2.2. Large Scale
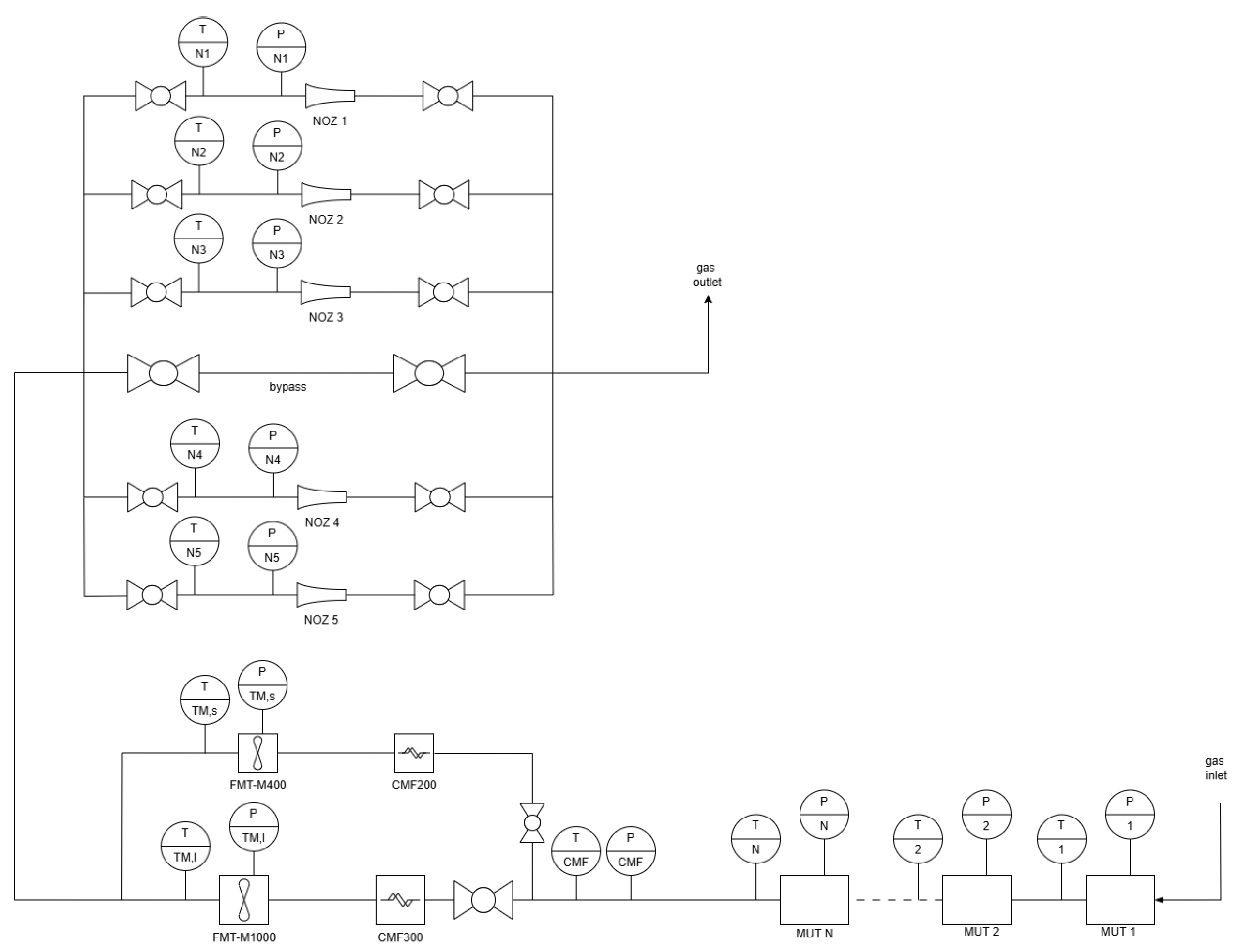
2.2.1. NEL High-Pressure Gas Flow Facility
2.2.2. FORCE Piston Prover
2.2.3. DNV Flow Facility
3. Methodology
- : the result of the laboratory is consistent with the CRV (passed).
- : the result of the laboratory might indicate a possible warning in the measurement process. For this particular situation the particular facility is recommended to check the procedures and methodology.
- : the result of the laboratory is not consistent with CRV (failed).
3.1. Intermediate-Scale Comparison
3.1.1. Intermediate-Scale Test Conditions
3.1.2. Intermediate-Scale Test Meter and Sequence of Testing
3.2. Large-Scale Comparison
3.2.1. Large-Scale Test Conditions
3.2.2. Large-Scale Test Meter and Sequence of Testing
4. Results and Discussion
4.1. Intermediate-Scale Comparison Results
Normalized Error Intermediate Scale
4.2. Large-Scale Comparison Results
Normalized Error Large Scale
5. Conclusions
6. Recommendations
Author Contributions
Funding
Data Availability Statement
Acknowledgments
Conflicts of Interest
References
- European Commission. The European Green Deal-European Commission. Available online: https://commission.europa.eu/strategy-and-policy/priorities-2019-2024/european-green-deal_en (accessed on 8 September 2025).
- European Union. Commission Implementation Regulation 2018/2066, On the Monitoring and Reporting of Greenhouse Gas Emissions Pursuant to Directive 2003/87/EC of the European Parliament and of the Council and of the Council and Amending Commission Regulation (EU) No 601/20; European Union: Brussels, Belgium, 2025. [Google Scholar]
- Mills, C.; Chinello, G.; Henry, M. Flow measurement challenges for carbon capture, utilisation and storage. Flow Meas. Instrum. 2022, 88, 102261. [Google Scholar] [CrossRef]
- Arellano, Y. An overview of the measurement landscape needs for CCS. In Proceedings of the 12th Trondheim Conference on Carbon Capture, Transport and Storage, Trondheim, Norway, 19–21 June 2023. [Google Scholar]
- van Putten, D.; ten Cate, R.; Al Saleem, M. Considerations for CO2 metering and allocation systems. In Proceedings of the Global Flow Measurement Workshop, Tønsberg, Norway, 24–27 October 2023. [Google Scholar]
- EU Commission. Implementation Regulation 2018/2067, On the Verification of Data and on the Accreditation of Verifiers Pursuant to Directive 2003/87/EC of the European Parliament and of the Council; European Union: Brussels, Belgium, 2025. [Google Scholar]
- ISO/IEC 17025; General Requirements for the Competence of Testing and Calibration Laboratories. ISO: Geneva, Switzerland, 2017.
- Porthos CO2 Transport and Storage C.V., “Standard CO2 Transport and Storage Conditions,” 2023. Available online: https://www.porthosco2.nl/wp-content/uploads/2022/03/Porthos-standard-CO2-Transport-and-Storage-Conditions.pdf (accessed on 18 February 2026).
- ISO/IEC. Conformity Assessment-General Requirements for the Competence of Proficiency Testing Providers; ISO: Geneva, Switzerland; IEC: Geneva, Switzerland, 2023. [Google Scholar]
- Lemmon, E.W.; Bell, I.H.; Huber, M.L.; McLinden, M.O. NIST Standard Reference Database 23: Reference Fluid Thermodynamic and Transport Properties-REFPROP; Version 10.0; National Institute of Standards and Technology: Gaithersburg, MD, USA, 2018. [Google Scholar]
- Piccato, A.; Bisi, M.; Spazzini, P.G.; Bertiglia, F.; La Piana, G.; Audrita, E.; Santiano, M.; Bellotti, R.; Francese, C. Metrological features of the large piston prover at INRIM. Measurement 2022, 192, 110841. [Google Scholar] [CrossRef]
- Brown, R.; Chinello, G.; Workamp, M.; Mickan, B. Experimental evaluation of various flow meters using gaseous CO2. Flow Meas. Instrum. 2024, 99, 102672. [Google Scholar] [CrossRef]
- Chinello, G.; de kater, A.; Sadri, M.; Modrego, J.; van Putten, D.; Stiphout, W.; Workamp, M.; Anderson, D. Calibration facilities and test results for gas network hydrogen and hydrogen enriched natural gas flow meters. Int. J. Hydrogen Energy 2025, 160, 150431. [Google Scholar] [CrossRef]
- van der Grinten, J.; Mickan, B.; Riezebos, H.; van Putten, D. Gas flow traceability for non-conventional and renewable gases. In Proceedings of the 39th International North Sea Flow Measurement Workshop, Tønsberg, Norway, 26–29 October 2021. [Google Scholar]
- Mickan, B.; Kramer, R.; Dopheide, D. Determination of discharge coefficient of critical nozzles based on their geometry and the theory of laminar and turbulent boundary layer. In Proceedings of the 6th International Symposium on Fluid Flow Measurement, Querétaro, Mexico, 14–19 May 2006. [Google Scholar]
- Mickan, B.; van der Grinten, J.; Kappes, T. Primary and secondary flow standards for a wide variety of gas compositions-a solid base for reliable traceability facing the energy transition. In Proceedings of the 38th International North Sea Flow Measurement Workshop, Virtual Event, 27–29 October 2020. [Google Scholar]
- Böckler, H.B. Messrichtigkeit von Mechanischen Gasmessgeräten bei Verwendung von Unterschiedlichen Gasbeschaffenheiten; Universität Duisburg-Essen: Essen, Germany, 2019. [Google Scholar]
- van der Grinten, J.G.; Gunnarsson, A.; van der Beek, M.; Mickan, B. An intercomparison between primary high-pressure gas flow standards with sub-permille uncertainties. In Proceedings of the 37th Internationsl North Sea Flow Measurement Workshop, Tønsberg, Norway, 22–25 October 2019. [Google Scholar]
- Mills, C. Calibrating and operating Coriolis flow meters with respect to process effects. Flow Meas. Instrum. 2020, 71, 101649. [Google Scholar] [CrossRef]
- Hemp, J.; Kutin, J. Theory of errors in Coriolis flowmeter readings due to compressibility of the fluid being metered. Flow Meas. Instrum. 2006, 17, 359–369. [Google Scholar] [CrossRef]
- Costa, F.; Mills, C.; Garcia, D.; Gomez, J.; Pereira, L.O. Optimizing Coriolis Flowmeter Performance for the Brazilian O&G Industry: Influence Factors and Calibration Strategies. In Proceedings of the Global Flow Measurement Workshop, Tønsberg, Norway, 24–26 October 2023. [Google Scholar]
- JCGM 200:2008; International Vocabulary of Metrology—Basic and General Concepts and Associated Terms (VIM) Vocabulaire International de Métrologie—Concepts Fondamentaux et Généraux et Termes Associés (VIM). BIPM: Sèvres, France, 2008.
- Cox, M.G. The evaluation of key comparison data. Metrologia 2002, 39, 589. [Google Scholar] [CrossRef]
- Working Group For Fluid Flow. WGFF Guidelines for CMC Uncertainty and Calibration Report Uncertainty. 21 October 2013. Available online: https://www.bipm.org/documents/20126/44756349/ccm-wgff-guidelines.pdf/eda74c50-1192-a20e-fc16-a3760e11329e (accessed on 4 September 2025).
- Wright, J.; Toman, B.; Mickan, B.; Wubbeler, G.; Bodnar, O. Pass/Fail/Inconclusive Criteria for Inter-Laboratory Comparisons. In Proceedings of the 9th International Symposium on Fluid Flow Measurement, Arlington, VA, USA, 14–17 April 2015. [Google Scholar]
- Johnson, A.N.; Espina, P.I.; Wright, J.D.; Mattingly, J.D.; Merkle, C.L. Numerical Characterization Of The Discharge Coefficient In Critical Nozzles. In Proceedings of the 1998 National Conference of Standards Laboratories Workshop & Symposium, Albuquerque, NM, USA, 19–23 July 1998. [Google Scholar]
- Ishibashi, M.; Takamoto, M. Very Accurate Analytical Calculation of the Discharge Coefficients of Critical Venturi Nozzles with Laminar Boundary Layer. In Proceedings of the FLUCOME, Hayama, Japan, 1–4 September 1997. [Google Scholar]
- Nakao, S.; Hirayama, T.; Takamoto, M. Effects of Thermalphysical Properties of Gases on the Discharge Coefficients of the Sonic Venturi Nozzle. In Proceedings of the ASME FLuids Engineering Division Summer Meeting, Vancouver, BC, Canada, 22–26 June 1997. [Google Scholar]
- Nakao, S.-I.; Takamoto, M. Discharge Coefficients of Critical Venturi Nozzles for CO2 and SF6. J. Fluids Eng. 2000, 122, 730–734. [Google Scholar] [CrossRef]
- Johnson, A.N.; Wright, J.D.; Nakao, S.; Merkle, C.L.; Meldover, M.R. The effect of vibrational relaxation on the discharge coefficient of critical flow venturis. Flow Meas. Instrum. 2000, 11, 315–327. [Google Scholar] [CrossRef]
- Wright, J.D. What Is the “Best” Transfer Standard for Gas Flow? In Proceedings of the 11th Conference on Flow Measurement, Groningen, The Netherlands, 12–14 May 2003. [Google Scholar]
- Johnson, A.N.; Merkle, C.L.; Moldover, M.R.; Wright, J.D. Relaxation Effects in Small Critical Nozzles. J. Fluids Eng. 2006, 128, 170–176. [Google Scholar] [CrossRef][Green Version]
- ISO 9300:2022; Measurement of Gas Flow by Means of Critical flow Nozzles. ISO: Geneva, Switzerland, 2022.
- Bobovnik, G.; Sambol, P.; Kutin, J. Characterisation of the Discharge Coefficient of CFVNs for Different Gases; EURAMET: Braunschweig, Germany, 2022. [Google Scholar]
- Bobovnik, G.; Mickan, B.; Sambol, P.; Maury, R.; Kutin, J. Investigation of the discharge coefficient in the laminar boundary layer regime of critical flow Venturi nozzles calibrated with different gases including hydrogen. Measurement 2023, 217, 113134. [Google Scholar] [CrossRef]
- Nagao, J.; Matsuo, S.; Mohammad, M.; Setoguchi, T. Numerical Study on Characteristics of Real Gas Flow Through a Critical Nozzle. Int. J. Turbo Jet Engines 2012, 29, 21–27. [Google Scholar] [CrossRef]




























| Test Fluids: | Nitrogen, hydrogen (up to 30% in natural gas, and 100% in future), methane, carbon dioxide |
| Flow Range: | 16 am3/h to 1000 am3/h |
| Test Sections: | 2-inch to 8-inch |
| Operating Pressure: | 5 bar(g) to 33 bar(g) |
| Test section differential pressure: | 25 bar |
| Temperature Range: | −45 °C to 35 °C |
| Reference meters: | Sonic nozzles, turbine meters, Coriolis meters |
| Claimed reference uncertainty: | 0.12% to 0.15% (k = 2) |
| Transfer Meter | Calibration and Measurement Capability (%) (k = 2) | ||
|---|---|---|---|
| NEL | VSL | INRIM | |
| PGM meter (volume flow) | 0.39 | 0.2 | 0.1 |
| Transfer Meter | Calibration and Measurement Capability (%) (k = 2) | ||
|---|---|---|---|
| NEL | DNV | FORCE | |
| Coriolis meter (mass flow) | 0.35 | 0.22 to 0.29 | 0.27 |
| Turbine meter (volumetric flow) | 0.35 | 0.22 to 0.27 | 0.15 |
| Calibration Fluid | Pressure (bar.a) | Temperature (°C) | Density (kg/m3) | Flow Rate Range (m3/h) | VSL | INRIM | NEL |
|---|---|---|---|---|---|---|---|
| N2 | Atmospheric (6 to 11 at NEL) | 20 | 1.13 to 1.20 (7 to 13 at NEL) | 0.1 to 30 | 0.1 to 3 m3/h | Yes | Yes |
| CO2 | Atmospheric (3 to 7 at NEL) | 20 | 1.16 to 1.8 (6 to 12 at NEL) | 0.1 to 30 | 0.1 to 2.2 m3/h | Yes | 0.6 to 15 m3/h |
| Test Fluid | Pressure (bar.a) | Temperature (°C) | Density (kg/m3) | Flow Rate Range (kg/s) | Flow Rate Range (m3/h) | NEL | DNV | FORCE Coriolis | FORCE Turbine |
|---|---|---|---|---|---|---|---|---|---|
| CO2 | 31 | 20 | 69 | 0.4 to 7.8 | 20 to 400 | Yes | Yes | Only 80, 160 and 280 m3/h | From 40 m3/h |
| CO2 | 21 | 20 | 44 | 0.25 to 4.9 | 20 to 400 | Yes | Yes | Up to 280 m3/h | Yes |
Disclaimer/Publisher’s Note: The statements, opinions and data contained in all publications are solely those of the individual author(s) and contributor(s) and not of MDPI and/or the editor(s). MDPI and/or the editor(s) disclaim responsibility for any injury to people or property resulting from any ideas, methods, instructions or products referred to in the content. |
© 2026 by the authors. Licensee MDPI, Basel, Switzerland. This article is an open access article distributed under the terms and conditions of the Creative Commons Attribution (CC BY) license.
Share and Cite
Abdulrahman, A.; Chinello, G.; Seneviratne, R.; Rasmussen, K.; van Putten, D.; Spazzini, P.G. Interlaboratory Comparison of SI-Traceable Flow Metering Calibration Facilities with Gaseous Carbon Dioxide. Metrology 2026, 6, 22. https://doi.org/10.3390/metrology6020022
Abdulrahman A, Chinello G, Seneviratne R, Rasmussen K, van Putten D, Spazzini PG. Interlaboratory Comparison of SI-Traceable Flow Metering Calibration Facilities with Gaseous Carbon Dioxide. Metrology. 2026; 6(2):22. https://doi.org/10.3390/metrology6020022
Chicago/Turabian StyleAbdulrahman, Ara, Gabriele Chinello, Revata Seneviratne, Kurt Rasmussen, Dennis van Putten, and Pier Giorgio Spazzini. 2026. "Interlaboratory Comparison of SI-Traceable Flow Metering Calibration Facilities with Gaseous Carbon Dioxide" Metrology 6, no. 2: 22. https://doi.org/10.3390/metrology6020022
APA StyleAbdulrahman, A., Chinello, G., Seneviratne, R., Rasmussen, K., van Putten, D., & Spazzini, P. G. (2026). Interlaboratory Comparison of SI-Traceable Flow Metering Calibration Facilities with Gaseous Carbon Dioxide. Metrology, 6(2), 22. https://doi.org/10.3390/metrology6020022

