Abstract
This paper focused on the impact of the external shading devices, the optimal orientation, and the installation of Low-E glazing systems on the energy requirements in a typical elementary school building for the hot–dry climate of Shiraz, a city located in the south of Iran. The study aimed to evaluate the effect of the parameters on the optimal design in terms of their thermal performance, and in addition, to specify the parameter with the greatest outcome in the energy consumption decline of a prototype school in Shiraz. The results indicated that the modified design can significantly reduce the annual energy loads of the school building up to 29%. Moreover, a comparative analysis among the three mentioned items showed that the shading device is more effective than the other two, which use simple horizontal and vertical shading devices in the northern and southern faces in order to decrease about 20% of the energy consumption.
1. Introduction
According to many studies, schools play a more crucial role in the country’s energy consumption among the building units [1]. Students constitute more than 30% of Iran’s population, and providing their comfort seems to be an important factor in reaching educational goals. Climatic solutions in the buildings increase energy saving and improve the quality of the environment, leading to cultural promotion and awareness regarding energy loss, in addition to improving the students’ educational performance [2]. The thoughtful design of buildings remarkably improves thermal comfort for learning and energy-saving [3]. Some parameters, such as building orientation, window area, building form, landscape [4], construction, building services, weather, the surroundings, and their occupancy should be considered holistically (not individually) in providing thermal comfort [5]. Several standards were presented for energy efficiency, but the available manuals for residential or office buildings cannot be used in classes, due to the different consumption patterns in schools. Field surveys suggest that schools need more energy [6].
2. Methodology
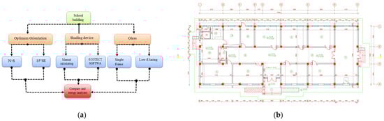
The methodology takes into account three scenarios, as shown in the flow chart in Figure 1a. Each of the three scenarios was simulated and analyzed separately for annual required energy by using ECOTECT tools: the use of shading device, the installation of low-e glazings, and the optimal orientation were considered.
Figure 1.
Methodological approach and case study building: (a) blocks diagram of the study, (b) plan of a prototype elementary school building.
The case study is a one-story elementary school building built in the late 1990s, which is typical in Iran (Figure 1b). The school is a parallelepiped form building with a masonry structure and rectangular form, with an area of 479 m2. The main physical characteristics of the building school are as follows: ceiling height (3200 mm), glazed area (220 m2), type of glass (10 mm of single glazing windows with aluminum frame), interior walls construction (300 mm thickness of brick), exterior wall construction (15 mm thickness of plaster), white painting, roof construction (300 mm), cement screed, tiles, suspended concrete ceiling), floors (ConcFlr_Suspended). The external walls of the building consist of doors and windows, with a percentage of windows’ area under the code for the school building in Iran (total dimensions equal to 1.8 × 1.4 m, window-to-wall-ratio (WWR) equal to 32% in the north façade, and 34% in the south façade).
In the case study, class and office rooms are taken into account as thermal zones, while spaces of the mechanical room, corridors, prayer room, and kitchen are taken into account as non-thermal zones. To define the different zones below, the data are inserted into the software in the Zone Management window; concerning the occupancy and operation, each class has from 30 to 40 students, with a calm and sedentary approach. The following assumptions were taken into account:
- thermal properties: in an active system, a full air condition system was considered for ventilation, heating, and cooling. Moreover, the thermostat range of the heating and cooling system was set at 18 °C to 22 °C;
- students’ attendance at the school each day is from 8:00 a.m. to 3:30 p.m., except for Fridays and public holidays.
As for students’ influence on energy analysis, the required per capita space for each student is equal to 1.73 m2. It is worth mentioning that all models were simulated considering the gas energy source for heating and electricity for cooling and ventilation.
3. The Calculation of Shading by Several Methods
For the case study, the best angles of shading devices were obtained from the 19th code, based on Shiraz altitude [7]. In Table 1, the angles and forms of horizontal and vertical shading devices and the calculation methodology are shown. Based on the software calculations, all defined modeling for the case study with its specifications and parameters were analyzed from 8:00 a.m. to 3:30 p.m. on 21 September, as the summer solstice day in which the shadows of buildings are at their maximum.
Table 1.
Calculating window’s shading device manual for southern and northern classes with 1 m height in 29° altitude of Shiraz.
As for ECOTECT simulation results (showing the need for 95 cm of horizontal southern shading device) and the mathematical method for shading devices, there is a slight difference between southern horizontal shading devices. The noticeable point is that ECOTEC calculations show no need for any shading device for northern windows, while by using the mathematical method, two vertical shading devices beside of the window are needed.
4. Annual Energy Analyses of Simple Window and Windows with Shading Devices
Horizontal and vertical shading devices based on software are shown in Figure 2. Heating and cooling annual loads were simulated, and the results were summarized in Table 2. The identified shading devices are added to the initial model to make two scenarios to be analyzed by software.
Figure 2.
The building model with the shading devices based on software simulation: (a) horizontal shading device in the southern windows; (b) vertical shading device in the northern windows.
Table 2.
Comparing energy demand between shading device strategies and simple model [8,9].
It can be observed that 33% of the annual energy could be saved by fixing simple horizontal shading devices with 87 cm depth in the southern windows, and the vertical ones with 54 cm depth in northern windows (model with shading devices based on mathematical relations). Identically, the second new model, built by shading devices resulting from software, is simulated to attain the amount of annual energy consumption. The analysis shows a drop of about 6–10% in the required energy with respect to the initial model.
5. The Influence of the Orientation of the Building and Glazing Types
The school building was simulated based on the best orientation recommended by weather tool as 15° to South-East. A comparative analysis shown in Table 3 indicates that the school building modified by the tool recommended direction would be getting better by about 19% in heating energy, and leads to a 4% reduction in consumed annual energy with respect to the original model, while the difference in cooling energy is negligible.
Table 3.
Comparing energy demand through building orientation and installed glazing systems.
For the case study, despite the relatively close orientation to the optimum, a lower rotation, i.e., 15° to the southeast, would result in quite a good energy saving. The replacement of the single transparent glazing layer of the windows with Low-E glazing systems in the building leads to an increase of about 50% in the heating energy requirement compared to the initial model, in addition to a reduction of around 10% in the cooling loads. About 29% of energy saving is achieved in the annual energy consumption with respect to the single glazing model (Table 3).
6. Results
The results derived from the simulation of the three different scenarios indicated that shading devices, Low-E glazings, and the best orientation of the buildings demonstrate a positive effect in improving the energy consumption rate, and consequently, in the improvement of school buildings in terms of sustainability (Figure 3). Since the orientation of the case study nearly coincides with the best orientation, it has the smallest role in Shiraz’s hot and dry climate. However, it should be noted that the best orientation might be more crucial than the two other items if the building direction has significant variance compared to the optimum. Whereas the impact of the three factors was separately examined on the energy performance, and all of them play a positive role in reducing energy consumption, one can deduce that evaluating three options together in a school building could be more effective in terms of energy consumption reduction. The yielded results can be used not only in designing school buildings, but also in designing residential blocks with similar climatic conditions, in order to achieve thermal comfort in addition to energy saving.
Figure 3.
Total annual energy consumption rates between the items.
7. Conclusions
This paper investigates the effects of three important factors for a building design: the effects of shading devices, Low-E glazing systems use, and the best orientation. Their influence on the energy consumptions in an elementary school building model for Shiraz (hot and dry climate) was examined.
According to the research findings, all parameters have a positive impact on achieving thermal comfort and make the school building more sustainable in terms of energy saving. Adding the shading devices to the initial model was more efficient in decreasing the energy consumption by up to 48%. However, the use of Low-E glazing systems in the place of single-layer ones, and locating school buildings in the best direction, decreased the annual required energy by 29% and 25%, respectively.
Author Contributions
Conceptualization, C.B. and M.M.; methodology, C.B. and M.M.; software, M.M.; validation, E.B., F.M. and S.N.S.; formal analysis, E.B., F.M. and G.P.; investigation, E.B., F.M. and G.P.; data curation, M.M. and G.P.; writing—original draft preparation, M.M.; writing—review and editing, C.B., E.B., F.M., M.M. and G.P.; visualization, M.M. and G.P.; supervision, C.B. and G.P. All authors have read and agreed to the published version of the manuscript.
Funding
This research received no external funding.
Institutional Review Board Statement
Not applicable.
Informed Consent Statement
Not applicable.
Data Availability Statement
Not applicable.
Acknowledgments
The Authors would like to thank UNSW and the School of Built Environment for organizing the Built Environment Research Forum and the reviewers for the provided feedback.
Conflicts of Interest
The authors declare no conflict of interest.
References
- Sotode Maram, K. The investigation the using of flowing nature wind for heating and cooling in various climates in Iran. Master’s Thesis, Shiraz University, Shiraz, Iran, 1999. [Google Scholar]
- Omidvar, K.; Alizade Shoraki, Y.; Zareshahi, A. Determination of comfortable condition according to climate-environmental index in Yazd. J. City Clim. Archit. 2011, 1, 101–107. [Google Scholar]
- Fayaz, R.; Asmaee, M. The guide of create shading device to transparent openings. Struct. Build. J. 2003, 156, 65–70. [Google Scholar]
- Ghazi Zade, B. Principle and Criteria of Educational Spaces, 1st ed.; Renewable Organization of Schools in Iran: Tehran, Iran, 1993. [Google Scholar]
- Desideri, U.; Arcioni, L.; Leonardi, D.; Cesaretti, L.; Perugini, P.; Agabitini, E.; Evangelisti, N. Design of a multipurpose “Zero energy consumption” building according to European Directive 2010/31/EU: Architectural and technical plants solutions. Energy 2013, 58, 157–167. [Google Scholar] [CrossRef]
- David, M.; Donn, M.; Garde, F.; Lenoir, A. Assessment of the thermal and visual efficiency of solar shades. Build. Environ. 2011, 46, 1489–1496. [Google Scholar] [CrossRef]
- Zomorodyan, Z.; Nasrollahi, F.; Abadi, A.F. “Reduction of Energy Consumption in School through Optimum Design of Windows and Shading Devices” the Second Convention Climate in Isfahan; Efficiency Energy Organization of Iran: Tehran, Iran, 2013. [Google Scholar]
- Zinzi, M.; Rossi, G.; Anderson, M.; Carroll, M.; Moretti, E.; Buratti, C. Optical and visual experimental characterization of a glazing system with monolithic silica aerogel. Solar Energy 2019, 183, 30–39. [Google Scholar] [CrossRef]
- Almarzouq, A.; Sakhrieh, A. Effects of glazing design and infiltration rate on energy consumption and thermal comfort in residential buildings. Therm. Sci. 2019, 23, 2951–2960. [Google Scholar] [CrossRef] [Green Version]
Publisher’s Note: MDPI stays neutral with regard to jurisdictional claims in published maps and institutional affiliations. |
© 2022 by the authors. Licensee MDPI, Basel, Switzerland. This article is an open access article distributed under the terms and conditions of the Creative Commons Attribution (CC BY) license (https://creativecommons.org/licenses/by/4.0/).

