Next Article in Journal
Edge Computing Architecture for Optimal Settings of Inverse Time Overcurrent Relays in Mesh Microgrids
Previous Article in Journal
Enhanced Optimization-Based PV Hosting Capacity Method for Improved Planning of Real Distribution Networks
 
 
Font Type:
Arial Georgia Verdana
Font Size:
Aa Aa Aa
Line Spacing:
Column Width:
Background:
Article

Investigation of Transients Generated by Dry-Contact Switching of LED Lamps

1
Federal Institute of Santa Catarina (IFSC), Campus Caçador, Caçador 85700-000, Brazil
2
Department of Production Engineering, Federal Technological University of Paraná (UTFPR), Campus Ponta Grossa, Ponta Grossa 84017-220, Brazil
3
Faculty of Mechanical Engineering, São Paulo State University (UNESP), Bauru 17033-360, Brazil
*
Author to whom correspondence should be addressed.
Electricity 2026, 7(1), 13; https://doi.org/10.3390/electricity7010013
Submission received: 10 November 2025 / Revised: 16 January 2026 / Accepted: 17 January 2026 / Published: 3 February 2026

Abstract

LED lamps have not been demonstrating the durability claimed by their manufacturers. One hypothesis is that switching transients may contribute to this. This study investigated switching-induced transients in LED lamps operated through dry contacts: manual switches and contactors. Using an oscilloscope, automated acquisition of waveform records was performed while several lamps were switched on in a 220 VRMS/60 Hz electrical network. LED lamps of different models and manufacturers, one incandescent lamp, and a group of 48 LED lamps, subdivided into six sets of eight lamps, were all switched simultaneously. A total of 56 waveform-record files were obtained from the oscilloscope, comprising 2920 captured screens and 170 measurements. Transient voltage peaks of 380 and 391 V at the supply side, and 357 and 370 V at the lamp side, as well as voltage slew rates of up to 12 and 13 V/µs at the supply side and up to 16 and 19.5 V/µs at the lamp side, were measured, without considering statistical variations, which may indicate values exceeding the ordinary sinusoidal voltage peak (≅311 V) and its typical worst-case slew rate (≅0.12 V/µs). Future studies are suggested, such as tests in real installations, investigations of transient amplification or attenuation within electrical networks, assessment of the effects of wiring and impedance discontinuities, switch bounce, and semiconductor degradation, among others, to continue these studies.

1. Introduction

Manufacturers claim that Light Emitting Diode (LED) lamps can achieve a service life of up to 50,000 h, with a median lifespan (statistically) of around 25,000 h, which is considerably higher than the average lifespan of fluorescent and incandescent lamps, at 8000 and 1000 h, respectively.
However, field observations indicate that the actual lifetime has often been significantly lower than 25,000 h, resulting in the need for lamp replacement much sooner than expected. This leads to increased maintenance and replacement costs, contributing negatively to the growing issue of electronic waste.
Improper disposal of these lamps poses environmental risks, mainly due to the presence of toxic materials in certain lighting technologies [1]. It is estimated that, between 2017 and 2030, more than 2.6 million tons of LED lamp waste will be generated in the European Union. This volume corresponds to approximately 2.4 billion discarded lamps, containing a variety of critical materials [2].
In the case of LED lamps, these devices contain a complex electronic circuit, technically referred to as the LED driver. This driver, integrated into the lamp/luminaire assembly, enables a direct connection of the lamp to the AC mains supply, thereby exposing it to the same electrical disturbances present in power networks. Among these disturbances are interruptions, undervoltage, overvoltage, electrical noise, harmonic distortions, and transients [3].
In this context, numerous innovations related to LED drivers have been proposed. Examples include: an efficient soft-switching multi-input LED driver [4], a multi-output LED driver allowing independently controlled channels and current regulation [5], an active-control driver using parallel boost converters to reduce source current by adjusting the switching duty cycle [6], a passive LED driver designed for extended lifetime without the use of electrolytic capacitors [7], a driver with a complete input-stage protection circuit acting directly on voltage transients [8], development of a protection and control circuit capable of regulating current and maintaining constant power in LED lamps regardless of supply variations [9], a complete soft-start and voltage stabilization device acting at the input to protect against energization transients and overloads [10]; and a driver implementing zero-cross switching to avoid undesirable transients and inrush current during turn-on [11], among many other initiatives.
Electric voltage, measured in volts (V) and also known as electric potential difference, is the fundamental physical quantity responsible for the operation of electrical equipment in general. The sinusoidal waveform is predominant in everyday applications, as it is relatively easy to produce and is the standard form in the generation, transmission, distribution, and consumption chain. Characterized by its repetition at regular intervals, it is classified as a periodic function, for which the period is an important parameter. Represented by t and measured in seconds (s), the period indicates the time required for the waveform to complete one full cycle of its possible values. The inverse of the period, 1/t, is the frequency (F), measured in hertz (Hz).
Voltage transients, therefore, refer to momentary and temporary variations in voltage and frequency within an electrical system. They are temporary and rapid electrical disturbances, generally caused by events such as switching faults, lightning strikes, or switching operations. A transient represents the external manifestation of a sudden change in circuit conditions relative to a steady-state voltage, exhibiting a frequency different from the nominal operating frequency [3].
However, virtually all lighting circuits are switched through dry-contact devices, which means that these circuits are inherently exposed to the same switching transients examined in this experiment. Such transients arise from normal operation and load commutation—that is, from the opening and closing of switches—and are triggered by sudden changes in load conditions [12].
Switching transients in wires and cables of low-voltage electrical installations—particularly those associated with load commutation—can exhibit significant peak values, especially when energizing LC loads, where the initial current can be much higher than the steady-state operating current [13]. Cable impedances between the connection point and adjacent circuits tend to influence the magnitude and propagation of these transients [14,15], as observed in the LED-All configuration, in which 48 lamps from six different manufacturers, models, and power ratings were switched simultaneously through a single dry-contact device.
Laboratory verification indicates that switching transients are generated not only at the load but also at the supply point of the circuit, where the source—depending on the available short-circuit current—can significantly affect the dissipation of total transient energy [14,16,17].
Their propagation within electrical systems is influenced by the connected loads and by the overall configuration of the installation. As a result, the transients interact with the loads and undergo reflections at connections and terminals, which are determined by impedance differences between the various loads and the feeder line itself [14,15,16,18]. Distributed loads, branched circuits, and installation length add further complexity by introducing delays and resonances that can amplify certain transient phenomena [17].
As verified in this study, the magnitude of the voltage generated during switching events depends strongly on the characteristics of the switching device, which may induce overvoltage capable of damaging electrical equipment—particularly those containing semiconductor devices. Overvoltage approaching 400 V peak was recorded during the tests. These short-duration and often high-magnitude transients were observed in the laboratory, specifically during switching operations [19].
It was observed that accurately determining the magnitude of switching surges is difficult due to the variability in switch characteristics [20]. Such variability arises from differences in manufacturing processes and manufacturers, mechanical wear over time, the physical manner in which contacts operate, and even the manual action of the operator, who may apply greater or lesser force and switch at higher or lower speeds.
As also observed in the present study, the transients did not exhibit homogeneous behavior; instead, they varied in amplitude, duration, and frequency, which implies that different mitigation approaches may be required depending on the type of disturbance [18].
Short-duration, high-amplitude transients can produce overvoltage and overcurrent that are harmful to cable insulation and to installation components. If such conditions persist, they may lead to insulation failures and excessive heat generation, compromising overall safety and proper operation [13]. Electrical stresses can damage circuit structures, causing them to fail earlier than their expected lifetime [21]. In other words, there are surge voltage values capable of exceeding or breaking dielectric limits, and there exists a critical energy threshold above which the circuit will degrade; for higher energy levels, failure becomes inevitable [16,17].
The transients generated during switching may, in some cases, cause immediate damage to components (catastrophic failures). In other situations, however, the damage is not immediate and goes unnoticed because the LED lamp continues to emit light; nonetheless, gradual failures may develop, such as reductions in luminous output and degradation of dielectric capacities [19,21,22].
The overall reliability of LED luminaires—unlike older lighting systems that were simpler and less efficient—is considerably more susceptible to failure. As reported by the U.S. Department of Energy, the complexity of LED construction and manufacturing processes significantly increases the likelihood of failures, whether due to the final assembly, subsystem composition, circuitry, components, or other factors. The most frequently observed failures are associated with the driver (power supply), LED-related defects (short circuits, connection failures, board issues), moisture ingress, corrosion, and power quality problems (surges, noise, etc.). Notably, 73% of the failures recorded in the DOE tests were attributed to the power supply portion of the LED luminaire [23].
To extend the service life of these systems, increasingly sophisticated circuits have been proposed, such as those developed by Qin et al. [24], Tao and Hui Ron [25], Lam, El-Taweel and Abbasi [26], Barwar et al. [27], Pang and Cai [28], among many others. These studies consistently reinforce that, in general, the LEDs themselves are not the components most prone to failure; rather, it is the preceding circuitry—typically the driver—that fails first.
Numerous solutions, some considered classical, have long been developed to improve power quality at the end-use level and to protect electronic equipment [3]. However, assessing the actual electrical conditions to which LED lamps are subjected under alternating-voltage operation, particularly during their switching process, became both the motivation and the focus demonstrated in this research.
Given the inherent fragility of electronic equipment in relation to electrical transients, and considering the factors that can either aggravate or mitigate the effects of such phenomena depending on the quality of end-use electrical installations, gaining a clearer understanding of transient behavior during switching is the central objective of this study.
Accordingly, the work examined the behavior of lamps at the moment of switching. Using dry-contact switching devices—both a manual switch and an electromagnetic contactor—together with an oscilloscope, multiple switching events were applied to different LED lamps as well as to an incandescent lamp. This allowed the investigation of voltage behavior precisely at the instant these loads were energized.
From a reliability standpoint, the combination of elevated voltage peaks, accentuated dU/dt, and relatively long oscillation intervals establishes an electrical environment that may promote cumulative stress in dielectric layers, semiconductor junctions, and passive components. In this context, transient voltage elevations may result in localized increases in the electric field within dielectric elements of electronic devices, which, when repetitive, are discussed in the literature as conditions that can contribute to time-dependent degradation mechanisms, including those associated with time-dependent dielectric breakdown [29,30,31,32,33].
Pronounced transients were observed during switching, exceeding both nominal and peak voltage limits. These findings indicate the relevance of further testing, including experiments conducted in actual lighting installations, which could provide additional insight into how such transients manifest under real-world electrical conditions. In this context, the present study adopts an experimental and exploratory character, focused on the empirical characterization of real transient phenomena, and does not aim to propose normative methodologies or to directly quantify degradation mechanisms, which are indicated as natural extensions of this research.

2. Materials and Methods

To evaluate the transient conditions to which LED lamps are subjected when connected to AC mains and during their switching process, laboratory tests and measurements were conducted on several LED lamps of different models and manufacturers to observe their behavior at the moment of switching.
  • Methodologically, this research can be classified according to the following criteria:
  • Nature: applied research with experimental development;
  • Approach: quantitative;
  • Objective: to explore and explain the phenomenon of switching transients;
  • Technical procedures: literature and document review, followed by laboratory experimentation.
The experiments were conducted to assess the transients generated during switching through dry-contact devices. To this end, the behavior of an incandescent lamp—used as a reference—and of several LED lamps was examined and measured individually when switched by a manual switch (single-pole wall switch, rated for residential lighting applications, 10 A, 250 V). Subsequently, the same lamps were subjected to switching by an electromagnetic contactor, also individually.
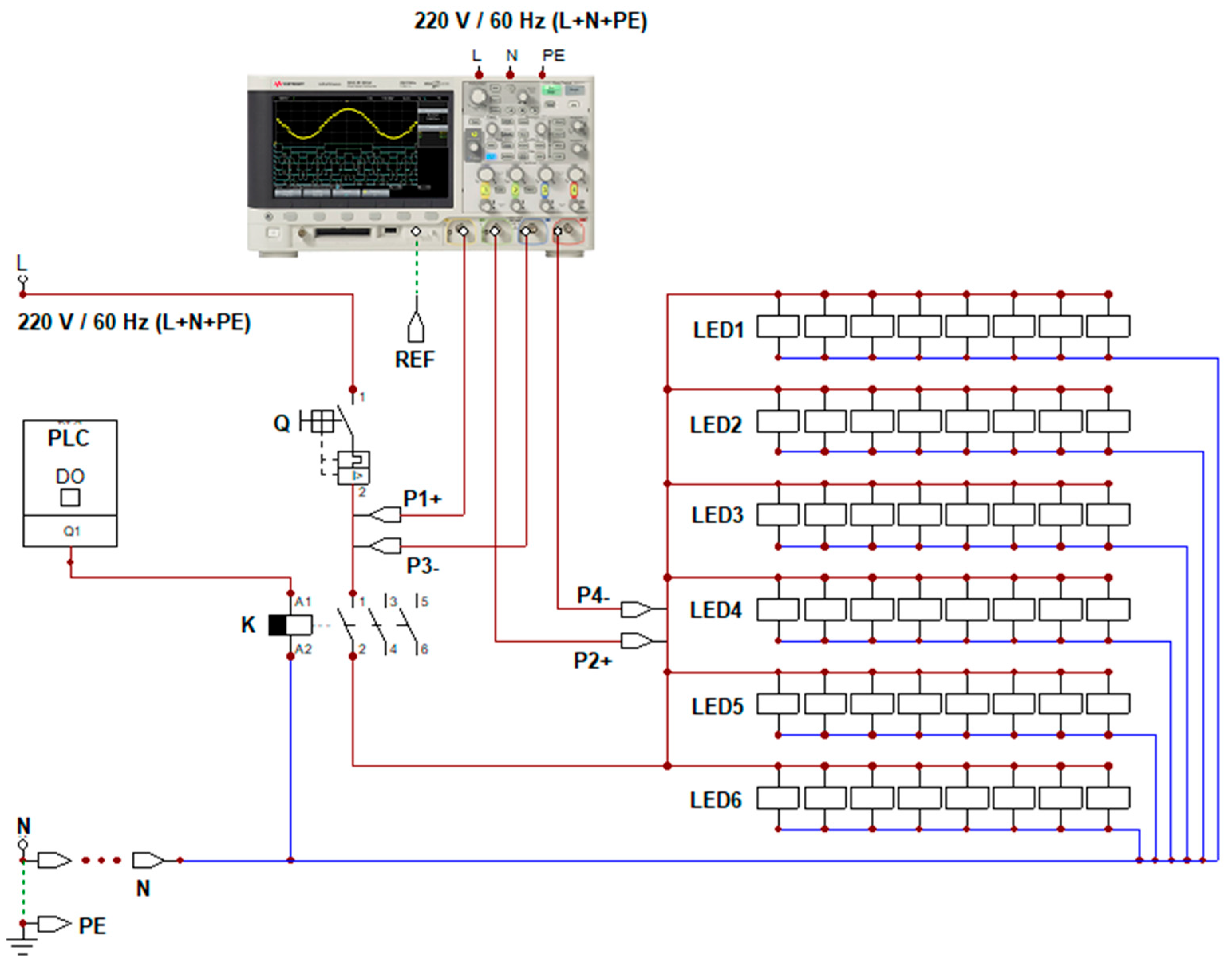
Finally, the LED-All configuration was assembled to enable the simultaneous switching of 48 LED lamps through a single electromagnetic contactor.
Table 1 presents the configuration of the lamps tested, as well as the subsequent grouping of the lamps (All LEDs) for executing tests with multiple lamps switched simultaneously.
Using an oscilloscope, data were collected during the switching of various lamps. A simple switch and, subsequently, an electromagnetic contactor (both of which have dry contacts) were employed. The equipment was configured to record data over a predetermined period, during which the switch or contactor was operated multiple times.
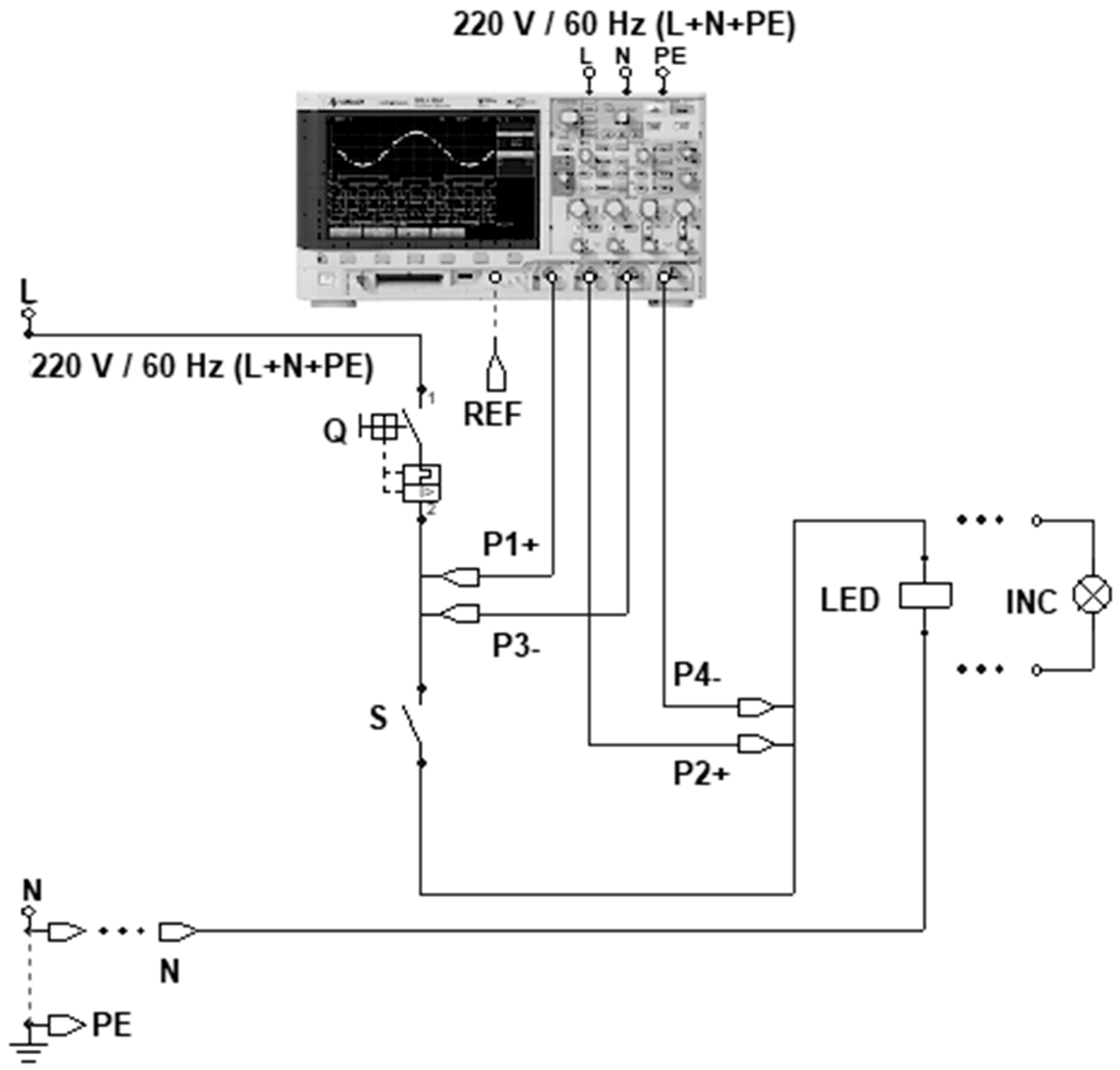
The electrical supply used in the experiments was the220 VRMS (Root Mean Square Voltage), 60 Hz utility mains system composed of Phase (L), Neutral (N), and Protective Earth (PE). The oscilloscope employed was a Keysight® DSOX2014A (Keysight Technologies, Bayan Lepas, Penang, Malasia) a 100-MHz, 4-channel instrument, as shown in Figure 1.
Data acquisition was performed through what can be referred to as record files, continuously generated by the measuring equipment, triggered by the operator command and the oscilloscope’s trigger edge. By repeating this process, a series of record files containing oscilloscope screenshots was obtained for subsequent measurement and analysis using the instrument’s own software.
The experimental setup off oscilloscope was as follows: 50 V/div vertical scale, 10:1 probe, single-ended type with common ground, and a measurement range compatible with peak values of up to approximately 390 V, with a vertical offset position of 130 V. The oscilloscope’s measurement range did not allow coverage of the entire peak voltage span (from +311 V~ to −311 V~). Therefore, a four-channel oscilloscope was used, with all channels operating simultaneously as follows:
  • Channel A: connected to the supply terminal of the switching device, referenced to the positive (+) half-cycle of the sinusoidal waveform (monitoring the mains signal).
  • Channel B: connected to the supply terminal of the lamp, referenced to the positive (+) half-cycle of the sinusoidal waveform (monitoring the lamp signal).
  • Channel C: connected to the supply terminal of the switching device, referenced to the negative (−) half-cycle of the sinusoidal waveform (monitoring the mains signal);
  • Channel D: connected to the supply terminal of the lamp, referenced to the negative (−) half-cycle of the sinusoidal waveform (monitoring the lamp signal).
The electrical measurement signal corresponded to the phase conductor (L), referenced to the protective earth (PE) from the oscilloscope, in a single-phase AC system of 220 VRMS, 60 Hz, composed of L + N + PE.
The ordinary peak voltages of a symmetric sinusoidal waveform, for the aforementioned RMS values, are given by the following equation:
U R M S = 1 2 U p U R M S = U p 2 2 . U R M S = U p 2 . 220 = U p U p 311 V
Considering the sinusoidal waveform, the following characteristic moments can be highlighted:
  • initial instant at 0 V.
  • positive (+) growth of the function.
  • attainment of the positive (+) peak value.
  • decrease of the positive (+) half-cycle.
  • return of the function to 0 V.
  • negative (−) growth of the function.
  • attainment of the negative (−) peak value.
  • decrease of the negative (−) half-cycle.
  • return of the function to 0 V (negative crossing).
  • restart of the cycle.
Considering a sinusoidal power, it can be observed that the point of most significant growth, or steepest slope, of the sinusoidal function occurs when the waveform crosses the 0 V point. The instant immediately after this crossing corresponds to the highest rate of change (either increase or decrease) of voltage (U) per unit of time. Conversely, the point of most excellent stability occurs when the waveform reaches its peak value (Up), at which, within an infinitesimal interval of time, the rate of change becomes zero.
For this sinusoidal waveform, therefore, the critical values of the voltage rate of change over time (dU/dt)—that is, the derivative of the function, occur precisely at the instants when the waveform crosses the 0 V point, as follows:
U ( t ) = U p · sen ( ω t + φ )
Its derivative is given by
d U ( t ) d t = U p · ω · c o s ( ω t + φ )
where:
ω = 2 · π · f = 2 · π ·   60 377   r a d / S
Considering Up value as Equation (1) and initial angle 0°, it is observed:
d U ( t ) d t 311 · 377 · c o s ( 377 t + 0 ) d U ( t ) d t 117.247 · c o s ( 377 t )
and considering that at an angle of 0° is the initial instant, t = 0. Therefore,
d U ( t ) d t 117.247 · c o s ( 377 · 0 ) d U t d t 117.247 · cos 0 d U t d t 117.247 · ( 1 ) d U t d t 117.247 V s or , d U t d t 0.12 V μ s
In this work, the voltage slew rate (dU/dt) is expressed in V/µs to facilitate visualization and interpretation of the results, avoiding the use of excessively large numerical values. For reference, 1 V/µs corresponds to 106 V/s.
No external stabilization of the supply voltage was applied during the experiments. This choice was considered appropriate since the analysis is not based on isolated events but on a large and representative set of experimental records. In total, 2920 waveform records were acquired, as summarized in Table 2, comprising simultaneous measurements of the supply voltage and the lamp voltage under four distinct operating states: lamps off, transition to the on state, lamps on, and transition to the off state. Thus, the dataset includes two transient states, associated with the switching instants, and two steady-state conditions. During the steady-state conditions—lamps either on or off—the supply voltage was observed to remain stable throughout the acquisitions, allowing the discussion to focus on the transient phenomena occurring during switching events without the need for prior voltage stabilization.

Evaluation of Lamp Behavior During Switching

The incandescent lamp was tested and measured to establish it as a reference for performance, as it is considered the fundamental and standard benchmark for electric lamps. Subsequently, tests and measurements were conducted during the switching of LED lamps, using both a manual switch and a contactor.
In addition to the aforementioned tests, further measurements were performed on a set of 48 lamps, composed of six subgroups of eight lamps each, to observe their behavior when switched on simultaneously. The experimental procedures were as follows:
  • Switching of the incandescent lamp using a manual switch (Figure 2);
  • Switching of LED lamps using a manual switch (Figure 2);
  • Switching of the incandescent lamp using a contactor (Figure 3);
  • Switching of LED lamps using a contactor (Figure 3);
  • Switching of the LED-All group (48 lamps) using a contactor (Figure 4).
No switching test was performed for the LED-All group using a manual switch, as the large number of lamps involved made this impractical.
With the switching performed through a contactor, the objective was to verify whether the transient potential affecting the lamps is similar to that produced by a manual switch, considering that contactor-based switching is indirect, unlike the direct manual operation of a switch.
Figure 5 illustrates an example of the grouping of two lamp types that were tested together.
Figure 6a,b show the 48 lamps being simultaneously switched by a contactor during the testing phase.
In the tests involving multiple lamps, the branch wiring and cable lengths were kept equivalent across the evaluated groups, following the same topology and conductor type. Although they were not strictly identical, minor length variations inherent to the experimental setup were present and were considered insufficient to compromise the comparability of the results or to significantly affect the observed transient phenomena.

3. Results

Several automated acquisitions were performed using the oscilloscope, which was configured to capture waveforms at the moment of lamp switching on or off. These acquisitions were distributed among incandescent lamps and various LED lamps, which were switched either by a manual switch or a contactor, as well as the LED-All group, which was controlled by a contactor, as presented in Table 2 above.
The acquisitions automatically performed by the oscilloscope are listed in the table under Captured Screens, and among these, those used for measurement are indicated as Measured Screens.
Each data acquisition period comprised four lamp operating conditions:
  • steady-state—lamps off;
  • transition to the on state;
  • steady-state—lamps on;
  • transition to the off state.
Through this procedure, 56 record files were obtained from the oscilloscope, totaling 2920, which were automatically acquired, covering both steady-state and transient conditions, without prior screening during acquisition. These 56 record files, or 2920 captured screens, represent an observation time of 95.45 s (or 95,450 ms). Considering that one complete sinusoidal cycle lasts 16.67 ms, this corresponds to approximately 5726 cycles of a 60 Hz waveform.
In this context, 67 screens were suitable for measurement, resulting in a total of 170 measurements, as presented in Table 3. These were distributed among incandescent lamps and various LED lamps, which were switched either by a manual switch or a contactor, as well as the LED-All group, which was controlled by a contactor.
Some lamp switching operations did not exhibit transients, or these were considered insignificant; therefore, no measurements were taken for those acquisitions. In other cases, multiple transients were recorded, and a single acquisition could contain several measurable events. In several situations, the number of transients was so high that not all details were measured. These analyses focused on transient events associated with switching-on and switching-off transitions. It is noted that not all recorded transient events were measured, since some exhibited amplitudes and durations that were not considered significant within the scope of the proposed analysis.
Conversely, certain transient events received multiple measurements when a single capture contained distinct voltage peaks and prolonged oscillatory noise. Similarly, multiple voltage slew rates (dU/dt) could be identified within a single transient event. In such cases, measurements associated with the most severe behaviors were prioritized. Events exhibiting similar characteristics or lower relative severity were not individually measured. These criteria were applied uniformly across the entire dataset.
The following sequence of figures presents some of the captured and analyzed oscilloscope screens. All of them display the standard sinusoidal supply waveform and the instant of switching (either by a manual switch or a contactor) that energizes the lamp. The lamp signal and the switching instant can be identified by the occurrence of transients, followed by the subsequent stabilization of the lamp’s voltage waveform to the sinusoidal supply.
Figure 7 presents screens with a time scale of 2 ms, showing in (a) the switching occurring in the positive (+) half-cycle, and in (b) and (c) the switching in the negative (−) half-cycle, illustrating three of the total 67 acquisitions. Figure 8 correspond to Figure 3, respectively, now displayed with a time scale of 0.5 ms. In Figure 9, the 0.5 ms time scale is maintained, and the mains voltage and lamp voltage signals are shown separately, based on Figure 7.
Figure 10a,b present examples of the measurements performed on the power supply network during lamp switching, showing the disturbances caused in the mains itself. As mentioned earlier, not all events were measured, but instead, only those considered the most significant.
The peak voltage was determined by manually positioning the cursor on waveform records acquired using a digital oscilloscope. The instrumental uncertainty was estimated based on the dual cursor accuracy specification recommended by the manufacturer, which is appropriate for cursor-based measurements. For the experimental setup (50 V/div vertical scale, 10:1 probe single-ended type with common ground, and a measurement range compatible with peak values of up to approximately 390 V), the instrumental error limit was ±14.0 V, corresponding to a standard uncertainty of 8.08 V. The uncertainty associated with the manual reading procedure was evaluated by ten independent readings of the same waveform record, resulting in a sample standard deviation of 1.81 V. The root-sum-square combination of these contributions yielded a combined standard uncertainty of approximately 8.28 V and, adopting a coverage factor k = 2, an expanded uncertainty of ±16.6 V (≅17 V); therefore, peak voltage values are reported with a number of significant digits consistent with the estimated uncertainty.
Time-domain measurements were reported in microseconds. Considering the sampling rate of 313 kSa/s, the temporal resolution is limited by the sampling period (3.19 µs). The resulting standard uncertainty associated with time measurements is approximately 0.9 µs, and the expanded uncertainty, using a coverage factor k = 2k, is approximately ±2 µs. Accordingly, time-related quantities are reported with a resolution consistent with this uncertainty.
Table 4 presents the measurements corresponding to Figure 10, which represent the disturbances observed in the power supply network. From this example, it can be seen that the mains voltage reached a peak of +364 V (17 V), starting from +90 V (±17 V), which represents a variation of 274 V (308 V in the worst case) in 65 µs (approximate values). At a given moment during the disturbance, this voltage variation occurred within 20 µs (±2 µs), corresponding to a voltage rate of change over time of nearly 14 V/µs (17 V/µs in the worst case).
Figure 11a,b present examples of the measurements performed on the lamp transients. In Figure 11a, an example of the complete disturbance measurement is shown (both in time and amplitude). In contrast, in Figure 11b, the time scale is reduced to measure the amplitude and duration of a specific disturbance within the overall set of transients.
Table 5 presents the measurements corresponding to Figure 11, which represent the disturbances observed in the lamp circuit. It can be seen that the lamp voltage varied from −342 V to −3 V, resulting in a total variation of 339 V (373 V in the worst case). At a given moment during the disturbance, this voltage variation occurred within 21 µs (±2 µs), corresponding to a voltage rate of change over time of approximately 16 V/µs (20 V/µs in the worst case).
These were examples of the 170 measurements performed, as listed in Table 3.
In continuation, overvoltage aspects were observed during the switching of the LED-All group. The contactor switched 48 lamps of different shapes, power ratings, and from six distinct manufacturers.
In this context, it is essential to note that the electrical voltage at any given point of consumption may differ from the nominal or adequate values due to several factors, such as those related to weather conditions, installation characteristics, switching operations, consumer behavior, impedances, and impedance transition points, among others.
These factors can produce oscillations with varying overshoot levels and different damping times. This phenomenon is illustrated in Figure 12, corresponding to the switching of the LED-All group.
For the LED-All measurements, the same procedures previously described were applied. The contactor switching events did not coincide with the voltage peak of the sinusoidal waveform, whose value is approximately 311 V.
It was observed, however, that in all switching instances—both in the mains and lamp measurements, the voltage values were higher than those expected for the corresponding instant, as indicated by Equation (2).
Therefore, the voltage level of the cycle immediately preceding the switching event was analyzed at the same instant t to establish a comparison parameter between the measured and expected values for that specific moment.
Table 6 and Table 7 below present the expected and measured values for a given instant, along with the corresponding percentage of overvoltage. Decimal portions of the measured voltages were disregarded, as they did not produce significant differences.

4. Discussion

It should be highlighted as premises for analysis that:
  • The ordinary maximum voltage (Up) is approximately 311 V (Equation (1)).
  • Excess values measured at the power supply point may be reflected in elements of adjacent installations.
  • The highest voltage rate of change (dU/dt) for a standard sinusoidal waveform is 0.12 V/µs (Equation (6)).
  • In some cases, no significant oscillations were observed, and no corresponding measurements were performed.
The following section presents an overview of the measurement results obtained.

4.1. Measurement of an Incandescent Lamp Switched by a Manual Switch

In summary, the measurements demonstrated that switching the lamps can produce significant voltage rises both in the power supply network and within the lamp’s own circuit. In the supply circuit, voltage peaks of 345 V, 351 V, 364 V, and, in more severe cases, values reaching 390 V were recorded—all well above the ordinary peak value of approximately 311 V. Although momentary, such peaks are sufficient to impose additional electrical stress on installation elements and may affect sensitive components or adjacent circuits.
A similar behavior was observed in the lamp circuit. Voltage peaks of 334 V, 350 V, and 355 V indicate that the lamp, like the supply network, is subjected to potentially harmful surges that could damage its electronic circuitry. Furthermore, expressive periods of noise (oscillation) were identified, with durations of approximately 1.4 ms, 1.5 ms, 1.8 ms, and up to 2 ms—the latter corresponding to about one quarter of the sinusoidal half-cycle. Although these oscillations gradually decay, they represent significant disturbances in the electrical signal and may contribute cumulatively to the stress imposed on sensitive components. In some instances, “pre-opening” intervals of the switch were recorded, lasting approximately 1.29 ms, which introduced additional disturbances equivalent to roughly 15% of the half-cycle. This phenomenon results from normal mechanical imperfections in switching devices and tends to intensify transients in the lamp circuit.
Regarding the behavior of the supply network, no sustained oscillatory noise was observed; however, the phenomenon manifested more sharply in the form of increased voltage rate of change (dU/dt). Relatively high dU/dt values were recorded—5.5 V/µs, 5.8 V/µs, 7.4 V/µs, and even 8 V/µs. These values are substantially higher than the typical dU/dt of a standard sinusoidal waveform (approximately 0.12 V/µs) and indicate that the supply network experiences fast and intense transient events during switching, even in the absence of sustained oscillation.
Finally, the voltage rate of change measured directly at the lamp terminals also proved to be elevated, with values of 6 V/µs, 7 V/µs, 8 V/µs, and, in extreme cases, reaching 13 V/µs. These results suggest that the electronic circuitry of LED lamps is subjected to voltage gradients far above those considered normal under stable sinusoidal operation.

4.2. Interruptor Measurement of the LED Lamp Switched by the Manual Switch

As in the previous section, data acquisition and measurements were carried out using the oscilloscope for LED lamps switched by a manual switch.
The measurements performed showed that switching the lamps imposes electrical stress levels on the supply circuit that are considerably higher than those expected under ordinary sinusoidal operation. In the supply, voltage peaks of 356 V, 363 V, and 372 V were recorded, with some cases reaching as high as 375 V. These surges—well above the typical peak value of approximately 311 V—constitute overvoltage events capable of propagating throughout the installation and potentially affecting adjacent circuits and components with lower dielectric robustness.
In the lamp circuit, a similar trend was observed, with voltage peaks reaching values such as 342 V and, in more severe cases, 370 V.
In addition to the elevated voltage levels, electrical noise in the form of transient oscillations was identified in the supply network, with total durations of approximately 1.5 ms—equivalent to about 18% of the sinusoidal half-cycle. Although these oscillations are not long-lasting, their duration is sufficient to represent additional stress on the electrical system. Complementing this, the voltage rate of change (dU/dt) in the supply was found to be significantly higher than the standard, reaching values of 4.2 V/µs, 9 V/µs, and, in more severe cases, 12 V/µs. This indicates that the generated transients exhibit extremely steep rising fronts, capable of imposing substantial instantaneous stress on sensitive electronic devices.
The oscillations observed directly at the lamp terminals were even more pronounced than those measured at the power supply, with total noise durations around 1.8 ms—approximately 22% of a sinusoidal half-cycle. Switch “bounce” events were also recorded, with durations of 1.7 ms, 2.1 ms, and up to 2.5 ms, producing disturbances that, in the most extreme case, corresponded to nearly one-third of the half-cycle. These events indicate that natural mechanical imperfections inherent to switching significantly contribute to the generation of prolonged transients in the lamp circuit.
Finally, the voltage rate of change across the lamp reached elevated values such as 8 V/µs, 12.5 V/µs, and 13.7 V/µs, with some measurements reaching as high as 16 V/µs. These extremely steep gradients far exceed the typical behavior of a sinusoidal waveform, representing intense instantaneous stress on the lamp circuitry. Collectively, these findings reinforce that, under manual switch operation, LED lamps are subjected to intense electrical disturbances.

4.3. Measurement of Incandescent Lamp Switched by Contactor

This section is dedicated to the findings obtained from the measurements of the incandescent lamp switched by a contactor, whose recorded data show that the switching operation introduces perceptible electrical disturbances both in the power supply circuit and in the lamp circuit itself, even though, in this particular set of tests, the observed values were moderately lower. In the power supply line, voltage peaks of 318 V, 323 V, and 334 V were recorded, exceeding the ordinary sinusoidal peak of approximately 311 V. Although these excesses did not reach extreme magnitudes, the mere surpassing of the nominal peak already indicates the occurrence of transient surges capable of propagating through the installation and affecting adjacent circuits that share the same supply point.
In the lamp circuit, the behavior was similar. A peak of 316 V was registered, also above the expected value for a sinusoidal waveform, indicating that the lamp directly absorbed the disturbance originating from the supply. The situation becomes more expressive when the lamp-side noise is examined. Oscillations lasting approximately 1.8 ms—around 22% of a sinusoidal half-cycle—show that the lamp’s input circuit remains subjected to the disturbance for a prolonged interval. This duration is sufficient to impose electrical stress on the lamp, even though it is, in essence, only a resistive load. Measurements for this type of lamp were performed in order to verify its switching behavior, as it is considered the primordial and referential electric lamp.
In addition to the voltage peaks, noise was also observed in the power supply, resulting from transient oscillations produced at the instant of switching. These oscillations lasted close to 1 ms, representing approximately 12% of a sinusoidal half-cycle. Although relatively short, this duration confirms that the transient event is not instantaneous, as it persists long enough to impose electrical stress on devices connected to the same supply. Furthermore, the voltage rate-of-change (dU/dt) in the supply exceeded the expected value for a sinusoid, reaching approximately 0.29 V/µs and 0.35 V/µs.
Added to this are the so-called “bounce” effects—additional oscillations caused by mechanical imperfections during contact closure. Bounces with durations of 1.7 ms, 2.1 ms, and even 2.5 ms were observed. In the latter case, the oscillation corresponds to nearly one-third of a sinusoidal half-cycle, indicating a particularly significant disturbance. These events tend to multiply the number of successive transients.
Finally, the voltage rate-of-change measured directly at the lamp also reached elevated values, approximately 2.3 V/µs, 2.5 V/µs, and 2.9 V/µs—each above the maximum value expected for a standard sinusoidal waveform.

4.4. Measurement of LED Lamp Switched by Contactor

The measurements obtained in this case reveal more severe electrical disturbances in both the power supply circuit and the lamp circuit. In the supply line, voltage peaks of 325 V, 377 V, 380 V and, in more critical situations, values reaching 390 and 391 V were observed—significantly above the ordinary sinusoidal peak of approximately 311 V. These surges represent relevant overvoltage events, as they propagate from the supply point and tend to reflect onto other elements of the installation, particularly adjacent circuits fed by the same network. Although these voltage levels are transient, they are sufficient to impose substantial electrical stress on insulation, semiconductor components, and equipment input interfaces.
In the lamp circuit, the results follow the same pattern, reinforcing the aggressive nature of the switching conditions. Voltage peaks of 329 V, 343 V, and, more notably, 357 V were recorded, along with other values exceeding the ordinary peak. These results demonstrate that the internal electronic circuitry of LED lamps—including the driver—is directly exposed to voltage levels above those expected under standard operation. Additionally, total noise durations of approximately 1.1 ms, 1.5 ms, and 2 ms were observed, corresponding to nearly one quarter (25%) of a half-cycle. This means that the lamp remains subjected to oscillation and instability for a significant portion of the voltage semicircle, potentially intensifying electrical and thermal stress on its internal elements.
On the power supply side, noise periods (oscillations) with total durations of approximately 1.5 ms and 2 ms were identified, also corresponding to about 25% of a sinusoidal half-cycle. This shows that the transient disturbance is not confined to a mere “instant” of switching but extends over a considerable fraction of the cycle, maintaining the system in a disturbed condition for a substantial interval. Associated with this, the voltage rate-of-change (dU/dt) in the supply reached relatively high values—on the order of 1.2 V/µs, 1.9 V/µs, 6 V/µs, and, in more extreme cases, 13 V/µs. These gradients, far above those of a sinusoidal waveform, indicate extremely steep rising and falling edges capable of imposing intense instantaneous stress, particularly on input components.
The voltage rate-of-change measured on the lamp (dU/dt) corroborates this scenario. Rates of approximately 1.7 V/µs and 2.3 V/µs were recorded, with more severe values reaching 19.5 V/µs. These extremely steep gradients, well above the value associated with a standard sinusoid, indicate that the lamp circuit is subjected to high-speed, high-amplitude transients.

4.5. Measurement of LED-All Lamps Switched by Contactor

Finally, the behavior of 48 LED lamps—referred to as LED-All—switched by a contactor was analyzed to assess the transient levels when the lamps were changed simultaneously. It should be noted that the switching occurred randomly, without synchronization to predetermined points of the sinusoidal supply waveform.
The measurements obtained in this specific set of tests indicate a particular behavior: although no maximum voltages (Up) above the ordinary value of approximately 311 V were observed—either in the power supply or in the lamp circuit—relevant disturbances were identified in other parameters.
In the power supply circuit, no significant noise in the form of sustained oscillations was detected; however, the voltage rate-of-change (dU/dt) exhibited relatively high values, on the order of 4.17 V/µs and 6.72 V/µs. These values significantly exceed the behavior expected from a standard sinusoidal waveform, whose maximum dU/dt is given by equation 6, and they reveal the presence of fast, steep transients. From an electrical stress perspective, this means that connected devices may be subjected to substantial instantaneous efforts.
In the lamp circuit, a similar pattern was observed regarding peak values: no maximum voltages (Up) above approximately 311 V were recorded. However, total noise durations (oscillations) of about 1.6 ms were observed, corresponding to roughly 18% of a sinusoidal half-cycle. This interval is sufficiently long to characterize a disturbed regime in which the lamp remains exposed to voltage oscillations and instability. Additionally, the lamp’s dU/dt values were found to be above the reference standard, with approximate values of 0.4 V/µs, 0.5 V/µs, and 0.6 V/µs.
Another important aspect concerns the percentage increases in voltage observed. In the power supply, excess values between 29% and 38% were recorded, and in the lamp circuit, between 18% and 31%, relative to the expected instantaneous values of the sinusoidal waveform (as shown in Table 6 and Table 7, respectively). Although, in this set of measurements, the contactor switching did not coincide with the crest of the sinusoidal wave, extrapolation allows us to infer that such coincidence would substantially worsen the scenario. Considering the ordinary peak of approximately 311 V, excess values of 29% to 38% could lead to supply-line peaks on the order of 392 V to 429 V, while excess values of 18% to 31% in the lamp could result in peaks between approximately 367 V and 407 V. These projected values indicate that, under switching synchronized with the waveform crest, the combination of high dU/dt, significant oscillation durations, and percentage overvoltage could create a considerably severe electrical environment for the lamps and for other devices powered by the same installation.
Although the present work focuses on the experimental characterization of transients observed under controlled laboratory conditions, the importance of relating these results to real installation conditions is acknowledged. To address this need, an exploratory analytical analysis is presented in Appendix A, in which, by way of example, the event illustrated in Figure 11a is used to estimate order-of-magnitude effects associated with switch bounce and the transient response of the supply–lamp assembly. From this figure, a switch bounce repetition rate on the order of 2.8 kHz can be identified, corresponding to the successive application of voltage steps to a system whose natural frequency was estimated to be on the order of 100 kHz. This approach is not intended to be conclusive or normative, but rather to provide physical support for the observed phenomena and to highlight the relevance of future investigations conducted directly under real installation conditions.

5. Conclusions

The switching of LED lamps through mechanical “dry” contacts, either directly (via manual switches) or indirectly (via contactors), can introduce disturbances in the power supply of these lamps.
Among the main electrical disturbances, the so-called transients are particularly significant.
Transient voltage elevations may result in localized increases in the electric field within dielectric elements of electronic devices, which, when repetitive, are discussed in the literature as conditions that can contribute to continuous and progressive degradation mechanisms, including those associated with time-dependent dielectric breakdown. In this context, studies further indicate that low-energy transients tend to promote gradual degradation of components within electronic circuits, potentially leading to premature failures rather than abrupt catastrophic breakdowns, with such effects being influenced and, in some cases, intensified by characteristics of the electrical installation itself [16,17,30,31,32,33], also indicated by [34], when “the weakest elements on the surge path where the energy of surge is transported will be potentially exposed to possible damage”.
This study characterized the transients in LED lamps when switched either manually or by a contactor, regardless of whether a single lamp or multiple lamps were changed simultaneously.
Based on the occurrence of oscillations during switching events, transient measurements were performed to establish an overall assessment.
A total of 56 record files were collected from the oscilloscope, comprising 2920 captured screens, representing 95.45 s of observation, equivalent to 5726 cycles of a 60 Hz sinusoidal waveform.
Of the total captured screens, 67 were suitable for measurement, resulting in 170 evaluations. This is because the focus of the present study lies exclusively on the on–off transition moments, during which waveform variations occur; under steady-state conditions, no waveform changes are observed, even though data acquisition was set to continuous mode.
It was also verified that, in some cases, no significant disturbances occurred.
The disturbances caused by switching operations were observed not to be limited to the lamp circuit itself but also to affect the power supply circuit. Such disturbances can propagate to adjacent circuits, especially when powered by the same electrical network.
Across the various test conditions, voltage peaks exceeding the ordinary value of approximately 311 V were observed, reaching levels of 325 V, 334 V, 342 V, 357 V, and, in more severe cases, 375 V, 380 V, 390 V, and 391 V. Although some measurements did not register peaks above the nominal reference, other indicators clearly confirm the presence of significant transient phenomena.
The measurements also revealed substantial percentage exceedances at specific instants of the waveform. Increases between 18% and 38% suggest that, if switching were to occur precisely at the sinusoidal crest, extrapolated peak values could reach levels between 367 V and 407 V for the lamps, and between 392 V and 429 V for the power supply. These projected values underscore the destructive potential of switching transients, particularly in real-world installations where distributed impedances and environmental conditions can further exacerbate their effects.
The ordinary peak voltage used in design considerations is approximately 311 V, as given by Equation (1). It is important to recall that the energy of a transient is the product of the squared voltage and its duration, meaning that such events may degrade components gradually or cause instantaneous failure.
The transient oscillations exhibited expressive durations, ranging from 1.1 ms to 2.0 ms, representing substantial fractions of the sinusoidal half-cycle—between 12% and 25%, and in some cases reaching 30% due to mechanical contact bounce. These durations show that the transients are not instantaneous events but rather prolonged perturbation regimes that impose instability on the waveform and continuous electrical stress on electronic components.
The voltage rate-of-change (dU/dt) emerged as another critical aspect. While the maximum dU/dt for a sinusoid is around 0.12 V/µs, the tests revealed much steeper gradients: 0.29 V/µs, 0.35 V/µs, 0.4 V/µs, 0.6 V/µs, and even more abrupt values such as 1.7 V/µs, 2.3 V/µs, 6 V/µs, 8 V/µs, 12 V/µs, and up to 19.3 V/µs. Such steep slopes are particularly harmful to semiconductors and dielectric materials, intensifying cumulative wear on the internal components of LED lamps.
For a standard sinusoidal waveform, the critical dU/dt is 0.12 V/µs, as given by Equation 6. The high rates observed in this study may indicate significant issues associated with transients, particularly by promoting Common-Mode Voltage Transients (electrical voltages referenced to ground). When these limits are exceeded, improper or unstable operation may occur, especially in sensitive and complex digital circuits. Additionally, the insulating capacities of resistive and dielectric elements, as well as semiconductor junctions, may be overstressed, leading to premature end-of-life.
Overall, the combination of elevated voltage peaks, steep dU/dt gradients, and prolonged oscillation times creates an adverse operational environment for LED lamps switched by dry contacts. In broad terms, it can be concluded that LED lamps subjected to dry-contact switching experience voltage peaks far above the ordinary value (Up), very steep voltage rate-of-change (dU/dt), and extended durations of electrical disturbances.
The comparison between the tests performed with an incandescent lamp and individual LED lamps, under dry-contact switching, reveals quantitative differences in the levels of electrical transients observed, both at the supply point and at the lamp terminals. In the case of the incandescent lamp switched by a manual switch, voltage peaks of up to 390 V were recorded at the supply side and up to 355 V at the lamp circuit, with oscillatory noise durations of up to 2 ms. The maximum voltage slew rates reached approximately 8 V/µs at the supply side and up to 13 V/µs at the lamp terminals.
For LED lamps switched by a manual switch, the most severe values included voltage peaks of up to 375 V at the supply side and up to 370 V at the lamp terminals, accompanied by oscillation durations of up to 1.8 ms at the supply side and up to 2.5 ms at the lamp terminals. Voltage slew rates reached up to 12 V/µs at the supply side and up to 16 V/µs at the lamp terminals, considerably higher than those observed for the incandescent lamp.
Under contactor switching, the incandescent lamp exhibited more moderate voltage peaks, reaching up to 334 V at the supply side and 316 V at the lamp terminals, with noise durations of approximately 1 ms at the supply side and up to 1.8 ms at the lamp terminals. The maximum voltage slew rates were on the order of 0.35 V/µs at the supply side and up to 2.9 V/µs at the lamp terminals.
In contrast, LED lamps switched by a contactor presented the highest levels among all analyzed cases, with voltage peaks of up to 391 V at the supply side and up to 357 V at the lamp terminals. Noise durations ranged from 1.1 ms to 2 ms at both the supply side and the lamp terminals, corresponding to approximately one quarter of a sinusoidal half-cycle. The maximum voltage slew rates reached up to 13 V/µs at the supply side and up to 19.5 V/µs at the lamp terminals.
It was observed that transient waveforms exhibit fast rise times, impulsive and damped behavior, as well as repetitive characteristics associated with the switching process. These characteristics are conceptually similar to the electrical fast transient (EFT/Burst) phenomena addressed in IEC 61000-4-4, which simulates disturbances arising from contact switching and other transient events in low-voltage power systems.
Nevertheless, it should be noted that the laboratory environment reproduces the transient phenomenon at the moment of contact switching but does not replicate the conditions of real physical installations.
The transients generated during switching may be intensified by the physical characteristics of the electrical installation—whether due to the final circuit, the supply circuit, or adjacent circuits. Consequently, such transients could accelerate failures (either catastrophic or gradual degradation) in LED lamps.
Pronounced transients were observed during switching, exceeding both nominal and peak voltage limits. These findings indicate the relevance of further testing, including experiments conducted in actual lighting installations, analysis of switch bounce effects, wave reflections, and impedance discontinuities, among other aspects, which could provide additional insight into how such transients manifest under real-world electrical conditions.

Author Contributions

Conceptualization, A.L.A., A.M.T. and G.G.L.; methodology, A.L.A.; validation, A.M.T. and G.G.L.; formal analysis, A.L.A.; investigation, A.M.T. and G.G.L.; writing—original draft preparation, A.M.T., J.M.B. and A.L.A.; writing—review and editing, A.L.A.; visualization, J.M.B.; supervision, A.M.T. All authors have read and agreed to the published version of the manuscript.

Funding

The authors thank the Capes, Fundação Araucária, and CNPq agency. The second author thanks CNPq for the financial support (Process: 304068/2022-5). The third author thanks CNPq for the financial support (Process: 309799/2021-0). The last author thanks CNPq for the financial support (Process: 310562/2021-0).

Data Availability Statement

The original contributions presented in this study are included in the article. Further inquiries can be directed to the corresponding author.

Conflicts of Interest

The authors declare no conflicts of interest.

Abbreviations

The following abbreviations are used in this manuscript:
LEDLight emitting diode
LPhase conductor
PEProtective earth conductor
NNeutral conductor
VRMSRoot mean square voltage
UElectric voltage
UpPeak voltage
PElectric power
FElectric frequency
IElectric current
PFPower factor
TColor temperature
CRIColor rendering index
LF Luminous flux
msMillisecond
µsMicrosecond
ωAngular frequency
SApparent power
XReactance
XCCapacitive reactance
CeqEquivalent capacitance
FBBounce frequency
LSeqEquivalent series inductance
F0Natural frequency
DCDirect current
ΔtTime interval

Appendix A

Appendix A.1. Objective and Scope

This appendix presents an analytical and exploratory analysis, focused on order-of-magnitude considerations, aimed at providing a physical basis for the oscillatory transients observed during switching events. The objective is to show that the combination of (i) switch bounce and (ii) the natural response of the electrical system—formed by parasitic inductances and effective input capacitances—is sufficient to explain the presence of damped disturbances and high-frequency content.
Declared limitations. The equivalent capacitance estimated herein was inferred from steady-state quantities at 60 Hz (power and power factor). At higher frequencies, the effective impedance of the driver–grid assembly may differ due to internal elements. Therefore, the analysis presented does not have a normative character, nor does it aim to faithfully reproduce the internal circuitry of the driver, but rather to provide a plausible and first-order quantitative explanation of the observed phenomena.

Appendix A.2. Estimated Electrical Parameters of the Lamp Under Steady-State Conditions

For the exploratory analytical assessment of switching-related transients, the electrical behavior of the LED lamp under steady-state conditions supplied by a 60 Hz sinusoidal voltage is first considered. Although this characterization does not directly describe high-frequency transient behavior, it provides useful parameters for estimating the order of magnitude of the stored energy and the effective input capacitance of the system.
The analyzed lamp presents the following estimated nominal parameters:
  • Electric Power (active power) (P):15 W;
  • Electric Voltage (U): 220 V;
  • Power Factor (PF): 0.92, with predominantly capacitive behavior;
  • Frequency (F): 60 Hz;
  • Angular Frequency (ω): 377 rad/s (Equation (4));
The apparent power is given by
S = P P F = 15 0.92 = 16.304   V A
and the corresponding RMS current is
I = S U = 16.304 220 = 0.07411   A
From these values, the magnitude of the equivalent impedance under steady-state conditions can be estimated as:
| Z | = U I = 220 0.07411 = 2968.53   Ω
The phase angle between voltage and current associated with the power factor is
φ = a r c o s P F = a r c o s ( 0.92 ) = 23.07 °
Accordingly, the equivalent impedance may be decomposed into resistive and reactive components, yielding
R = Z · c o s φ = 2968.53 · 0.92 = 2731.05   Ω | X | = Z · s i n φ = 2968.53 · 0.39 = 1163.42   Ω
Considering the predominantly capacitive nature of the system, the reactance is taken as negative, i.e., X ≅ −|X|.
These parameters do not represent a complete physical model of the driver at high frequencies; rather, they provide a steady-state equivalent description that allows inferring the presence of an effective capacitance associated with the lamp input stage, which plays a fundamental role in the transient response during switching events.

Appendix A.3. Estimation of the Equivalent Input Capacitance

Based on the equivalent impedance obtained under steady-state conditions, it is possible to estimate an equivalent input capacitance associated with the lamp–driver assembly. This capacitance does not represent a single physical component, but rather an aggregated parameter that reflects, in an initial approximation, the ability of the input stage to store electrical energy, playing a central role in the transient response during switching events.
Considering the equivalent Capacitive Reactance (XC) associated with the reactive component of the impedance at 60 Hz, one obtains
| X C | = 1 ω · C e q
from which the equivalent capacitance can be expressed as:
C e q = 1 ω · | X C | = 1 376.99 · 1163.42 2.29 μ F
Physical interpretation. The obtained value of Ceq represents a plausible order of magnitude for the effective capacitance associated with the input stage of the LED lamp driver, including the DC bus capacitor and other equivalent capacitances as seen by the grid under steady-state operation. This parameter is particularly relevant during switching events, since a capacitor that is initially discharged or partially charged tends to draw high currents over short time intervals, thereby contributing to the excitation of transient phenomena.
It is emphasized that, at frequencies higher than 60 Hz, the effective impedance of the lamp–driver assembly may be significantly influenced by additional elements, such as rectifiers, filters, equivalent series resistance, parasitic inductances, and others. Therefore, the value of Ceq calculated herein should not be interpreted as a precise characterization of high-frequency behavior, but rather as a preliminary and exploratory parameter, suitable for initial analyses and for estimating the order of magnitude of the observed transient phenomena.

Appendix A.4. Switch Bounce as a Mechanism for Multiple Successive Excitations

Switch bounce is a characteristic phenomenon of mechanical contacts, marked by multiple electrical openings and closures occurring within a short time interval during a single switching operation. From an electrical perspective, this behavior causes what appears to be a single switching event to effectively result in a sequence of successive excitations, each of which may trigger a transient response in the supplied system.
Within the set of measurements performed, the presence of switch bounce can be identified in several switching records. As an illustrative example, Figure 11a shows an event in which 8 successive excitations (7 intervals) were observed within a total time window of approximately 2.513 ms. From this record, an average interval between excitations can be estimated as:
Δ t = 2.513 7 0.359   m s
which corresponds to an average repetition rate of approximately:
F B = 1 Δ t 2.8   k H z
It is emphasized that the frequency FB does not represent an oscillation frequency of the electrical system, but rather the repetition rate of the excitations imposed by the contact bounce. Each of these excitations may be interpreted, in an exploratory sense, as a voltage step applied to the supply–lamp assembly, with the potential to re-trigger the transient response associated with the reactive elements of the circuit.

Appendix A.5. Natural System Response and Occurrence of Oscillatory Transients

When an abrupt contact closure occurs, the combination of the effective input capacitance of the driver and the equivalent series inductance of the supply loop results in a second-order electrical system. Even under laboratory conditions, parasitic inductances are unavoidable and are associated with cables, current-loop geometry, and electrical contacts.
For a controlled bench setup, the following assumptions are adopted:
  • supply circuit length: approximately 1 m, with forward and return conductors placed in close proximity;
  • conductor cross-section: 1.5 mm2;
  • equivalent series inductance of the loop (order of magnitude): LSeq ≅ 1 μH.
Combining this value with the estimated Ceq (Equation (A7)), natural frequency of the system can be estimated as:
F 0 = 1 2 π · L S e q · C e q = 1 2 π · 1 · 10 6 · 2.29 · 10 6 105.172   H z 100   k H z
This frequency characterizes the system’s preferred transient response when subjected to fast excitations, such as voltage steps associated with contact closure. Under these conditions, a temporary exchange of energy occurs between the electric and magnetic fields associated with Ceq·LSeq, producing a damped oscillatory transient.
The presence of switch bounce implies that this transient response may be retriggered successively within a short time interval, contributing to composite and temporally extended transients. The estimated value of F0 has an indicative character and is suitable for providing order-of-magnitude estimates and a physically plausible explanation for the observed phenomena.

Appendix A.6. Oscillatory Transients Implications

A damped oscillatory transient occurs when a system capable of simultaneously storing electrical and magnetic energy, associated with the presence of capacitances and inductances, is subjected to a voltage or current step. Following the switching event, energy temporarily alternates between the electric and magnetic fields, producing an oscillation whose amplitude decays due to resistive losses in the circuit.
In the present case, each microevent associated with switch bounce may be interpreted as a new step excitation applied to the system, triggering damped transient responses near the natural frequency of the system, estimated to be on the order of 100 kHz (Appendix A.5). This frequency lies within the range commonly associated with supraharmonic components, which arise transiently during fast switching events.
The analysis presented herein has an exploratory character, based on order-of-magnitude analytical estimates, and does not include a quantitative spectral characterization, which is indicated as a natural extension of this study.

Appendix A.7. Implications of the Analytical Results for the Installation and the Lamp

Based on the parameters adopted in this appendix, the results suggest that:
  • Existence of high-frequency content. The estimated value F0 ≅ 100 kHz indicates that the transient response of the supply–lamp assembly may contain significant components in the range of tens to hundreds of kilohertz, regardless of the mains operating at 60 Hz. Such components are consistent with fast oscillations superimposed on the fundamental waveform during the transient;
  • Re-triggering due to switch bounce and disturbance prolongation. The observed switch bounce (8 events within 2.513 ms) implies that the system may be re-triggered several times before complete dissipation of the previous transient. As a result, the disturbance may become more prolonged and more complex, with multiple packets of damped oscillatory transients occurring within a single switching operation;
  • Sensitivity to parasitic elements even under bench conditions. An inductance on the order of 1 μH, compatible with short cables and laboratory loops, is already sufficient to produce natural frequencies on the order of 100 kHz when combined with equivalent capacitances of a few microfarads. Thus, even in controlled arrangements, connection geometry and parasitic elements could influence the transient waveform;
Relevance for future studies under real installation conditions. In real installations, conductor length, the presence of splices, junction boxes, protective devices, multiple loads, and impedance discontinuities tend to increase the complexity of the equivalent parameters, potentially modifying the natural frequency and damping, as well as introducing reflections and other resonances.

References

  1. Forti, V.; Baldé, C.P.; Kuehr, R.; Bel, G. The Global E-Waste Monitor 2020: Quantities, Flows and the Circular Economy Potential; United Nations University (UNU)/United Nations Institute for Training and Research (UNITAR)/International Telecommunication Union (ITU) & International Solid Waste Association (ISWA): Bonn, Germany; Geneva, Switzerland; Rotterdam, The Netherlands, 2020; ISBN 978-92-808-9114-0. [Google Scholar]
  2. Nikulski, J.S.; Ritthoff, M.; Von Gries, N. The potential and limitations of critical raw material recycling: The case of LED lamps. Resources 2021, 10, 37. [Google Scholar] [CrossRef]
  3. IEEE Std 1159-2019; Recommended Practice for Monitoring Electric Power Quality. IEEE Standard Association: New York, NY, USA, 2019.
  4. Patakamoori, A.; Udumula, R.R.; Nizami, T.K.; Ch, K.R.R. An efficient soft-switched led driver for street lighting applications with input regulation. IEEE J. Emerg. Sel. Top. Power Electron. 2023, 11, 5018–5028. [Google Scholar] [CrossRef]
  5. Kolla, R.H.; Wishwanathan, N.; Murthy, B.K. Independently controllable dual-output half-bridge series resonant converter for LED driver application. IEEE J. Emerg. Sel. Top. Power Electron. 2022, 10, 2178–2189. [Google Scholar] [CrossRef]
  6. Dasohari, M.; Vishwanathan, N.; Porpandiselvi, S.; Vani, A.R.M. Soft-switched boost converter based LED driver with reduced input current ripple. IEEE Access 2024, 12, 45904–45922. [Google Scholar] [CrossRef]
  7. Hui, S.Y.; Li, S.N.; Tao, X.H.; Chen, W.; Ng, W.M. A novel passive off-line light-emitting diode (LED) driver with long lifetime. IEEE Trans. Power Electron. 2010, 25, 2665–2672. [Google Scholar] [CrossRef]
  8. Zhou, Y. LED Controlling Means and Surge Protection Circuit Thereof. CN207820269U, 10 November 2017. [Google Scholar]
  9. Jaeweon, H.; Seunghyun, B. Protection Circuit for the Illumination Intensity of an LED Lamp. WO2011136495A2, 26 April 2010. [Google Scholar]
  10. Zhou, X.Z.; Huang, L. Illumination Soft Start Device. CN213462409U, 29 October 2020. [Google Scholar]
  11. Jie, Z. AC LED Drive Power Supply’s Soft Start Circuit. CN205864799U, 22 July 2016. [Google Scholar]
  12. Johnson, W.P. Transient voltage sources and effects on electrical equipment. IEEE Trans. Ind. Appl. 1973, IA-9, 332–335. [Google Scholar] [CrossRef]
  13. Mishra, S.; Swain, S.; Dash, R. Switching transient analysis for low voltage distribution cable. Open Eng. 2022, 12, 29–37. [Google Scholar] [CrossRef]
  14. Stimper, K.; Ackerman, G.; Ehrler, J.; Scheibe, K. Transient overvoltages in low-voltage systems-a field study in Germany. IEEE Electr. Insul. Mag. 1998, 14, 15–22. [Google Scholar] [CrossRef]
  15. Panchal, J.; Ravi, L.; Fan, B.; Dong, D.; Burgos, R. Power quality impact of residential LED lighting systems with integrated triac-based dimmer. In Proceedings of the 2024 IEEE Applied Power Electronics Conference and Exposition (APEC), Long Beach, CA, USA, 25–29 February 2024; pp. 3171–3178. [Google Scholar] [CrossRef]
  16. Rhoades, W.T. Designing commercial equipment for conducted susceptibility. In Proceedings of the International Symposium on Electromagnetic Compatibility, San Diego, CA, USA, 9–11 October 1979; IEEE: New York, NY, USA, 1979; pp. 1–9. [Google Scholar] [CrossRef]
  17. Rhoades, W.T. Congruence of Low Voltage Power Main Transient Designs; IEEE: Denver, CO, USA, 1989; pp. 285–296. [Google Scholar] [CrossRef]
  18. Martzloff, F.D.; Gruzs, T.M. Power quality site surveys: Facts, fiction, and fallacies. IEEE Trans. Ind. Appl. 1988, 24, 1005–1018. [Google Scholar] [CrossRef]
  19. Sonnemann, W.K.; Felton, R.J. Transient voltage measurement techniques. IEEE Trans. Power Appar. Syst. 1968, PAS-87, 1173–1179. [Google Scholar] [CrossRef]
  20. Chowdhuri, P. Study of transient voltages in transit systems. IEEE Trans. Electromagn. Compat. 1975, EMC-17, 140–149. [Google Scholar] [CrossRef]
  21. Ravindran, V.; Sakar, S.; Rönnberg, S.; Bollen, M.H.J. Characterization of the impact of PV and EV induced voltage variations on led lamps in a low voltage installation. Electr. Power Syst. Res. 2020, 185, 106352. [Google Scholar] [CrossRef]
  22. Reich, B. Protection of semiconductor devices, circuits, and equipment from voltage transients. Proc. IEEE 1967, 55, 1355–1361. [Google Scholar] [CrossRef]
  23. USA. Led Luminaire Lifetime: Recommendation for Testin and Reporting; Department of Energy|Next Generation Lightining Industry Aliliance|LED Systems Rleiability Consortium: Washington, DC, USA, 2014; p. 35.
  24. Qin, Y.X.; Chung, H.S.H.; Lin, D.Y.; Hui, S.Y.R. Current source ballast for high power lighting emitting diodes without electrolytic capacitor. In Proceedings of the 34th Annual Conference of IEEE Industrial Electronics, Orlando, FL, USA, 10–13 November 2008; IEEE: New York, NY, USA, 2008; pp. 1965–1973. [Google Scholar] [CrossRef]
  25. Tao, X.; Hui Ron, S.Y. Dynamic photoelectrothermal theory for light-emitting diode systems. IEEE Trans. Ind. Electron. 2012, 59, 1751–1759. [Google Scholar] [CrossRef]
  26. Lam, J.; El-Taweel, N.; Abbasi, M. An output-current-dependent dc-link energy regulation scheme for a family of soft-switched ac/dc offline led drivers without electrolytic capacitors. IEEE Trans. Ind. Electron. 2017, 64, 5838–5850. [Google Scholar] [CrossRef]
  27. Barwar, M.K.; Sahu, L.K.; Bhatnagar, P.; Gupta, K.K.; Chander, A.H. A flicker-free decoupled ripple cancellation technique for led driver circuits. Optik 2021, 247, 168029. [Google Scholar] [CrossRef]
  28. Pang, Z.; Cai, Z. Research on digital long-life time led driver. Optik 2021, 239, 166797. [Google Scholar] [CrossRef]
  29. Keysight. Available online: https://www.keysight.com (accessed on 10 January 2026).
  30. Gao, T.; Yang, J.; Liu, H.; Lu, Y.; Liu, C. Experimental Study on Critical Parameters Degradation of Nano PDSOI MOSFET under TDDB Stress. Micromachines 2023, 14, 1504. [Google Scholar] [CrossRef]
  31. Liu, T.; Zhu, S.; White, M.H.; Salemi, A.; Sheridan, D.; Agarwal, A.K. Time-Dependent Dielectric Breakdown of Commercial 1.2 kV 4H-SiC Power MOSFETs. IEEE J. Electron Devices Soc. 2021, 9, 633–639. [Google Scholar] [CrossRef]
  32. Park, K.; Park, K.; Im, S.; Hong, S.; Son, K.; Jeon, J. Development of an Advanced TDDB Analysis Model for Temperature Dependency. Electronics 2019, 8, 942. [Google Scholar] [CrossRef]
  33. Fleetwood, D.; Pantelides, S.T.; Schrimpf, R.D. Defects in Microelectronic Materials and Devices; Taylor & Francis and CRC Press: Boca Raton, FL, USA, 2009. [Google Scholar]
  34. Sabat, W.; Klepacki, D.; Kamuda, K.; Kuryło, K. Analysis of LED Lamps’ Sensitivity to Surge Impulse. Electronics 2022, 11, 1140. [Google Scholar] [CrossRef]
Figure 1. Oscilloscope DSOX2014A.
Figure 1. Oscilloscope DSOX2014A.
Electricity 07 00013 g001
Figure 2. Switching of the incandescent and LED lamps using a manual switch. The electrical power supply used in the experiments was 220 V, 60 Hz, consisting of line (L), neutral (N), and protective earth (PE) conductors, adopting a TN-S grounding system, in which the neutral conductor is grounded exclusively at the origin of the power supply. All of the probes, single-ended type with common ground, are generically denoted as REF in the figure.
Figure 2. Switching of the incandescent and LED lamps using a manual switch. The electrical power supply used in the experiments was 220 V, 60 Hz, consisting of line (L), neutral (N), and protective earth (PE) conductors, adopting a TN-S grounding system, in which the neutral conductor is grounded exclusively at the origin of the power supply. All of the probes, single-ended type with common ground, are generically denoted as REF in the figure.
Electricity 07 00013 g002
Figure 3. Switching of the incandescent and LED lamps using a contactor. The electrical power supply used in the experiments was 220 V, 60 Hz, consisting of line (L), neutral (N), and protective earth (PE) conductors, adopting a TN-S grounding system, in which the neutral conductor is grounded exclusively at the origin of the power supply. All of the probes, single-ended type with common ground, are generically denoted as REF in the figure.
Figure 3. Switching of the incandescent and LED lamps using a contactor. The electrical power supply used in the experiments was 220 V, 60 Hz, consisting of line (L), neutral (N), and protective earth (PE) conductors, adopting a TN-S grounding system, in which the neutral conductor is grounded exclusively at the origin of the power supply. All of the probes, single-ended type with common ground, are generically denoted as REF in the figure.
Electricity 07 00013 g003
Figure 4. Switching of the LED-All lamps using a contactor. The electrical power supply used in the experiments was 220 V, 60 Hz, consisting of line (L), neutral (N), and protective earth (PE) conductors, adopting a TN-S grounding system, in which the neutral conductor is grounded exclusively at the origin of the power supply. All of the probes, single-ended type with common ground, are generically denoted as REF in the figure.
Figure 4. Switching of the LED-All lamps using a contactor. The electrical power supply used in the experiments was 220 V, 60 Hz, consisting of line (L), neutral (N), and protective earth (PE) conductors, adopting a TN-S grounding system, in which the neutral conductor is grounded exclusively at the origin of the power supply. All of the probes, single-ended type with common ground, are generically denoted as REF in the figure.
Electricity 07 00013 g004
Figure 5. Example of two lamp groups.
Figure 5. Example of two lamp groups.
Electricity 07 00013 g005
Figure 6. LED-All lamps under test: (a) tubular LED lamps; (b) LED lamps with Edison screw base.
Figure 6. LED-All lamps under test: (a) tubular LED lamps; (b) LED lamps with Edison screw base.
Electricity 07 00013 g006
Figure 7. Example of captured screens 2 ms: (a) (+) half-cycle; (b,c) (−) half-cycle. The sinusoidal supply waveform and the instant of lamp energization, at which the disturbance occurs, can be observed.
Figure 7. Example of captured screens 2 ms: (a) (+) half-cycle; (b,c) (−) half-cycle. The sinusoidal supply waveform and the instant of lamp energization, at which the disturbance occurs, can be observed.
Electricity 07 00013 g007aElectricity 07 00013 g007b
Figure 8. Example of captured screens–0.5 ms: (a) (+) half-cycle; (b,c) (−) half-cycle. The sinusoidal supply waveform and the instant of lamp energization, at which the disturbance occurs, are observed, now with the time scale expanded to 0.5 ms.
Figure 8. Example of captured screens–0.5 ms: (a) (+) half-cycle; (b,c) (−) half-cycle. The sinusoidal supply waveform and the instant of lamp energization, at which the disturbance occurs, are observed, now with the time scale expanded to 0.5 ms.
Electricity 07 00013 g008aElectricity 07 00013 g008b
Figure 9. Example of separated captured screens–0.5 ms: (a) (+) half-cycle; (b,c) (−) half-cycle. Here, the supply and lamp signals are presented separately, using a 0.5 ms time scale.
Figure 9. Example of separated captured screens–0.5 ms: (a) (+) half-cycle; (b,c) (−) half-cycle. Here, the supply and lamp signals are presented separately, using a 0.5 ms time scale.
Electricity 07 00013 g009aElectricity 07 00013 g009b
Figure 10. Example of measurement–power supply: (a,b). Measurement of the transient voltage amplitude defined by traces Y1 and Y2, from the right side across the graph to the left side, and measurement of the transient time width defined by traces X1 and X2, from the top across the graph to the bottom.
Figure 10. Example of measurement–power supply: (a,b). Measurement of the transient voltage amplitude defined by traces Y1 and Y2, from the right side across the graph to the left side, and measurement of the transient time width defined by traces X1 and X2, from the top across the graph to the bottom.
Electricity 07 00013 g010
Figure 11. Example of measurement–lamp: (a,b). Measurement of the transient voltage amplitude defined by traces Y1 and Y2, from the right side across the graph to the left side, and measurement of the transient time width defined by traces X1 and X2, from the top across the graph to the bottom.
Figure 11. Example of measurement–lamp: (a,b). Measurement of the transient voltage amplitude defined by traces Y1 and Y2, from the right side across the graph to the left side, and measurement of the transient time width defined by traces X1 and X2, from the top across the graph to the bottom.
Electricity 07 00013 g011
Figure 12. One acquired screen LED-All. The sinusoidal supply waveform and the instant of lamp energization, at which the disturbance occurs, can be observed. In this case, the disturbance does not exceed the ordinary peak voltage (Up), but appears as a prolonged and damped disturbance. Near the middle of the sinusoidal waveform, voltage elevations above the nominal waveform curvature can be observed.
Figure 12. One acquired screen LED-All. The sinusoidal supply waveform and the instant of lamp energization, at which the disturbance occurs, can be observed. In this case, the disturbance does not exceed the ordinary peak voltage (Up), but appears as a prolonged and damped disturbance. Near the middle of the sinusoidal waveform, voltage elevations above the nominal waveform curvature can be observed.
Electricity 07 00013 g012
Table 1. Test Lamp Specifications.
Table 1. Test Lamp Specifications.
LampU (V)P (W)I
(A)
F (Hz)P FT (K)LF (lm)CRI (%)TypeModelProduction Date
Incandescent2201000.45660127001350100BulbE27 Edison Screwbefore 2016
LED 1100–24090.076–0.04950/60≥0.703000803>80Compact BulbE27 Edison ScrewMay/2022
LED 286–2658N/A50/60N/A3200>32070CompactE27 Edison ScrewN/A
LED 3100–24080.075–0.05050/60≥0.706500806≥80BulbE27 Edison ScrewMarch/2021
LED 486–26512N/A50/60N/A6000≥120070Spiral CompactE27 Edison ScrewN/A
LED 5100–24090.072–0.04550/60>0.923000900>80Linear TubeT8 G13December/2021
LED 6100–240180.170–0.08450/60≥0.926500185080Linear TubeT8 G13May/2020
LED-All Set of 8 LED 1 lamps from the same production batch.
Set of 8 LED 2 lamps from the same production batch *.
Set of 8 LED 3 lamps from the same production batch.
Set of 8 LED 4 lamps from the same production batch *.
Set of 8 LED 5 lamps from the same production batch.
Set of 8 LED 6 lamps from the same production batch.
All lamps are grouped into a single set of 48, connected in parallel.
* For two lamp models, the manufacturing dates were not available. However, since 20 lamps of each model were acquired at the same time, it is likely that they belong to the same manufacturing batch.
Table 2. Total Captured Screens.
Table 2. Total Captured Screens.
LampManual-Switch SwitchingContactor SwitchingTOTAL
Captured ScreensMeasured ScreensCaptured ScreensMeasured ScreensCaptured ScreensMeasured Screens
Incandescent60019380598024
LEDs46019128019174038
LED-All--20052005
Total LEDs46019148024194043
TOTAL106038186029292067
Table 3. Total measurements.
Table 3. Total measurements.
LampManual-Switch SwitchingContactor SwitchingTOTAL
Incandescent351550
LEDs3572107
LED-All-1313
Total LEDs3585120
TOTAL70100170
Table 4. Measurements from Figure 10.
Table 4. Measurements from Figure 10.
Figure 10t1 (μs)t2 (μs)U1 (V)U2 (V)Δt (μs)ΔU (V)dU/dt
a−5321−525690364652744
b−5318−5298903642027414
Table 5. Measurements from Figure 11.
Table 5. Measurements from Figure 11.
Figure 11t1 (μs)t2 (μs)U1 (V)U2 (V)Δt (μs)ΔU (V)dU/dt
a40426555−342−325133390.1
b40404061−342−32133916
Table 6. Overvoltage in LED-All–power supply.
Table 6. Overvoltage in LED-All–power supply.
Instant (ms)Previous Cycle Voltage (V)Measured Cycle Voltage (V)Overvoltage (%)
−151013818836
−104012416634
6709−186−24029
6887−166−22938
Table 7. Overvoltage in an LED-All lamp.
Table 7. Overvoltage in an LED-All lamp.
Instant (ms)Previous Cycle Voltage (V)Measured Cycle Voltage (V)Overvoltage (%)
−151013617126
−104012414618
670917623031
688716820019
Disclaimer/Publisher’s Note: The statements, opinions and data contained in all publications are solely those of the individual author(s) and contributor(s) and not of MDPI and/or the editor(s). MDPI and/or the editor(s) disclaim responsibility for any injury to people or property resulting from any ideas, methods, instructions or products referred to in the content.

Share and Cite

MDPI and ACS Style

Agusti, A.L.; Lenzi, G.G.; Balthazar, J.M.; Tusset, A.M. Investigation of Transients Generated by Dry-Contact Switching of LED Lamps. Electricity 2026, 7, 13. https://doi.org/10.3390/electricity7010013

AMA Style

Agusti AL, Lenzi GG, Balthazar JM, Tusset AM. Investigation of Transients Generated by Dry-Contact Switching of LED Lamps. Electricity. 2026; 7(1):13. https://doi.org/10.3390/electricity7010013

Chicago/Turabian Style

Agusti, Alisson L., Giane G. Lenzi, Jose M. Balthazar, and Angelo M. Tusset. 2026. "Investigation of Transients Generated by Dry-Contact Switching of LED Lamps" Electricity 7, no. 1: 13. https://doi.org/10.3390/electricity7010013

APA Style

Agusti, A. L., Lenzi, G. G., Balthazar, J. M., & Tusset, A. M. (2026). Investigation of Transients Generated by Dry-Contact Switching of LED Lamps. Electricity, 7(1), 13. https://doi.org/10.3390/electricity7010013

Article Metrics

Back to TopTop