Next Article in Journal
Hybrid SDE-Neural Networks for Interpretable Wind Power Prediction Using SCADA Data
Previous Article in Journal
Techno-Economic Assessment of Fixed and Variable Reactive Power Injection Using Thyristor-Switched Capacitors in Distribution Networks
 
 
Font Type:
Arial Georgia Verdana
Font Size:
Aa Aa Aa
Line Spacing:
Column Width:
Background:
Article

Modeling the Tripping Behavior of Fuses Based on Data Sheet Characteristics and Conductor Material Properties

by
Manuel Seidenath
1,* and
Martin Maerz
2,*
1
Fraunhofer Institute for Integrated Systems and Device Technology IISB, 91058 Erlangen, Germany
2
Institute for Power Electronics, Friedrich-Alexander-Universität Erlangen-Nürnberg (FAU), 90429 Nuremberg, Germany
*
Authors to whom correspondence should be addressed.
Electricity 2025, 6(3), 47; https://doi.org/10.3390/electricity6030047
Submission received: 1 July 2025 / Revised: 16 August 2025 / Accepted: 25 August 2025 / Published: 31 August 2025
(This article belongs to the Topic Power System Protection)

Abstract

Accurately simulating fuses is challenging because the fuse behavior is affected by a variety of thermal and electrical factors. This paper presents a SPICE fuse model and its parameterization procedure. The model mimics the physical behavior of the time–current characteristic including the transition region. For the parameterization only, the time–current characteristic of the fuse, its resistance at room temperature and the melting temperature of the conducting material are needed. The novelty of this SPICE fuse model is the mathematical derivation of a physically based correction factor that considers the temperature dependence of the electrical fuse conductivity. The correction factor is applied to the inverted time–current characteristic. A third-order Foster thermal equivalent network is fitted to the adapted fuse characteristic using a least square algorithm. After a Foster–Cauer transformation, the thermal equivalent network is integrated into the SPICE model. Exemplary LTSpice is used to show and validate the model’s wiring diagram. Comparisons show a very good agreement with data sheet characteristics for a variety of fuse types and current ratings. In the adiabatic and transition region—i.e., at low tripping times—the maximum relative error between the data sheet characteristic and the simulated characteristic was consistently below 15% and thus within the production parameter spread.

1. Introduction

The rapid adoption of renewable energy as well as the increasing power demand for emergent technologies, such as electric mobility or artificial intelligence, require a complete reshaping of the power distribution. A favored solution for increasing the power transfer capability, while also increasing the conversion efficiency of renewable energy generation and storage is the adoption of direct current (DC) power transmission in various voltage levels [1,2,3]. Aside from using distribution grids, DC-microgrids have been proposed and designed and are already operated in a wide range of applications, such as datacenters [4,5], photovoltaic parks [6], electric vehicle fast charging hubs [7,8], office buildings [9] or industrial installations [10].
While DC grids offer many benefits, the selection and cost-effective protection of DC grids remains challenging [11]. While concepts like smart circuit breakers, offering fast reaction times and eliminating the arcing problem of traditional mechanical breakers, have been proposed [12,13,14], these solutions add significant costs to the installation. Another solution to the problem is the avoidance of circuit breakers altogether. In these breaker-less (BL) concepts, fault currents are supplied by the in-feeding converters [15,16] or additional elements [17]. In this case, selective protection can be solved with the use of low-cost fuses [15,16,17]. A variety of such fuses is shown in Figure 1. Unlike in traditional AC grids, the short-circuit current will be much more limited in these BL-grids, due to the fact that the current needs to be supplied by power converters. Since semiconductors have low thermal inertia, the short circuit ride through capability needs to be closely matched to the used fuses’ thermal properties. In the case of false matching, semiconductors would eventually overheat and potentially even enter thermally unstable states [18]. Therefore, if the short-circuit current cannot be supplied for a sufficient amount of time, selectivity cannot be assured. In [19], the thermal behavior of semiconductors and fuses during short circuits is analyzed for fault-capable power converters. The results show that selectivity can only be achieved by taking both the fuses’ and the semiconductors’ thermal properties into account.
For more complex grids, simulation becomes necessary, as capacitive discharge currents and differences in the current capabilities of infeed converters become relevant [16,20]. While thermal models of semiconductors are often available in typical electrical simulation environments. such as SPICE or PLECS, the same cannot be said for fuses. Without these, black-box models need to be extracted from data sheet values.
Liffring [21] gives a simple model that is piece-wise linear. A definition of the model parameters from the data sheet for an arbitrary fuse is not introduced. Later the author provides an update on his model [22]. Thermal effects such as the cooling of the fuse conductor, the ambient temperature or the temperature dependence of the fuse resistance are not considered.
Intusoft [23] proposes a model that considers the thermal properties of a fuse. It consists of two parts. One part simulates the temperature response, and the other part breaks the circuit when the melting temperature is met. Intusoft does not specify a generally valid parameterization based on the data sheet for its model. Instead, the parameters for common fuse types could have been commercially purchased on floppy disks. The Intusoft model is valid for currents above 135% of the rated current. It considers the thermal conduction and radiation properties of the conductor material. Convection is not considered. The fuse is tripped by a switch, which opens as soon as the simulated conductor material reaches its melting temperature.
Robbins’ model [24] not only considers the normal operating mode of a fuse but also the arcing time. In this model only currents higher than the fuse rated current are considered. Preheating the fuse with a lower current is not considered. The squared fuse current is integrated over time in a similar way to the Liffring model. One advantage compared to Liffring’s model is that the cooling of the fuse conductor is considered. However, it cannot be used holistically for different ambient temperatures or preheating scenarios.
Tanaka’s and Yamasaki’s model [25] integrates the square of the current over time. This integral is compared with the I 2 t -value that triggers the fuse in the adiabatic region.
The heat dissipation for the steady-state region is determined by multiple arithmetic circuits for diffusion. These are progressively added by switches during longer periods of current supply. In a later publication [26], Tanaka added an arcing model that simulates the fuse behavior after tripping. In both publications, the ambient temperature of the fuse is not considered and a generally valid definition for the arithmetic circuits is not provided. In addition, the model only considers currents above the fuse’s rated current and therefore causes errors with transient currents or in the AC case.
Horigome’s fuse model [27] is characterized by the minimum current that trips the fuse, the electric resistance and the nominal tripping value I 2 t t . The time–current characteristic consists of two straight lines, which are intended to mimic the adiabatic and the steady-state region of the fuse. This model considers neither the ambient temperature nor dynamic heating situations. It also yields bad results, for example, in the transition region between the adiabatic and steady-state region. But it is a simple approach to roughly reproduce the time–current characteristic.
Samaniego [28] and Plesca [29] present physically accurate fuse models. They consider the exact geometry of a fuse and perform thermal FEM simulations. On this basis the true thermal capacitances and resistances can be considered. To use these models, comprehensive knowledge of the materials and the geometry of the fuse is required. The parameterization of these models is rather time-consuming. The models are therefore unsuitable for a quick simulation of the fuse behavior in the SPICE.
The model presented by Lee et al. [30] is based on a first-order thermal network. In this method an area of interest is defined based on the time–current characteristic, which is marked by a maximum tripping time. With this simple model, the adiabatic region is mainly considered to achieve sufficient results. The network parameters are defined by the minimum tripping current of the area of interest, the melting temperature of the conductor material and the electric resistance of the fuse neck. The neck typically is the thinnest part of the fuse conductor. The electric resistance of the neck is assumed to be constant in this model. In summary, the model is easy to handle and fast in its application. But especially in the steady-state region, it may lead to big errors and therefore is not suitable as a holistic model.
Li [31] and Tian [32] provide energy-based models for the normal operation and arcing mode of a fuse in MATLAB/Simulink. They only consider currents that are higher than the rated current of the fuse. Furthermore, the operating temperature of the fuse is irrelevant in both models, which makes them physically imprecise.
As a conclusion, it must be stated that there is currently no fuse model that can describe the entire tripping characteristic of a fuse with a consistently high level of accuracy and, in particular, there is no known easy-to-use parameterization method that makes it possible to adapt this model on the basis of a specific existing fuse data sheet, without the need for laborious experimental characterization measurements. In addition, the model should offer the possibility of considering thermal conditions in the specific installation situation to ensure the most flexible applicability. All these requirements can only be met with a physically based model approach.
As the models found in the literature are only useful in high short-circuit environments, or require detailed knowledge of the fuse’s internal structure, this paper will introduce a method for the fast and accurate development of black-box models, which are accurate in the expected range of power electronics’ defined DC grids. Section 2 will introduce the necessary electrical and thermal basics needed for the accurate modeling of fuses. Section 3 will showcase the fuse modeling, including a novel correction strategy to account for the resistance increase due to the self-heating of the fuse. This correction strategy allows for a continuously accurate model over a wide time constant range. The modeling approach is verified in Section 4 and compared to an existing fuse model. Section 5 concludes this paper and summarizes the findings. As this paper is intended to allow for the accurate black-box modeling of fuses from data sheets to analyze selectivity in BL-grids, effects like manufacturing tolerances, fatigue or arcing—while still important—are not topics of this paper.

2. Thermal and Electrical Basics

Fuses trip due to the heat generated when the current flows through an electrical conductor. The power dissipation P t h causing the heating can be calculated from the current I and the electrical resistance R e l :
P t h = R e l I 2
This equation addresses the DC, AC and unstable cases. The instantaneous power losses in a conductor are always the product of the electrical resistance and the instantaneous squared current. The electrical resistance typically increases with the temperature. Many conductor materials can be adequately described by the linear dependence of the resistance on the temperature:
R e l T = R e l T a 1 + α T T a
The temperature coefficient α is an empirically determined material property. T a is the ambient temperature. The thermal behavior of the fuse is represented in the SPICE model by a thermal network. For this purpose, lumped equivalent elements, i.e., the thermal resistance R t h and the thermal capacitance C t h , are used. In time-differential form, the thermal capacitance C t h is the constant of the proportionality between the thermal power P t h impressed into a volume and the temperature change d T / d t of this volume:
P t h = C t h d T d t
The thermal resistance R t h considers conduction, convection and radiation and describes the relation between a temperature difference Δ T and the resulting heat flow P t h :
R t h = Δ T P t h
The thermal behavior of a system can be simulated in SPICE in close coupling with the electrical behavior by using the basic thermal–electrical analogies, as given in Table 1.
The fundamental analogies between the heat flux P t h and electric current I and between the temperature difference Δ T and the voltage difference U, also emerging from (3) and (4):
P t h = C t h · d T d t I = C e l · d U d t
R t h = T P t h R e l = U I

2.1. Thermal Equivalent Networks

Thermal equivalent networks can be used to describe the static and dynamic thermal behavior of a system. The thermal network typically connects a temperature under investigation—in our case the fuse wire temperature T f w t —with a temperature that can be assumed constant for a simulation, in most cases the ambient temperature T a . A thermal network can be described in the time domain or in the Laplace domain. To describe the time domain, the thermal step response Z t h t is essential, i.e., the temperature response T f w t to an unit step of the heat flux at the network input p t h t =   P t h δ 1 t :
Z t h t = T f w t T a P t h = Δ T f w t P t h
Unfortunately, the rather misleading term “thermal impedance” has become established in the literature for Z t h t . With the help of the step response, the reaction of the system, i.e., the temperature profile at the location under investigation, can easily be calculated for any power loss profile, as described later in Equation (12). Székely gives a good idea on how to deduct thermal step responses for a given system [34]. However, in this paper the parameterization will fully focus on the deduction of the thermal network with the fuse characteristic.
In principle, there is an infinite variety of networks that can describe a given thermal step response with any required accuracy. From this variety, the Foster and the Cauer topology have become the most popular.
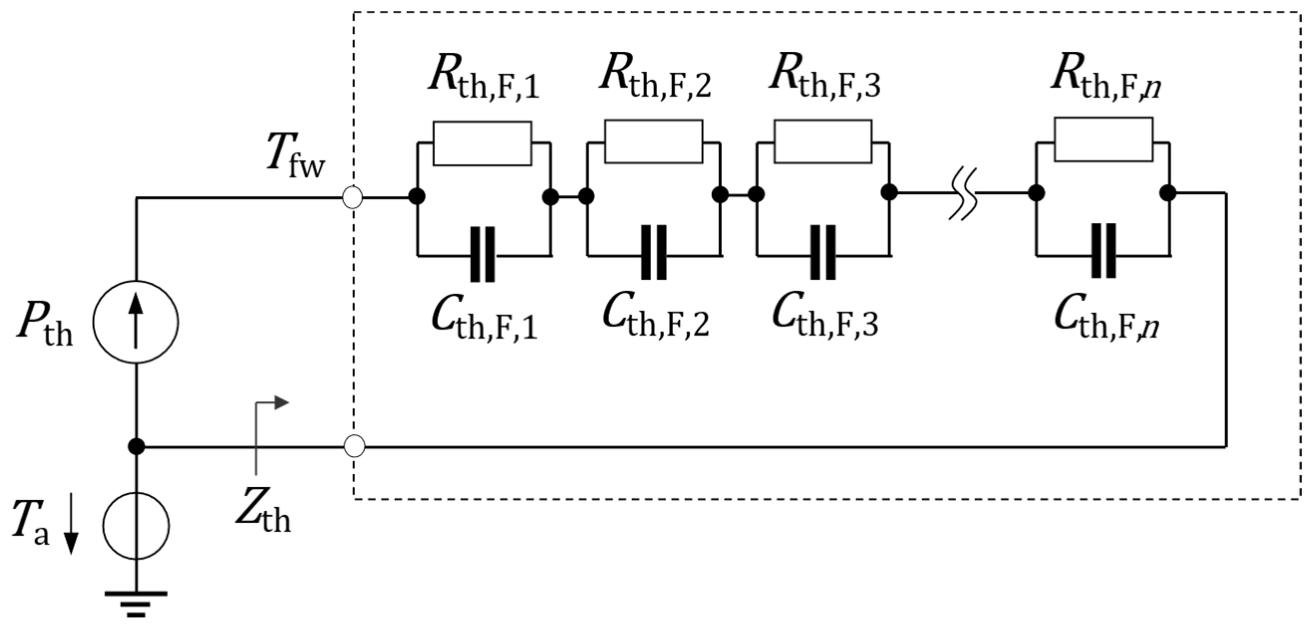
Foster networks are a serial connection of RC elements. The number of elements corresponds to the order n of the network. A general n th-order Foster network is shown in Figure 2; index F specifies the Foster topology. Similarly, index C will indicate Cauer networks.
A Foster network is a one-port network. This means that no changes may be made at the right-hand end of the network without having to reparametrize the entire network. In addition, the temperature of the internal nodes and the heat flow at the end or “exit” have no physical meaning. This is a direct consequence of the lack of a relationship between this network and the real physical structure, which is already evident from the fact that the individual RC terms in the Foster network can be arbitrarily exchanged without changing the step response Z t h .
The advantage of the Foster network is that the step response and thermal impedance can be mathematically described by fairly simple closed-form expressions in both the time and the Laplace domain [33].
Z t h t = i = 1 n R t h , F , i 1 e t R t h , F , i C t h , F , i
The product of R t h , F , i and C t h , F , i is known as the thermal time constant τ t h , F , i of the Foster term i:
τ t h , F , i = R t h , F , i C t h , F , i
The corresponding expression in the Laplace domain is
Z t h s = i = 1 n R t h , F , i 1 + s R t h , F , i C t h , F , i
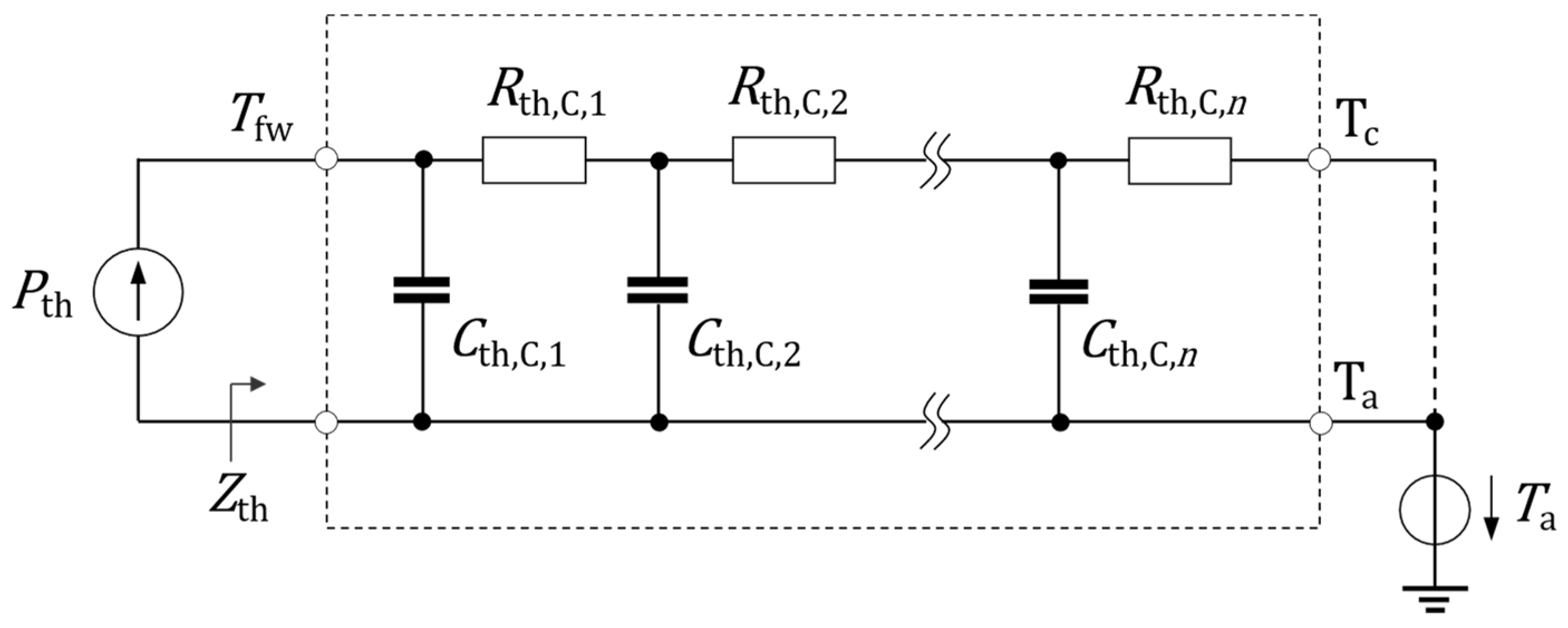
The Cauer network (see Figure 3) is very similar to the line equivalent circuit in electrical engineering and allows for the modeling of heat propagation phenomena even within a system under consideration. The individual elements R t h , C , i and C t h , C , i can be assigned a physical meaning or a sub-volume of the system (e.g., the fuse wire). Accordingly, the individual elements of the equivalent circuit are no longer interchangeable in contrast to the Foster network.
The ability to assign a physical location to individual network nodes allows the right end of the network to be assigned the meaning of a case node, for example. This gives us a two-port circuit and the possibility of the section-by-section parameterization of the equivalent circuit. This is of great importance, since in practical applications it is often necessary to distinguish between the thermal properties of the fuse itself, due to its internal physical structure, and the influence of the external cooling conditions. With the help of the Cauer network, the parameterization of the fuse itself can be completely separated from the thermal description of the system environment. For Foster networks this would be physically incorrect.
The main drawback of the Cauer network is that there is no closed-form mathematical expression for the step response in the time domain. The thermal impedance can only be stated analytically in the Laplace domain [33]:
Z t h s = 1 s C t h , C , 1 + 1 R t h , C , 1 + 1 s C t h , C , 2 + + 1 R t h , C , n
A commonly used approach is therefore to first determine the Foster parameters from the data in the time domain (e.g., from a cooling curve) and then perform a Foster–Cauer transformation. The transformation algorithm will be discussed in detail in Section 3.4.

2.2. Tripping Time Vs. Current Characteristic

The behavior of fuses is typically described in data sheets by the tripping time vs. the current (time–current) characteristics. They are plotted in double logarithmic form. The ordinate indicates the virtual tripping time t t (or virtual pre-arcing time). This is the time span from the start of a current until the fuse melts. Any arcs that remain between the molten electrodes due to inductances in the circuit are not part of the virtual tripping time. The abscissa refers to the corresponding overcurrent. The overcurrent implies that the entire currents in a characteristic exceed the rated current I N and thus trip the fuse. Typically, a time–current characteristic starts at about 20 % above the rated current I N . In the range from the rated current up to 1.2 I N , fuses also trip, but the virtual tripping time t t is disproportionately long and varies greatly with the thermal environment.
Figure 4 shows an exemplary time–current characteristic. For the operating area to the left or below the characteristic, the conductor does not melt, and the fuse is in the so-called normal operation mode. Time–current characteristics can be divided into three regions: the adiabatic, the transition and the steady-state region. In the adiabatic region, the current I is significantly higher than the nominal current I N . Since conduction losses increase with the square of the current, the fuse wire will very rapidly heat up and trip before any appreciable heat transfer away from the wire can take place.
Regarding the Cauer network, this means that the thermal power P t h almost exclusively increases the temperature at the innermost thermal capacitance C t h , C , 1 , while the heat that flows off via the resistances R t h , C , i is negligible.
In the steady-state region, on the other hand, the moderate currents lead to a comparatively moderate power dissipation and long virtual tripping times. In relation to the internal thermal time constants of the fuse, quasi-static conditions prevail. The temperature at the innermost thermal capacitance C t h , C , 1 results in this case from the power P t h , which flows off in a stationary manner via the thermal resistances R t h , C , i towards the case and ambient. Tripping times of several hours can occur in the steady-state region depending on the external cooling conditions.
Time–current characteristics are usually determined at ambient temperature, i.e., at 20   ° C to 25   ° C . This means that at the beginning of the measurement, the fusible conductor is at the ambient temperature and has not been preheated by a sub-nominal preceding current flow. This is particularly important in the adiabatic regime, while becoming less and less relevant as the steady state is approached. The virtual tripping times given in the characteristics are always statistical average values from several characterization measurements. Real fuses may therefore somewhat deviate from the data sheet characteristic due to manufacturing tolerances or fatigue. Stationary operation close to the nominal current, which is generally not recommended by the fuse manufacturer, leads to severe fatigue and can lead to a shift in the time–current characteristic, as will be explained later. The presented SPICE model and the parametrization procedure only consider the data sheet characteristics and the properties of the conductor material. Fatigue exceeds the scope of this paper and is not considered.

3. Electric–Thermal Fuse Model

The basic idea of the proposed SPICE model is to couple the electrical and thermal model of a fuse in a suitable way, while staying as close as possible to the physical conditions in a fuse and keeping the model as simple as possible to minimize both the computing time and convergence problems. Figure 5 shows the corresponding block diagram.
The shaded box describes the boundaries of the fuse model, which comprises four terminals, two electrical terminals and two thermal terminals. The thermal part of the model is parameterized in Celsius or Kelvin. It is important to stay consistent in the temperature unit. For example, if the melting temperature T m of the fuse wire is entered in Celsius, all temperatures must refer to Celsius, and a voltage source at node T a with a value of 20   V would then define an ambient temperature of 20   ° C . Depending on the equivalent circuit connected to the case node T c , different cooling conditions can be modeled. If node T c is connected to T a via a short circuit, as shown in dashed lines in Figure 5, this corresponds to the ideal cooling of the fuse, since T c is then kept at an ambient temperature regardless of the power fed into the Cauer network on the left-hand side. Nevertheless, such a T c node short is adequate for most fuse applications, so that an additional effort to parameterize the system environment can be eliminated. A corresponding thermal equivalent network connected to the T c node may only become necessary in cases where the fuse holder heats up significantly, either through external losses from the system environment or through the fuse itself when operated close to the rated current for a longer period of time—contrary to the general manufacturer’s recommendations [33,35].
Regarding the electrical part of the model, the power dissipation produced by the electric current I f flowing through the fuse wire resistance is calculated and fed as thermal power into the thermal equivalent network via a voltage-controlled current source (G source). Since the calculated power dissipation in the fuse wire resistance is independent of the current direction, it makes no difference—as with a real fuse—how the fuse is installed in a circuit and whether an AC or DC flows. Because of the very high temperature swing at the fuse wire, its electrical resistance is described as a linear function of the wire temperature T f w .
The resulting voltage at capacitance C t h , C , 1 corresponds to the temperature T f w of the fuse wire as described before. A comparator compares this temperature with the melting temperature of the fuse wire and, as soon as the melting temperature is reached, triggers a flip-flop, which in turn actuates the circuit breaker. Since the fuse cools down as soon as the current flow is interrupted, this would cause the fuse to turn on again without the flip-flop as a state memory. Conversely, this means that self-resetting fuses (such as PTCs) can also be modeled quite easily by simply omitting the flip-flop in the presented model. As another interesting option, an arc model can be integrated parallel to the circuit breaker, which allows the transient processes to be described, particularly when the fuse opens against line inductances. The description of the arc model would however go beyond the scope of this article, we therefore refer to a later publication.
Note: The model presented here using the example of fuses can also be parameterized for modeling other components that are limited by thermal effects, such as copper tracks on printed circuit boards (PCBs) or cable wires. By reading out the model parameter T f w , the operating temperature of these components can easily be monitored, which is of course also well below the damage threshold.

3.1. Modeling the Time–Current Characteristic

The tripping behavior depends on several fuse-specific physical parameters, such as the melting temperature T m , the cold resistance R e l T a of the fuse wire and the associated temperature coefficient α , as well as the parameters of the thermal fuse model. Except the Cauer parameters R t h , C , i and C t h , C , i , the necessary values can be taken from the fuse data sheet and from material data collections.
The objective of the thermal network parameterization is that the simulated conductor temperature T f w reaches the melting temperature at the same time as specified in the tripping current vs. time characteristic. Since it is not possible to determine the Cauer parameters directly using an analytical mathematical method, a Foster network is first parameterized and then a Foster–Cauer transformation is carried out.
Using the thermal step response Z t h t , the response of any linear, causal and hysteresis-free system to transient excitation p t h ( t ) can be determined by a simple convolution operation:
T t = T 0 + 0 t p t h ( τ ) Z ˙ t h t τ d τ
If the power loss during a current surge can be assumed to be constant, the power P t h can be written in front of the integral, greatly simplifying this equation. In that case, the temperature rise at a given point in time is directly defined by the thermal step response at that point in time:
Δ T t = T t T 0 = P t h 0 t Z ˙ t h t τ d τ = P t h Z t h t
When using a Foster network, the fuse wire temperature T f w can then be written as a closed-form expression:
Δ T f w t = T f w t T a = P t h i = 1 n R t h , F , i 1 e t R t h , F , i C t h , F , i
However, even if the tripping current is kept constant, the power dissipation becomes a function of the temperature (and time) due to the temperature-dependent electrical fuse resistance:
P t h ( T f w ) = R e l ( T f w ) I 2
To keep the problem of parameterizing the thermal network analytically solvable, a constant resistance equal to the value at the melting temperature T m is assumed in the next steps:
R e l = R e l ( T m )
A strategy for correcting the error introduced by this assumption is described in the following section. Using (14) to (16), the current I f t that will cause the fuse to trip after a given time t t can be written analytically:
I f t ( t t ) = T m T a R e l ( T m ) i = 1 n R t h , F , i 1 e t t R t h , F , i C t h , F , i
Since (17) cannot be solved for the tripping time, the data sheet characteristic has to simply be inverted according to Figure 6.
Now all that remains is to adapt the parameters of the thermal equivalent circuit in such a way that the tripping current I f t t t from (17) best describes the data sheet characteristic I d s t t . The following error function is defined for this:
E R R = k = 1 m I f t ( t t , k ) I d s ( t t , k ) 1 2
Experience has shown that three Foster (and later Cauer) terms are sufficient to describe the thermal properties of the vast majority of fuses very well. In this case, the ERR function comprises six parameters to be determined: three R t h , F , i and three C t h , F , i . The number m of data or sampling points should be greater than 10 and distributed over the entire time scale given in the respective fuse data sheet.
Regardless of the least square algorithm finally used, it is always advantageous to derive initial iteration values from physical boundary conditions as far as possible. In the present case, two constraints for the elements of the thermal equivalent circuit can be derived from the two asymptotes of the fuse characteristic in the steady-state and the adiabatic region.
The rated current I N of the fuse is the asymptote to which the characteristic curve approaches in the steady-state region. This asymptote results from a balance between the power losses caused by the electric current and the heat that can be dissipated thermally. From this follows the total thermal resistance between the fuse wire and the environment:
R t h , t o t = i = 1 n R t h , F , i = i = 1 n R t h , C , i = T m T a I N 2 R e l ( T m )
Assigning one third of this value to each of the three R t h , F , i has proven to be a suitable initial value for a search algorithm.
In the adiabatic region, each characteristic curve approaches an asymptote that is characterized by I 2 t = c o n s t . This means that every increase in the current by one decade leads to a reduction in the tripping time by two decades. This I 2 t value is typically specified in the data sheet for each fuse but can also be read from any point on the tangent in the adiabatic region. Under the assumption of (16) it follows from (3) that
I 2 t = C t h T m T a R e l ( T m )
The thermal capacitance C t h effective in the short-term or adiabatic region corresponds to the first capacitance in the Cauer network ( C t h , C , 1 ) and the series connection of all capacitances in the Foster network. Because the volume of the heated material increases as the heat propagates from the fuse wire, thermal time constants, or heat capacitance values, also increase, typically by a factor of three to five from term to term, with the increasing distance from the heat source. Since the smallest capacitance dominates the value of the effective capacitance in a series connection, the capacitance calculated from (20) can be used as a quite good initial value in the first Foster term with the smallest time constant, i.e.
C t h , F , 1 , i n i t i a l = C t h , C , 1 = I 2 t R e l ( T m ) T m T a
with initial values increased by a factor of three to five for the other two thermal capacitances (e.g., see later in (31)). In the case that the used search algorithm requires six equations for the least square search for six unknowns, it makes sense to formulate the requirement for only positive values for R t h , F , i and C t h , F , i as constraints in addition to (18) and (19). Experience has shown that any least square fit algorithm in tools such as PTC Mathcad® Prime 9.0.0.0 or MathWorks® Matlab 2024a finds the required parameters of the Foster equivalent circuit very reliably with the described set of equations, without a noticeable computing time and with a high accuracy.

3.2. Correction Strategy

As mentioned before, the electrical resistance of the fuse wire had to be assumed to be temperature-independent to keep the problem of parameterizing the thermal network solvable. The entire parameterization was carried out under the assumption that the wire resistance is constant and corresponds to the value at the melting temperature. In the short time region, however, the electrical resistance starts to increase from its significantly lower room temperature value. The real heat generation is therefore lower than assumed in the parameterization of the thermal network, which leads to a slower rise in temperature. Thus, the thermal network would predict tripping times that are too long, especially in the adiabatic region. To quantify the error, we start again with (1) to (3) but now without simplifications:
R e l T a 1 + α T f w T a I 2 = C t h d T f w d t
By rearranging and integrating Equation (22)
t 0 t t d t = T a T m C t h R e l T a 1 + α T f w T a I 2 d T f w
an expression for the tripping time can be derived:
t t = C t h R e l T a I 2 T a T m 1 1 + α T f w T a d T f w
The thermal capacitance and the current are assumed to be independent of the time and the conductor temperature T f w . The start of the current flow t 0 is set to zero, integrating (24) results in the “real” tripping time:
t t , r e a l = C t h R e l T a I 2 l n ( 1 + α T m T a ) α
while the previous assumption of a constant electrical resistance with a value at the melting temperature T m leads to a tripping time that can be derived from (20):
t t , c o n s t m = C t h R e l ( T m ) I 2 T m T a
To obtain a suitable correction factor, the ratio of the two adiabatic tripping times is formed:
k t m = t t , r e a l t t , c o n s t m = R e l ( T m ) R e l ( T a ) l n ( 1 + α T m T a ) α · T m T a
and with (2) it follows that
k t m = t t , r e a l t t , c o n s t m = 1 + α T m T a α T m T a l n ( 1 + α T m T a )
Figure 7 shows this tripping time ratio k t m   as a function of the melting temperature T m . The curve parameter is the temperature coefficient α of the conductor resistance. Copper (Cu) typically has a temperature coefficient α of 3.93 × 10 3   K 1 and a melting temperature of 1080   ° C . Figure 7 shows that the “real” tripping time of a Cu conductor in the adiabatic region is about twice as high as the tripping time when assuming a constantly high electrical resistance value equal to the value at the melting point.
The correction factor k t _ m can be used to compensate for the error caused by the assumption of constant electrical resistance. Since the SPICE model correctly describes the entire temperature dependency of the fuse resistance, the data sheet values for the tripping times in the adiabatic region must be divided by the correction factor before the fit algorithm described in the previous section is used to determine the Foster parameters. A corresponding correction is not necessary in the steady-state region, since there the fuse wire has a quasi-stationary temperature not far from the melting temperature. To avoid the occurrence of possible kinks in the time–current characteristic due to a section-by-section application of the correction factor, an exponential interpolation is recommended:
k t t t = 1 + e t t t t r a n s · k t m 1
Here, t t r a n s is a fuse parameter. It is the tripping time at which the characteristic curve shifts from the steady-state region to the transition region; e.g., in Figure 6  t t r a n s corresponds to 10 s.
The course of the function k t t t in semi-logarithmic scaling is shown in Figure 8. As can be seen, this simple exponential adaptation is very well suited. The tripping times are reduced by the correction factor in the entire adiabatic region as required, in the steady-state region the data remain unchanged and there is a smooth transition in between.

3.3. Application Example

In this section, the parameterization of the fuse model is explained step by step using the example of a 15   A ATOF fuse [36]. The values, which can be taken directly from the data sheet, are a rated current of 15   A , a cold resistance of 4.80   m Ω and an I 2 t value of 340   A 2 s . From the time–current characteristic given in the data sheet, 11 data points were taken, which are marked as circles in Figure 6. The specific numerical values can be found in Table 2. The curve was deliberately not smoothed, and the number of support points was kept quite low to show that the extraction of the thermal parameters also works very well with this. The dashed curve in Figure 6 shows the data after the application of the correction factor defined in (29); the corresponding modified tripping times are also given in Table 2. The least square algorithm is applied to this modified data to determine the six elements of the Foster network.
The fuse conductor material is not explicitly stated in the data sheet, but some manufacturer information indicates tin (Sn)-plated zinc. Under this assumption, the following data can be taken from common material data collections: Tin has a melting temperature of approximately 232   ° C , whereas zinc melts at 420   ° C . These metals are capable of forming an eutectic with a low melting point of 200   ° C , but this eutectic point would require a very high tin content of 90   % by weight. However, even a thin Sn coating lowers the overall melting temperature of zinc due to temperature-driven diffusion processes at the material interface [37]. This lowers the cross-section when heat is applied and thus increases the electrical resistance of the fuse conductor, resulting in earlier tripping. Experimentally, a melting temperature T m of the fuse conductor of 360   ° C was determined using a conventional soldering iron; this result seems to confirm the material assumption. The temperature coefficient α of tin is 4.2 10 3   K 1 . That of zinc is 3.7   10 3   K 1 . For the following exemplary parameterization, an average temperature coefficient of 4 10 3 K 1 is assumed. According to (2), the fuse resistance at the melting temperature is then R e l T m = 11.33   m Ω . The tripping time at which the fuse changes from the adiabatic region to the transition region is assumed to be t t r a n s = 10   s .
The initial value for the smallest thermal capacitance C t h , F , 1 can be calculated using (21):
C t h , F , 1 , i n i t i a l = 340   A 2 s 11.33   m Ω 360 20   K = 11.33 m J K
For the initial values of the other two thermal capacitances the following staggering has proven effective:
C t h , F , 3 , i n i t i a l = 4 C t h , F , 2 , i n i t i a l = 4 4 C t h , F , 1 , i n i t i a l
Regarding the boundary condition for the overall thermal resistance, (19) requires the rated current of the fuse. But even more than in the case under consideration, the data points taken from the data sheet graphic in the steady-state region sometimes deviate significantly from the nominal current of the fuse, especially for high-power fuses. In these cases, the current value should be used in (19), which results from the tangent graphically determined on the data sheet curve.
The total thermal resistance of the fuse can thus be calculated as follows in the case under consideration:
R t h , t o t = 360 20   K 19.5   A 2 11.33   m Ω = 78.93 K W
Since the 15   A ATOF fuse never drops below 19.5   A in the known steady-state region, I N = 19.5   A is used here. Assigning one third of R t h , t o t as the initial value to each of the R t h , F , i , i n i t i a l has proven useful.
Using the described set of data, any least square algorithm can be applied; e.g., the “Minerr” function in Mathcad uses the Levenberg–Marquardt algorithm. It returns the parameters given in Table 3.
Inserting these parameters in (17) results in Figure 9. The accuracy of the least square algorithm in the steady-state region might vary with the data sheet characteristic read. Typically, due to the logarithmic representation of the characteristic, the reading accuracy is highest in the adiabatic region and lowest in the steady-state region. The steady-state tripping time also mainly depends on the environment of the fuse. If the model is primarily intended for use in this area, further testing with the real working conditions may be recommended. The data points from the adiabatic region have a particular influence on the first Cauer element. The measurement points with longer tripping times have an influence on higher-order Cauer elements.
Following are a few more comments on the “steady-state” behavior: Especially in the case of high-current fuses, it can be possible that no asymptote is recognizable in the data sheet characteristics. The power loss of such fuses is often in the two-digit watt range, which, in general, leads to the noticeable heating of the environment. The stationary or long-term behavior is then no longer a pure component property but a property of the component in its specific installation environment. This means that the problem of system delimitation arises in the modeling. For the exact modeling of the fuse itself, its terminals would have to be kept at a fixed temperature during the characterization measurement, or the course of the terminal temperature would have to be measured and considered in the Foster parameter extraction. Unfortunately, the measurement conditions for the specified time–current characteristics can hardly be found in any data sheet.
In this case, it can be advantageous to fit the time–current characteristic with an assumed asymptote (i.e., the value of I N in (19)) as described or to completely omit the boundary condition according to (19) in the least square algorithm. Physically, the assumption of an asymptote slightly above the nominal current corresponds to the assumption of the ideal external cooling of the fuse. The thermal properties of the real system environment and thus the tripping behavior in a specific installation situation can then be modeled using an additional Cauer term that is connected to the T c node of the SPICE model.
The same applies if the data sheet characteristic shows a pronounced S-bow in the steady-state region. The reason is often that high-power fuses can reach a weight in the kilogram range and therefore have a significant thermal mass and thus a considerable larger thermal time constant. In these cases, a fourth Cauer term integrated into the model itself or as an external term at the T c node can make sense, as described above.

3.4. Foster–Cauer Transformation

Once the Foster parameters are derived, a Foster–Cauer transformation is performed to obtain the Cauer parameters for the SPICE model. Mueller [38] provides a transformation algorithm, which is summarized by Schwarz [39] so that it can be used in computational programs. The Foster–Cauer transformation is derived from the impedance formulas in the Laplace domain. For this purpose, (10) is merged into one fraction:
Z t h s = i = 1 n R t h , F , i · j = 1 , j i n 1 + s · τ t h , F , j i = 1 n 1 + s · τ t h , F , i
This can be rewritten in the following form:
Z t h s = a 0 + a 1 s + a 2 s 2 + + a n 1 s n 1 b 0 + b 1 s + b 2 s 2 + + b n 1 s n 1 + b n s n
The auxiliary coefficients a i and b i depend exclusively on the thermal capacitances C t h , F , i and thermal resistances R t h , F , i . Equation (34) is converted in multiple steps to the mathematical structure of the Cauer impedance in the s-domain (see (11)). The first conversion leads to
Z t h s = 1 b n a n 1 s + b n 1 b n a n 2 a n 1 s n 1 + + b 0 a n 1 s n 1 + a n 2 s n 2 + + a 0
A comparison of (11) and (35) gives the transformation formula of the n = 1 thermal capacitance:
C t h , C , 1 = b n a n 1
For clarity, the bulky coefficients are merged to auxiliary coefficients b i :
Z t h s = 1 b n a n 1 s + b n 1 * s n 1 + b n 2 * s n 2 + + b 0 a n 1 s n 1 + a n 2 s n 2 + + a 0
Another conversion step leads to
Z t h s = 1 b n a n 1 s + 1 a n 1 b n 1 * + a n 2 a n 1 b n 1 * b n 2 * s n 2 b n 1 * s n 1 + + b 1 * s + b 0
The comparison of (11) and (38) provides
R t h , C , 1 = a n 1 b n 1 * = a n 1 b n 1 b n a n 2 a n 1
The 2 n formulas for the entire Cauer parameters R t h , C , i and C t h , C , i are derived using the same scheme [25]. To obtain the Cauer parameters for the SPICE model in Figure 5, a third-order Foster network needs to be transformed ( n = 3 ). Thus, the impedance equation in the Foster form,
Z t h s = R t h , F , 1 1 + s τ t h , F , 1 + R t h , F , 2 1 + s τ t h , F , 2 + R t h , F , 3 1 + s τ t h , F , 3 ,
is converted into a third-order Cauer form:
Z t h s = 1 s C t h , C , 1 + 1 R t h , C , 1 + 1 s C t h , C , 2 + 1 R t h , C , 2 + 1 s C t h , C , 3 + 1 R t h , C , 3
First, as in (33), the Foster impedance equation is merged into one fraction:
Z t h s = [ R t h , F , 1 ( 1 + s τ t h , F , 2 ) ( 1 + s τ t h , F , 3 ) + R t h , F , 2 1 + s τ t h , F , 1 1 + s τ t h , F , 3 + R t h , F , 3 ( 1 + s τ t h , F , 1 ) ( 1 + s τ t h , F , 2 ) ]          1 + s τ t h , F , 1 1 + s τ t h , F , 2 1 + s τ t h , F , 3 1
The rearrangement results in
Z t h s = a 2 s 2 + a 1 s + a 0 b 3 s 3 + b 2 s 2 + b 1 s + b 0
Here, the following formulas for the coefficients apply:
a 0 = R t h , F , 1 + R t h , F , 2 + R t h , F , 3 a 1 = R t h , F , 1 τ t h , F , 2 + τ t h , F , 3 + R t h , F , 2 τ t h , F , 1 + τ t h , F , 3 + R t h , F , 3 τ t h , F , 1 + τ t h , F , 2 a 2 = τ t h , F , 2 τ t h , F , 3 R t h , F , 1 + τ t h , F , 1 τ t h , F , 3 R t h , F , 2 + τ t h , F , 1 τ t h , F , 2 R t h , F , 3 b 0 = 1 b 1 = τ t h , F , 1 + τ t h , F , 2 + τ t h , F , 3 b 2 = τ t h , F , 1 τ t h , F , 2 + τ t h , F , 1 τ t h , F , 3 + τ t h , F , 2 τ t h , F , 3 b 3 = τ t h , F , 1 τ t h , F , 2 τ t h , F , 3
Similarly to (37), auxiliary coefficients are used for the third-order transformation for clarity:
a 0 * = a 0 a 2 2 b 2 a 2 b 3 a 1 a 1 * = a 1 a 2 2 b 1 b 3 a 0 a 2 b 2 a 2 b 3 a 1 b 1 * = b 1 b 3 a 0 a 2 b 2 * = b 2 b 3 a 1 a 2
The final formulas for the summarized Cauer parameters are
R t h , C , 1 = a 2 b 2 b 3 a 1 a 2 C t h , C , 1 = b 3 a 2
R t h , C , 2 = a 1 * b 1 * b 2 * a 0 * a 1 * C t h , C , 2 = b 2 * a 1 *
R t h , C , 3 = a 0 a 1 b 1 b 2 a 0 a 1        C t h , C , 3 = b 1 b 2 a 0 a 1 a 0 a 1 b 1 b 2 a 0 a 1
The situation that occurs in the specific case of the 15 A ATOF fuse, where two terms with almost the same thermal time constant result from the extraction of the Foster parameters (see Table 3), is an indicator that a two-part thermal equivalent circuit diagram would be sufficient to describe the present data sheet characteristic. When converted to a Cauer network, this leads to a term with negligible effects (extremely small R t h or C t h value); the corresponding values are set to zero in Table 4. When converting to SPICE, the corresponding Cauer element would either have to be removed or the values of the third element would be replaced by very small “dummy values” to avoid numerical problems (see Figure 10). The following Cauer parameter result for the 15 A ATOF fuse is considered as an example:

4. Model Implementation in SPICE and Verification

The model is validated with the program LTspice. This is a graphical SPICE application with a large toolbox containing a wide variety of components. Figure 10 shows the fuse model (dashed box). In this case, the model is embedded in a simple circuit consisting of an ideal voltage source and a load resistor. For the voltage-controlled switch S1, which serves as comparator between the fuse conductor temperature T f w and the melting temperature T m , a behavioral table is provided: If T f w < T m , the switch is closed. As soon as T f w > T m , the switch opens and there is 5 V at the input of the SR-flip-flop. The parameters of the Cauer network are chosen according to Table 4; the ambient temperature, the melting temperature and the temperature coefficient of the electrical resistance are chosen according to the values mentioned above: T a = 20   ° C , T m = 360   ° C , α = 4 10 3   K 1 and R e l ( T a ) = 4.80   m .
LTspice performs a transient simulation. In order to compare the model with the data sheet characteristic, the simulated tripping times for different currents were evaluated and arranged in a plot. The result is shown in Figure 11. The figure shows a very good agreement between the data sheet (red circles) and the LTspice model (blue crosses).
The excellent agreement confirms the trick with the correction factor according to (29), through which the simple extraction of the thermal network parameters becomes possible. The time–current characteristic weighted with the corresponding correction factor and used for the Foster parameter extraction is also shown in Figure 11, only for comparison purposes. For validation purposes, 15   A ATOF fuses were tripped in a test bench at different currents. These measurements are shown as well (green squares).
The parameterization procedure and the SPICE model were tested on different types of fuses (ATOF, glass tube, CNN) with various rated currents ( 3   A , 2.5   A , 15   A , 35   A ). For all fuses tested, the agreement between the simulated and data sheet characteristics was as good as shown in Figure 11. Especially in the adiabatic region, the maximum relative error was consistently below 15 % , and the transition between the adiabatic and the static region, which is typically difficult to map properly, is reproduced very well.
Figure 12 shows a comparison between the previously published SPICE fuse models presented in the introduction and the data sheet characteristic of a 15   A ATOF fuse. It gives a rough overview of how the characteristic curves approximate the data sheet characteristic curve. One can see that Samaniego and the presented model show very good results. However, the Samaniego model requires an FEM analysis and the exact knowledge of the fuse design. A generally valid parameterization procedure for SPICE based on the data sheet has not been published for the Intusoft, Li, Tian, Plesca and Tanaka model. Therefore, they are not included in this figure.
To validate the fuse model, the current curve from the measurement with a 15   A ATOF fuse is impressed into the model via a controlled current source. The result is shown in Figure 13. The simulated tripping time deviates by only 1.5 % from the measured tripping time.
The plot in Figure 14 gives the measured current of 15 A ATOF fuses at different ambient temperatures T a . The ambient temperatures T a were measured with a Type-K thermo-element on the fuse housing. The current measurements were conducted with ambient temperatures at 20 °C, 50 °C, 90 °C and 140 °C. The measured current was used as the input parameter for the SPICE model. As the output parameter of the black-box model, the conductor temperature was considered. The melting temperature of the conductor material is 360°C. The model shows a good agreement in all ambient temperatures. The derivation in the tripping time is never higher than 10%.

5. Conclusions

This article describes a simulation approach for fuses and other protection devices based on a thermal tripping mechanism. Both melting and self-resetting fuses can be simulated. Due to the physically based model approach, quite simple parameterization from the data sheet information as well as a consideration of thermal ambient conditions is possible.
The presented method for extracting the parameters of the thermal network allows us for the first time to consider the non-linear system behavior due to the temperature dependence of the electrical resistance without letting the numerical effort for parameter extraction explode. The model can also be easily applied to devices such as cables or conductor tracks on printed circuit boards to model their overload behavior.

Author Contributions

Conceptualization, M.S. and M.M.; methodology, M.S. and M.M.; software, M.S. and M.M.; validation, M.S. and M.M.; formal analysis, M.S. and M.M.; investigation, M.S. and M.M.; resources, M.S. and M.M.; data curation, M.S.; writing—original draft preparation, M.S.; writing—review and editing, M.M.; visualization, M.S. and M.M.; supervision, M.M.; project administration, M.S.; All authors have read and agreed to the published version of the manuscript.

Funding

This research received no external funding.

Data Availability Statement

Dataset is available on request from the authors.

Conflicts of Interest

The authors declare no conflict of interest.

Correction Statement

This article has been republished with a minor correction to the Data Availability Statement. This change does not affect the scientific content of the article.

References

  1. Stan, A.; Costinas, S.; Ion, G. Overview and Assessment of HVDC Current Applications and Future Trends. Energies 2022, 15, 1193. [Google Scholar] [CrossRef]
  2. Coffey, S.; Timmers, V.; Li, R.; Wu, G.; Egea-Àlvarez, A. Review of MVDC Applications, Technologies, and Future Prospects. Energies 2021, 14, 8294. [Google Scholar] [CrossRef]
  3. Guo, P.; Zhang, X.-Y.; Yuan, Z.; Zhao, Y.; Wang, Y.; Liu, G.; Man, J.; Wang, Y.; Jiang, Z.; Xiang, M.; et al. Low-voltage DC building distribution and utilization system and its implementation in China southern grid. IET Renew. Power Gener. 2023, 18, 558–569. [Google Scholar] [CrossRef]
  4. Noritake, M.; Hirose, K.; Yamasaki, M.; Oosawa, T.; Mikami, H. Evaluation results of power supply to ICT equipment using HVDC distribution system. In Proceedings of the International Conference on Telecommunications Energy (INTELEC), Rome, Italy, 30 September–4 October 2009. [Google Scholar]
  5. Wang, P.; Chen, Y.; Kushima, P.; Elasser, Y.; Liu, M. Chen A 99. 7% Efficient 300 W Hard Disk Drive Storage Server with Multiport Ac-Coupled Differential Power Processing (MAC-DPP) Architecture. In Proceedings of the 2019 IEEE Energy Conversion Congress and Exposition (ECCE), Baltimore, MD, USA, 29 September–3 October 2019; pp. 5124–5131. [Google Scholar]
  6. Jeong, H.; Lee, H.; Liu, Y.-C.; Kim, K.A. Review of Differential Power Processing Converter Techniques for Photovoltaic Applications. IEEE Trans. Energy Convers. 2019, 34, 351–360. [Google Scholar] [CrossRef]
  7. Schwanninger, R.; Friedrich, J.; Lavery, M.; Maerz, M. Investigation of a Decentralized Energy Management System for Undersupplied EV Charging Parks. In Proceedings of the 2024 IEEE Sixth International Conference on DC Microgrids (ICDCM), Columbia, SC, USA, 5–8 August 2024. [Google Scholar]
  8. Schwanninger, R.; Friedrich, J.; Drexler, K.; Lavery, M.; Maerz, M. Introduction of a Self-Stabilizing Decentralized Energy Management System for Undersupplied EV Charging Parks. IEEE Open J. Power Electron. 2025, 6, 660–680. [Google Scholar] [CrossRef]
  9. Vossos, V.; Gerber, D.L.; Gaillet-Tournier, M.; Nordman, B.; Brown, R.; Bernal Heredia, W.; Ghatpande, O.; Saha, A.; Arnold, G.; Frank, S.M. Adoption Pathways for DC Power Distribution in Buildings. Energies 2022, 15, 786. [Google Scholar] [CrossRef]
  10. Baran, M.E.; Mahajan, N.R. DC distribution for industrial systems: Opportunities and challenges. IEEE Trans. Ind. Appl. 2003, 39, 1596–1601. [Google Scholar] [CrossRef]
  11. Gehring, J.; Schwanninger, R.; Drexler, K.; Lorentz, V.; Maerz, M. Selectivity in DC-Microgrids: The Reaction Time Gap. In Proceedings of the 2025 IEEE Seventh International Conference on DC Microgrids (ICDCM), Tallin, Estonia, 4–6 June 2025; IEEE: New York, NY, USA, 2025. [Google Scholar]
  12. Lazzari, R.; Piegari, L. Design and Implementation of LVDC Hybrid Circuit Breaker. IEEE Trans. Power Electron. 2019, 34, 7369–7380. [Google Scholar] [CrossRef]
  13. Shen, Z.J.; Zhou, Y.; Na, R.; Cooper, T.; Ashi, M.A.; Wong, T. A Series-Type Hybrid Circuit Breaker Concept for Ultrafast DC Fault Protection. IEEE Trans. Power Electron. 2022, 37, 6275–6279. [Google Scholar] [CrossRef]
  14. Gehring, J.; Schwanninger, R.; Nowak, A.; Wunder, B.; Lorentz, V.; März, M. Method for Detection and Limitation of Short-Circuit Currents for Semiconductor Circuit Breakers in LVDC Grids Using a Pre-Saturated Inductor. IEEE Open J. Power Electron. 2025, 6, 524–536. [Google Scholar] [CrossRef]
  15. Hu, J.; Stieneker, M.; Joebges, P.; de Doncker, R.W. Intelligent DC-DC Converter Based Substations Enable Breakerless MVDC Grids. In Proceedings of the 2018 IEEE Electronic Power Grid (eGrid), Charleston, SC, USA, 12–14 November 2018; pp. 1–5. [Google Scholar] [CrossRef]
  16. Mencher, R.; Mathé, J.; de Doncker, R.W. Breaker-Less MVDC-Grid with Single-Phase Dual-Active Bridge. In Proceedings of the 2024 IEEE 10th International Power Electronics and Motion Control Conference (IPEMC2024-ECCE Asia), Chengdu, China, 17–20 May 2024; pp. 979–983. [Google Scholar] [CrossRef]
  17. Gehring, J.; Schwanninger, R.; Kaiser, J.; Wunder, B.; März, M. Device Providing DC Short-Circuit Current. In Proceedings of the 2023 IEEE Fifth International Conference on DC Microgrids (ICDCM), Auckland, New Zealand, 15–17 November 2023. [Google Scholar] [CrossRef]
  18. Zettelmeier, J.; Schwanninger, R.; März, M. The Thermal Runaway Phenomenon of Unipolar Power Semiconductors in Cryogenic Power Electronics. IEEE Trans. Power Electron. 2025, 40, 12606–12613. [Google Scholar] [CrossRef]
  19. Soon, J.L.; Lu, D.D.-C. Design of Fuse–MOSFET Pair for Fault-Tolerant DC/DC Converters. IEEE Trans. Power Electron. 2016, 31, 6069–6074. [Google Scholar] [CrossRef]
  20. Li, C.; Zhao, C.; Xu, J.; Ji, Y.; Zhang, F.; An, T. A Pole-to-Pole Short-Circuit Fault Current Calculation Method for DC Grids. IEEE Trans. Power Syst. 2017, 32, 4943–4953. [Google Scholar] [CrossRef]
  21. Liffring, M.E. Simulating Fuse Electrical Characteristics During Faults. Boeing Aerosp. Co. 1987, 2, pp. [Google Scholar] [CrossRef]
  22. Liffring, M.E. Adding intelligence to fuse models for faults. In Proceedings of the 24th Intersociety Energy Conversion Engineering Conference, Washington, DC, USA, 6–11 August 1989; pp. 87–92. [Google Scholar] [CrossRef]
  23. Intusoft Newsletter, Modeling a Fuse, April 1991, 21. Available online: http://www.intusoft.com/newsletters.htm (accessed on 4 June 2025).
  24. Robbins, T. Fuse model for over-current protection simulation of DC distribution systems. In Proceedings of the Intelec 93: 15th International Telecommunications Energy Conference, Paris, France, 27–30 September 1993. [Google Scholar]
  25. Tanaka, T.; Yamasaki, M. Modeling of fuses for melting time and fusing current analysis. In Proceedings of the 2004 10th International Workshop on Computational Electronics (IEEE Cat. No.04EX915), Chicago, IL, USA, 19–23 September 2004; pp. 671–675. [Google Scholar] [CrossRef]
  26. Tanaka, T.; Kawaguchi, H.; Terao, T.; Babasaki, T.; Yamasaki, M. Modeling of Fuses for DC Power Supply Systems Including Arcing Time Analysis. In Proceedings of the IEEE International Telecommunications Conference, Rome, Italy, 30 September–4 October 2007. [Google Scholar] [CrossRef]
  27. Horigome, T. Fuse: Simplified SPICE Behavioral Model. Bee Technologies. 2011. Available online: https://www.bee-tech.info/simple-model-for-spice/fuse-model/ (accessed on 2 June 2025).
  28. Samaniego, B.; Trougnou, L.; Gander, K. Advanced Blowing model for solid state technology fuses applied to schurter’s components. In Proceedings of the ESCIES Space Passive Component Days, Noordwijk, The Netherlands, 24–26 September 2013; Available online: https://escies.org/webdocument/showArticle?id=984 (accessed on 10 June 2025).
  29. Plesca, A. Numerical Analysis of Thermal Behaviour of DC Fuse. Energies 2020, 13, 3736. [Google Scholar] [CrossRef]
  30. Lee, S.-Y.; Son, Y.-K.; Cho, H.-J.; Sul, S.-K.; Kim, S.H.; Kang, N.S.; Park, W.-J. Simplified Thermal Model of Semiconductor Fuse for DC Distribution System. In Proceedings of the 2019 10th International Conference on Power Electronics and ECCE Asia (ICPE 2019—ECCE Asia), Busan, Republic of Korea, 27–30 May 2019; pp. 2641–2646. [Google Scholar] [CrossRef]
  31. Li, D.; Qi, L. Energy based fuse modeling and simulation. In Proceedings of the 2013 IEEE Electric Ship Technologies Symposium (ESTS), Arlington, VA, USA, 22–24 April 2013; pp. 487–492. [Google Scholar] [CrossRef]
  32. Tian, W.; Lei, C.; Zhang, Y.; Li, D.; Fu, R.; Winter, R. Data analysis and optimal specification of fuse model for fault study in power systems. In Proceedings of the 2016 IEEE Power and Energy, Boston, MA, USA, 17–21 July 2016; pp. 1–5. [Google Scholar]
  33. Maerz, M.; Nance, P. Thermal Modeling of Power Electronic Systems; Infineon Technologies AG: Munich, Germany, 2000. [Google Scholar]
  34. Szekely, V.; Rencz, M. Increasing the accuracy of thermal transient measurements. IEEE Trans. Compon. Packag. Manuf. Technol. 2002, 25, 539–546. [Google Scholar] [CrossRef]
  35. Maerz, M. Thermisches Management in der Leistungselektronik. In Lecture Notes, Friedrich-Alexander-Universität Erlangen-Nürnberg; Erlangen-Nürnberg: Erlangen, Germany, 2020. [Google Scholar]
  36. Littelfuse Inc. ATOF Blade Fuses Rated 32V. Littelfuse Inc.: Chicago, IL, USA, 2019; Available online: https://www.littelfuse.com/products/fuses-overcurrent-protection/fuses/automotive-fuses/blade-fuses-shunt/atof (accessed on 12 May 2025).
  37. Beaujean, D.; Jayne, M.; Newberry, P. Determination of m-effect diffusion parameters high breaking capacity fuses. IEE Proc. Sci. Meas. Technol. 1995, 142, 1236–1245. [Google Scholar] [CrossRef]
  38. Mueller, H. Beziehungen zwischen dem praktisch verwendeten und dem physikalisch sinnvollen Waermeersatzschaltbild von Dioden und Thyristoren. Arch. Für Elektrotechnik 1971, 54, 170–176. [Google Scholar] [CrossRef]
  39. Schwarz, J. Thermische Ersatzschaltbilder: Programm zur wechselseitigen Transformation von RC-Partial- und RC-Kettenbruchschaltungen. Elektronik J. 1985, 7, 72–82. [Google Scholar] [CrossRef]
Figure 1. Fuses in a wide variety of designs.
Figure 1. Fuses in a wide variety of designs.
Electricity 06 00047 g001
Figure 2. Foster network of nth order.
Figure 2. Foster network of nth order.
Electricity 06 00047 g002
Figure 3. Cauer network of nth order.
Figure 3. Cauer network of nth order.
Electricity 06 00047 g003
Figure 4. Typical time–current characteristic of a fuse.
Figure 4. Typical time–current characteristic of a fuse.
Electricity 06 00047 g004
Figure 5. Circuit diagram of the fuse model.
Figure 5. Circuit diagram of the fuse model.
Electricity 06 00047 g005
Figure 6. Inversion of the time–current characteristic from t t ( I ) to I ( t t ) . The circles are values taken from the data sheet curve (in red). The dashed curve (in black) results after applying the correction factor, which is described later (Equation (29)).
Figure 6. Inversion of the time–current characteristic from t t ( I ) to I ( t t ) . The circles are values taken from the data sheet curve (in red). The dashed curve (in black) results after applying the correction factor, which is described later (Equation (29)).
Electricity 06 00047 g006
Figure 7. The tripping time ratio t t , r e a l / t t , c o n s t _ m as a function of the melting temperature T m . The thick line corresponds to a value of α = 4 × 10 3   K 1 , which is close to the value of various common fuse wire materials.
Figure 7. The tripping time ratio t t , r e a l / t t , c o n s t _ m as a function of the melting temperature T m . The thick line corresponds to a value of α = 4 × 10 3   K 1 , which is close to the value of various common fuse wire materials.
Electricity 06 00047 g007
Figure 8. Time-dependent correction factor k t ( t t ) for two common conductor materials.
Figure 8. Time-dependent correction factor k t ( t t ) for two common conductor materials.
Electricity 06 00047 g008
Figure 9. I ( t t ) time–current characteristic. Circles on dashed line: time–current characteristic points taken from the data sheet weighted with the correction factor (Equation (29)); solid line: calculated tripping current (Equation (17)) based on the values found for the Foster thermal equivalent network (Table 3).
Figure 9. I ( t t ) time–current characteristic. Circles on dashed line: time–current characteristic points taken from the data sheet weighted with the correction factor (Equation (29)); solid line: calculated tripping current (Equation (17)) based on the values found for the Foster thermal equivalent network (Table 3).
Electricity 06 00047 g009
Figure 10. The proposed fuse model implemented in LTspice using the parameters of a 15   A ATOF fuse as an example.
Figure 10. The proposed fuse model implemented in LTspice using the parameters of a 15   A ATOF fuse as an example.
Electricity 06 00047 g010
Figure 11. Comparison of the time–current characteristic of the 15 A ATOF fuse from the data sheet (red circles) with the characteristic of the LTspice model (blue crosses) and with the characteristic to which the Foster network was fitted (black triangles). Furthermore, data points from fuse measurements are shown (green squares).
Figure 11. Comparison of the time–current characteristic of the 15 A ATOF fuse from the data sheet (red circles) with the characteristic of the LTspice model (blue crosses) and with the characteristic to which the Foster network was fitted (black triangles). Furthermore, data points from fuse measurements are shown (green squares).
Electricity 06 00047 g011
Figure 12. Comparison of the introduced fuse models. The plot shows potential time–current characteristics that could result in a 15   A ATOF fuse after good parameterization.
Figure 12. Comparison of the introduced fuse models. The plot shows potential time–current characteristics that could result in a 15   A ATOF fuse after good parameterization.
Electricity 06 00047 g012
Figure 13. Comparison of the fuse model with a measured 15   A ATOF fuse by imprinting the measured current in the model. The respective current curves and the simulated temperature curve are shown.
Figure 13. Comparison of the fuse model with a measured 15   A ATOF fuse by imprinting the measured current in the model. The respective current curves and the simulated temperature curve are shown.
Electricity 06 00047 g013
Figure 14. Validation of the SPICE tripping model with a 15 A ATOF fuse measured at the ambient temperatures T a = [ 20   ° C , 50   ° C , 90   ° C , 140   ° C ] .
Figure 14. Validation of the SPICE tripping model with a 15 A ATOF fuse measured at the ambient temperatures T a = [ 20   ° C , 50   ° C , 90   ° C , 140   ° C ] .
Electricity 06 00047 g014
Table 1. Thermal–electrical analogies [23,33].
Table 1. Thermal–electrical analogies [23,33].
ThermalElectrical
Thermal resistance Rth in KW−1Electrical resistance Rel in VA−1
Thermal capacitance Cth in WsK−1Electrical capacitance Cel in AsV−1
Temperature difference ∆T in KVoltage (difference) U in V
Absolute temperature T in KElectric potential ϕ in V
Heat flux Pth in WElectric current I in A
Table 2. Data points extracted from the time–current characteristic of the 15   A ATOF fuse.
Table 2. Data points extracted from the time–current characteristic of the 15   A ATOF fuse.
CurrentTripping Time ttModified Tripping Time
90 A0.053 s0.036 s
80 A0.065 s0.044 s
50 A0.175 s0.12 s
40 A0.30 s0.20 s
30 A0.63 s0.43 s
25.7 A1.0 s0.69 s
22.3 A3 s2.20 s
20.3 A10 s8.47 s
20 A100 s100 s
19.7 A1000 s1000 s
19.5 A10,000 s10,000 s
Table 3. Foster parameters derived from the data sheet characteristic.
Table 3. Foster parameters derived from the data sheet characteristic.
R t h , F , 1 = 31.54   K / W C t h , F , 1 = 16.83   m J / K τ t h , F , 1 = 0.531   s
R t h , F , 2 = 25.82   K / W C t h , F , 2 = 20.57   m J / K τ t h , F , 2 = 0.531   s
R t h , F , 3 = 19.84   K / W C t h , F , 3 = 319.5   m J / K τ t h , F , 3 = 6.338   s
Table 4. Cauer parameters for the SPICE model.
Table 4. Cauer parameters for the SPICE model.
R t h , C , 1 = 60.59   K / W C t h , C , 1 = 9.00   m J / K
R t h , C , 2 = 16.61   K / W C t h , C , 2 = 371.7   m J / K
R t h , C , 3 = 0   K / W C t h , C , 3 = 0   J / K
Disclaimer/Publisher’s Note: The statements, opinions and data contained in all publications are solely those of the individual author(s) and contributor(s) and not of MDPI and/or the editor(s). MDPI and/or the editor(s) disclaim responsibility for any injury to people or property resulting from any ideas, methods, instructions or products referred to in the content.

Share and Cite

MDPI and ACS Style

Seidenath, M.; Maerz, M. Modeling the Tripping Behavior of Fuses Based on Data Sheet Characteristics and Conductor Material Properties. Electricity 2025, 6, 47. https://doi.org/10.3390/electricity6030047

AMA Style

Seidenath M, Maerz M. Modeling the Tripping Behavior of Fuses Based on Data Sheet Characteristics and Conductor Material Properties. Electricity. 2025; 6(3):47. https://doi.org/10.3390/electricity6030047

Chicago/Turabian Style

Seidenath, Manuel, and Martin Maerz. 2025. "Modeling the Tripping Behavior of Fuses Based on Data Sheet Characteristics and Conductor Material Properties" Electricity 6, no. 3: 47. https://doi.org/10.3390/electricity6030047

APA Style

Seidenath, M., & Maerz, M. (2025). Modeling the Tripping Behavior of Fuses Based on Data Sheet Characteristics and Conductor Material Properties. Electricity, 6(3), 47. https://doi.org/10.3390/electricity6030047

Article Metrics

Back to TopTop