Fault Location on Three-Terminal Transmission Lines Without Utilizing Line Parameters
Abstract
1. Introduction
2. Materials and Methods
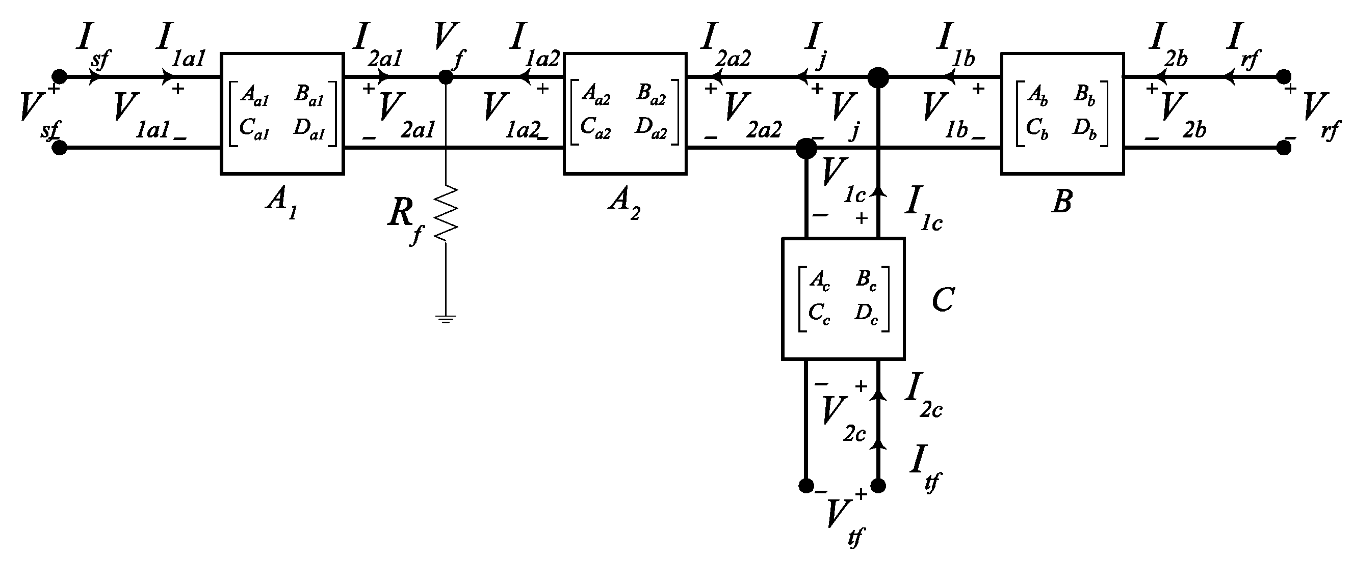
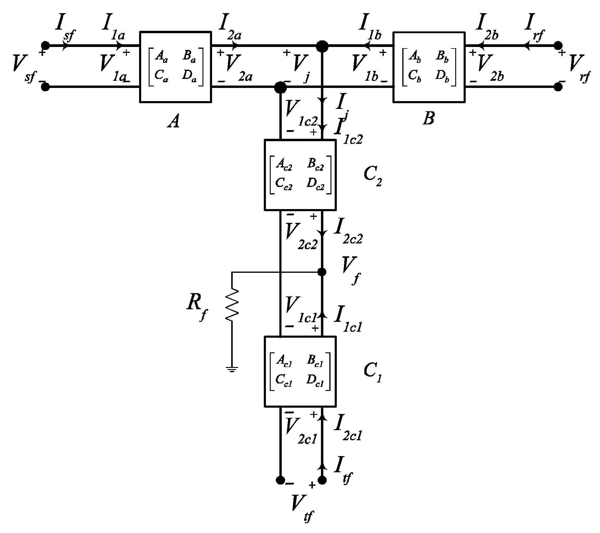
2.1. Three-Terminal Transmission Lines for Two-Port Network
- is the characteristic impedance of the transmission line;
- is the propagation constant of the transmission line.
2.2. Establishment of Equation EQ1
2.3. Establishment of Equation EQ2
2.4. Establishment of Equation EQ3
2.5. Establishment of Equations EQ4
2.6. Establishment of Equations EQ5
2.7. Fault Distance Measurement and Positioning Algorithm
3. Experimental Results
3.1. Simulation Fault Location Methods on Transmission Lines Do Not Use Lines Parameters and Experimental Testing
3.1.1. Simulation Fault Location Methods
3.1.2. Effect of Noise
3.1.3. Effect of One Outage/Maintenance Line Branch
3.1.4. Influence of Current Transformer (CT) Saturation
3.2. Comparison with the Technique
4. Discussion
5. Conclusions
Author Contributions
Funding
Data Availability Statement
Conflicts of Interest
References
- Izykowski, J. “Fault Location on Power Transmission Lines”, Wroclaw. 2008. Available online: https://www.dbc.wroc.pl/dlibra/publication/2583/edition/2599/content (accessed on 7 January 2021).
- Badran, O.; Rizk, M.E.; Abulanwar, S. Comprehensive fault reporting for three-terminal transmission line using adaptive estimation of line parameters. Electr. Power Syst. Res. 2023, 223, 109536. [Google Scholar] [CrossRef]
- Poudineh-Ebrahimi, F.; Ghazizadeh-Ahsaee, M. Accurate fault location algorithm for three-terminal lines without time synchronization considering unknown and different parameters of sections. Electr. Power Syst. Res. 2022, 211, 108057. [Google Scholar] [CrossRef]
- Chafi, Z.S.; Afrakhte, H. Wide area fault location on transmission systems using synchronized/unsynchronized voltage/current measurements. Electr. Power Syst. Res. 2021, 197, 107285. [Google Scholar] [CrossRef]
- Li, C.X.; Liu, G.W.; Yu, C.; Wang, C.; Chen, F.B.; Wan, S.M. A fault location method for high-voltage transmission lines based on traveling wave. J. Electr. Power Sci. Technol. 2023, 38, 80–84. [Google Scholar] [CrossRef]
- Atuchukwu, J.A.; Obinna, O.K.; Ugochukwu, A.E. Location of Fault on Transmission Line using Traveling Wave Technique. Eur. J. Energy Res. 2022, 2736–5506. [Google Scholar] [CrossRef]
- Ding, J.L.; Wang, X.; Zheng, Y.H.; Li, L. Distributed Traveling-Wave-Based Fault-Location Algorithm Embedded in Multiterminal Transmission Lines. IEEE Trans. Power Deliv. 2018, 33, 3045–3054. [Google Scholar] [CrossRef]
- Huang, Y.; Zhang, G.B.; Wang, Q.; Shu, H.C. Faulted traveling waves for transmission lines based on image features. Trans. China Electro Tech. Soc. 2023, 38, 1340–1352. [Google Scholar] [CrossRef]
- Deng, F.; Mei, L.J.; Tang, X.; Xu, F.; Zeng, X.J. Faulty line selection method of distribution network based on time-frequency traveling wave panoramic waveform. Trans. China Electro Tech. Soc. 2021, 36, 2861–2870. [Google Scholar] [CrossRef]
- He, J.H.; Luo, G.M.; Cheng, M.X.; Liu, Y.M.; Tan, Y.J.; Li, M. A research review on application of artificial intelligence in power system fault analysis and location. Proc. CSEE 2020, 40, 5506–5515. [Google Scholar] [CrossRef]
- Zhou, N.C.; Xiao, S.Y.; Yu, Y.S.; Wang, G.Q. Fault location in distribution networks based on centroid frequency and BP neural networks. Trans. China Electro Tech. Soc. 2019, 33, 4155–4166. [Google Scholar] [CrossRef]
- Soham, C.; Satarupa, C.; Aleena, S. A review on various artificial intelligence techniques used for transmission line fault location. In Proceedings of the 2018 3rd International Conference on Inventive Computation Technologies (ICICT), Coimbatore, India, 15–16 November 2018; IEEE Xplore Part Number: CFP18F70-ART. pp. 105–109, ISBN 978-1-5386-4985-5. [Google Scholar]
- Junsoo, C.; Jaedeok, P.; Gihun, P.; Taesik, P. A new fault location identification method for transmission line using machine learning algorithm. In Proceedings of the 2019 3rd International Conference on Smart Grid and Smart Cities (ICSGSC), Berkeley, CA, USA, 25–28 June 2019; pp. 81–84. [Google Scholar] [CrossRef]
- Özdemir, Ö.; Köker, R.; Pamuk, N. Fault Classification and Precise Fault Location Detection in 400 kV High-Voltage Power Transmission Lines Using Machine Learning Algorithms. Processes 2025, 13, 527. [Google Scholar] [CrossRef]
- Abasi, M.; Rohani, A.; Hatami, F.; Joorabian, M.; Gharehpetian, G.B. Fault location determination in three-terminal transmission lines connected to industrial microgrids without requiring fault classification data and independent of line parameters. Int. J. Electr. Power Energy Syst. 2021, 131, 107044. [Google Scholar] [CrossRef]
- Davoudi, M.; Sadeh, J.; Kamyab, E. Transient-Based Fault Location on Three-Terminal and Tapped Transmission Lines Not Requiring Line Parameters. IEEE Trans. Power Deliv. 2018, 33, 179–188. [Google Scholar] [CrossRef]
- Alexander, C.K.; Sadiku, M.N.O. Fundamentals of Electric Circuits; McGraw-Hill: New York, NY, USA, 2009; p. 792. [Google Scholar]
- Zhu, Z.F.; Chen, X.F.; Zhang, Y.C.; Guo, C.; Qiao, D. A new fault location algorithm for T-type Transmission lines based on phase recognition. Conf. Ser. Mater. Sci. Eng. 2018, 339, 012012. [Google Scholar] [CrossRef]
- Lee, Y.J.; Chao, C.H.; Lin, T.C.; Liu, C.W. A Synchrophasor-Based Fault Location Method for Three-Terminal Hybrid Transmission Lines With One Off-Service Line Branch. IEEE Trans. Power Deliv. 2018, 33, 3249–3251. [Google Scholar] [CrossRef]
- Stanbury, M.; Djekic, Z. The Impact of Current-Transformer Saturation on Transformer Differential Protection. IEEE Trans. Power Deliv. 2015, 30, 1278–1287. [Google Scholar] [CrossRef]
- Kang, Y.C.; Lim, U.J.; Kang, S.H. Compensating algorithm suitable for use with measurement-type current transformers for protection. IEEE Proc. Gener. Transm. Distrib. 2006, 152, 880–890. [Google Scholar] [CrossRef]












| Fault Type | Fault Resistance in Ω | Fault Location in km | Percentage Error ei% | |||||
|---|---|---|---|---|---|---|---|---|
| 50 | 75 | 100 | 125 | 150 | 175 | |||
| AG | 50 | 49.993 | 75.011 | 100.016 | 125.018 | 150.001 | 174.980 | −0.010 |
| 100 | 49.996 | 75.019 | 100.025 | 125.029 | 149.999 | 174.962 | −0.019 | |
| 150 | 49.998 | 75.027 | 100.034 | 125.041 | 149.997 | 174.945 | −0.028 | |
| 200 | 49.999 | 75.035 | 100.044 | 125.053 | 149.996 | 174.928 | −0.036 | |
| AB | 50 | 49.999 | 75.005 | 100.007 | 125.009 | 150.003 | 174.995 | 0.004 |
| 100 | 49.998 | 75.008 | 100.010 | 125.012 | 150.001 | 174.988 | −0.006 | |
| 150 | 49.999 | 75.010 | 100.013 | 125.016 | 150.000 | 174.981 | −0.010 | |
| 200 | 50.000 | 75.013 | 100.016 | 125.020 | 149.999 | 174.975 | −0.013 | |
| ABG | 50 | 49.993 | 75.005 | 100.007 | 125.009 | 150.003 | 174.997 | 0.004 |
| 100 | 49.995 | 75.007 | 100.009 | 125.011 | 150.001 | 174.990 | 0.005 | |
| 150 | 49.997 | 75.009 | 100.012 | 125.014 | 150.000 | 174.984 | −0.008 | |
| 200 | 49.999 | 75.012 | 100.015 | 125.018 | 149.999 | 174.978 | −0.011 | |
| ABC | 50 | 49.999 | 75.003 | 100.004 | 125.006 | 150.003 | 175.002 | 0.003 |
| 100 | 49.999 | 75.005 | 100.006 | 125.007 | 150.002 | 174.997 | 0.003 | |
| 150 | 49.999 | 75.006 | 100.007 | 125.009 | 150.001 | 174.994 | 0.004 | |
| 200 | 49.999 | 75.007 | 100.009 | 125.011 | 150.001 | 174.990 | 0.005 | |
| Fault Section | Fault Type | Fault Resistance in Ω | Fault Location in km | Percentage Error ei% | |||||
|---|---|---|---|---|---|---|---|---|---|
| 35 | 45 | 55 | 65 | 75 | 85 | ||||
| TJ | AG | 50 | 35.000 | 45.012 | 55.006 | 65.015 | 74.970 | 84.982 | 0.020 |
| 100 | 35.002 | 45.017 | 54.960 | 64.985 | 74.988 | 84.989 | −0.027 | ||
| 150 | 35.013 | 44.976 | 54.985 | 64.988 | 74.988 | 84.988 | 0.016 | ||
| 200 | 34.971 | 44.985 | 54.986 | 64.987 | 74.986 | 84.986 | −0.019 | ||
| RJ | AG | 50 | 35.014 | 45.030 | 55.011 | 64.987 | 74.982 | 84.983 | 0.030 |
| 100 | 35.031 | 45.011 | 54.987 | 64.962 | 74.986 | 84.988 | −0.038 | ||
| 150 | 35.019 | 44.995 | 54.967 | 64.965 | 74.987 | 84.988 | −0.035 | ||
| 200 | 35.009 | 44.982 | 54.950 | 64.967 | 74.987 | 84.987 | −0.033 | ||
| TJ | AB | 50 | 35.000 | 45.000 | 55.001 | 65.003 | 74.958 | 84.986 | −0.028 |
| 100 | 35.000 | 45.001 | 55.012 | 64.972 | 74.993 | 84.994 | −0.018 | ||
| 150 | 35.000 | 45.013 | 54.983 | 64.991 | 74.993 | 84.993 | −0.012 | ||
| 200 | 35.004 | 44.977 | 54.990 | 64.991 | 74.992 | 84.992 | −0.016 | ||
| RJ | AB | 50 | 35.015 | 45.034 | 55.019 | 65.007 | 74.983 | 84.970 | 0.034 |
| 100 | 35.038 | 45.032 | 55.003 | 64.995 | 74.968 | 84.967 | 0.032 | ||
| 150 | 35.030 | 45.030 | 54.985 | 64.984 | 74.966 | 84.974 | 0.030 | ||
| 200 | 35.023 | 45.031 | 54.967 | 64.975 | 74.985 | 84.969 | 0.031 | ||
| Fault Type | Fault Resistance in Ω | Fault Location in km | Percentage Error ei% | |||||
|---|---|---|---|---|---|---|---|---|
| 50 | 75 | 100 | 125 | 150 | 175 | |||
| AG | 50 | 49.998 | 74.999 | 100.003 | 124.997 | 149.977 | 174.986 | 0.012 |
| 100 | 49.994 | 74.995 | 99.999 | 124.992 | 149.973 | 174.974 | 0.013 | |
| 150 | 49.990 | 74.991 | 99.996 | 124.988 | 149.967 | 174.960 | 0.020 | |
| 200 | 49.987 | 74.987 | 99.994 | 124.983 | 149.961 | 174.946 | 0.027 | |
| AB | 50 | 49.997 | 74.998 | 100.000 | 125.003 | 149.995 | 174.996 | 0.003 |
| 100 | 49.994 | 74.995 | 99.999 | 124.998 | 149.989 | 174.988 | 0.006 | |
| 150 | 49.992 | 74.993 | 99.998 | 124.995 | 149.984 | 174.979 | 0.010 | |
| 200 | 49.990 | 74.991 | 99.997 | 124.992 | 149.979 | 174.970 | 0.015 | |
| Fault Type | Fault Resistance in Ω | Fault Location in km | Percentage Error ei% | |||||
|---|---|---|---|---|---|---|---|---|
| 50 | 75 | 100 | 125 | 150 | 175 | |||
| AG | 50 | 50.001 | 75.002 | 99.997 | 124.996 | 149.992 | 174.988 | 0.012 |
| 100 | 50.014 | 75.003 | 99.994 | 124.989 | 149.975 | 174.966 | 0.017 | |
| 150 | 49.977 | 74.982 | 99.976 | 124.972 | 149.986 | 174.951 | 0.024 | |
| 200 | 49.988 | 74.970 | 100.010 | 125.048 | 150.006 | 175.017 | 0.024 | |
| AB | 50 | 50.018 | 75.009 | 100.010 | 124.994 | 149.989 | 174.984 | 0.009 |
| 100 | 49.975 | 74.987 | 100.001 | 124.959 | 149.977 | 174.987 | 0.020 | |
| 150 | 49.983 | 74.970 | 100.000 | 125.017 | 150.018 | 175.021 | 0.015 | |
| 200 | 49.950 | 74.978 | 100.000 | 125.001 | 150.035 | 175.044 | 0.025 | |
| Fault Type | Fault Resistance in Ω | Fault Location in km | Proposed Method | Reference [18] Method | ||
|---|---|---|---|---|---|---|
| Location | Error % | Location | Error % | |||
| AG | 50 | 50 | 49.993 | 0.003 | 49.865 | 0.067 |
| 100 | 100.016 | −0.008 | 99.905 | 0.047 | ||
| 150 | 150.001 | −0.001 | 149.945 | 0.028 | ||
| 100 | 50 | 49.996 | 0.002 | 49.845 | 0.078 | |
| 100 | 100.025 | −0.013 | 99.875 | 0.063 | ||
| 150 | 149.999 | 0.001 | 149.905 | 0.047 | ||
| 150 | 50 | 49.998 | 0.001 | 49.805 | 0.098 | |
| 100 | 100.034 | −0.017 | 99.865 | 0.068 | ||
| 150 | 149.997 | 0.001 | 149.915 | 0.043 | ||
| ABG | 50 | 50 | 49.993 | 0.003 | 50.075 | −0.038 |
| 100 | 100.007 | −0.004 | 100.115 | −0.057 | ||
| 150 | 150.003 | −0.001 | 150.075 | −0.037 | ||
| 100 | 50 | 49.999 | 0.000 | 49.123 | 0.439 | |
| 100 | 100.009 | −0.005 | 99.865 | 0.068 | ||
| 150 | 150.001 | −0.001 | 149.905 | 0.047 | ||
| 150 | 50 | 49.999 | 0.000 | 49.785 | 0.108 | |
| 100 | 100.012 | −0.006 | 99.895 | 0.053 | ||
| 150 | 150.000 | 0.000 | 149.945 | 0.028 | ||
Disclaimer/Publisher’s Note: The statements, opinions and data contained in all publications are solely those of the individual author(s) and contributor(s) and not of MDPI and/or the editor(s). MDPI and/or the editor(s) disclaim responsibility for any injury to people or property resulting from any ideas, methods, instructions or products referred to in the content. |
© 2025 by the authors. Licensee MDPI, Basel, Switzerland. This article is an open access article distributed under the terms and conditions of the Creative Commons Attribution (CC BY) license (https://creativecommons.org/licenses/by/4.0/).
Share and Cite
Shu, H.; Nguyen, L.M.T.; Nguyen, X.V.; Doan, Q.H. Fault Location on Three-Terminal Transmission Lines Without Utilizing Line Parameters. Electricity 2025, 6, 42. https://doi.org/10.3390/electricity6030042
Shu H, Nguyen LMT, Nguyen XV, Doan QH. Fault Location on Three-Terminal Transmission Lines Without Utilizing Line Parameters. Electricity. 2025; 6(3):42. https://doi.org/10.3390/electricity6030042
Chicago/Turabian StyleShu, Hongchun, Le Minh Tri Nguyen, Xuan Vinh Nguyen, and Quoc Hung Doan. 2025. "Fault Location on Three-Terminal Transmission Lines Without Utilizing Line Parameters" Electricity 6, no. 3: 42. https://doi.org/10.3390/electricity6030042
APA StyleShu, H., Nguyen, L. M. T., Nguyen, X. V., & Doan, Q. H. (2025). Fault Location on Three-Terminal Transmission Lines Without Utilizing Line Parameters. Electricity, 6(3), 42. https://doi.org/10.3390/electricity6030042

