Relay Protection Using Inductive Coils: A Resource-Saving Approach
Abstract
1. Introduction
2. Materials and Methods
3. Experiments with a Switchgear Cell
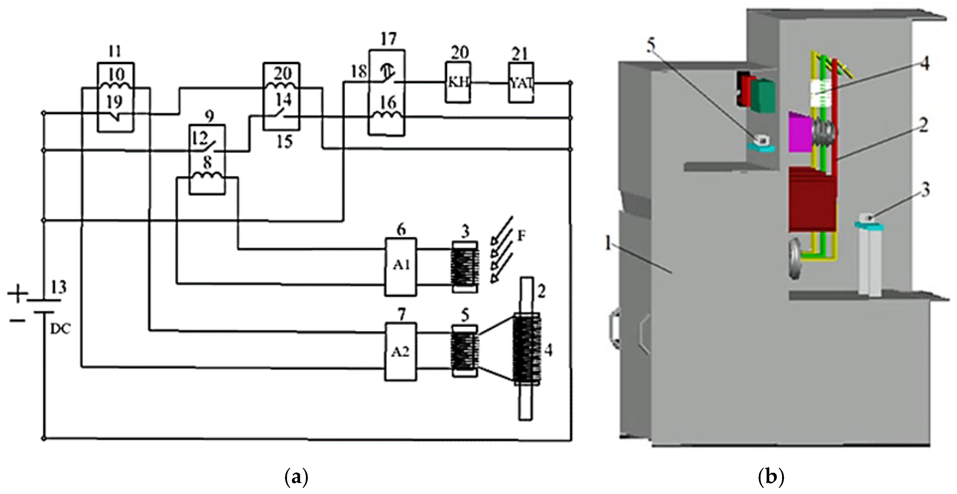
3.1. Experimental Setup
3.2. Experiment: Current Flow Through Three Busbars (Three-Phase Short Circuit)
4. Experimental Results
4.1. Experiment with a Three-Phase Short Circuit in the Cell
- -
- 22, 47 and 68 cm at a distance of 12 cm from the current-carrying busbars;
- -
- 22, 47 and 74 cm at a distance of 18 cm;
- -
- 16, 47 and 74 cm at a distance of 24 cm from busbar 11.
- -
- 1, 23, 45 and 68 cm at a distance of 12 cm;
- -
- 1, 24, 45 and 70 cm at a distance of 18 cm;
- -
- 1, 24, 47 and 64 cm at a distance of 24 cm from busbar 11. respectively.
4.2. Triggering of Current Protection Made on Inductive Coils Against Short Circuit
4.3. Selection of Tripping Settings for Alternative Maximum Current Protection Using Inductive Coils
4.4. Algorithm of Operation of the Current Protection Based on Inductance Coils
5. Patents
5.1. Maximum Current Protection Design with Minimum Voltage Blocking
ACT of Introducing into Production the Results of Scientific Work—A Patent for an Invention
- This invention made it possible to refuse the use of expensive and bulky current and voltage-measuring transformers in terms of weight and dimensional parameters;
- Fully meets the actual issue of relay protection—resource-saving of used materials and represents a completely new approach to the realisation of maximum current protection, performed with the use of inductive coils;
- Has lightened the weight and overall dimensions of the 6–10 kV switchgear cell since traditional current and voltage transformers are not used—in this case, there is also a possibility of complete abandonment of the use of the switchgear cell, where a voltage transformer is usually installed.
5.2. Technical and Economic Justification for the Effectiveness of the Design of Maximum Current Protection with Minimum Voltage Blocking
- -
- Accessories for the inductive coil mounting block: clamp (150 g of plastic, “PLA” type)—KZT 1370;
- -
- As well as the support stand (200 g of plastic “PLA”)—KZT 1826;
- -
- Section 3 × 1.5 mm2, connecting the first voltage amplifier with the first intermediate relay—KZT 216 × 1 m = KZT 216; section 3 × 1.5 mm2, connecting the second voltage amplifier with the second intermediate relay—KZT 216 × 1 m = KZT 216;
- -
- The cost of the current relay, type “KA-40/10”, is KZT 25,000 [14];
- -
- The cost of the first and second intermediate relays, type “KL-25”, is KZT 21,500 × 2 = KZT 43,000 [14];
- -
- The cost of the minimum voltage relay, type “KV-54”, is KZT 21,000 [14];
- -
- The cost of the first and second voltage amplifier is KZT 12,000 × 2 = KZT 24,000 [36];
- -
- -
- The cost of the time relay, type “ST3PR”—KZT 6440; the cost of the minimum voltage relay, type “KV-54”—KZT 21,000;
- -
- The cost of two voltage amplifiers—KZT 24,000; the cost of the indicating relay, type “KH-21”—KZT 13,116. The cost of the used elements of this protection for one phase is KZT 117,696. Let us take into account the cost of protection elements for three phases of the switchgear cell: 3 × KZT 117,696 = KZT 353,088.
- -
- For semiconductor current relays: KZT 664,670;
- -
- For the electromechanical relay: KZT 598,670.
- -
- The first surpasses them due to the fact that it is cheaper than, for example, the microprocessor device “MiCOM P121” by 2.6 times (economic efficiency at n = 1 will be E1 = KZT 80,864 per year). The semiconductor and electromechanical bases are 1.8 and 1.6 times cheaper. The economic effect is E2 = KZT 38,323 and E3 = KZT 30,073 per year, respectively.
6. Conclusions
- -
- Resource-saving protection acts as a discrete analogue and measuring converter, as well as a protective body, providing significant savings in resources, helping to minimise initial material costs and having minimal annual costs for their operation;
- -
- Developing competitiveness, since alternative protection protects the future and reduces the cost of producing it—in particular, electricity produced at power plants and consumed at enterprise substations—increasing labor productivity by reducing the time spent on manufacturing this alternative protection compared to the time spent on traditional protection.
Author Contributions
Funding
Data Availability Statement
Conflicts of Interest
Abbreviations
| magnetic induction induced by the minimum short circuit current | |
| magnetomotive force (MMF) of the inductance coil | |
| cost of operation of the u-thaw protection device per year | |
| operational maximum working current | |
| magnetic field induction produced by minimal short-circuit current | |
| protection operation current | |
| SC | short circuit |
| short-circuit current | |
| minimal SC current | |
| safety factor | |
| self-starting coefficient | |
| inductance coil length | |
| nominal power of the power transformer | |
| nominal voltage of the high-voltage side of the power transformer | |
| magnetic constant, π × 10−7 H/m | |
| sensitivity coefficient | |
| B | magnetic induction |
| Bact | magnetic induction when EMF occurs at the terminals of the inductor coil |
| Bop | induction at which EMF occurs at the terminals of the inductive coil |
| Bpt | protection tripping induction |
| Cn | price of the u-th relay protection device |
| E | electromotive force (EMF) |
| E1 | economic effect |
| F | magnetic flux |
| h | distance from the axis of a current-carrying busbar to the centre of gravity of a reed switch |
| electric current | |
| IC | inductance coil |
| Ii | annual operating costs for the I-th variant for one year of operation |
| Koff | protection offset coefficient |
| Pn | normative coefficient |
| Ui | average damage caused by the unreliability of power supply per year for the i-th variant |
| Un | without taking into account its unreliability the annual average damage in case of repeated recognition of modes of the protective device |
| Zi | present costs for realisation of the I-th variant for one year of operation |
| Zpr | present cost of operation of the proposed device |
References
- Dyakov, A. Electric-power industry in the world in early 21st century (according to the materials of the 39th CIGRE session, Paris). Energ. Zarubezhom 2004, 4–5, 44–45. [Google Scholar]
- Kazansky, V.E. Current Transformers in Relay Protection Circuits; Energiya: Moscow, Russia, 1969; 184p. [Google Scholar]
- Fedoseev, A.M.; Fedoseev, M.A. Relay Protection of Electric Power Systems: Textbook for Universities, 2nd ed.; Energoatomizdat: Moscow, Russia, 1992; Available online: https://www.elec.ru/viewer?url=files/2019/12/04/fedoseev-am-releynaya-zaschita-elektroenergetiches.pdfL (accessed on 10 January 2024).
- Andreev, V. Relay Protection and Automatics of Power Supply Systems, 4th ed.; Higher School: Moscow, Russia, 2008; Available online: https://www.elec.ru/library/nauchnaya-i-tehnicheskaya-literatura/andreev-relejnaya-zashita/ (accessed on 16 February 2024).
- Shneerson, E.M. Digital Relay Protection; Energoatomizdat: Moscow, Russia, 2007; Available online: https://www.elec.ru/library/nauchnaya-i-tehnicheskaya-literatura/cifrovaya-relejnaya-zashita/ (accessed on 15 January 2024).
- Kazansky, V.E. Measuring Current Transducers in Relay Protection; Energoatomizdat: Moscow, Russia, 1988. [Google Scholar]
- Kobus, A.; Tushinsky, J. Hall Sensors and Magnetoresistors/Per. from Polish in and. K.B. Tikhonova, Macidonian; ed. OK. Khomeriki. Moscow: “Energy”. 1971. Available online: https://books.google.kz/books/about/%D0%94%D0%B0%D1%82%D1%87%D0%B8%D0%BA%D0%B8_%D0%A5%D0%BE%D0%BB%D0%BB%D0%B0_%D0%B8_%D0%BC%D0%B0%D0%B3%D0%BD%D0%B8.html?id=chT_AgAAQBAJ&redir_esc=y (accessed on 28 February 2024).
- Kotenko, G.I. Magnetoresistors; Energy: Moscow, Russia, 1972. [Google Scholar]
- Egiazaryan, G.A.; Stafeev, V.I. Magnetodiodes, Magnetotransistors and Their Applications; Radio and Communication: Moscow, Russia, 1987; Available online: https://rusneb.ru/catalog/010003_000061_95d9b22e8ac5758361f9267d39c39f9d/ (accessed on 1 February 2024).
- Kozhovich, L.A.; Bishop, M.T. Modern relay protection with current sensors based on the Rogowski coil. In Modern Trends in the Development of Relay Protection and Automation of Power Systems: Collection of Articles; Scientific and Engineering Information Agency: Moscow, Russia, 2009; pp. 39–48. [Google Scholar]
- Dikovskiy, Y.M.; Kapralov, I.I. Magnetic Contacts; Energy: Moscow, Russia, 1970; 152p. [Google Scholar]
- Karabanov, S.M.; Maisels, R.M.; Shoffa, V.N. Magnetically Operated Contacts (Reed Switches) and Products Based on Them; Publishing House Intellect: Dolgoprudny, Russia, 2011; Available online: https://search.rsl.ru/ru/record/01004905317 (accessed on 7 February 2024).
- Bass, E.I. Automation Protection Relay Coils; Energy: Moscow, Russia, 1974; 80p. [Google Scholar]
- Product Catalog Joint Stock Company “Cheboksarsky Electroapparatny Zavod” Joint Stock Company. Available online: https://shop.cheaz.ru/catalog/163/36699/ (accessed on 12 March 2024).
- Elmitwally, A.; Gouda, E.; Eladawy, S. Optimal allocation of fault current limiters for sustaining overcurrent relays coordination in a power system with distributed generation. Alex. Eng. J. 2015, 54, 1077–1089. [Google Scholar] [CrossRef]
- Issabekov, D.D. Resource-saving protections of power transformers against internal faults. E3S Web Conf. 2023, 434, 35–39. [Google Scholar] [CrossRef]
- Paladhi, S.; Pradhan, A.K. Resilient protection scheme preserving system integrity during stressed condition. IET Gener. Transm. Distrib. 2019, 13, 3188–3194. [Google Scholar] [CrossRef]
- Jain, R.; Lubkeman, D.L.; Lukic, S.M. Faulty Dynamic Adaptive Protection for Distribution Systems in Grid-Connected and Islanded Modes. IEEE Trans. Power Deliv. 2019, 34, 281–289. [Google Scholar] [CrossRef]
- de Andrade Ferreira, R.S.; de Araujo, J.F.; Andrade, F.L.M.; Costa, E.G.; Guerra, F.C.F. Influence of electromagnetic forces in the gaps of a protective CT. IET Sci. Meas. Technol. 2018, 12, 872–877. [Google Scholar] [CrossRef]
- Zhu, K.; Han, W.; Lee, W.K.; Philip, W.; Pong, T. On-Site Non-Invasive Current Monitoring of Multi-Core Underground Power Cables with a Magnetic-Field Sensing Platform at a Substation. IEEE Sens. J. 2017, 17, 1837–1848. [Google Scholar] [CrossRef]
- Chen, Y.; Huang, Q. Arsalan Habib Khawaja, Interference-rejecting current measurement method with tunnel magnetoresistive magnetic sensor array. IET Sci. Meas. Technol. 2018, 12, 733–738. [Google Scholar] [CrossRef]
- Nedoma, J.; Fajkus, M.; Martinek, R. Measurement of electric current using optical fibers: A Review. Prz. Elektrotechniczny 2017, 11, 140–145. [Google Scholar] [CrossRef]
- Tajdinian, M.; Bagheri, A.; Allahbakhshi, M.; Seifi, A.R. Framework for current transformer saturation detection and waveform reconstruction. IET Gener. Transm. Distrib. 2018, 12, 3167–3176. [Google Scholar] [CrossRef]
- Zhou, M.; Centeno, V.; Thorp, J.S.; Phadke, A.G. Calibrating Instrument Transformers with Phasor Measurements. Electr. Power Compon. Syst. 2012, 40, 1605–1620. [Google Scholar] [CrossRef]
- Nascimento, I.M.; Brígida, A.C.S.; Baptista, J.M.; Costa, J.C.W.A.; Martinez, M.A.G.; Jorge, P.A.S. Novel optical current sensor for metering and protection in high power applications. Electr. Power Compon. Syst. 2016, 44, 148–162. [Google Scholar] [CrossRef]
- Gurevich, V. Electric Relays: Principles and Applications; CRC Press Taylor & Francis Group: Boca Raton, FL, USA, 2006; p. 671. [Google Scholar]
- Isabekov, D.D. KZ Patent “Maximum Current Protection Device for Power Lines on Inductive Coils”. № 36630, Bulletin № 9. 2024. Available online: https://gosreestr.kazpatent.kz/Invention/Details?docNumber=365151 (accessed on 12 March 2024).
- Kurash, I.M. Advantages and disadvantages of using microprocessor protections. Bull. Magistracy 2020, 102, 52–54. [Google Scholar]
- Doroshev, K.I. Complete Switchgears 6–35 kV; Energoizdat: Moscow, Russia, 1982; 376p. [Google Scholar]
- Order of the Minister of Energy of the Republic of Kazakhstan. Rules for the Device of Electrical Installations of the Republic of Kazakhstan: Approved by the Ministry of Energy of the Republic of Kazakhstan. № 230. 20 March 2015. Available online: https://adilet.zan.kz/rus/docs/V1500010851 (accessed on 1 February 2024).
- Sverdlovsk Plant of Current Transformers. Available online: https://www.cztt.ru/catalog/transformatory-toka/transformatory-toka-naruzhnoy-ustanovki/opornye1/10-kv-1/tol10iii/ (accessed on 19 February 2024).
- Neklepaev, B.N.; Kryuchkov, I.P. Electrical Part of Power Stations and Substations: Reference Materials for Course and Diploma Design: A Textbook for Universities; Energoatomizdat: Moscow, Russia, 1989; 608p, Available online: https://ofaze.ru/wp-content/uploads/2019/12/neklepaeva-spravochnik.pdf (accessed on 27 January 2024).
- Bessonov, L.A. Theoretical bases of electrical engineering. In Electromagnetic Field; Gardariki: Moscow, Russia, 2001; 317p, Available online: https://www.studmed.ru/bessonov-la-teoreticheskie-osnovy-elektrotehniki_a458f9c7cd9.html (accessed on 20 March 2024).
- Isabekov, D.D. KZ Patent “Maximum Current Protection Design with Minimum Voltage Blocking”. № 36022, Bulletin № 51. 2022. Available online: https://gosreestr.kazpatent.kz/Invention/Details?docNumber=349623 (accessed on 15 May 2024).
- Open Public Association Siberian Plant “Electroshield”. Complete Distribution Device with Voltage 6–10 kV; KRU K-63. Technical information; Open Public Association Siberian Plant “Electroshield”: Novosibirsk, Russia, 2015; Available online: https://sibelz.ru/wp-content/uploads/2019/03/KRU_K-63-tehnicheskaya-informatsiya.pdf (accessed on 2 May 2024).
- Voltage Regulator with Digital Display. Available online: https://satu.kz/p99283690-regulyator-napryazheniya (accessed on 3 May 2024).
- Time Relay ST3PR (RVL-22D) AC220V. Characteristics and Description. Available online: https://satu.kz/p66421479-rele-vremeni-st3pr.html (accessed on 2 May 2024).
- MiCOM P120/P121/P122/P123 Schneider Electric Maximum Current Relay. Available online: https://www.se.com/kz/ru/download/document/P12x_RU_T_G86/ (accessed on 2 May 2024).
- Rogalyov, N.D.; Zubkova, A.D.; Masterova, I.V.; Kurdyukova, G.N.; Bologova, V.V.; Ponamaryova, O.Y. Economics of Power Engineering: Textbook for Universities; MPEI Publishing House: Moscow, Russia, 2005; Available online: https://e.lanbook.com/book/72321 (accessed on 2 May 2024).
- Kuzhekov, S.L.; Okley, P.I.; Nudelman, G.S. Analysis of a Set of Requirements to Relay Protection in Order to Assess Its Efficiency; Electric Power Stations 2: Voronezh, Russia, 2010; pp. 43–48. [Google Scholar]




| № | Component | Quantity |
|---|---|---|
| 1 | Cell | 1 |
| 2 | First wall | 1 |
| 3 | Second wall | 1 |
| 4, 11 | Current-carrying busbars (4) and (11) | 2 |
| 5 | Circuit breaker | 1 |
| 6, 8 | Cable | 2 |
| 7 | Three-phase load transformer | 1 |
| 9 | First current-measuring transformers | 3 |
| 10 | High-voltage switch | 1 |
| 12, 15 | Wires | 2 |
| 13 | Current recorders | 3 |
| 14 | Inductance coils | 3 |
| 16 | EMF recorders | 3 |
| 17 | Plate | 1 |
| 18 | Frame | 1 |
| 19 | Second current-measuring transformers | 2 |
Disclaimer/Publisher’s Note: The statements, opinions and data contained in all publications are solely those of the individual author(s) and contributor(s) and not of MDPI and/or the editor(s). MDPI and/or the editor(s) disclaim responsibility for any injury to people or property resulting from any ideas, methods, instructions or products referred to in the content. |
© 2024 by the authors. Licensee MDPI, Basel, Switzerland. This article is an open access article distributed under the terms and conditions of the Creative Commons Attribution (CC BY) license (https://creativecommons.org/licenses/by/4.0/).
Share and Cite
Markovskiy, V.P.; Issabekov, D.D.; Mel’Nikov, V.Y. Relay Protection Using Inductive Coils: A Resource-Saving Approach. Electricity 2024, 5, 1049-1067. https://doi.org/10.3390/electricity5040053
Markovskiy VP, Issabekov DD, Mel’Nikov VY. Relay Protection Using Inductive Coils: A Resource-Saving Approach. Electricity. 2024; 5(4):1049-1067. https://doi.org/10.3390/electricity5040053
Chicago/Turabian StyleMarkovskiy, Vadim Pavlovich, Dauren Dzhambulovich Issabekov, and Viktor Yuryevich Mel’Nikov. 2024. "Relay Protection Using Inductive Coils: A Resource-Saving Approach" Electricity 5, no. 4: 1049-1067. https://doi.org/10.3390/electricity5040053
APA StyleMarkovskiy, V. P., Issabekov, D. D., & Mel’Nikov, V. Y. (2024). Relay Protection Using Inductive Coils: A Resource-Saving Approach. Electricity, 5(4), 1049-1067. https://doi.org/10.3390/electricity5040053

