Transient Stability-Based Fast Power System Contingency Screening and Ranking
Abstract
1. Introduction
2. The Proposed Contingency Screening and Ranking Method
2.1. The Most Current System Snapshot from the SCADA Data
2.2. Static and Dynamic Parameters from the Database
2.3. Update Power System Models
2.4. Perform Power Flow, Initialize Dynamic System, and Prepare List of Credible Contingencies
2.5. Fast Power System Transient Stability Analysis-Based TSI Evaluations
2.5.1. Differential Transformation Method (DTM)
- (a)
- X(0) = x(0).
- (b)
- y(t) = cx(t) → Y(k) = cX(k).
- (c)
- z(t) = x(t) y(t) → Z(k) = X(k) Y(k).
- (d)
- z(t) = x(t) y(t) →
- (e)
- (f)
- (g)
- dx/dt = (k + 1)X(k + 1) and
- (h)
- (i)
2.5.2. Descriptions of the Proposed Transient Stability Analysis Based TSI Evaluations
- I.
- Determine the maximum of the absolute value of the last coefficient terms of all the variables as in Equation (20):
- II.
- Next, evaluate the new step size hnew by using Equation (21):
2.6. Contingencies Are Ranked and the Worst Contingency Is Identified
3. Case Studies and Results
3.1. Test System, Cases, and Setup
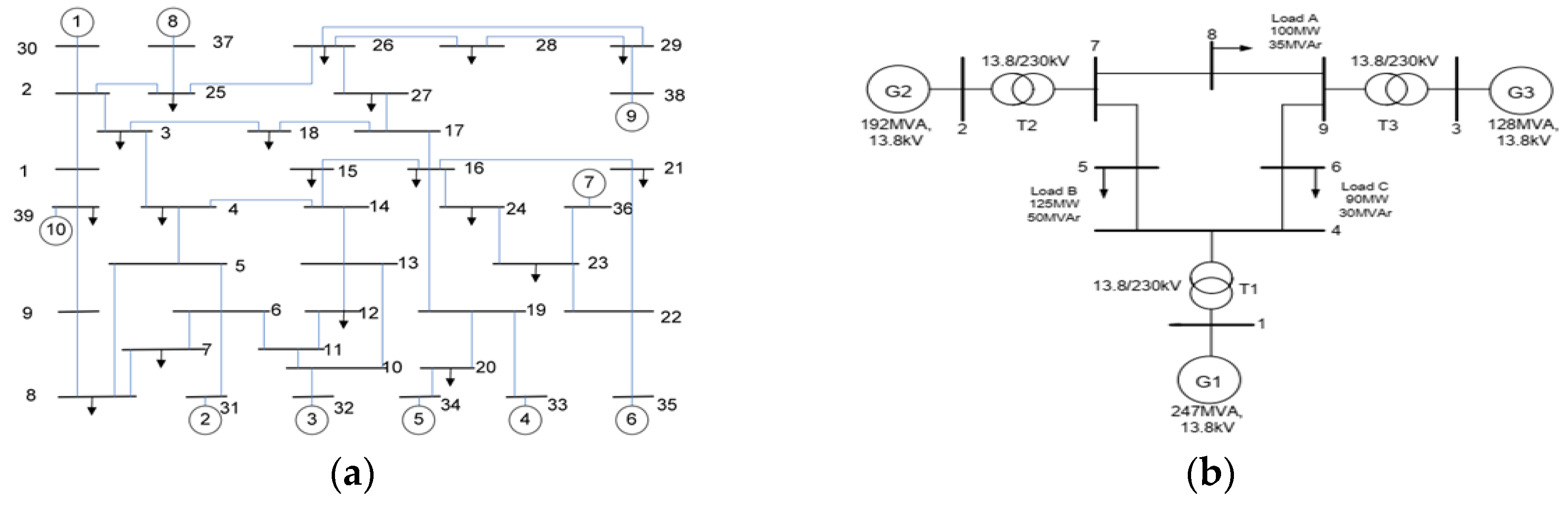
3.1.1. Test System
3.1.2. Test Cases
3.1.3. Test Setup
3.2. Assessment Results and Discussion
3.2.1. Validation of the Accuracy of the Proposed Method
3.2.2. Validation of the Assessment Speed of the Proposed Method
4. Conclusions and Future Work
Author Contributions
Funding
Data Availability Statement
Conflicts of Interest
References
- Edwards, A.R. Detection of Instability in Power Systems Using Connectionism. Ph.D. Thesis, University of Bath, Bath, UK, 1995. [Google Scholar]
- Tomsovic, K.L.; Sauer, P.W. Vijay Vittal, Power System Stability and Control; Taylor and Francis Group: London, UK, 2006. [Google Scholar]
- Alvarez, J.M.G. Critical Contingencies Ranking for Dynamic Security Assessment Using Neural Networks. In Proceedings of the Intelligent System Applications to Power Systems, Curitiba, Brazil, 8–12 November 2009. [Google Scholar]
- Tilman, J.; Weckesser, G. On-line Dynamic Security Assessment in Power Systems. Ph.D. Thesis, Department of Electrical Engineering Centre for Electric Power and Energy (CEE), Technical University of Denmark, Kongens Lyngby, Denmark, 2014. [Google Scholar]
- Bose, A.; Fu, C. Contingency ranking based on severity indices in Dynamic Security Assessment. IEEE Trans. Power Syst. 1999, 14, 980–986. [Google Scholar]
- Grillo, S.; Massucco, S.; Pitto, A.; Silvestro, F. Indices-based Voltage Stability Monitoring of the Italian HV Transmission System. In Proceedings of the Transmission & Distribution Conference and Exposition, New Orleans, LA, USA, 19–22 April 2010. [Google Scholar]
- Kolluri, V.; Mandal, S.; Vaiman, M.Y.; Vaiman, M.M.; Lee, S.; Hirsch, P. Fast Fault Screening Approach to Assessing Transient Stability in Entergy’s Power System. In Proceedings of the 2007 IEEE Power Engineering Society General Meeting, Tampa, FL, USA, 24–28 June 2007. [Google Scholar]
- Oyekanmi, W.A.; Radman, G.; Ajewole, T.O. Transient stability based dynamic security assessment indices. Cogent Eng. 2017, 4, 1295506. [Google Scholar] [CrossRef]
- Pai, M. Energy Function Analysis for Power System Stability; Kluwer Academic Publishers: London, UK, 1989. [Google Scholar]
- Pavella, M.; Ernst, D.; Ruiz-Vega, D. Transient Stability of Power Systems: A Unified Approach to Assessment and Control; Kluwer Academic Publishers: London, UK, 2000. [Google Scholar]
- Voropai, N.I.; Kurbatsky, V.G.; Tomin, N.V.; Panasetsky, D.A. Preventive and emergency control of intelligent power systems. In Proceedings of the 2012 IEEE PES Innovative Smart Grid Technologies (ISGT Europe), Berlin, Germany, 14–17 October 2012. [Google Scholar]
- Fu, C.; Bose, A. Contingency Ranking Based on Severity Indices in Dynamic Security Analysis. IEEE Trans. Power Syst. 1999, 14, 980–985. [Google Scholar] [CrossRef]
- Chadalavada, V.; Vittal, V.; Ejebe, G.C.; Irisarri, G.D.; Tong, J.; Pieper, G.; McMullen, M. An On-Line Contingency Filtering Scheme for Dynamic Security Assessment. IEEE Trans. Power Syst. 1997, 12, 153–161. [Google Scholar] [CrossRef]
- Lee, B.; Kwon, S.H.; Lee, J.; Nam, H.K.; Choo, J.B.; Jeon, D.H. Fast contingency screening for online transient stability monitoring and assessment of the KEPCO system. IEEE Proc. Gener. Transm. Distrib. 2003, 150, 399–404. [Google Scholar] [CrossRef]
- Xue, Y.; Pavella, M. Extended equal-area criterion: An analytical ultrafast method for transient stability assessment and preventive control of power systems. Int. J. Electr. Power Energy Syst. 1989, 11, 131–149. [Google Scholar] [CrossRef]
- Xue, Y.; Huang, T.; Xue, F. Effective and Robust Case Screening for Transient Stability Assessment. In Proceedings of the 2013 IREP Symposium Bulk Power System Dynamics and Control—IX Optimization, Security and Control of the Emerging Power Grid, Rethymno, Greece, 25–30 August 2013; pp. 1–8. [Google Scholar]
- Xue, Y.; Rousseaux, P.; Gao, Z.; Belhomme, R.; Euxible, E.; Heilbronn, B. Dynamic Extended Equal Area Criterion: Part 1. Basic formulation. In Proceedings of the IEEE/NTUA Athens Power Tech Conference, Athens, Greece, 5–8 September 1993; Volume 71, pp. 889–895. [Google Scholar]
- Xue, Y.; Zhang, Y.; Gao, Z.; Rousseaux, P.; Wehenkel, L.; Pavella, M.; Trotignon, M.; Duchamp, A.; Heilbronn, B. Dynamic Extended Equal Area Criterion Part 2. Embedding fast valving and automatic voltage regulation. In Proceedings of the IEEE/NTUA Athens Power Tech Conference, Athens, Greece, 5–8 September 1993; Volume 71, pp. 896–900. [Google Scholar]
- Liu, C.W.; Su, M.C.; Tsay, S.S.; Wang, Y.J. Application of a Novel Fuzzy Neural Network to Real-Time Transient Stability Swings Prediction Based on Synchronized Phasor Measurements. IEEE Trans. Power Syst. 1999, 14, 685–692. [Google Scholar]
- Hashiesh, F.; Mostafa, H.E.; Khatib, A.R.; Helal, I.; Mansour, M.M. An intelligent wide area synchrophasor based system for predicting and mitigating transient instabilities. IEEE Trans. Smart Grid 2012, 3, 645–652. [Google Scholar] [CrossRef]
- Liu, Y.; Sun, K. Solving Power System Differential Algebraic Equations Using Differential Transformation. IEEE Trans. Power Syst. 2019, 35, 2289–2299. [Google Scholar] [CrossRef]
- El-Zahar, E.R. An Adaptive Step-Size Taylor Series Based Method and Application to Nonlinear Biochemical Reaction Model, Trends. Appl. Sci. Res. 2012, 7, 901–912. [Google Scholar]
- El-Zahar, E.R. Applications of Adaptive Multi Step Differential Transform Method to Singular Perturbation Problems Arising in Science and Engineering. Appl. Math. Inf. Sci. 2015, 9, 223–232. [Google Scholar] [CrossRef]
- Kumissa, T.L.; Shewarega, F. Fast Power System Transient Stability Simulation. Energies 2023, 16, 7157. [Google Scholar] [CrossRef]
- Pukhov, E.; Georgii, G. Differential transformation method and circuit theory. Int. J. Circuit Theory Appl. 1982, 10, 265–276. [Google Scholar] [CrossRef]
- Lindi, T.; Shewarega, F. Adaptive order and step-size differential transformation method-based power system transient stability simulation. Aust. J. Electr. Electron. Eng. 2024, 1–14. [Google Scholar] [CrossRef]
- Available online: http://www.esat.kuleuven.be/electa/teaching/matdyn/ (accessed on 26 May 2020).
- The MathWorks Inc. MATLAB (R2017b); The MathWorks Inc.: Natick, MA, USA, 2017. [Google Scholar]
- Zimmerman, R.D.; Murillo-Sánchez, C.E.; Thomas, R.J. MATPOWER: Steady-State Operations, Planning, and Analysis Tools for Power Systems Research and Education. IEEE Trans. Power Syst. 2011, 26, 12–19. [Google Scholar] [CrossRef]














| Cont. Ranked Using TSI Evaluated Based on Numerical Integration Method (Benchmarks) | Cont. Ranked Using TSI Evaluated Based on AsDTM Method | Con. Ranked Using TSI Evaluated Based on DTM Method | |||
|---|---|---|---|---|---|
| Bus No | Rank | Bus No | Rank | Bus No | Rank |
| Bus 22 | 1 | Bus 22 | 1 | Bus 22 | 1 |
| Bus 19 | 2 | Bus 19 | 2 | Bus 19 | 2 |
| Bus 2 | 3 | Bus 2 | 3 | Bus 2 | 3 |
| Bus 25 | 4 | Bus 25 | 4 | Bus 25 | 4 |
| Bus 6 | 5 | Bus 6 | 5 | Bus 6 | 5 |
| Bus 5 | 6 | Bus 5 | 6 | Bus 16 | 6 |
| Bus 16 | 7 | Bus 16 | 7 | Bus 5 | 7 |
| Bus 23 | 8 | Bus 23 | 8 | Bus 23 | 8 |
| Bus 10 | 9 | Bus 10 | 9 | Bus 10 | 9 |
| Bus 17 | 10 | Bus 17 | 10 | Bus 17 | 10 |
| Bus 11 | 11 | Bus 11 | 11 | Bus 15 | 11 |
| Bus 24 | 12 | Bus 24 | 12 | Bus 11 | 12 |
| Bus 15 | 13 | Bus 15 | 13 | Bus 24 | 13 |
| Bus 3 | 14 | Bus 3 | 14 | Bus 3 | 14 |
| Bus 14 | 15 | Bus 18 | 15 | Bus 21 | 15 |
| Bus 18 | 16 | Bus 14 | 16 | Bus 18 | 16 |
| Bus 4 | 17 | Bus 4 | 17 | Bus 14 | 17 |
| Bus 21 | 18 | Bus 21 | 18 | Bus 4 | 18 |
| Bus 13 | 19 | Bus 13 | 19 | Bus 13 | 19 |
| Bus 7 | 20 | Bus 7 | 20 | Bus 27 | 20 |
| Bus 27 | 21 | Bus 27 | 21 | Bus 26 | 21 |
| Bus 8 | 22 | Bus 8 | 22 | Bus 8 | 22 |
| Bus 26 | 23 | Bus 26 | 23 | Bus 1 | 23 |
| Bus 1 | 24 | Bus 1 | 24 | Bus 7 | 24 |
| Bus 9 | 25 | Bus 9 | 25 | Bus 29 | 25 |
| Bus 20 | 26 | Bus 20 | 26 | Bus 28 | 26 |
| Bus 28 | 27 | Bus 28 | 27 | Bus 12 | 27 |
| Bus 29 | 28 | Bus 29 | 28 | Bus 20 | 28 |
| Bus 12 | 29 | Bus 12 | 29 | Bus 9 | 29 |
| Cont. Ranked Using TSI Evaluated Based on Numerical Integration Method (Benchmarks) | Cont. Ranked Using TSI Evaluated Based on AsDTM Method | Con. Ranked Using TSI Evaluated Based on DTM Method | |||
|---|---|---|---|---|---|
| Bus No | Rank | Bus No | Rank | Bus No | Rank |
| Bus 8 | 1 | Bus 8 | 1 | Bus 8 | 1 |
| Bus 4 | 2 | Bus 4 | 2 | Bus 4 | 2 |
| Bus 6 | 3 | Bus 6 | 3 | Bus 6 | 3 |
| Bus 7 | 4 | Bus 7 | 4 | Bus 7 | 4 |
| Bus 9 | 5 | Bus 9 | 5 | Bus 9 | 5 |
| Bus 5 | 6 | Bus 5 | 6 | Bus 5 | 6 |
| Cont. Ranked Using TSI Evaluated Based on Numerical Integration Method (Benchmarks) | Cont. Ranked Using TSI Evaluated Based on AsDTM Method | Con. Ranked Using TSI Evaluated Based on DTM Method | |||
|---|---|---|---|---|---|
| Bus No | Rank | Bus No | Rank | Bus No | Rank |
| Bus 16 | 1 | Bus 16 | 1 | Bus 19 | 1 |
| Bus 19 | 2 | Bus 19 | 2 | Bus 16 | 2 |
| Bus 2 | 3 | Bus 2 | 3 | Bus 22 | 3 |
| Bus 22 | 4 | Bus 22 | 4 | Bus 2 | 4 |
| Bus 10 | 5 | Bus 10 | 5 | Bus 11 | 5 |
| Bus 11 | 6 | Bus 11 | 6 | Bus 10 | 6 |
| Bus 13 | 7 | Bus 13 | 7 | Bus 13 | 7 |
| Bus 25 | 8 | Bus 25 | 8 | Bus 21 | 8 |
| Bus 21 | 9 | Bus 21 | 9 | Bus 25 | 9 |
| Bus 23 | 10 | Bus 23 | 10 | Bus 6 | 10 |
| Bus 6 | 11 | Bus 6 | 11 | Bus 23 | 11 |
| Bus 14 | 12 | Bus 14 | 12 | Bus 14 | 12 |
| Bus 5 | 13 | Bus 5 | 13 | Bus 17 | 13 |
| Bus 17 | 14 | Bus 17 | 14 | Bus 12 | 14 |
| Bus 3 | 15 | Bus 3 | 15 | Bus 3 | 15 |
| Bus 24 | 16 | Bus 24 | 16 | Bus 24 | 16 |
| Bus 15 | 17 | Bus 15 | 17 | Bus 15 | 17 |
| Bus 4 | 18 | Bus 18 | 18 | Bus 18 | 18 |
| Bus 18 | 19 | Bus 4 | 19 | Bus 4 | 19 |
| Bus 7 | 20 | Bus 7 | 20 | Bus 24 | 20 |
| Bus 27 | 21 | Bus 27 | 21 | Bus 27 | 21 |
| Bus 26 | 22 | Bus 26 | 22 | Bus 26 | 22 |
| Bus 8 | 23 | Bus 8 | 23 | Bus 8 | 23 |
| Bus 20 | 24 | Bus 20 | 24 | Bus 20 | 24 |
| Bus 1 | 25 | Bus 1 | 25 | Bus 1 | 25 |
| Bus 29 | 26 | Bus 29 | 26 | Bus 29 | 26 |
| Bus 28 | 27 | Bus 28 | 27 | Bus 28 | 27 |
| Bus 9 | 28 | Bus 9 | 28 | Bus 9 | 28 |
| Bus 12 | 29 | Bus 12 | 29 | Bus 12 | 29 |
| Cont. Ranked Using TSI Evaluated Based on Numerical Integration Method (Benchmarks) | Cont. Ranked Using TSI Evaluated Based on AsDTM Method | Con. Ranked Using TSI Evaluated Based on DTM Method | |||
|---|---|---|---|---|---|
| Bus No | Rank | Bus No | Rank | Bus No | Rank |
| Bus 8 | 1 | Bus 8 | 1 | Bus 8 & Bus 9 | 1 |
| Bus 4 | 2 | Bus 4 | 2 | Bus 7 | 2 |
| Bus 6 | 3 | Bus 6 | 3 | Bus 6 | 3 |
| Bus 7 | 4 | Bus 7 | 4 | Bus 5 | 4 |
| Bus 9 | 5 | Bus 9 | 5 | Bus 4 | 5 |
| Bus 5 | 6 | Bus 5 | 6 | - | 6 |
| Fault Cleared | Accuracy of Contingencies Ranked Using TSI Evaluated Based on AsDTM Method in % | Accuracy of Contingencies Ranked Using TSI Evaluated Based on DTM Method in % | ||
|---|---|---|---|---|
| For 39-Bus Test System | For 9-Bus Test System | For 39-Bus Test System | For 9-Bus Test System | |
| 150 ms | 93 | 100 | 41.38 | 100 |
| 250 ms | 93 | 100 | 44.82 | 16.67 |
| Test System | Fault Cleared After | Assessment Method | Maximum TSI Error | |
|---|---|---|---|---|
| SI | AI | |||
| 9 bus | 150 ms | AsDTM | 0.03145 | 0.02427 |
| DTM | 0.1327 | 0.1327 | ||
| 250 ms | AsDTM | 0.03661 | 0.02842 | |
| DTM | 0.685 | 0.5542 | ||
| 39 bus | 150 ms | AsDTM | 0.0418 | 0.02753 |
| DTM | 0.1664 | 0.1619 | ||
| 250 ms | AsDTM | 0.01701 | 0.01254 | |
| DTM | 0.1098 | 0.1098 | ||
Disclaimer/Publisher’s Note: The statements, opinions and data contained in all publications are solely those of the individual author(s) and contributor(s) and not of MDPI and/or the editor(s). MDPI and/or the editor(s) disclaim responsibility for any injury to people or property resulting from any ideas, methods, instructions or products referred to in the content. |
© 2024 by the authors. Licensee MDPI, Basel, Switzerland. This article is an open access article distributed under the terms and conditions of the Creative Commons Attribution (CC BY) license (https://creativecommons.org/licenses/by/4.0/).
Share and Cite
Kumissa, T.L.; Shewarega, F. Transient Stability-Based Fast Power System Contingency Screening and Ranking. Electricity 2024, 5, 947-971. https://doi.org/10.3390/electricity5040048
Kumissa TL, Shewarega F. Transient Stability-Based Fast Power System Contingency Screening and Ranking. Electricity. 2024; 5(4):947-971. https://doi.org/10.3390/electricity5040048
Chicago/Turabian StyleKumissa, Teshome Lindi, and Fekadu Shewarega. 2024. "Transient Stability-Based Fast Power System Contingency Screening and Ranking" Electricity 5, no. 4: 947-971. https://doi.org/10.3390/electricity5040048
APA StyleKumissa, T. L., & Shewarega, F. (2024). Transient Stability-Based Fast Power System Contingency Screening and Ranking. Electricity, 5(4), 947-971. https://doi.org/10.3390/electricity5040048

