Next Article in Journal
The Mining History of Greece in School Textbooks: The Case of Lignite
Previous Article in Journal
Possibility of Using Wind and Solar Sources for Electric Power Generation on Serbian Opencast Coal Mines
 
 
Font Type:
Arial Georgia Verdana
Font Size:
Aa Aa Aa
Line Spacing:
Column Width:
Background:
Proceeding Paper

H2-Based Processes for Fe and Al Recovery from Bauxite Residue (Red Mud): Comparing the Options †

1
Department of Materials Engineering, KU Leuven, 3000 Leuven, Belgium
2
School of Mineral Resources Engineering, Technical University of Crete, 73100 Chania, Greece
*
Author to whom correspondence should be addressed.
Presented at International Conference on Raw Materials and Circular Economy, Athens, Greece, 5–9 September 2021.
Mater. Proc. 2021, 5(1), 45; https://doi.org/10.3390/materproc2021005045
Published: 1 December 2021
(This article belongs to the Proceedings of International Conference on Raw Materials and Circular Economy)

Abstract

:
To tackle the challenge of bauxite residue (BR), generated during the alumina production, as well as to recover some of its metal content, three combinatory H2-based processes were utilized. Firstly, Greek BR was mixed with NaOH to produce water soluble Na-aluminates and was roasted under pure H2 gas in order to reduce the Fe+3 content. Then the first process combined water leaching and magnetic separation, the second water leaching and melting and the last included wet magnetic separation. The water media resulted in the dissolution of Na-aluminate phases and the production of Al, Na-ion rich leachates. From these, pregnant leaching solutions recovery of Al was 78%, 84% and for the third case it reached 91%. Concerning Na recovery, it could reach 94%. Both melting process and magnetic separation aimed for Fe recovery from the material. The former case however still needs to be optimized, here its concept is introduced. The magnetic fraction, after the dry magnetic separation, varied in Fe content from 31.57 wt.% to 38.50 wt.%, while after the wet magnetic separation it reached 31.85 wt.%.

1. Introduction

Many efforts and researches have been conducted on the valorization of bauxite residue (BR), with the most successful—concerning industrial application—being in clinker production, in road construction and in iron/steel production. However, this does not exceed 3% of its annual production, which is around 150 million tons [1]. With many years of research and hundreds of publications and equal patents, this number is insignificant and an immediate solution should be found. The process that will deal with the BR challenge should engage the main obstacles of its smooth utilization—quality diversity, complex mineralogy and logistics [1,2]—and counter them. Moreover, with technology evolving rapidly a novel process should follow the trends and directions in industry, and be, of course, as eco-friendly as possible. To this direction, lower temperature and less polluting agents should be applied.
The presented combinatory processes attempt to deal with the BR storage capacity while being greener and employing the latest trends in industry, specifically utilizing the capabilities of H2 gas [3,4]. Moreover, recovery of both Al and Fe combined through one process, is more cost-effective [5].
The concept of combining BR with NaOH under roasting was introduced by Borra et al. [6], and proved that a low temperature process—more than 400 °C but less than 900 °C—is enough to create water soluble Na-aluminates and subsequently recover a significant fraction of the Al using water leaching. Our study elaborates on this concept: in combination with H2 gas, which is also effective at lower temperature (<900 °C), both Al and Fe recovery is targeted.

2. Materials and Methods

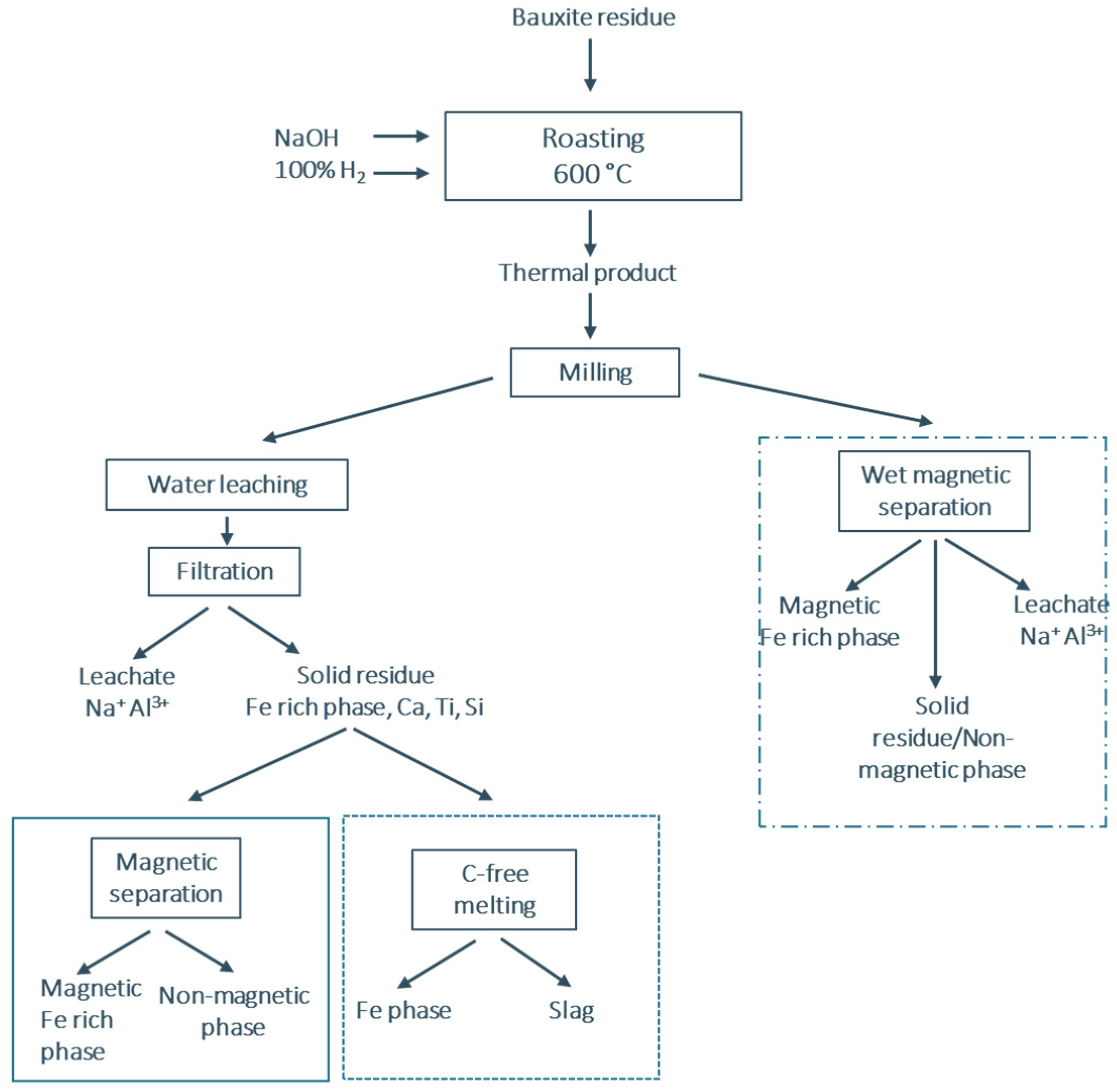
For the experiments Greek BR was provided by Mytilineos S.A., Aluminium of Greece, after it was filter-pressed and dried. It was mixed with a NaOH solution—NaOH pellets of Sigma Aldrich—of 8.75 M in a 100 mL volume stainless steel crucible. The crucible was placed in a box furnace that was initially purged with N2 gas to eliminate the air. Immediately when the target temperature was reached, the gas was switched to pure H2 with a flow of around 30 L/h. The duration of the thermal treatment was two hours at 600 °C.
Subsequently, the thermal product was milled with a mortar and pestle. For the first two processes, it was introduced to water for water leaching at 60 °C for one hour. As a result, an Al and Na ion rich liquid (leachate or pregnant solution) and a Fe rich solid residue arose. The latter was in one case imposed to dry magnetic separation with a NdFeB magnet 2 × 2 × 1 inches, and in another case to melting at 1550 °C for 30 min.
The third process included, after the thermal treatment, a wet magnetic separation to combine the dissolution of the water-soluble aluminates with the recovery of Fe on the magnet. This resulted immediately in three products: the Al, Na ion-rich liquid (leachate or pregnant solution), the Fe-rich phase (on the magnet) and the non-magnetic phase which was recovered during the filtration of the liquid. The processes are presented in Figure 1. For the chemical analysis and the characterization of the individual products in bulk and micro-scale WDXRF and ICP–OES along with powder XRD and SEM-EDS were applied. In particular, a Bruker S8 Tiger equipment was used for the WDXRF, whilst the mineralogical composition (XRD) was determined using a Bruker D2 Focus with Cu-Ka radiation, 10° to 50° diffraction angle and 0.02 step size. For the characterization on a micro-scale, the products were firstly embedded in epoxy resin, grinded with SiC paper up to 4000 grit size and polished with oil-based solution from 1 to 3 μm. Then a Philips XL30 FEG scanning electron microscope was utilized, and for the energy-dispersive X-ray spectroscopy (EDX) analysis an Ametek, EDAX, Apollo SDD 10 mm2 detector was used. A Varian 720 ES axial ICP-OES instrument was used to provide analysis of the liquid products, after they were proper diluted. Moreover, the use of duplicates, blanks and standards provided accuracy and precision. Lastly, for particle size distribution measurements with laser particle analysis a Beckman Coulter LS was used.

3. Results

3.1. Bauxite Residue

The chemical and mineralogical composition of the applied BR are shown in Table 1 and Figure 2. It consists mainly of iron oxide in the form of hematite and Al-bearing phases, for instance cancrinite and hydrogarnet or Al-hydroxides, like diaspore.

3.2. Thermal Treatment (Common for all the Processes)

The major resulting phases of the product after roasting BR and NaOH at 600 °C, under H2 gas, which are illustrated in Figure 3, are: metallic Fe, perovskite (CaTiO3) and sodium aluminum silicate (Na1.95Al1.95Si0.05O4). Moreover, in Table 2 the wt.% composition of this product is presented, and it is useful for comparison with the Al, Na-depleted solid residue.

3.3. Magnetic Separation or Melting of the Resulting Solid Residue (Two Separate Processes)

As it is indicated in Figure 1 the first two processes are differentiated in the treatment of the resulting solid residue. The mineralogical and chemical composition of the latter are shown in Figure 4 and Table 3, respectively. The Al recovery, calculated based on the initial BR composition and ICP-OES measurements, was 78% in one case and 84% in another.
To finalize the first process, the iron-rich solid residue was imposed to a dry magnetic separation with the NdFeB magnet, after it was milled with a mortar and pestle. The particle size analysis revealed a median particle size (D50) equal to 4.9 μm. Specifically, the iron particles have an extended size range and are spread in the matrix of the solid residue, as can be observed in the SEM—BSE image, shown in Figure 5—iron particles correspond to the brightest areas. This is challenging for the magnetic separation and an approach would be the target of a specific particle size of the iron phase, an identical and effective size translates into an efficient separation. Nevertheless, a solid mixture attracted by the magnet was obtained, which in the best case was consistent of 38.5 wt.% Fe.
For the second process, instead of a dry magnetic separation, the solid residue was melted at 1550 °C for half an hour, under Ar gas and pO2 around 10−17 atm. Then it was allowed to cool down in the furnace. This C-free melting process imitates the EAF (electric arc furnace) process, which is utilized in steel production and consumes scrap or sponge iron or both. In this study sponge iron was produced using H2 gas, with the difference that in-between Al (and some of the Na) were obtained. The final product after melting and cooling down can be found in Figure 6. Since the Fe phase was not separated immediately, as normally occurs during melting, the process should be optimized, probably higher temperature will give better results.

3.4. Wet Magnetic Separation (Final Process)

The final process led immediately to an ion-rich leachate and two solids, one magnetic and one non-magnetic fraction. The water leaching conditions were identical to the previous processes—water at 60 °C for one hour—the difference was the magnet placed inside the beaker during the water leaching. The set-up is illustrated in Figure 7. The recovery for Al reached 91%, which is higher than in the previous plain water leaching. Two SEM-BSE images of the solid attracted by the magnet and the solid obtained during the filtration of the leachate are given in Figure 8. It seems that the non-magnetic solid sample still contains some Fe particles (bright areas), based on PXRD and EDS measurements, however they are much smaller in size compared with the ones in the solid attracted by the magnet. A plausible explanation is that bigger Fe particles, or particles consistent of many Fe microparticles, can be attracted easier from the magnet, because the average magnetic susceptibility is higher due to a higher metallic Fe fraction, while the nanoparticles trapped in the non-magnetic matrix result in an overall lower magnetic susceptibility. However, there is still a considerable amount of other phases interfering with the larger Fe particles, as it can be seen from Figure 8b. The Fe content in the magnetic fraction was 31.85 wt.%.

4. Conclusions and Remarks

Three processes for Al and Fe recovery from bauxite residue were described above, after addition of NaOH and thermal treatment under H2 gas at 600 °C. The first process, that included water leaching and dry magnetic separation lead to an iron phase fraction of 38.5 wt.% Fe content. The second process included melting of the solid residue after the water leaching, instead of magnetic separation, and adjustment of the experimental parameters is necessary to achieve the maximum Fe recovery. The third process, simultaneous water leaching and magnetic separation (wet magnetic separation) resulted in a solid of 31.85 wt.% Fe content. The metallic Fe content in each case can be improved, and it was proven that larger particles, for instance more than 40 μm, can be separated more effectively using magnetic separation. Concerning the Al recovery in all cases was high enough, especially during the wet magnetic separation that reached 91% and further investigation is necessary to examine the reason behind this difference. Once the ideal Fe particle size for the maximum liberation is achieved, the wet magnetic separation can be a highly efficient and practical approach to the bauxite residue issue, since during one step both Fe and Al can be recovered, with a low energy consumption and with a relatively ‘green’ process.

Funding

The research leading to these results has received funding from the European Community’s Horizon 2020 Programme (H2020/2014–2019) under Grant Agreement No. 636876 (MSCA-ETN REDMUD). This publication reflects only the author’s view, exempting the Community from any liability. Project website: http://www.etn.redmud.org (accessed on 1 August 2021).

Conflicts of Interest

The authors declare no conflict of interest. The funders had no role in the design of the study; in the collection, analyses, or interpretation of data; in the writing of the manuscript, or in the decision to publish the results.

References

  1. Evans, K. The History, Challenges, and New Developments in the Management and Use of Bauxite Residue. J. Sustain. Met. 2016, 2, 316–331. [Google Scholar] [CrossRef] [Green Version]
  2. Klauber, C.; Gräfe, M.; Power, G. Bauxite residue issues: II. options for residue utilization. Hydrometallurgy 2011, 108, 11–32. [Google Scholar] [CrossRef]
  3. Hydrogen: Fuel of the Future Rachel Chamousis. 2008. Available online: https://www.csustan.edu/sites/default/files/honors/documents/journals/Stirrings/Chamoussis.pdf (accessed on 4 August 2021).
  4. Samouhos, M.; Taxiarchou, M.; Pilatos, G.; Tsakiridis, P.; Devlin, E.; Pissas, M. Controlled reduction of red mud by H2 followed by magnetic separation. Miner. Eng. 2017, 105, 36–43. [Google Scholar] [CrossRef]
  5. Panov, A.; Klimentenok, G.; Podgorodetskiy, G.; Gorbunov, V. Directions for large scale utilization of bauxite residue. In Light Metals 2012; Springer: Cham, Switzerland, 2016; pp. 93–98. [Google Scholar] [CrossRef]
  6. Borra, C.R.; Blanpain, B.; Pontikes, Y.; Binnemans, K.; Van Gerven, T. Recovery of Rare Earths and Major Metals from Bauxite Residue (Red Mud) by Alkali Roasting, Smelting, and Leaching. J. Sustain. Met. 2016, 3, 393–404. [Google Scholar] [CrossRef]
Figure 1. Three H2-based processes for Al and Fe recovery from bauxite residue. Each parallelogram shows a different process.
Figure 1. Three H2-based processes for Al and Fe recovery from bauxite residue. Each parallelogram shows a different process.
Materproc 05 00045 g001
Figure 2. Mineralogical composition of bauxite residue.
Figure 2. Mineralogical composition of bauxite residue.
Materproc 05 00045 g002
Figure 3. PXRD pattern of the thermal product after roasting BR and NaOH at 600 °C, under H2 gas.
Figure 3. PXRD pattern of the thermal product after roasting BR and NaOH at 600 °C, under H2 gas.
Materproc 05 00045 g003
Figure 4. PXRD pattern of the solid residue after water leaching of the thermal product (roasting BR and NaOH at 600 °C, under H2 gas).
Figure 4. PXRD pattern of the solid residue after water leaching of the thermal product (roasting BR and NaOH at 600 °C, under H2 gas).
Materproc 05 00045 g004
Figure 5. SEM—BSE image of the solid residue after water leaching of the thermal product (roasting BR and NaOH at 600 °C, under H2 gas). The bright areas are the Fe rich phase, of which the particles vary in size and are spread in the matrix.
Figure 5. SEM—BSE image of the solid residue after water leaching of the thermal product (roasting BR and NaOH at 600 °C, under H2 gas). The bright areas are the Fe rich phase, of which the particles vary in size and are spread in the matrix.
Materproc 05 00045 g005
Figure 6. Sample after melting and cooling down of the iron rich solid residue (resulted from the water leaching of the initial thermal product) (a) from the furnace and (b) the cross-section after the crucible was cut.
Figure 6. Sample after melting and cooling down of the iron rich solid residue (resulted from the water leaching of the initial thermal product) (a) from the furnace and (b) the cross-section after the crucible was cut.
Materproc 05 00045 g006
Figure 7. Set-up of the wet magnetic separation process: (a) at the beginning of the experiment and (b) during the process (temperature 60 °C).
Figure 7. Set-up of the wet magnetic separation process: (a) at the beginning of the experiment and (b) during the process (temperature 60 °C).
Materproc 05 00045 g007
Figure 8. SEM-BSE image of (a) the non-magnetic phase and (b) the magnetic phase after the wet magnetic separation (simultaneous water leaching and magnetic separation).
Figure 8. SEM-BSE image of (a) the non-magnetic phase and (b) the magnetic phase after the wet magnetic separation (simultaneous water leaching and magnetic separation).
Materproc 05 00045 g008
Table 1. Normalized chemical composition of the Greek bauxite residue (expressed as oxides).
Table 1. Normalized chemical composition of the Greek bauxite residue (expressed as oxides).
Fe2O3Al2O3CaOSiO2TiO2Na2OLoss on Ignition (LOI)
wt.%42.4723.747.968.755.553.649.29
Table 2. Normalized chemical composition of the thermal product after roasting BR and NaOH at 600 °C, under H2 gas (expressed as oxides).
Table 2. Normalized chemical composition of the thermal product after roasting BR and NaOH at 600 °C, under H2 gas (expressed as oxides).
Fe2O3Al2O3CaOSiO2TiO2Na2O
wt.%35.1116.949.396.774.6127.19
Table 3. Normalized chemical composition of the solid residue, after water leaching of the thermal product (roasting BR and NaOH at 600 °C, under H2 gas).
Table 3. Normalized chemical composition of the solid residue, after water leaching of the thermal product (roasting BR and NaOH at 600 °C, under H2 gas).
Fe2O3Al2O3CaOSiO2TiO2Na2O
wt.%52.179.7012.43117.377.33
Publisher’s Note: MDPI stays neutral with regard to jurisdictional claims in published maps and institutional affiliations.

Share and Cite

MDPI and ACS Style

Kapelari, S.; Gamaletsos, P.N.; Van Der Donck, T.; Pontikes, Y.; Blanpain, B. H2-Based Processes for Fe and Al Recovery from Bauxite Residue (Red Mud): Comparing the Options. Mater. Proc. 2021, 5, 45. https://doi.org/10.3390/materproc2021005045

AMA Style

Kapelari S, Gamaletsos PN, Van Der Donck T, Pontikes Y, Blanpain B. H2-Based Processes for Fe and Al Recovery from Bauxite Residue (Red Mud): Comparing the Options. Materials Proceedings. 2021; 5(1):45. https://doi.org/10.3390/materproc2021005045

Chicago/Turabian Style

Kapelari, Stergi, Platon N. Gamaletsos, Tom Van Der Donck, Yiannis Pontikes, and Bart Blanpain. 2021. "H2-Based Processes for Fe and Al Recovery from Bauxite Residue (Red Mud): Comparing the Options" Materials Proceedings 5, no. 1: 45. https://doi.org/10.3390/materproc2021005045

APA Style

Kapelari, S., Gamaletsos, P. N., Van Der Donck, T., Pontikes, Y., & Blanpain, B. (2021). H2-Based Processes for Fe and Al Recovery from Bauxite Residue (Red Mud): Comparing the Options. Materials Proceedings, 5(1), 45. https://doi.org/10.3390/materproc2021005045

Article Metrics

Back to TopTop