Investigation of Rectifier Responses Affecting Operational Bandwidth in an Electromagnetic Vibration Energy Harvester †
Abstract
:1. Introduction
2. Methodology
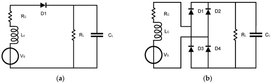
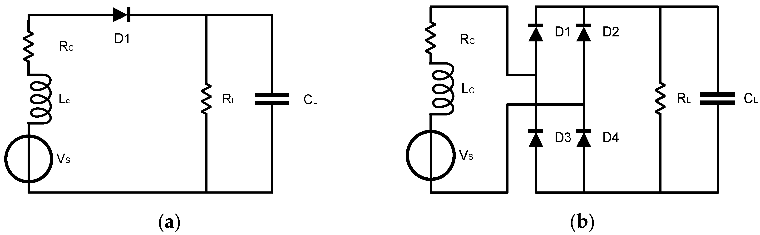
2.1. Governing Equations
2.2. Experimental Setup
3. Results and Analysis
4. Conclusions
Author Contributions
Funding
Institutional Review Board Statement
Informed Consent Statement
Data Availability Statement
Conflicts of Interest
References
- Dziadak, B.; Kucharek, M.; Starzyński, J. Powering the WSN Node for Monitoring Rail Car Parameters, Using a Piezoelectric Energy Harvester. Energies 2022, 15, 1641. [Google Scholar] [CrossRef]
- Wang, S.W.; Ke, Y.W.; Huang, P.C.; Hsieh, P.H. Electromagnetic Energy Harvester Interface Design for Wearable Applications. IEEE Trans. Circuits Syst. II Express Briefs 2018, 65, 667–671. [Google Scholar] [CrossRef]
- Glynne-Jones, P.; Tudor, M.J.; Beeby, S.P.; White, N.M. An Electromagnetic, Vibration-Powered Generator for Intelligent Sensor Systems. Sensors Actuators A Phys. 2004, 110, 344–349. [Google Scholar] [CrossRef]
- Toluwaloju, T.I.; Thein, C.K.; Halim, D.; Yang, J. Dynamic Responses of the 2DOF Electromagnetic Vibration Energy Harvester through Different Electrical Coil Connections. Mech. Syst. Signal Process 2023, 184, 109709. [Google Scholar] [CrossRef]
- Moon, J.; Leeb, S.B. Power Electronic Circuits for Magnetic Energy Harvesters. IEEE Trans. Power Electron. 2015, 31, 270–279. [Google Scholar] [CrossRef]
- Wang, X.; Liang, X.; Wei, H. A Study of Electromagnetic Vibration Energy Harvesters with Different Interface Circuits. Mech. Syst. Signal Process. 2015, 58, 376–398. [Google Scholar] [CrossRef]
- Mitcheson, P.D.; Toh, T.T.; Wong, K.H.; Burrow, S.G.; Holmes, A.S. Tuning the Resonant Frequency and Damping of an Electromagnetic Energy Harvester Using Power Electronics. IEEE Trans. Circuits Syst. II Express Briefs 2011, 58, 792–796. [Google Scholar] [CrossRef]
- Wang, X.; Liang, X.; Hao, Z.; Du, H.; Zhang, N.; Qian, M. Comparison of Electromagnetic and Piezoelectric Vibration Energy Harvesters with Different Interface Circuits. Mech. Syst. Signal Process. 2016, 72–73, 906–924. [Google Scholar] [CrossRef]
- Clare, L.R.; Burrow, S.G. Half-Wave Rectifiers Offer Advantages for Vibration Energy Harvesters. Electron. Lett. 2010, 46, 1623–1624. [Google Scholar] [CrossRef]
- Zhong, R.; Thein, C.K.; Halim, D.; Xu, J. Effect of Multiple Connection Modes of Capacitors on the Response of Vibration Energy Harvester. In Proceedings of the 2023 3rd International Conference on Electrical, Computer, Communications and Mechatronics Engineering (ICECCME), Canary Islands, Spain, 19–21 July 2023; IEEE: Piscataway, NJ, USA, 2023; pp. 1–6. [Google Scholar]



| Descriptions | Parameters |
|---|---|
| Acceleration | 0.1 g |
| Beam length | 77 mm |
| Beam width | 12.7 mm |
| Beam thickness | 1 mm |
| Coil turns | 570 |
| Coil resistance | 7.6 Ω |
| Coil inductance | 4.7 mH |
| Filter capacitor | 470 μF |
| Load Resistance (Ω) | 1N4148 | MBR745 | ||||||
|---|---|---|---|---|---|---|---|---|
| Have-Wave | Full-Bridge | Have-Wave | Full-Bridge | |||||
| Peak Power (mW) | Bandwidth (Hz) | Peak Power (mW) | Bandwidth (Hz) | Peak Power (mW) | Bandwidth (Hz) | Peak Power (mW) | Bandwidth (Hz) | |
| 100 | 2.48 | 0.27 | 1.11 | 0.19 | 3.88 | 0.36 | 2.86 | 0.30 |
| 200 | 3.08 | 0.25 | 1.31 | 0.18 | 4.83 | 0.31 | 3.78 | 0.27 |
| 300 | 3.00 | 0.24 | 1.32 | 0.19 | 4.85 | 0.29 | 3.81 | 0.27 |
| 400 | 2.88 | 0.24 | 1.28 | 0.18 | 4.62 | 0.28 | 3.72 | 0.26 |
| 500 | 2.70 | 0.24 | 1.18 | 0.19 | 4.35 | 0.28 | 3.44 | 0.25 |
| 600 | 2.53 | 0.23 | 1.12 | 0.18 | 4.02 | 0.27 | 3.26 | 0.25 |
| 700 | 2.36 | 0.23 | 1.05 | 0.18 | 3.76 | 0.27 | 3.01 | 0.25 |
| 800 | 2.21 | 0.23 | 0.98 | 0.18 | 3.52 | 0.27 | 2.83 | 0.25 |
Disclaimer/Publisher’s Note: The statements, opinions and data contained in all publications are solely those of the individual author(s) and contributor(s) and not of MDPI and/or the editor(s). MDPI and/or the editor(s) disclaim responsibility for any injury to people or property resulting from any ideas, methods, instructions or products referred to in the content. |
© 2023 by the authors. Licensee MDPI, Basel, Switzerland. This article is an open access article distributed under the terms and conditions of the Creative Commons Attribution (CC BY) license (https://creativecommons.org/licenses/by/4.0/).
Share and Cite
Zhong, R.; Jin, X.; Duan, B.; Thein, C.K. Investigation of Rectifier Responses Affecting Operational Bandwidth in an Electromagnetic Vibration Energy Harvester. Eng. Proc. 2023, 58, 8. https://doi.org/10.3390/ecsa-10-16016
Zhong R, Jin X, Duan B, Thein CK. Investigation of Rectifier Responses Affecting Operational Bandwidth in an Electromagnetic Vibration Energy Harvester. Engineering Proceedings. 2023; 58(1):8. https://doi.org/10.3390/ecsa-10-16016
Chicago/Turabian StyleZhong, Rui, Xueying Jin, Beichen Duan, and Chung Ket Thein. 2023. "Investigation of Rectifier Responses Affecting Operational Bandwidth in an Electromagnetic Vibration Energy Harvester" Engineering Proceedings 58, no. 1: 8. https://doi.org/10.3390/ecsa-10-16016
APA StyleZhong, R., Jin, X., Duan, B., & Thein, C. K. (2023). Investigation of Rectifier Responses Affecting Operational Bandwidth in an Electromagnetic Vibration Energy Harvester. Engineering Proceedings, 58(1), 8. https://doi.org/10.3390/ecsa-10-16016

