Enhanced Safety Logic Solver Utilizing 2oo3 Architecture with Memristor Integration †
Abstract
:1. Introduction
2. Fundamental Theory and Method
2.1. Safety Instrumentation Function
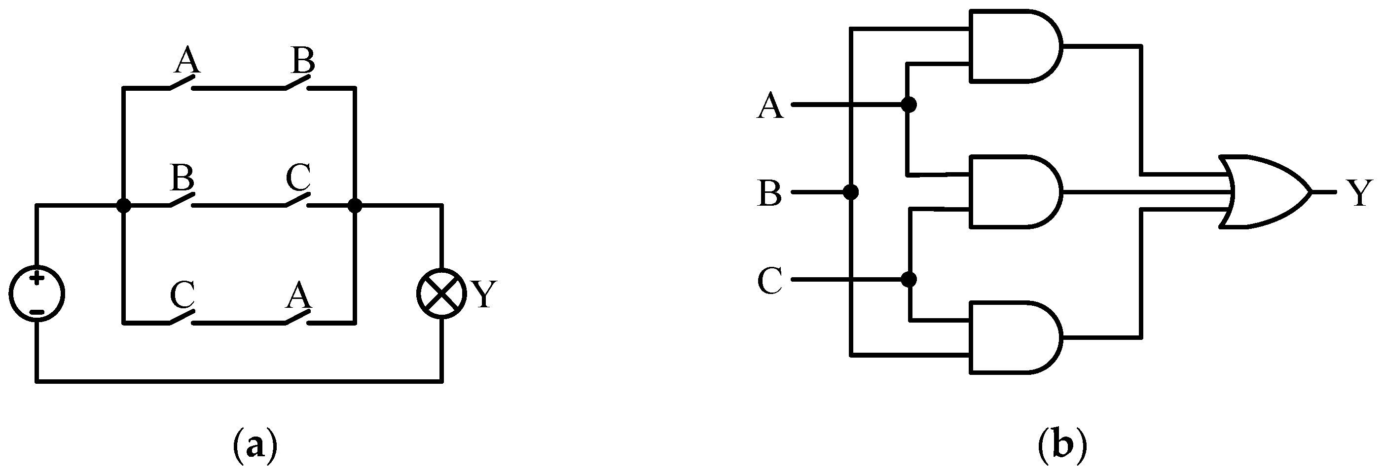
2.2. The 2oo3 Voting
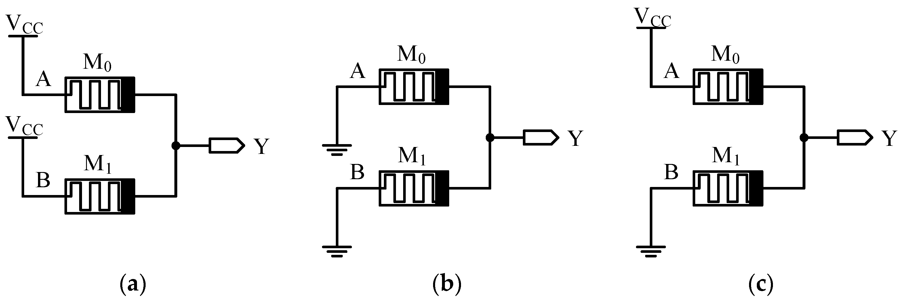
2.3. The Memristor
3. Results and Discussion
3.1. 2oo3 Logic Solver with Memristor
3.2. Reliability Value
4. Conclusions
Author Contributions
Funding
Institutional Review Board Statement
Informed Consent Statement
Data Availability Statement
Acknowledgments
Conflicts of Interest
References
- Deeon, S.; Hirao, Y.; Futsuhara, K. A Fail-safe Counter and its application to Low-speed Detection. Trans. Reliab. Eng. Assoc. Jpn. 2011, 33, 137–146. [Google Scholar]
- Summatta, C.; Deeon, S. Design and Analysis of 2oo3 Static Voter for SMT function in an Adjustable Speed Electrical Power Drive System. J. Telecommun. Electron. Comput. Eng. (JTEC) 2019, 11, 1–6. [Google Scholar]
- Summatta, C.; Khamsen, W.; Pilikeaw, A.; Deeon, S. Design and Analysis of 2-out-of-3 Voters Sensing in Electrical Power Drive System. In Proceedings of the Conference on Electrical Engineering/Electronics, Computer, Telecommunications and Information Technology 2016, Chiang Mai, Thailand, 28 June–1 July 2016. [Google Scholar]
- Summatta, C.; Rattanangam, W. The improvement of a fail-safe counter for low-speed detection. Przegląd Elektrotechniczny 2021, 97, 23–28. [Google Scholar] [CrossRef]
- Summatta, C.; Deeon, S. A Window Comparator Circuit with Digital Switching Levels. In Proceedings of the 9th International Conference on Sciences, Technology and Innovation for Sustainable Well-Being (STISWB 2017), Kunming University of Sciences and Technology, Kunming, China; 2017; pp. 74–78. [Google Scholar]
- Summatta, C.; Phurahong, T.; Rattanangam, W.; Chaiyong, W. Low-cost and Compact Window Comparator Circuit with MOSFET-Resistor Voltage References. In Proceedings of the IEEE 2nd International Conference on Power and Energy Applications (ICPEA 2019), Singapore, 27–30 April 2019; pp. 75–78. [Google Scholar]
- Chua, L.O. Memristor the missing circuit element. IEEE Trans. Circuit Theory 1971, 18, 507–519. [Google Scholar] [CrossRef]
- Keshmiri, V. A Study of the Memristor Models and Applications; Department of Electrical Engineering Linköping Universitet: Linköping, Sweden, 2014. [Google Scholar]
- Krestinskaya, O.; Irmanova, A.; James, A.P. Memristors: Properties, models, materials. In Deep Learning Classifiers with Memristive Networks: Theory and Applications; Springer: Cham, Switzerland, 2020; Volume 14, pp. 13–40. [Google Scholar]
- Borghetti, J.; Snider, G.S.; Kuekes, P.J.; Yang, J.J.; Stewart, D.R.; Williams, R.S. Memristive switches enable stateful logic operations via material implication. Nature 2010, 464, 873–876. [Google Scholar] [CrossRef] [PubMed]
- Singh, T. Hybrid Memristor-CMOS (MeMOS) based Logic Gates and Adder Circuits. ArXiv 2015, arXiv:1506.06735. [Google Scholar]
- Huang, Y.; Li, S.; Yang, Y.; Chen, C. Progress on Memristor-Based Analog Logic Operation. Electronics 2023, 12, 2486. [Google Scholar] [CrossRef]
- Fahmy, G.A.; Zorkany, M. Design of a Memristor-Based Digital to Analog Converter (DAC). Electronics 2021, 10, 622. [Google Scholar] [CrossRef]
- Mladenov, V. Application of Metal Oxide Memristor Models in Logic Gates. Electronics 2023, 12, 381. [Google Scholar] [CrossRef]
- IEC 61508-1:2010; Functional safety of electrical/electronic/programmable electronic safety-related systems. International Electrotechnical Commission: London, UK, 2010.
- Krasich, M. How to estimate and use MTTF/MTBF would the real MTBF please stand up. In Reliability and Maintainability Symposium; IEEE: Fort Worth, TX, USA, 2009; pp. 353–359. [Google Scholar]
- MIL-HDBK-217F; Military Handbook Reliability Prediction of Electronic Equipment. US Department of Defense: Washington, DC, USA, 1991.
- Mladenov, V. A Unified and Open LTSPICE Memristor Model Library. Electronics 2021, 10, 1594. [Google Scholar] [CrossRef]




| A | B | C | Y |
|---|---|---|---|
| 0 | 0 | 0 | 0 |
| 0 | 0 | 1 | 0 |
| 0 | 1 | 0 | 0 |
| 0 | 1 | 1 | 1 |
| 1 | 0 | 0 | 0 |
| 1 | 0 | 1 | 1 |
| 1 | 1 | 0 | 1 |
| 1 | 1 | 1 | 1 |
| No. | Notation | Components | Failure Rate (10−6 h) |
|---|---|---|---|
| 1 | Opto-coupler [2] | 0.08160 | |
| 2 | Diode [2] | 0.01213056 | |
| 3 | Logic ICs | 0.15 | |
| 4 | Resistor | 0.0069 |
| Type of 2oo3 Voter Devices | The Sum of Failure Rate (Hour) | The Mean Time to Failure (Hour) |
|---|---|---|
| Opto-coupler [2] | 0.4896 10−6 | 2,042,483 |
| Opto-coupler and Diode [2] | 0.3385 10−6 | 2,953,947 |
| Logic ICs | 0.6000 10−6 | 1,666,666 |
| Memristor | 0.0414 10−6 | 24,154,589 |
Disclaimer/Publisher’s Note: The statements, opinions and data contained in all publications are solely those of the individual author(s) and contributor(s) and not of MDPI and/or the editor(s). MDPI and/or the editor(s) disclaim responsibility for any injury to people or property resulting from any ideas, methods, instructions or products referred to in the content. |
© 2023 by the authors. Licensee MDPI, Basel, Switzerland. This article is an open access article distributed under the terms and conditions of the Creative Commons Attribution (CC BY) license (https://creativecommons.org/licenses/by/4.0/).
Share and Cite
Summatta, C.; Sonasang, S. Enhanced Safety Logic Solver Utilizing 2oo3 Architecture with Memristor Integration. Eng. Proc. 2023, 58, 37. https://doi.org/10.3390/ecsa-10-16006
Summatta C, Sonasang S. Enhanced Safety Logic Solver Utilizing 2oo3 Architecture with Memristor Integration. Engineering Proceedings. 2023; 58(1):37. https://doi.org/10.3390/ecsa-10-16006
Chicago/Turabian StyleSummatta, Chuthong, and Somchat Sonasang. 2023. "Enhanced Safety Logic Solver Utilizing 2oo3 Architecture with Memristor Integration" Engineering Proceedings 58, no. 1: 37. https://doi.org/10.3390/ecsa-10-16006
APA StyleSummatta, C., & Sonasang, S. (2023). Enhanced Safety Logic Solver Utilizing 2oo3 Architecture with Memristor Integration. Engineering Proceedings, 58(1), 37. https://doi.org/10.3390/ecsa-10-16006

