Next Article in Journal
Combined Application of Honokiol and 2-Deoxyglucose against MCF7 Breast Cancer Cells Under Hypoxia
Previous Article in Journal
Sulfate Radical Advanced Oxidation Processes: Activation Methods and Application to Industrial Wastewater Treatment
 
 
Font Type:
Arial Georgia Verdana
Font Size:
Aa Aa Aa
Line Spacing:
Column Width:
Background:
Proceeding Paper

Reinforcement Learning to Calculate Routes for Simulated Robot Safety Cones †

GeoTECH Group, CINTECX, Universidad de Vigo, 36310 Vigo, Spain
*
Author to whom correspondence should be addressed.
Presented at the 4th International Electronic Conference on Applied Sciences, 27 October–10 November 2023; Available online: https://asec2023.sciforum.net/.
Eng. Proc. 2023, 56(1), 165; https://doi.org/10.3390/ASEC2023-15962
Published: 9 November 2023
(This article belongs to the Proceedings of The 4th International Electronic Conference on Applied Sciences)

Abstract

:
This paper presents a model of a cone using reinforcement learning, harnessing the self-learning capacity of Artificial Intelligence to improve process efficiency. The independent operation of the cone is achieved through a reward and punishment system based on approaching or reaching the goal. The cone must decide between 0° or 90° turns at each step to maximize long-term rewards. While the simulated robotic safety cones successfully reach their targets, the training process is time-consuming due to the numerous variables involved. Nonetheless, the rise of AI and its self-learning capabilities offer promising opportunities for process optimization.

1. Introduction

The significance of transportation, particularly in the context of road maintenance and construction, cannot be overstated [1]. Despite the evident advantages of automation, this industry has been slow to adopt modernized tools and procedures [2]. Embracing automation in road construction can yield numerous benefits, including enhanced efficiency, reduced physical strain on workers, shortened construction timelines, and minimized economic losses. In the road construction setting, traffic cones play a pivotal role in delineating work zones. Traditionally, these cones are manually placed and relocated as the project progresses [3]. However, by introducing automation, this process can be significantly expedited, thereby enabling workers to focus on more intricate tasks. Conventional robotic systems often require an operator to control their actions, thereby limiting the potential efficiency gains [4]. To overcome this limitation, we propose a solution centered around an autonomous robot capable of independently reaching the desired position through the utilization of reinforcement learning techniques.
The power of reinforcement learning (RL) has been exemplified through various instances in the field of control and robotics, as demonstrated in [5]. These examples encompass a broad range of applications, including a two-armed robot mastering the art of juggling, a mobile robot efficiently pushing boxes over extended periods, and the coordinated collection and transportation of disks by multiple robots to predetermined destinations. Despite the numerous advantages offered by RL, the authors acknowledge the challenges associated with its design, primarily due to its reliance on a trial-and-error approach. To facilitate the development of future works, the authors propose several ideas. These include decomposing complex problems into smaller, more manageable subproblems, and providing continuous reward signals to the RL agent to enhance feedback and learning efficiency.
The paper [6] provides a comprehensive analysis of the application of Deep Reinforcement Learning (DRL) in mobile robot navigation between 2016 and 2021. The review highlights the limitations of traditional methods in handling unknown or dynamic environments and emphasizes how RL can address these challenges. Notably, RL’s advantages, including its reduced reliance on sensor accuracy, self-learning capabilities, and real-time recalculations, are discussed. The authors’ paper also presents specific points that are relevant to the design of the state space model in mobile robot navigation. These include the representation of the starting and target points using the current and destination coordinates of the mobile robot. Furthermore, the use of simplified 2D models is favored over complex 3D models due to their simplicity, which aligns with the implementation choices made in this project.
For the development of current work, the following specific objectives have been defined:
  • Construction of a dynamic–kinematic model for a robotic safety cone.
  • Establishment of a suitable agent according to types of spaces for action and observation and the requirement of neural networks.
  • Development of a reward function that allows achieving good results during the shortest training times.

2. Method

The basic elements of reinforcement learning include an agent block, an environment block and action, observation, and reward signals. The agent, which is surrounded by the environment, interacts with it by performing actions, and receives feedback through the observation and reward signals. This scheme is constituted by the basic RL elements and the necessary subsystems (Figure 1). The traffic cone was based on a differential robot model. It was the environment, and was responsible for sending the 2D position and the rotation angle θ concerning the positive x-axis. The agent chose the perfect combination of angles θ to reach the desired position using the action signal.

2.1. Agent

Due to the complexity of the process, an AC agent was elected. It was composed of two neural networks: the critic and the actor (Figure 2). The actor used a politic gradient to estimate the probabilities of taking each possible action from each state and, therefore, chose the action that maximized the long-term reward. This action was evaluated by the critic network using a value or action-value function, which estimated the long-term reward that would be received from each state or state-action. The value function from the critic was compared with the current value function from the environment and, as a result, the error was calculated. This error would feed back to the actor and critic to improve decision making.
The summary of the features of the agent is:
  • Observations: 2D robot position and turning angle θ relative to the positive x-axis.
  • Observation space: continuous.
  • Action: turning angle θ.
  • Action space: discrete, with angles of 0° or 90°.
  • Agent: AC type. It contains an actor-critic algorithm. Suitable for continuous or discrete action spaces.

2.2. Reward Block

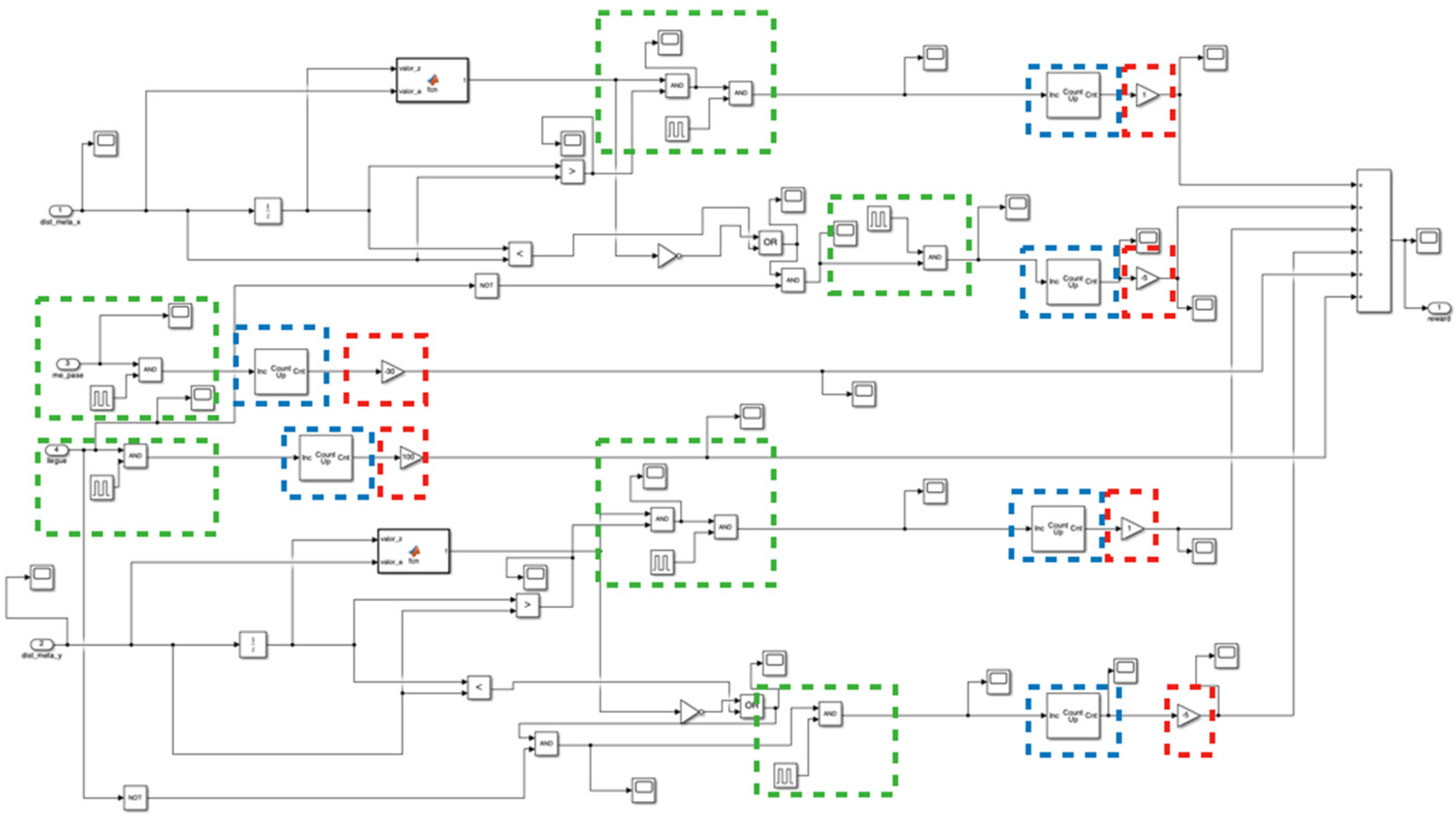
The reward block consisted of two constants defining the 2D target position, a Calculation function, and a reward design subsystem (Figure 3). The Calculation function obtained the difference between the target position and the current position, set a 3% error for the goal, and applied it to the mepase and fin signals. The mepase signal indicated if the goal had been exceeded or if the cone was exploring an incorrect quadrant, and the fin signal indicated if the goal had been reached.
The reward design was based on the following criteria:
  • Reward
  • +1 when the cone approaches the goal.
  • + 100 when the cone reaches the goal.
  • Penalty
  • −5 when the cone moves away from the goal.
  • −30 when the cone exceeds the goal or is exploring a wrong quadrant.
  • IsDone condition
  • When the cone exceeds ± 10.
Within the reward design subsystem (Figure 4), a pattern of parallelism emerged in each signal. First, the digital signal was compared with a pulse signal to utilize the constant reward concept. Then, this signal was passed through a rising edge counter and multiplied by its corresponding value defined in the criteria. In the case of distances to the goal, it proceeded to compare a current value with the previous one by applying a UnitDelay. If the previous value was greater than the current one, the cone was approaching the goal and was rewarded. Otherwise, it was penalized.

2.3. Environment

The environment was based on the dynamic–kinematic model of a differential robot, where the inputs were the engines, and the outputs were the 2D position and the turning angle. The robot was composed of a rigid body with two independent wheels and a castor wheel that provided stability. To develop the scheme, the following steps were taken: solving kinematics, solving dynamics, obtaining the model in state variables, and simulating it.
The scheme (Figure 5) consisted of a block that implemented the state variables model for the dynamic–kinematic relationship. This block output linear velocity and turning angle, allowing us to calculate the velocity of each axis. By integrating the velocity, the position was determined. Additionally, there was a draw function in charge of simulating the movement of the robot. The scheme also established initial constants so that the robot returned to its starting position after each training episode. In our case, the starting position was (0, 0, 0).

2.4. Angle Control Function

This function converted the angle provided by the agent, through the dynamic and kinematic equations of the differential robot, into the corresponding motor signals. It was decided to do it this way, instead of the action being the motors directly, because the agent only had one variable to discover, which would make things easier. This function defined a speed that varied around 1 m/s, and chose the moment when the motors had to stop, due to the existence of a non-rectilinear deceleration that had to be considered, otherwise the goal would not be reached. So, to configure the distances in which they would have to be stopped, the model had first to be simulated with Signal Builder.

3. Results

After of the creation of the environment and its corresponding observation and action specifications, the reset function was established. It was activated when the stipulated time of each training episode ran out or if the IsDone condition was reached. Afterwards, the AC agent and its neural networks were defined and finally, the model was trained.
The proposed method was implemented in MATLAB_R2022b. The training was conducted in Reinforcement Learning Episode Manager, which showed a graph with the reward of each episode and its average reward throughout the training. This tool displays a graph where the x-axis represents the number of episodes, the y-axis represents the episode reward, and the light and dark blue lines represent the reward for each episode and the average reward, respectively. As shown in Figure 6, the first time the robot reached the goal was in episode 3, taking 39 min 26 s. Despite this, the robot continued exploring the area periodically using the exploration vs. exploitation concept. Then, the cone went more frequently towards the target, as seen in episodes 32, 33, and 34 or 40, 41, and 42, until the cone went constantly, as shown around episode 60. Due to the continuous recurrence of the robot going to the point, we concluded the training at episode 113 in a time of 22 h 22 min 49 s.
As shown in Figure 7, the point lay between the established limits 1.03–0.97 m. This was caused by the previous examination of the dynamic–kinematic model of the robot using Signal Builders, in which it was displayed how to reach the goal considering the moment when the power supply to the engines was stopped. Consequently, it was possible to calculate the distance that the cone moved in the deceleration. This distance changed depending on the movement that the robot was making, so it was not unique, and it would have to be changed and recalculated by the previous testing with Signal Builders when the target point varied. The position of the robot and the start target points is shown in Figure 8.

4. Conclusions

This work demonstrates the feasibility of attaining a predetermined objective through the successful implementation of a robotic system with reinforcement learning (RL). This achievement indicates a notable enhancement in operational efficiency within real-world logistical processes. Moreover, RL is easily implementable with regards to security measures to ensure that the physical integrity of the robot’s body remains intact.
Throughout this work, numerous challenges have surfaced. Maintaining a constant speed has proven to be unfeasible, as it introduces an additional variable that complicated the training process. Another obstacle encountered was the deceleration of the robotic cone, necessitating prior modeling of motor movements. Future work will focus on: (1) identifying an equation that describes the deceleration of the cone, (2) exploring the feasibility of achieving a constant speed, and (3) extending the implementation to encompass the mapping signal for all quadrants, since currently, the work focused on a single point within the positive (x, y) plane.

Author Contributions

Conceptualization, J.B.; methodology, E.M.; software, E.M.; validation, E.M.; resources, P.A.; writing—original draft preparation, E.M.; writing—review and editing, J.B. All authors have read and agreed to the published version of the manuscript.

Funding

This research has received funding from Xunta de Galicia through human resources grant (ED481B-2019-061) and GAIN (grant number ED431F 2022/08). This paper was carried out in the framework of the InfraROB project (maintaining integrity, performance and safety of the road infrastructure through autonomous robotized solutions and modularization), which has received funding from the European Union’s Horizon 2020 research and innovation programme under grant agreement no. 955337. It reflects only the authors’ views. Neither the European Climate, Infrastructure, and Environment Executive Agency (CINEA) nor the European Commission is in any way responsible for any use that may be made of the information it contains.

Institutional Review Board Statement

Not applicable.

Informed Consent Statement

Not applicable.

Data Availability Statement

Data are contained within the article.

Conflicts of Interest

The authors declare no conflicts of interest.

References

  1. Yarmukhamedov, S.; Smith, A.S.; Thiebaud, J.C. Competitive tendering, ownership and cost efficiency in road maintenance services in Sweden: A panel data analysis. Transp. Res. Part A Policy Pract. 2020, 136, 194–204. [Google Scholar] [CrossRef]
  2. Li, J.; Yin, G.; Wang, X.; Yan, W. Automated decision making in highway pavement preventive maintenance based on deep learning. Autom. Constr. 2022, 135, 104111. [Google Scholar] [CrossRef]
  3. Katsamenis, I.; Bimpas, M.; Protopapadakis, E.; Zafeiropoulos, C.; Kalogeras, D.; Doulamis, A.; Doulamis, N.; Montoliu, C.M.; Handanos, Y.; Schmidt, F.; et al. Robotic maintenance of road infrastructures: The heron project. In Proceedings of the 15th International Conference on PErvasive Technologies Related to Assistive Environments, Corfu Island, Greece, 29 June–1 July 2022; pp. 628–635. [Google Scholar]
  4. Wang, F.; Dong, W.; Gao, Y.; Yan, X.; You, Z. The Full-Automatic Traffic Cone Placement and Retrieval System Based on Smart Manipulator. In Proceedings of the CICTP 2019, Nanjing, China, 6–8 June 2019; pp. 3442–3453. [Google Scholar]
  5. Kaelbling, L.P.; Littman, M.L.; Moore, A.W. Reinforcement learning: A survey. J. Artif. Intell. Res. 1996, 4, 237–285. [Google Scholar] [CrossRef]
  6. Zhu, K.; Zhang, T. Deep reinforcement learning based mobile robot navigation: A review. Tsinghua Sci. Technol. 2021, 26, 674–691. [Google Scholar] [CrossRef]
Figure 1. General scheme.
Figure 1. General scheme.
Engproc 56 00165 g001
Figure 2. Actor-critic scheme.
Figure 2. Actor-critic scheme.
Engproc 56 00165 g002
Figure 3. Reward block scheme.
Figure 3. Reward block scheme.
Engproc 56 00165 g003
Figure 4. Reward design subsystem.
Figure 4. Reward design subsystem.
Engproc 56 00165 g004
Figure 5. Dynamic–kinematic model of a differential robot.
Figure 5. Dynamic–kinematic model of a differential robot.
Engproc 56 00165 g005
Figure 6. Reinforcement Learning Episode, point (1,1).
Figure 6. Reinforcement Learning Episode, point (1,1).
Engproc 56 00165 g006
Figure 7. Graphs corresponding to the final position x (up) and y (down) of the robot’s mass center.
Figure 7. Graphs corresponding to the final position x (up) and y (down) of the robot’s mass center.
Engproc 56 00165 g007
Figure 8. Start point (left) and target point (right) of the robot using draw_robot function.
Figure 8. Start point (left) and target point (right) of the robot using draw_robot function.
Engproc 56 00165 g008
Disclaimer/Publisher’s Note: The statements, opinions and data contained in all publications are solely those of the individual author(s) and contributor(s) and not of MDPI and/or the editor(s). MDPI and/or the editor(s) disclaim responsibility for any injury to people or property resulting from any ideas, methods, instructions or products referred to in the content.

Share and Cite

MDPI and ACS Style

Murio, E.; Balado, J.; Arias, P. Reinforcement Learning to Calculate Routes for Simulated Robot Safety Cones. Eng. Proc. 2023, 56, 165. https://doi.org/10.3390/ASEC2023-15962

AMA Style

Murio E, Balado J, Arias P. Reinforcement Learning to Calculate Routes for Simulated Robot Safety Cones. Engineering Proceedings. 2023; 56(1):165. https://doi.org/10.3390/ASEC2023-15962

Chicago/Turabian Style

Murio, Eva, Jesús Balado, and Pedro Arias. 2023. "Reinforcement Learning to Calculate Routes for Simulated Robot Safety Cones" Engineering Proceedings 56, no. 1: 165. https://doi.org/10.3390/ASEC2023-15962

APA Style

Murio, E., Balado, J., & Arias, P. (2023). Reinforcement Learning to Calculate Routes for Simulated Robot Safety Cones. Engineering Proceedings, 56(1), 165. https://doi.org/10.3390/ASEC2023-15962

Article Metrics

Back to TopTop