Using Ultrawideband Technology to Control a Car to Reach Its Destination †
Abstract
:1. Introduction
2. The Structure of the Proposed System
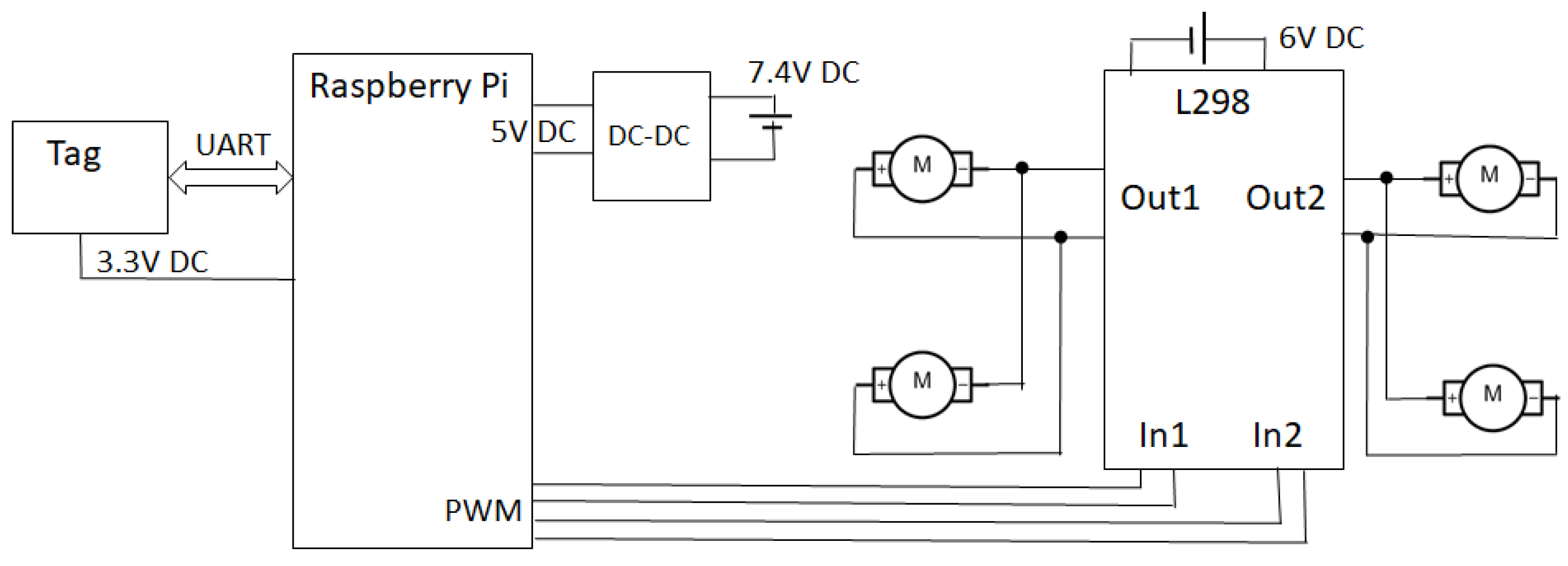
2.1. The Hardware Structure
2.2. The Software Structure
3. Results
3.1. Static Test
3.2. Dynamic Test
4. Conclusions
Author Contributions
Funding
Institutional Review Board Statement
Informed Consent Statement
Data Availability Statement
Conflicts of Interest
References
- Zhu, X.; Yi, J.; Cheng, J.; He, L. Adapted Error Map Based Mobile Robot UWB Indoor Positioning. IEEE Trans. Instrum. Meas. 2020, 69, 6336–6350. [Google Scholar] [CrossRef]
 - Hou, X.; Bergmann, J. Pedestrian Dead Reckoning with Wearable Sensors: A Systematic Review. IEEE Sens. J. 2021, 21, 143–152. [Google Scholar] [CrossRef]
 - Xue, W.; Qiu, W.; Hua, X.; Yu, K. Improved Wi-Fi RSSI Measurement for Indoor Localization. IEEE Sens. J. 2017, 17, 2224–2230. [Google Scholar] [CrossRef]
 - Zafari, F.; Gkelias, A.; Leung, K.K. A Survey of Indoor Localization Systems and Technologies. IEEE Commun. Surv. Tutor. 2019, 21, 2568–2599. [Google Scholar] [CrossRef]
 - Hamer, M.D. Scalable Localization and Coordination of Robot Swarms. Ph.D. Thesis, Institute for Dynamic Systems and Control, ETH Zurich, Zürich, Switzerland, 2019. [Google Scholar]
 - Jiménez, A.R.; Seco, F. Improving the Accuracy of Decawave’s UWB MDEK1001 Location System by Gaining Access to Multiple Ranges. Sensors 2021, 21, 1787. [Google Scholar] [CrossRef] [PubMed]
 - Ruiz, A.R.J.; Granja, F.S. Comparing Ubisense, BeSpoon, and DecaWave UWB Location Systems: Indoor Performance Analysis. IEEE Trans. Instrum. Meas. 2017, 66, 2106–2117. [Google Scholar] [CrossRef]
 - Sidorenko, J.; Schatz, V.; Scherer-Negenborn, N.; Arens, M.; Hugentobler, U. Error Correction for Ultrawide Ranging. IEEE Trans. Instrum. Meas. 2020, 69, 9037–9047. [Google Scholar] [CrossRef]
 - DWM1001-DEV—Qorvo. Available online: www.qorvo.com/products/p/DWM1001-DEV (accessed on 3 September 2023).
 





| x | mean_x | Δx | σx | y | mean_y | Δy | σy | 
|---|---|---|---|---|---|---|---|
| 0 | −402 | 402 | 42 | 300 | 271 | 29 | 20 | 
| 600 | 468 | 132 | 17 | 300 | 257 | 43 | 19 | 
| 1160 | 1232 | −72 | 27 | 300 | 310 | −10 | 12 | 
| 0 | 76 | −76 | 17 | 800 | 552 | 248 | 16 | 
| 600 | 558 | 42 | 31 | 800 | 801 | −1 | 16 | 
| 1160 | 1124 | 36 | 21 | 800 | 866 | −66 | 10 | 
| 0 | 102 | −102 | 59 | 1400 | 1230 | 170 | 24 | 
| 600 | 483 | 117 | 21 | 1400 | 1240 | 160 | 11 | 
| 1160 | 1072 | 88 | 36 | 1400 | 1350 | 50 | 16 | 
| 0 | 73 | −73 | 28 | 2000 | 1970 | 30 | 16 | 
| 600 | 594 | 60 | 21 | 2000 | 2060 | −60 | 12 | 
| 1160 | 1140 | 2 | 22 | 2000 | 2010 | −10 | 13 | 
| Initial Coordinate | Destination Coordinate | Positioning Result Coordinate | Error | 
|---|---|---|---|
| x = −1923 | x = 800 | x = 841 | 41 | 
| x = −1147 | x = 1000 | x = 1077 | 77 | 
| x = 62 | x = 2200 | x = 2292 | 92 | 
| x = 3103 | x = 1000 | x = 953 | −47 | 
| x = 1083 | x = −1000 | x = −1036 | −36 | 
| x = 1167 | x = −1800 | x = −1830 | −30 | 
| Initial Coordinate | Destination Coordinate | Positioning Result Coordinate | Error | 
|---|---|---|---|
| y = 205 | y = 1000 | y = 1107 | 7 | 
| y = −177 | y = 2300 | y = 2302 | 2 | 
| y = 1181 | y = 2900 | y = 2943 | 43 | 
| y = 2505 | y = 500 | y = 367 | −133 | 
| y = 3014 | y = 1000 | y = 953 | −47 | 
| y = 2211 | y = −100 | y = −115 | −15 | 
Disclaimer/Publisher’s Note: The statements, opinions and data contained in all publications are solely those of the individual author(s) and contributor(s) and not of MDPI and/or the editor(s). MDPI and/or the editor(s) disclaim responsibility for any injury to people or property resulting from any ideas, methods, instructions or products referred to in the content.  | 
© 2023 by the authors. Licensee MDPI, Basel, Switzerland. This article is an open access article distributed under the terms and conditions of the Creative Commons Attribution (CC BY) license (https://creativecommons.org/licenses/by/4.0/).
Share and Cite
Mischie, S.; Munteanu, I.A. Using Ultrawideband Technology to Control a Car to Reach Its Destination. Eng. Proc. 2023, 56, 156. https://doi.org/10.3390/ASEC2023-16331
Mischie S, Munteanu IA. Using Ultrawideband Technology to Control a Car to Reach Its Destination. Engineering Proceedings. 2023; 56(1):156. https://doi.org/10.3390/ASEC2023-16331
Chicago/Turabian StyleMischie, Septimiu, and Ionela Alina Munteanu. 2023. "Using Ultrawideband Technology to Control a Car to Reach Its Destination" Engineering Proceedings 56, no. 1: 156. https://doi.org/10.3390/ASEC2023-16331
APA StyleMischie, S., & Munteanu, I. A. (2023). Using Ultrawideband Technology to Control a Car to Reach Its Destination. Engineering Proceedings, 56(1), 156. https://doi.org/10.3390/ASEC2023-16331
        
                                                