Next Article in Journal
Co-Sensitized DSSC with Natural Dyes Extracted from Beetroot, Pomegranate and Cranberry
Previous Article in Journal
Wireless Communications beyond Antennas: The Role of Reconfigurable Intelligent Surfaces
 
 
Font Type:
Arial Georgia Verdana
Font Size:
Aa Aa Aa
Line Spacing:
Column Width:
Background:
Proceeding Paper

GA-Based Motor Drive Control of Planetary Gears of a Variable Valve System of an Internal Combustion Engine †

Department of Mechanical and Aerospace Engineering, Institute of Avionics and Aeronautics, Air University, Islamabad 44000, Pakistan
*
Author to whom correspondence should be addressed.
Presented at the 2nd International Conference on Emerging Trends in Electronic and Telecommunication Engineering, Karachi, Pakistan, 15–16 March 2023.
Eng. Proc. 2023, 32(1), 11; https://doi.org/10.3390/engproc2023032011
Published: 24 April 2023

Abstract

:
For an internal combustion engine to attain greater fuel economy and performance per amount of emissions, variable valve-timing is often used. In this study, a PD controller for an electric driven planetary gear Variable Valve Timing (VVT) system is designed. The model under study consists of an electric motor integrated with a planetary gear system. The phase angle of the camshaft is controlled by VVT for the required torque and engine speed. A classical PD controller is designed using the root locus method, which is then benchmarked against a GA-optimized PD controller. Finally, a simulation study is carried out which demonstrates that GA-optimized controller has better performance and capability to maintain an optimum phase angle for maximum brake power and regulation of the fuel and air mixture.

1. Introduction

There have been various advancements in internal combustion engines, primarily due to emissions standards and regulations. Since harmful gases such as C O ,   N O x are released in case of incomplete combustion, Variable Valve Timing is employed to operate the valves for the intake and exhaust of fuel, air, and exhaust gases in the combustion chamber. As a result, emissions can be reduced, which also leads to fuel conservation and increased efficiency.
In general, VVTs are hydraulic systems. Hydraulic VVTs, however, have limitations, which include the change in response and performance characteristics due to changes in operating conditions such as temperature and oil viscosity. This led to the study of other types of VVT systems, such as electro-pneumatic, electro-magnetic, cam-less, and electric planetary systems. Comparing electric motor-driven VVT systems to hydraulic VVT systems has led to concur that electrical VVT systems are independent of engine oil pressure, hence offering better operational performance and emissions.
As far as closed-loop control design for the VVT systems is concerned, a linear controller using loop-shaping has been investigated by Paden et al. [1]. Similarly, in [2], a feedforward/feedback controller was studied for an HCCI combustion engine. Moreover, multi-parametric model predictive control has widely been used for the design of VVT systems [3,4]. Finally, in [5,6], an 2   , and H   controller was investigated in the context of VVT control. GA optimization, however, has not been used for the control design of electric planetary VVT, but it is an effective approach due to its ability to search through large design spaces and determine optimal solutions. Therefore, in this study, a GA-based VVT controller is investigated. In correspondence, a root locus-tuned PD controller is also developed and performance is compared between these two controllers.

2. Linear Model Development

The simplified linear VVT model is explained in [5,6]. In this study, however, certain assumptions are made; for example, the dynamics of the ring gear are ignored because of the high inertia of the engine flywheel and crankshaft; the camshaft load which is the disturbance parameter in the control system is also ignored for model simplification.

2.1. Motor Dynamics

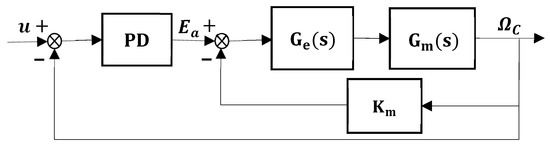
The relationship between the voltage drop across the armature circuit and the torque produced by the motor is represented by G e ( s ) in Equation (1). Armature resistance, inductance, motor torque constant, and back emf of the motor are represented by L m , R m , K τ and K m , respectively.
G e ( s ) = K τ   L m s + R m .

2.2. Planetary Gear System Dynamics

For model simplification, the planetary system is treated as having only one planet gear and the friction present is ignored. Equation (2) represents the transfer function G m ( s ) , which shows the relationship between the motor speed input to the planetary gear system and the output to the camshaft.
G m ( s ) = 1 J s + B .
Here, J is the sum of the inertia of the carrier and the equivalent inertia of the gears. B is the friction coefficient, which depends on the engine oil viscosity, and it changes due to temperature. The block diagram of the VVT model under study is shown in Figure 1.

3. Controller Design

For closed-loop control design, a PD controller is developed. The resulting transfer function which represents the system plant without the back emf ( K m ) is provided as
G e q ( s ) = K τ L m . J . s 2 + ( L m . B + R m . J ) s + R m . B .
Here, G e q ( s ) is the open-loop VVT transfer function without the back emf K m .
G ( s ) = G e q ( s ) 1 + G e q ( s ) . H ( s ) .
Equation (4) is used to determine the overall open loop transfer function shown in Equation (5).
G ( s ) = K τ L m . J . s 2 + ( L m . B + R m . J ) s + R m . B + K τ . K m .
The value of β , which is the frictional coefficient, depends on the viscosity of oil and ranges from 0.5 Kgm 2 / s to 2 Kgm 2 / s . For normal working conditions, it is taken as 1   Kgm 2 / s . Putting the parameter values shown in Table 1 into Equation (5), we obtain the open- and closed-loop transfer function as shown in Equations (6) and (7). From the analysis of these equations, the system is determined to be stable. The root locus plot is shown in Figure 2a, where the poles lie at − 97.3 and − 7.7 .
G ( s ) = 45 0.002 s 2 + 0.21 s + 1.5 ,
T ( s ) = 45 0.002 s 2 + 0.21 s + 46.5 .

PD Controller Design

A Proportional Derivative (PD) controller is designed to achieve the desired performance. The general form of the PD controller is provided as G P D ( s ) = K P + K D . s   . A PD controller was chosen because of the overshoot requirements. The performance requirements were set to be a maximum overshoot of 5% and a settling time of 0.01 s.
Using the conventional root-locus tuning method, the proportional and derivative gains were determined to be 10 and 0.05, respectively. The root locus of the system with the controller is shown in Figure 2b. The open- and closed-loop transfer functions alongside the PD controller are shown in Equations (8) and (9), respectively.
G P D ( s ) = 2.25 s + 450 0.002 s 2 + 0.21 s + 1.5 ,
T P D ( s ) = 2.25 s + 450 0.002 s 2 + 2.46 s + 451.5 .
The designed PD controller, as discussed before, will be used as a baseline controller for comparison with an optimal controller.

4. Controller Optimization Using Genetic Algorithm

GA is a search-centered optimization technique which is based on the Darwinian theory of genetic evolution. It is significantly useful in the optimization of PID controller parameters. The optimization performance of the controller design using GA is mainly dependent on the selection of an appropriate cost function. For this system, the Integral of Time-weighted Absolute Error (ITEA) is used as the cost function. Equation (10) represents the mathematical expression of the cost function, where the error signal of the function is denoted by e ( t ) . Using the ITEA error function, proportional and derivative gains are determined for the VVT system.
I T E A = 0 t . | e ( t ) | . d t .
The setup parameters of the GA optimization are shown in Table 2. The values of K P and K D   obtained using GA are 20 and 0.1693 , respectively. Using these values, the open-loop and closed-loop transfer functions are shown in Equations (11) and (12).
G ( s ) = 7.605 s + 900 0.002 s 2 + 0.21 s + 1.5 ,
T ( s ) = 7.605 s + 900 0.002 s 2 + 7.815 + 901.5 .
The response of the GA-optimized VVT system for a step input is shown in Figure 3. The step response shows that the performance of the system has considerably increased. The improved settling time and rise time are determined to be 0.0009 s and 0.000568 s. The overshoot was calculated to be 0.34%, while the steady-state error was calculated to be 0.0017.

Performance Comparison of the Designed Controllers

The performance comparison of the PD controller designed using the root locus and the GA-optimized controller is shown in Table 3 and plotted in Figure 3. The results validate that the % parent overshoot decreased from 4.92% for the controller designed using the root locus to 0.36% for the GA-optimized controller.

5. Conclusions

In this study, a motor-driven planetary VVT controller is explained. A PD controller was designed using the root locus technique and served as the baseline controller in comparison to a GA-optimized controller. Simulations are carried out in which the GA-optimized controller showed an improved and optimal performance.
The linear model of the electric planetary VVT system is led in line with some assumptions and simplifications. However, in real world, a non-linear model is followed with high engine speeds for maximum power and fuel efficiency at low RPM. Therefore, in future, an optimal controller can be developed consequent to these changing parameters and non-linear behavior, which can be verified by its practical implementation.

Author Contributions

Conceptualization by A.u.R. and A.T. Methodology, software validation, formal analysis, investigation, and draft preparation by A.u.R. Overall, this study has been completed under the supervision of A.T., who has also reviewed and edited the paper. All authors have read and agreed to the published version of the manuscript.

Funding

This research received no external funding.

Institutional Review Board Statement

Not applicable.

Informed Consent Statement

Not applicable.

Data Availability Statement

The data presented in this study are available on request.

Conflicts of Interest

The authors declare no conflict of interest.

References

  1. Paden, B.A.; Snyder, S.T.; Paden, B.E.; Ricci, M.R. Modeling and Control of an Electromagnetic Variable Valve Actuation System. IEEE/ASME Trans. Mechatron. 2015, 20, 2654–2665. [Google Scholar] [CrossRef]
  2. Ebrahimi, K.; Schramm, A.; Koch, C.R. Feedforward/Feedback control of HCCI combustion timing. In Proceedings of the 2014 American Control Conference, Portland, OR, USA, 4–6 June 2014; pp. 831–836. [Google Scholar] [CrossRef]
  3. Lee, J.; Chang, H.J. Multi-parametric model predictive control for variable valve timing. In Proceedings of the 2017 17th International Conference on Control, Automation, and Systems (ICCAS), Jeju, Republic of Korea, 18–21 October 2017; pp. 1218–1221. [Google Scholar] [CrossRef]
  4. Kristoffersson, I. Model Predictive Control of a Turbocharged Engine. Master’s Thesis, Institute for Signals, Sensors and Systems (S3) at KTH-Royal Institute of Technology, General Motors Powertrain, Stockholm, Sweden, 2006. XR-EE-RT 2006:005. Available online: http://kth.diva-portal.org/smash/get/diva2:576329/FULLTEXT01.pdf (accessed on 8 January 2022).
  5. White, A.; Choi, J.; Zhu, G. Dynamic, output-feedback, gain-scheduling control of an electric variable valve timing system. In Proceedings of the 2013 American Control Conference, Washington, DC, USA, 17–19 June 2013; pp. 3619–3624. [Google Scholar] [CrossRef]
  6. Ren, Z.; Zhu, G.G. Modeling and control of an electric variable valve timing system for SI and HCCI combustion mode transition. In Proceedings of the 2011 American Control Conference, San Francisco, CA, USA, 29 June–1 July 2011; pp. 979–984. [Google Scholar] [CrossRef]
Figure 1. Block diagram of the VVT model.
Figure 1. Block diagram of the VVT model.
Engproc 32 00011 g001
Figure 2. (a) Root locus for system without controller, (b) root locus with controller.
Figure 2. (a) Root locus for system without controller, (b) root locus with controller.
Engproc 32 00011 g002
Figure 3. Step response comparison of the designed controllers.
Figure 3. Step response comparison of the designed controllers.
Engproc 32 00011 g003
Table 1. Electric Planetary VVT System Model Parameters.
Table 1. Electric Planetary VVT System Model Parameters.
ParameterValue
K τ 45   Nm / A
R m 1   Ω
J 0.2   Kgm 2
L m 0.01   H
β 1   Kgm 2 / s
K m 1 / 90 Vs
Table 2. Setup Parameters for the GA optimization.
Table 2. Setup Parameters for the GA optimization.
Setting ParameterValue
Bounds for K P [0–20]
Bounds for K D [0–1]
Number of Variables2
Population TypeDouble Vector
Creation FunctionUniform
Selection FunctionStochastic Uniform
Mutation FunctionAdaptive Feasible
Crossover FunctionIntermediate
Table 3. Performance Characteristics Comparison of the Designed VVT Controllers.
Table 3. Performance Characteristics Comparison of the Designed VVT Controllers.
CharacteristicWithout ControllerRoot-LocusGenetic Algorithm
Settling Time0.0091 s0.0016 s0.000975 s
Rise Time0.0723 s0.0092 s0.000568 s
% Overshoot31.39%4.92%0.34%
Steady-State Error0.03220.003220.0017
Disclaimer/Publisher’s Note: The statements, opinions and data contained in all publications are solely those of the individual author(s) and contributor(s) and not of MDPI and/or the editor(s). MDPI and/or the editor(s) disclaim responsibility for any injury to people or property resulting from any ideas, methods, instructions or products referred to in the content.

Share and Cite

MDPI and ACS Style

Aziz ur Rehman; Tanveer, A. GA-Based Motor Drive Control of Planetary Gears of a Variable Valve System of an Internal Combustion Engine. Eng. Proc. 2023, 32, 11. https://doi.org/10.3390/engproc2023032011

AMA Style

Aziz ur Rehman, Tanveer A. GA-Based Motor Drive Control of Planetary Gears of a Variable Valve System of an Internal Combustion Engine. Engineering Proceedings. 2023; 32(1):11. https://doi.org/10.3390/engproc2023032011

Chicago/Turabian Style

Aziz ur Rehman, and Ahsan Tanveer. 2023. "GA-Based Motor Drive Control of Planetary Gears of a Variable Valve System of an Internal Combustion Engine" Engineering Proceedings 32, no. 1: 11. https://doi.org/10.3390/engproc2023032011

APA Style

Aziz ur Rehman, & Tanveer, A. (2023). GA-Based Motor Drive Control of Planetary Gears of a Variable Valve System of an Internal Combustion Engine. Engineering Proceedings, 32(1), 11. https://doi.org/10.3390/engproc2023032011

Article Metrics

Back to TopTop