LLCLC Resonant Converter Based Pseudo DC Link Inverter †
Abstract
:1. Background
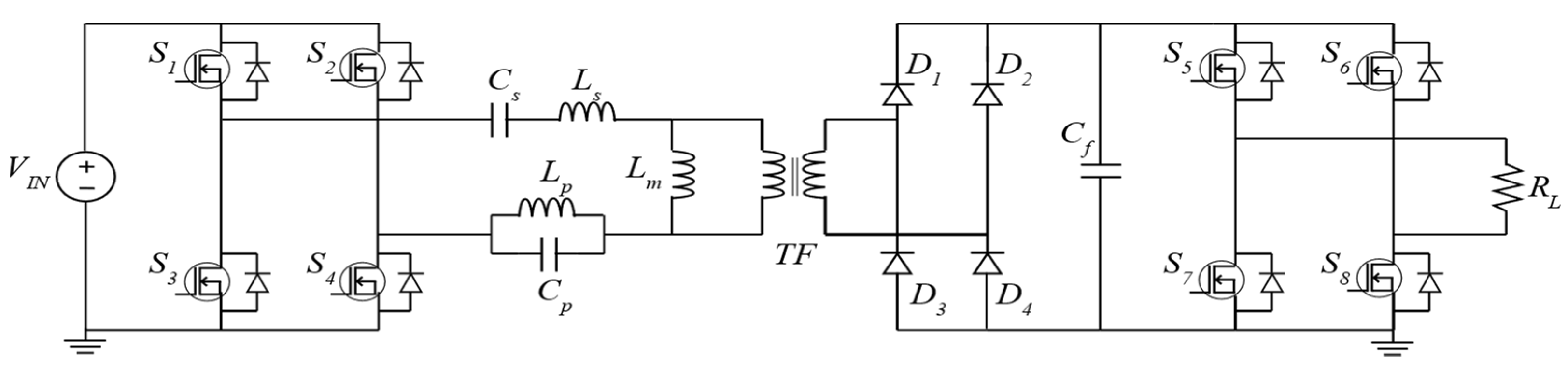
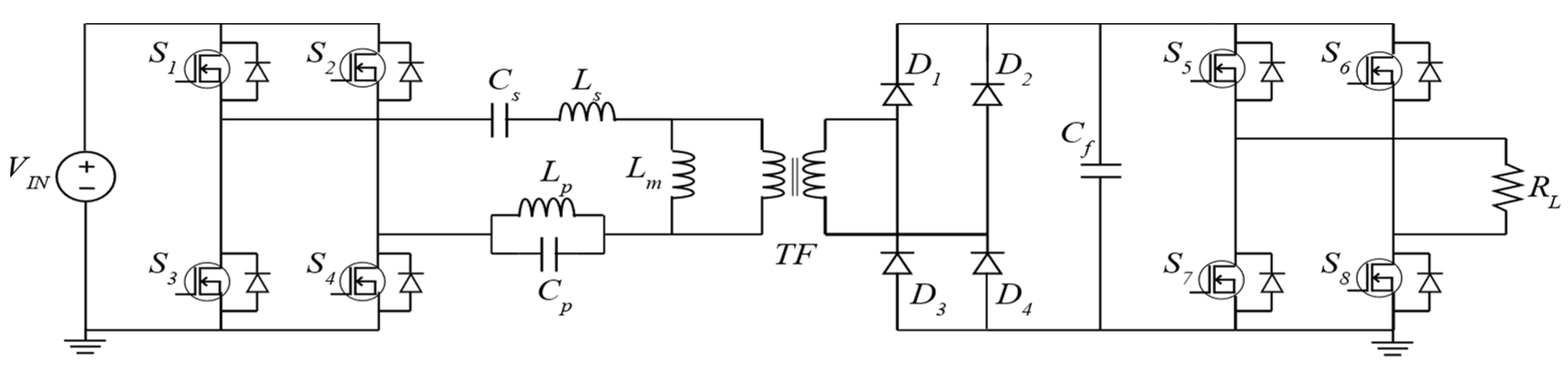
2. Proposed Topology
3. Design Consideration
4. Simulation Results
5. Conclusions
Conflicts of Interest
References
- Abas, N.; Kalair, A.; Khan, N. Review of fossil fuels and future energy technologies. Futures 2015, 69, 31–49. [Google Scholar] [CrossRef]
- Guangul, F.M.; Chala, G.T. Solar energy as renewable energy source: SWOT analysis. In Proceedings of the 2019 4th MEC International Conference on Big Data and Smart City (ICBDSC), Muscat, Oman, 15–16 January 2019. [Google Scholar]
- Narendiran, S. Grid tie inverter and MPPT—A review. In Proceedings of the 2013 International Conference on Circuits, Power and Computing Technologies (ICCPCT), Nagercoil, India, 20–21 March 2013. [Google Scholar]
- Quan, L.; Wolfs, P. A review of the single phase photovoltaic module integrated converter topologies with three different DC link configurations. IEEE Trans. Power Electron. 2008, 23, 1320–1333. [Google Scholar] [CrossRef] [Green Version]
- Pervaiz, S.; Rehman, M.U.; Asghar, A.B.; Zaffar, N. A novel single-phase soft switching microinverter for photovoltaic applications. In Proceedings of the 2013 3rd International Conference on Electric Power and Energy Conversion Systems, Istanbul, Turkey, 2–4 October 2013. [Google Scholar]
- Zhao, Y.; Wei, T.; Hu, H.; Xing, Y. A high-efficiency PV grid-tied micro-inverter with soft switching for dc/ac stage. In Proceedings of the 2015 IEEE 10th Conference on Industrial Electronics and Applications (ICIEA), Auckland, New Zealand, 15–17 June 2015. [Google Scholar]
- Yeh, C.S.; Chen, C.W.; Lee, M.; Lai, J.S. A Hybrid Modulation Method for Single-Stage Soft-Switching Inverter Based on Series Resonant Converter. IEEE Trans. Power Electron. 2019, 35, 5785–5796. [Google Scholar] [CrossRef]
- Lin, R.-L.; Huang, L.-H. Efficiency improvement on LLC resonant converter using integrated LCLC resonant transformer. IEEE Trans. Ind. Appl. 2017, 54, 1756–1764. [Google Scholar] [CrossRef]
- Koscelnik, J.; Frivaldsky, M.; Prazenica, M.; Mazgut, R. A review of multi-elements resonant converters topologies. In Proceedings of the 2014 ELEKTRO, Rajecke Teplice, Slovakia, 19–20 May 2014. [Google Scholar]
- Mazgut, R.; Galad, M.; Kascak, S.; Spanik, P. Analysis of multi-resonant LLCLC converter. In Proceedings of the 2016 ELEKTRO, Strbske Pleso, Slovakia, 16–18 May 2016. [Google Scholar]
- Ren, R.; Zhang, F.; Shen, Z.; Liu, S. The third harmonics current injection scheme for LLC topology to reduce the RMS of the output current. In Proceedings of the 2015 IEEE Applied Power Electronics Conference and Exposition (APEC), Charlotte, NC, USA, 15–19 March 2015. [Google Scholar]






| Components | Values |
|---|---|
| Primary switches (S1 to S4) | IRF1404 |
| Full-wave rectifier diodes (D1 to D4) | D1N1190 |
| Transformer | TN33_20_11_2P90 |
| DC link capacitor | Cf = 1.2 μF |
| Secondary switches (S5 to S8) | IRF840 |
Publisher’s Note: MDPI stays neutral with regard to jurisdictional claims in published maps and institutional affiliations. |
© 2021 by the authors. Licensee MDPI, Basel, Switzerland. This article is an open access article distributed under the terms and conditions of the Creative Commons Attribution (CC BY) license (https://creativecommons.org/licenses/by/4.0/).
Share and Cite
Arif, A.; Arshad, J.; Iqbal, S. LLCLC Resonant Converter Based Pseudo DC Link Inverter. Eng. Proc. 2021, 12, 42. https://doi.org/10.3390/engproc2021012042
Arif A, Arshad J, Iqbal S. LLCLC Resonant Converter Based Pseudo DC Link Inverter. Engineering Proceedings. 2021; 12(1):42. https://doi.org/10.3390/engproc2021012042
Chicago/Turabian StyleArif, Arslan, Junaid Arshad, and Shahid Iqbal. 2021. "LLCLC Resonant Converter Based Pseudo DC Link Inverter" Engineering Proceedings 12, no. 1: 42. https://doi.org/10.3390/engproc2021012042
APA StyleArif, A., Arshad, J., & Iqbal, S. (2021). LLCLC Resonant Converter Based Pseudo DC Link Inverter. Engineering Proceedings, 12(1), 42. https://doi.org/10.3390/engproc2021012042

