Cyber-Physical System for Treatment of River and Lake Water †
Abstract
1. Introduction
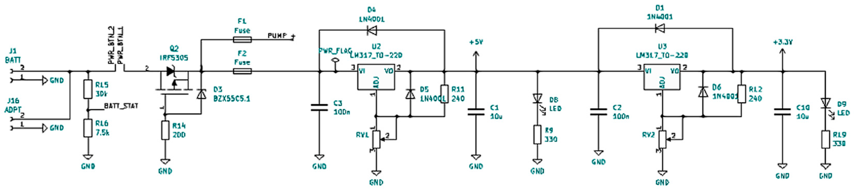
- Monitoring battery voltage;
- Measuring flow rate;
- Computing the total quantity of water that has passed through each filter stage;
- Alerting the user to change each filter if the user-defined water quantity has passed through the corresponding filter;
- Starting and stopping the water pump;
- Driving a TFT display to show system information needed by the user.
2. Cyber-Physical System for In Situ Treatment of Surface Waters: Technical Description and Process Overview
Block Scheme of the Electronic Control Unit of the Water Filtering System
- RESET button:
- Battery status:
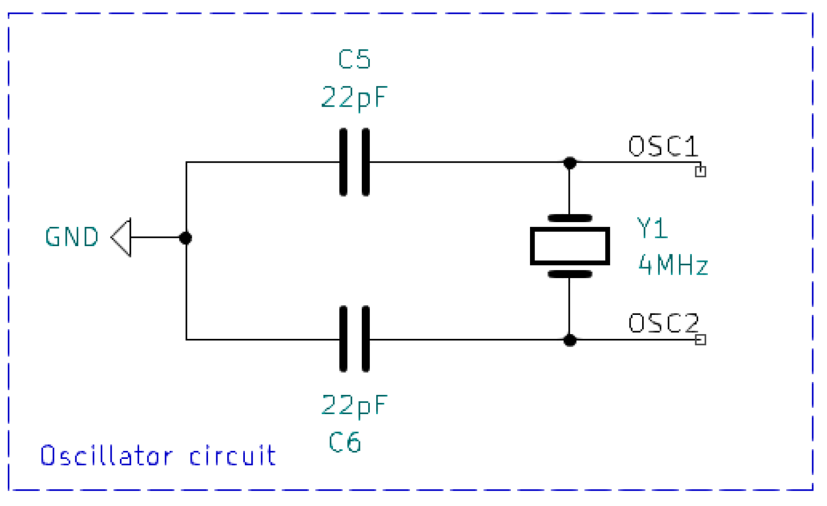
- External oscillator circuit:
- Start–stop relay:
- LED indicators:
- ICSP:
- Start and stop buttons:
- Flow Sensor:
- TFT LCD display:
- 5 V/3.3 V power supply:
3. System Testing and PCB Layout
4. Cyber-Physical System for In Situ Treatment of River and Lake Water
4.1. Filtration Stage
- Mechanical impurities (up to 5 µm);
- Residual chlorine;
- Heavy metal ions;
- Organic compounds [16].
4.2. Sterilization Stage
- The technological scheme includes the following stages (Figure 11):
- •
- 1st Stage: Filtration—the water flow passes through the following filters:(1) Linear mechanical filter PP-1μk-QC;(2) Linear zeolite filter AIZEO;(3) Linear activated carbon filter GAC-QC-2.0.
- •
- 2nd Stage: Ultrafiltration and UV Sterilization:(4) Ultrafiltration membrane;(5) UV sterilizer UV-12-W.
5. Results and Discussion
6. Conclusions
- Water Filtration Efficiency: The system ensures a continuous and efficient filtration process, significantly improving water quality.
- Automatic Pump Control and Real-Time Data Tracking: Automated operation and continuous monitoring of system parameters ensure optimal filtration without manual intervention.
- Battery-Powered Design: The system is powered by a battery and utilizes optimized low-power components, making it ideal for deployment in remote locations where traditional power sources may not be available.
- Modular ECU: The modular nature of the embedded control unit (ECU) allows for easy integration with additional sensors or wireless connectivity, enabling adaptability for IoT-based applications.
- Future Enhancements: Potential future developments may include wireless data logging and remote-control capabilities, further improving user accessibility and convenience. Moreover, the integration of solar panels and a solar charge controller is considered an enhancement, which will improve the sustainability of the system.
Author Contributions
Funding
Institutional Review Board Statement
Informed Consent Statement
Data Availability Statement
Conflicts of Interest
References
- Mishra, R.K. Fresh water availability and its global challenge. Br. J. Multidiscip. Adv. Stud. 2023, 4, 1–78. [Google Scholar] [CrossRef]
- Yasmeen, R.; Khan, F.S.; Nisa, W.U.; Saleem, A.R.; Awais, M.; Jameel, M.; Dara, R.N.; Khan, M.I. Enhanced water purification by using graphene oxide nano-membranes: A novel approach for mitigating industrial pollutant. Carbon Trends 2025, 19, 100486. [Google Scholar] [CrossRef]
- Ejiohuo, O.; Onyeaka, H.; Akinsemolu, A.; Nwabor, O.F.; Siyanbola, K.F.; Tamasiga, P.; Al-Sharify, Z.T. Ensuring water purity: Mitigating environmental risks and safeguarding human health. Water Biol. Secur. 2024, 4, 100341. [Google Scholar] [CrossRef]
- Cescon, A.; Jiang, J.-Q. Filtration Process and Alternative Filter Media Material in Water Treatment. Water 2020, 12, 3377. [Google Scholar] [CrossRef]
- Chattopadhyay, S. Embedded System Design, 3rd ed.; PHI Learning Pvt. Ltd.: Delhi, India, 2023; ISBN 9789391818623. [Google Scholar]
- Marwedel, P. Embedded System Design; Springer: Cham, Switzerland, 2021; ISBN 978-3-030-60910-8. [Google Scholar] [CrossRef]
- Guo, C.; Yang, Z.; Chen, Y.Y. A Survey of Energy Consumption Measurement in Embedded Systems. IEEE Access 2021, 9, 60516–60530. [Google Scholar] [CrossRef]
- Microchip Technology Inc. Available online: https://www.microchip.com/en-us/product/pic16f18877 (accessed on 28 March 2025).
- Multi-Inno Technology, Co. Available online: https://www.adafruit.com (accessed on 28 March 2025).
- Elimelech, M.; Phillip, W.A. The future of seawater desalination: Energy, technology, and the environment. Science 2011, 333, 712–717. [Google Scholar] [CrossRef] [PubMed]
- Meng, F.; Li, B.; Zhang, H.; Yang, F.; Zhang, X.; Huang, X. Fouling and chemical cleaning of microfiltration membranes: A review. J. Membr. Sci. 2009, 343, 23–34. [Google Scholar] [CrossRef]
- Frenel Network. Available online: https://www.frenel.net (accessed on 28 March 2025).
- Pawar, R.; Zhang, Z.; Vidic, R.D. Laboratory and pilot-scale studies of membrane distillation for desalination of produced water from Permian Basin. Desalination 2022, 537, 115853. [Google Scholar] [CrossRef]
- Velarde, L.; Nabavi, M.S.; Escalera, E.; Antti, M.-L.; Akhtar, F. Adsorption of heavy metals on natural zeolites: A review. Chemosphere 2023, 328, 138508. [Google Scholar] [CrossRef]
- Senila, M.; Cadar, O. Modification of natural zeolites and their applications for heavy metal removal from polluted environments: Challenges, recent advances, and perspectives. Heliyon 2024, 10, e25303. [Google Scholar] [CrossRef]
- Liu, X.; Li, Z.; Orbell, J.D.; Dow, N. Impact of granular activated carbon pretreatment on ultrafiltration membrane fouling. Desalination 2017, 401, 32–42. [Google Scholar] [CrossRef]
- Feng, Y.; Lau, S.S.; Mitch, W.A.; Russell, C.; Pope, G.; Gu, A.Z. Impacts of disinfection methods in a granular activated carbon (GAC) treatment system on disinfected drinking water toxicity. J. Hazard. Mater. 2025, 490, 137737. [Google Scholar] [CrossRef] [PubMed]
- Hijnen, W.A.M.; Beerendonk, E.F.; Medema, G.J. Inactivation credit of UV radiation for viruses, bacteria and protozoan (oo) Cysts in water: A review. Water Res. 2006, 40, 3–22. [Google Scholar] [CrossRef] [PubMed]
- Timmermann, L.F.; Ritter, K.; Hillebrandt, D.; Küpper, T. Drinking water treatment with ultraviolet light for travelers–Evaluation of a mobile lightweight system. Travel Med. Infect. Dis. 2015, 13, 466–474. [Google Scholar] [CrossRef] [PubMed]
- Afkhami, A.; Marotta, M.; Dixon, D.; Ternan, N.G.; Montoya-Jaramillo, L.J.; Hincapie, M.; Galeano, L.; Fernandez-Ibanez, P.; Dunlop, P.S.M. Assessment of low-cost cartridge filters for implementation in household drinking water treatment systems. J. Water Process Eng. 2021, 39, 101710. [Google Scholar] [CrossRef]











Disclaimer/Publisher’s Note: The statements, opinions and data contained in all publications are solely those of the individual author(s) and contributor(s) and not of MDPI and/or the editor(s). MDPI and/or the editor(s) disclaim responsibility for any injury to people or property resulting from any ideas, methods, instructions or products referred to in the content. |
© 2025 by the authors. Licensee MDPI, Basel, Switzerland. This article is an open access article distributed under the terms and conditions of the Creative Commons Attribution (CC BY) license (https://creativecommons.org/licenses/by/4.0/).
Share and Cite
Syulekchieva, D.; Midyurova, B.; Mandadzhiev, A.; Belovski, I.; Mihalev, T.; Koleva, E. Cyber-Physical System for Treatment of River and Lake Water. Eng. Proc. 2025, 104, 65. https://doi.org/10.3390/engproc2025104065
Syulekchieva D, Midyurova B, Mandadzhiev A, Belovski I, Mihalev T, Koleva E. Cyber-Physical System for Treatment of River and Lake Water. Engineering Proceedings. 2025; 104(1):65. https://doi.org/10.3390/engproc2025104065
Chicago/Turabian StyleSyulekchieva, Diana, Blagovesta Midyurova, Aleksandar Mandadzhiev, Ivaylo Belovski, Todor Mihalev, and Elena Koleva. 2025. "Cyber-Physical System for Treatment of River and Lake Water" Engineering Proceedings 104, no. 1: 65. https://doi.org/10.3390/engproc2025104065
APA StyleSyulekchieva, D., Midyurova, B., Mandadzhiev, A., Belovski, I., Mihalev, T., & Koleva, E. (2025). Cyber-Physical System for Treatment of River and Lake Water. Engineering Proceedings, 104(1), 65. https://doi.org/10.3390/engproc2025104065

