Green Hybrid Biopolymeric Beads for Efficient Removal of Copper Ions from Aqueous Solutions: Experimental Studies Assisted by Monte Carlo Simulation
Abstract
1. Introduction
2. Materials and Methods
2.1. Reagents
2.2. Preparation of Adsorbents
Beads Formation Mechanism
2.3. Adsorption Experiments
2.4. Modeling of Adsorption Kinetics, Isotherms, and Thermodynamics
Validity of Adsorption Kinetic and Isotherm Models
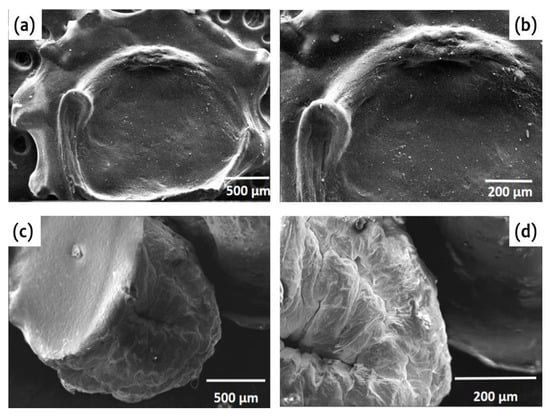
2.5. Materials Characterization
2.6. Monte Carlo Simulations
3. Results and Discussion
3.1. pH Effect
3.2. Effect of the Adsorbent Dosage
3.3. Effect of Contact Time
3.4. Effect of Initial Concentration
3.5. Effect of Temperature
| Adsorbents | qmax (mg·g−1) | Ref |
|---|---|---|
| Chitosan-poly(vinyl alcohol) beads | 39.83 | [52] |
| Chitosan cellulose hydrogel beads | 53.20 | [53] |
| Chitosan beads | 64.62 | [39] |
| Chitosane@alginate beads | 67.66 | [39] |
| Clay/alginate beads | 27.10 | [54] |
| Alginate-graphene beads | 60.24 | [55] |
| C-phenylcalix[4]pyrogallolarene | 8.14 | [56] |
| Dopamine-functionalized tannic acid-templated mesoporous Silica nanoparticles MC/Alginate beads | 58.70 | [57] |
| Clay and sodium alginate beads | 92.44 | [1] |
| D_AL@CMC | 157.52 | This work |
| F_AL@CMC | 159.81 | This work |
| ΔG°(kJ·mol−1) | ΔH° | ΔS° | |||
|---|---|---|---|---|---|
| 298 K | 313 K | 333 K | kJ·mol−1 | J·mol−1 | |
| D_AL@CMC | −1.044 | −1.873 | −2.293 | 9.439 | 39.242 |
| F_AL@CMC | −1.940 | −2.823 | −3.201 | 8.616 | 29.680 |
3.6. Adsorption Mechanism
4. Conclusions
Author Contributions
Funding
Data Availability Statement
Conflicts of Interest
References
- Barrak, I.; Ayouch, I.; Kassab, Z.; El Achaby, M.; Barhoun, A.; Draoui, K. Sodium alginate encapsulated Moroccan clay as eco-friendly and efficient adsorbent for copper ions from aqueous medium. Mater. Today Proc. 2021, 51, 2040–2046. [Google Scholar] [CrossRef]
- He, W.; Yu, Q.; Wang, N.; Ouyang, X.-K. Efficient adsorption of Cu(II) from aqueous solutions by acid-resistant and recyclable ethylenediamine tetraacetic acid-grafted polyvinyl alcohol/chitosan beads. J. Mol. Liq. 2020, 316, 113856. [Google Scholar] [CrossRef]
- Ayouch, I.; Barrak, I.; Kassab, Z.; El Achaby, M.; Barhoun, A.; Draoui, K. Impact of the drying process on the efficiency of alginate beads for cadmium removal from water: Kinetic, isotherm and thermodynamic study. Environ. Technol. Innov. 2020, 20, 101157. [Google Scholar] [CrossRef]
- Kuczajowska-Zadrożna, M.; Filipkowska, U.; Jóźwiak, T. Adsorption of Cu (II) and Cd (II) from aqueous solutions by chitosan immobilized in alginate beads. J. Environ. Chem. Eng. 2020, 8, 103878. [Google Scholar] [CrossRef]
- Oualid, H.A.; Abdellaoui, Y.; Laabd, M.; El Ouardi, M.; Brahmi, Y.; Iazza, M.; Oualid, J.A. Eco-Efficient Green Seaweed Codium decorticatum Biosorbent for Textile Dyes: Characterization, Mechanism, Recyclability, and RSM Optimization. ACS Omega 2020, 5, 22192–22207. [Google Scholar] [CrossRef] [PubMed]
- Cimá-Mukul, C.A.; Abdellaoui, Y.; Abatal, M.; Vargas, J.; Santiago, A.A.; Barrón-Zambrano, J.A. Eco-Efficient Biosorbent Based on Leucaena leucocephala Residues for the Simultaneous Removal of Pb(II) and Cd(II) Ions from Water System: Sorption and Mechanism. Bioinorg. Chem. Appl. 2019, 2019, 2814047. [Google Scholar] [CrossRef]
- Jabli, M.; Almalki, S.G.; Agougui, H. An insight into methylene blue adsorption characteristics onto functionalized alginate bio-polymer gel beads with λ-carrageenan-calcium phosphate, carboxymethyl cellulose, and celite 545. Int. J. Biol. Macromol. 2020, 156, 1091–1103. [Google Scholar] [CrossRef] [PubMed]
- Billah, R.E.K.; Islam, A.; Lgaz, H.; Lima, E.C.; Abdellaoui, Y.; Rakhila, Y.; Goudali, O.; Majdoubi, H.; Alrashdi, A.A.; Agunaou, M.; et al. Shellfish waste-derived mesoporous chitosan for impressive removal of arsenic(V) from aqueous solutions: A combined experimental and computational approach. Arab. J. Chem. 2022, 15, 104123. [Google Scholar] [CrossRef]
- Elhoudi, M.; Oukhrib, R.; Celaya, C.A.; Araiza, D.G.; Abdellaoui, Y.; Barra, I.; Brahmi, Y.; Bourzi, H.; Reina, M.; Albourine, A.; et al. Comparison of green bio-based cerium/alginate vs. copper/alginate beads: A study of vibrational and thermal properties using experimental and theoretical methods. J. Mol. Model. 2022, 28, 37. [Google Scholar] [CrossRef]
- Sahebjamee, N.; Soltanieh, M.; Mousavi, S.M.; Heydarinasab, A. Preparation and characterization of porous chitosan–based membrane with enhanced copper ion adsorption performance. React. Funct. Polym. 2020, 154, 104681. [Google Scholar] [CrossRef]
- Chang, Y.S.; Au, P.I.; Mubarak, N.M.; Khalid, M.; Jagadish, P.; Walvekar, R.; Abdullah, E.C. Adsorption of Cu(II) and Ni(II) ions from wastewater onto bentonite and bentonite/GO composite. Environ. Sci. Pollut. Res. 2020, 27, 33270–33296. [Google Scholar] [CrossRef]
- Cunha, B.S.; Bataglioli, R.A.; Taketa, T.B.; Lopes, L.M.; Beppu, M.M. Ionic liquid functionalization of chitosan beads for improving thermal stability and copper ions uptake from aqueous solution. J. Environ. Chem. Eng. 2019, 7, 103181. [Google Scholar] [CrossRef]
- Darbasizadeh, B.; Fatahi, Y.; Feyzi-Barnaji, B.; Arabi, M.; Motasadizadeh, H.; Farhadnejad, H.; Moraffah, F.; Rabiee, N. Crosslinked-polyvinyl alcohol-carboxymethyl cellulose/ZnO nanocomposite fibrous mats containing erythromycin (PVA-CMC/ZnO-EM): Fabrication, characterization and in-vitro release and anti-bacterial properties. Int. J. Biol. Macromol. 2019, 141, 1137–1146. [Google Scholar] [CrossRef]
- Chen, S.; Zou, Y.; Yan, Z.; Shen, W.; Shi, S.; Zhang, X.; Wang, H. Carboxymethylated-bacterial cellulose for copper and lead ion removal. J. Hazard. Mater. 2009, 161, 1355–1359. [Google Scholar] [CrossRef] [PubMed]
- Ayouch, I.; Kassem, I.; Kassab, Z.; Barrak, I.; Barhoun, A.; Jacquemin, J.; Draoui, K.; El Achaby, M. Crosslinked carboxymethyl cellulose-hydroxyethyl cellulose hydrogel films for adsorption of cadmium and methylene blue from aqueous solutions. Surf. Interfaces 2021, 24, 101124. [Google Scholar] [CrossRef]
- Veglio’, F.; Esposito, A.; Reverberi, A. Copper adsorption on calcium alginate beads: Equilibrium pH-related models. Hydrometallurgy 2002, 65, 43–57. [Google Scholar] [CrossRef]
- Zhang, H.; Omer, A.; Hu, Z.; Yang, L.-Y.; Ji, C.; Ouyang, X.-K. Fabrication of magnetic bentonite/carboxymethyl chitosan/sodium alginate hydrogel beads for Cu (II) adsorption. Int. J. Biol. Macromol. 2019, 135, 490–500. [Google Scholar] [CrossRef]
- Ren, H.; Gao, Z.; Wu, D.; Jiang, J.; Sun, Y.; Luo, C. Efficient Pb(II) removal using sodium alginate-carboxymethyl cellulose gel beads: Preparation, characterization, and adsorption mechanism. Carbohydr. Polym. 2016, 137, 402–409. [Google Scholar] [CrossRef]
- Dewangan, T.; Tiwari, A.; Bajpai, A.K. Removal of chromium(VI) ions by adsorption onto binary biopolymeric beads of sodium alginate and carboxymethyl cellulose. J. Dispers. Sci. Technol. 2011, 32, 1075–1082. [Google Scholar] [CrossRef]
- Samuel, Y.; Garg, A.; Mulugeta, E. Synthesis, DFT Analysis, and Evaluation of Antibacterial and Antioxidant Activities of Sulfathiazole Derivatives Combined with in Silico Molecular Docking and ADMET Predictions. Biochem. Res. Int. 2021, 2021, 7534561. [Google Scholar] [CrossRef]
- Vennila, P.; Venkatesh, G.; Sixto-López, Y.; Kamal, C.; Kaya, S.; Serdaroğlu, G.; Landeros-Rivera, B. Synthesis, spectroscopic characterization, molecular docking studies and DFT calculation of novel Mannich base 1-((4-ethylpiperazin-1-yl)(2-hydroxyphenyl)methyl)naphthalen-2-ol. J. Mol. Struct. 2021, 1246, 131164. [Google Scholar] [CrossRef]
- Voo, W.-P.; Lee, B.-B.; Idris, A.; Islam, A.; Tey, B.-T.; Chan, E.-S. Production of ultra-high concentration calcium alginate beads with prolonged dissolution profile. RSC Adv. 2015, 5, 36687–36695. [Google Scholar] [CrossRef]
- Hidalgo, J.; Hidalgo, L.; Aguiar, C.D.S.; Madroñero, D.B.G.; Galambos, I.; Vilasó-Cadre, J.E.; Reyes-Domínguez, I.A.; Brânzanic, A.M.V.; Ignat, N.; Turdean, G.L. Study of Caesalpinia spinosa Extracts as Green Corrosion Inhibitor for Mild Steel. Langmuir 2025, 41, 9406–9421. [Google Scholar] [CrossRef]
- Akkermans, R.L.C.; Spenley, N.A.; Robertson, S.H. COMPASS III: Automated fitting workflows and extension to ionic liquids. Mol. Simul. 2021, 47, 540–551. [Google Scholar] [CrossRef]
- Jaillet, L.; Artemova, S.; Redon, S. IM-UFF: Extending the universal force field for interactive molecular modeling. J. Mol. Graph. Model. 2017, 77, 350–362. [Google Scholar] [CrossRef] [PubMed]
- Ouakki, M.; Dahmani, K.; Aribou, Z.; Ech-Chihbi, E.; Galai, M.; AlZeqri, N.; Warad, I.; Benzekri, Z.; Guo, L.; AlObaid, A.A.; et al. Adsorption of novel heterocyclic compounds of the purine derivatives as corrosion inhibitors over mild steel surface in acidic medium: Electrochemical, surface characterization and theoretical investigations. Inorg. Chem. Commun. 2023, 157, 111342. [Google Scholar] [CrossRef]
- You, X.; He, M.; Zhang, W.; Wei, H.; Lyu, X.; He, Q.; Li, L. Molecular dynamics simulations of nonylphenol ethoxylate on the Hatcher model of subbituminous coal surface. Powder Technol. 2018, 332, 323–330. [Google Scholar] [CrossRef]
- Dao, D.Q. Corrosion Inhibition Perfomance of Four Natural Thiazole Derivatives: Quantum Chemical and Monte Carlo Simulation Studie. Vietnam J. Sci. Technol. 2018, 55, 35. [Google Scholar] [CrossRef]
- Obot, I.; Kaya, S.; Kaya, C.; Tüzün, B. Density Functional Theory (DFT) modeling and Monte Carlo simulation assessment of inhibition performance of some carbohydrazide Schiff bases for steel corrosion. Phys. E Low-Dimens. Syst. Nanostruct. 2016, 80, 82–90. [Google Scholar] [CrossRef]
- Swamy, B.Y.; Yun, Y.-S. In vitro release of metformin from iron (III) cross-linked alginate—Carboxymethyl cellulose hydrogel beads. Int. J. Biol. Macromol. 2015, 77, 114–119. [Google Scholar] [CrossRef]
- Ibrahim, S.M.; El Salmawi, K.M. Preparation and Properties of Carboxymethyl Cellulose (CMC)/Sodium alginate (SA) Blends Induced by Gamma Irradiation. J. Polym. Environ. 2013, 21, 520–527. [Google Scholar] [CrossRef]
- Riyajan, S.-A.; Nuim, J. Interaction of Green Polymer Blend of Modified Sodium Alginate and Carboxylmethyl Cellulose Encapsulation of Turmeric Extract. Int. J. Polym. Sci. 2013, 2013, 364253. [Google Scholar] [CrossRef]
- Smrdel, P.; Bogataj, M.; Zega, A.; Planinšek, O.; Mrhar, A. Shape optimization and characterization of polysaccharide beads prepared by ionotropic gelation. J. Microencapsul. 2008, 25, 90–105. [Google Scholar] [CrossRef]
- Smrdel, P.; Bogataj, M.; Mrhar, A. The Influence of Selected Parameters on the Size and Shape of Alginate Beads Prepared by Ionotropic Gelation. Sci. Pharm. 2008, 76, 77–89. [Google Scholar] [CrossRef]
- Horsfall, M.; Spiff, A.I. Studies on the effect of pH on the sorption of Pb2+ and Cd2+ ions from aqueous solutions by Caladium bicolor (Wild Cocoyam) biomass. Electron. J. Biotechnol. 2004, 7, 310–320. [Google Scholar] [CrossRef]
- Luk, C.H.J.; Yip, J.; Yuen, C.W.M.; Pang, S.K.; Lam, K.H.; Kan, C.W. Biosorption performance of encapsulated Candida krusei for the removal of copper(II). Sci. Rep. 2017, 7, 2159. [Google Scholar] [CrossRef] [PubMed]
- Huang, Y.; Wu, H.; Shao, T.; Zhao, X.; Peng, H.; Gong, Y.; Wan, H. Enhanced copper adsorption by DTPA-chitosan/alginate composite beads: Mechanism and application in simulated electroplating wastewater. Chem. Eng. J. 2018, 339, 322–333. [Google Scholar] [CrossRef]
- Billah, R.E.K.; El Bachraoui, F.; El Ibrahimi, B.; Oualid, H.A.; Kassab, Z.; Giácoman-Vallejos, G.; Sillanpää, M.; Agunaou, M.; Soufiane, A.; Abdellaoui, Y. Mechanistic understanding of Nickel(II) adsorption onto fluorapatite-based natural phosphate via Rietveld refinement combined with Monte Carlo simulations. J. Solid State Chem. 2022, 310, 123023. [Google Scholar] [CrossRef]
- Ngah, W.W.; Fatinathan, S. Adsorption of Cu(II) ions in aqueous solution using chitosan beads, chitosan-GLA beads and chitosan-alginate beads. Chem. Eng. J. 2008, 143, 62–72. [Google Scholar] [CrossRef]
- Özer, A.; Özer, D.; Özer, A. The adsorption of copper(II) ions on to dehydrated wheat bran (DWB): Determination of the equilibrium and thermodynamic parameters. Process Biochem. 2004, 39, 2183–2191. [Google Scholar] [CrossRef]
- Abdellaoui, Y.; Gamero-Melo, P.; Díaz-Jiménez, L.; Ponce-Caballero, C.; Giácoman-Vallejos, G. Synthesis and Surface Modification of Small Pore Size Zeolite W for Improving Removal Efficiency of Anionic Contaminants from Water. Bull. Environ. Contam. Toxicol. 2020, 105, 934–940. [Google Scholar] [CrossRef]
- Abdellaoui, Y.; Olguín, M.T.; Abatal, M.; Ali, B.; Méndez, S.E.D.; Santiago, A.A. Comparison of the divalent heavy metals (Pb, Cu and Cd) adsorption behavior by montmorillonite-KSF and their calcium- and sodium-forms. Superlattices Microstruct. 2019, 127, 165–175. [Google Scholar] [CrossRef]
- Ho, Y.S.; Porter, J.F.; McKay, G. Equilibrium isotherm studies for the sorption of divalent metal ions onto peat: Copper, nickel and lead single component systems. Water Air Soil Pollut. 2002, 141, 1–33. [Google Scholar] [CrossRef]
- Bazzi, L.; Ayouch, I.; Tachallait, H.; EL Hankari, S. Ultrasound and microwave assisted-synthesis of ZIF-8 from zinc oxide for the adsorption of phosphate. Results Eng. 2022, 13, 100378. [Google Scholar] [CrossRef]
- Han, R.; Zou, W.; Zhang, Z.; Shi, J.; Yang, J. Removal of copper(II) and lead(II) from aqueous solution by manganese oxide coated sand: I. Characterization and kinetic study. J. Hazard. Mater. 2006, 137, 384–395. [Google Scholar] [CrossRef] [PubMed]
- Billah, R.E.K.; Ayouch, I.; Abdellaoui, Y.; Kassab, Z.; Khan, M.A.; Agunaou, M.; Soufiane, A.; Otero, M.; Jeon, B.-H. A Novel Chitosan/Nano-Hydroxyapatite Composite for the Adsorptive Removal of Cd(II) from Aqueous Solution. Polymers 2023, 15, 1524. [Google Scholar] [CrossRef]
- Ayouch, I.; Barrak, I.; Kassab, Z.; El Achaby, M.; Barhoun, A.; Draoui, K. Improved recovery of cadmium from aqueous medium by alginate composite beads filled by bentonite and phosphate washing sludge. Colloids Surf. A Physicochem. Eng. Asp. 2020, 604, 125305. [Google Scholar] [CrossRef]
- Kumar, K.V.; Sivanesan, S. Prediction of optimum sorption isotherm: Comparison of linear and non-linear method. J. Hazard. Mater. 2005, 126, 198–201. [Google Scholar] [CrossRef]
- Ho, Y.; McKay, G. Sorption of dyes and copper ions onto biosorbents. Process Biochem. 2003, 38, 1047–1061. [Google Scholar] [CrossRef]
- Abdellaoui, Y.; El Ibrahimi, B.; Abou Oualid, H.; Kassab, Z.; Quintal-Franco, C.; Giácoman-Vallejos, G.; Gamero-Melo, P. Iron-zirconium microwave-assisted modification of small-pore zeolite W and its alginate composites for enhanced aqueous removal of As(V) ions: Experimental and theoretical studies. Chem. Eng. J. 2021, 421, 129909. [Google Scholar] [CrossRef]
- Vilela, P.B.; Matias, C.A.; Dalalibera, A.; Becegato, V.A.; Paulino, A.T. Polyacrylic acid-based and chitosan-based hydrogels for adsorption of cadmium: Equilibrium isotherm, kinetic and thermodynamic studies. J. Environ. Chem. Eng. 2019, 7, 103327. [Google Scholar] [CrossRef]
- Trikkaliotis, D.G.; Christoforidis, A.K.; Mitropoulos, A.C.; Kyzas, G.Z. Adsorption of copper ions onto chitosan/poly(vinyl alcohol) beads functionalized with poly(ethylene glycol). Carbohydr. Polym. 2020, 234, 115890. [Google Scholar] [CrossRef] [PubMed]
- Li, N.; Bai, R. Copper adsorption on chitosan-cellulose hydrogel beads: Behaviors and mechanisms. Sep. Purif. Technol. 2005, 42, 237–247. [Google Scholar] [CrossRef]
- Ely, A.; Baudu, M.; Kankou, M.O.S.O.; Basly, J.-P. Copper and nitrophenol removal by low cost alginate/Mauritanian clay composite beads. Chem. Eng. J. 2011, 178, 168–174. [Google Scholar] [CrossRef]
- Algothmi, W.M.; Bandaru, N.M.; Yu, Y.; Shapter, J.G.; Ellis, A.V. Alginate-graphene oxide hybrid gel beads: An efficient copper adsorbent material. J. Colloid. Interface Sci. 2013, 397, 32–38. [Google Scholar] [CrossRef]
- Priastomo, Y.; Setiawan, H.R.; Kurniawan, Y.S.; Ohto, K. Simultaneous removal of lead(II), chromium(III), and copper(II) heavy metal ions through an adsorption process using C-phenylcalix[4]pyrogallolarene material. J. Environ. Chem. Eng. 2020, 8, 103971. [Google Scholar] [CrossRef]
- Gao, J.; Lei, H.; Han, Z.; Shi, Q.; Chen, Y.; Jiang, Y. Dopamine functionalized tannic-acid-templated mesoporous silica nanoparticles as a new sorbent for the efficient removal of Cu2+ from aqueous solution. Sci. Rep. 2017, 7, 45215. [Google Scholar] [CrossRef]








| Kinetic Model | Parameters | D_AL@CMC | F_AL@CMC |
|---|---|---|---|
| Pseudo-first-order model | k1 | 0.003 | 0.012 |
| qe | 68.280 | 70.48 | |
| R2 | 0.974 | 0.959 | |
| NSD | 9.223 | 10.197 | |
| χ2 | 6.10 | 15.84 | |
| Pseudo-second-order model | k2 | 0.017 | 4.6 × 10−4 |
| qe | 102.610 | 95.540 | |
| R2 | 0.992 | 0.999 | |
| NSD | 3.914 | 1.252 | |
| χ2 | 1.21 | 0.89 |
| Isotherm Models | Parameters | D_AL@CMC | F_AL@CMC |
|---|---|---|---|
| Langmuir | qm (mg·g−1) | 157.520 | 159.810 |
| kL (dm3·mg−1) | 0.016 | 0.019 | |
| R2 | 0.990 | 0.959 | |
| MPSD | 3.551 | 2.687 | |
| Freundlich | nf | 0.570 | 0.540 |
| KF(mg·g−1)(dm3/mg−1) | 7.110 | 9.110 | |
| R2 | 0.969 | 0.925 | |
| MPSD | 2.918 | 3.104 | |
| SIPS | qm | 172.36 | 168.63 |
| KS | 0.0087 | 0.0067 | |
| R2 | 0.977 | 0.938 | |
| MPSD | 5.353 | 3.524 |
Disclaimer/Publisher’s Note: The statements, opinions and data contained in all publications are solely those of the individual author(s) and contributor(s) and not of MDPI and/or the editor(s). MDPI and/or the editor(s) disclaim responsibility for any injury to people or property resulting from any ideas, methods, instructions or products referred to in the content. |
© 2026 by the authors. Licensee MDPI, Basel, Switzerland. This article is an open access article distributed under the terms and conditions of the Creative Commons Attribution (CC BY) license.
Share and Cite
Barrak, I.; Ayouch, I.; Kassab, Z.; Abdellaoui, Y.; Raissouni, J.; Sair, S.; El Achaby, M.; Draoui, K. Green Hybrid Biopolymeric Beads for Efficient Removal of Copper Ions from Aqueous Solutions: Experimental Studies Assisted by Monte Carlo Simulation. Analytica 2026, 7, 5. https://doi.org/10.3390/analytica7010005
Barrak I, Ayouch I, Kassab Z, Abdellaoui Y, Raissouni J, Sair S, El Achaby M, Draoui K. Green Hybrid Biopolymeric Beads for Efficient Removal of Copper Ions from Aqueous Solutions: Experimental Studies Assisted by Monte Carlo Simulation. Analytica. 2026; 7(1):5. https://doi.org/10.3390/analytica7010005
Chicago/Turabian StyleBarrak, Ilias, Ikrame Ayouch, Zineb Kassab, Youness Abdellaoui, Jaber Raissouni, Said Sair, Mounir El Achaby, and Khalid Draoui. 2026. "Green Hybrid Biopolymeric Beads for Efficient Removal of Copper Ions from Aqueous Solutions: Experimental Studies Assisted by Monte Carlo Simulation" Analytica 7, no. 1: 5. https://doi.org/10.3390/analytica7010005
APA StyleBarrak, I., Ayouch, I., Kassab, Z., Abdellaoui, Y., Raissouni, J., Sair, S., El Achaby, M., & Draoui, K. (2026). Green Hybrid Biopolymeric Beads for Efficient Removal of Copper Ions from Aqueous Solutions: Experimental Studies Assisted by Monte Carlo Simulation. Analytica, 7(1), 5. https://doi.org/10.3390/analytica7010005

