In-Situ Hydrogen Charging Effect on the Fracture Behaviour of 42CrMo4 Steel Submitted to Various Quenched and Tempering Heat Treatments
Abstract
:1. Introduction
2. Materials and Experimental Methods
2.1. Heat Treatments
2.2. Tensile Tests
Testing Conditions
3. Results and Discussion
3.1. Microstructure
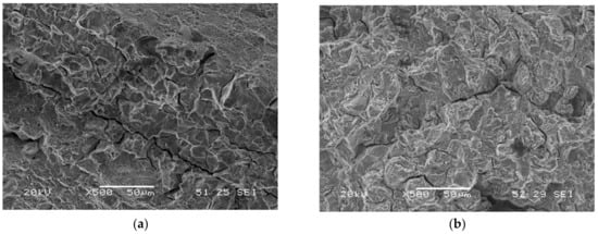
3.2. Tensile Results and Failure Analysis
3.2.1. Smooth Tensile Test Results
3.2.2. Notched Tensile Test Results
4. Discussion
5. Conclusions
Author Contributions
Funding
Data Availability Statement
Conflicts of Interest
References
- WHO. Fact Sheet: Ambient (Outdoor) Air Pollution; WHO: Geneva, Switzerland, 2021. [Google Scholar]
- Barbier, F.; Basile, A.; Nejat Veziroglu, T. Compendium of Hydrogen Energy; Woodhead Publishing Series in Energy; Woodhead Publishing: Sawston, UK, 2015; Volume 3, Available online: https://shop.elsevier.com/books/compendium-of-hydrogen-energy/barbir/978-1-78242-363-8 (accessed on 18 September 2015).
- The Future of Hydrogen, Report Prepared by the IEA for the G20, Japan. 2019. Available online: https://www.iea.org/reports/the-future-of-hydrogen (accessed on 1 June 2019).
- Murakami, Y. The effect of hydrogen on fatigue properties of metals used for fuel cell system. In Advances in Fracture Research; Springer: Dordrecht, The Netherlands, 2007; pp. 167–195. [Google Scholar]
- Rajabipour, A.; Melchers, R.E. Service life of corrosion pitted pipes subject to fatigue loading and hydrogen embrittlement. Int. J. Hydrog. Energy 2018, 43, 8440–8450. [Google Scholar] [CrossRef]
- Oudriss, A.; Fleurentin, A.; Courlit, G.; Conforto, E.; Berziou, C.; Rébéré, C.; Cohendoz, S.; Sobrino, J.; Creus, J.; Feaugas, X. Consequence of the diffusive hydrogen contents on tensile properties of martensitic steel during the desorption at room temperature. Mater. Sci. Eng. A 2014, 598, 420–428. [Google Scholar] [CrossRef]
- Murakami, Y.; Kanezaki, T.; Sofronis, P. Hydrogen embrittlement of high strength steels: Determination of the threshold stress intensity for small cracks nucleating at nonmetallic inclusions. Eng. Fract. Mech. 2012, 97, 227–243. [Google Scholar] [CrossRef]
- Tarzimoghadam, Z.; Rohwerder, M.; Merzlikin, S.; Bashir, A.; Yedra, L.; Eswara, S.; Ponge, D.; Raabe, D. Multi-scale and spatially resolved hydrogen mapping in a Ni–Nb model alloy reveals the role of the δ phase in hydrogen embrittlement of alloy 718. Acta Mater. 2016, 109, 69–81. [Google Scholar] [CrossRef]
- Pfeil, L.B. The effect of occluded hydrogen on the tensile strength of iron. Proc. R. Soc. Lond. Ser. A Contain. Pap. Math. Phys. Character 1926, 112, 182–195. [Google Scholar] [CrossRef]
- Birnbaum, H.; Sofronis, P. Hydrogen-enhanced localized plasticity—A mechanism for hydrogen-related fracture. Mater. Sci. Eng. A 1994, 176, 191–202. [Google Scholar] [CrossRef]
- Jagodzinski, Y.; Hanninen, H.; Tarasenko, O.; Smuk, S. Interaction of hydrogen with dislocation pile-ups and hydrogen induced softening of pure iron. Scr. Mater. 2000, 43, 245e51. [Google Scholar] [CrossRef]
- Djukic, M.B.; Bakic, G.M.; Zeravcic, V.S.; Sedmak, A.; Rajicic, B. The synergistic action and interplay of hydrogen embrittlement mechanisms in steels and iron: Localized plasticity and decohesion. Eng. Fract. Mech. 2019, 216, 106528. [Google Scholar] [CrossRef]
- Wasim, M.; Djukic, M.B.; Ngo, T.D. Influence of hydrogen-enhanced plasticity and decohesion mechanisms of hydrogen embrittlement on the fracture resistance of steel. Eng. Fail. Anal. 2021, 123, 105312. [Google Scholar] [CrossRef]
- ANSI/CSA CHMC 1-2014; Test Method for Evaluating Material Compatibility in Compresses Hydrogen Applications—Phase I—Metals. Canadian Standards Association: Mississauga, ON, Canada, 2014. Available online: https://www.csagroup.org/store/product/2703382/ (accessed on 1 November 2023).
- Zhu, X.; Li, W.; Zhao, H.; Wang, L.; Jin, X. Hydrogen trapping sites and hydrogen-induced cracking in high strength quenching & partitioning (Q&P) treated steel. Int. J. Hydrog. Energy 2014, 39, 13031–13040. [Google Scholar] [CrossRef]
- Gangloff, R.P.; Somerday, B.P. Gaseous Hydrogen Embrittlement of Materials in Energy Technologies. The Problem, Its Characterization and Effects on Particular Alloy Classes; Woodhead Publishing: Sawston, UK, 2012. [Google Scholar]
- Wang, M.; Akiyama, E.; Tsuzaki, K. Effect of hydrogen on the fracture behavior of high strength steel during slow strain rate test. Corros. Sci. 2007, 49, 4081–4097. [Google Scholar] [CrossRef]
- Zafra, A.; Peral, L.; Belzunce, J.; Rodríguez, C. Effect of hydrogen on the tensile properties of 42CrMo4 steel quenched and tempered at different temperatures. Int. J. Hydrog. Energy 2018, 43, 9068–9082. [Google Scholar] [CrossRef]
- Zafra, A.; Álvarez, G.; Belzunce, J.; Rodríguez, C. Influence of tempering time on the fracture toughness of hydrogen pre-charged 42CrMo4 steel. Theor. Appl. Fract. Mech. 2022, 117, 103197. [Google Scholar] [CrossRef]
- Nanninga, N.; Grochowsi, J.; Heldt, L.; Rundman, K. Role of microstructure, composition and hardness in resisting hydrogen embrittlement of fastener grade steels. Corros. Sci. 2010, 52, 1237–1246. [Google Scholar] [CrossRef]
- Ogawa, Y.; Hino, M.; Nakamura, M.; Matsunaga, H. Pearlite-driven surface-cracking and associated loss of tensile ductility in plain-carbon steels under exposure to high-pressure gaseous hydrogen. Int. J. Hydrog. Energy 2021, 46, 6945–6959. [Google Scholar] [CrossRef]
- Imdad, A.; Arniella, V.; Zafra, A.; Belzunce, J. Tensile behaviour of 42CrMo4 steel submitted to annealed, normalized, and quench and tempering heat treatments with in-situ hydrogen charging. Int. J. Hydrog. Energy 2023, 10, 82. [Google Scholar] [CrossRef]
- UNE-EN ISO 6892-1:2016; Metallic Materials. Tensile Test. Part 1: Test Method at Room Temperature (RT). ISO: Geneva, Switzerland, 2016.
- Neuber, H.; Raven, F.A.; Brock, J.S. Theory of Notch Stresses: Principles for Exact Stress Calculations; Julius Springer: Berlin, Germany, 1937. [Google Scholar]
- Arniella, V.; Zafra, A.; Álvarez, G.; Belzunce, J.; Rodríguez, C. Comparative study of embrittlement of quenched and tempered steels in hydrogen environments. Int. J. Hydrog. Energy 2022, 47, 17056–17068. [Google Scholar] [CrossRef]
- Imdad, A.; Zafra, A.; Arniella, V.; Belzunce, J. Hydrogen Diffusivity in Different Microstructures of 42CrMo4 Steel. Hydrogen 2021, 2, 414–427. [Google Scholar] [CrossRef]
- Oriani, R. The diffusion and trapping of hydrogen in steel. Acta Met. 1970, 18, 147–157. [Google Scholar] [CrossRef]
- Zafra, A. Study on Hydrogen Diffusivity and Embrittlement of Quenched and Tempered 42CrMo4 Steel. Ph.D. Thesis, University of Oviedo, Oviedo, Spain, 2021. [Google Scholar]















| C% | Cr% | Mo% | Mn% | P% | S% |
|---|---|---|---|---|---|
| 0.42 | 0.98 | 0.22 | 0.62 | 0.008 | 0.002 |
| Steel Grade | Heat Treatment |
|---|---|
| QT600-3m | 845 °C/40 min + WQ + 600 °C/3 min tempered |
| QT600-30m | 845 °C/40 min + WQ + 600 °C/30 min tempered |
| QT600-2h | 845 °C/40 min + WQ + 600 °C/2 h tempered |
| QT600-24h | 845 °C/40 min + WQ + 600 °C/24 h tempered |
| QT725-4h | 845 °C/40 min + WQ + 725 °C/4 h tempered |
| Steel Grade | Hardness | Test Conditions | Displacement Rate (mm/min) | σys (MPa) | σts (MPa) | HEI (σts) (%) | HEI (RA) (%) |
|---|---|---|---|---|---|---|---|
| QT600-3m | air | 0.4 | 1585 | 1770 | -- | -- | |
| 484 HV | low H | 0.01 | -- | 865 | 51 | 100 | |
| high H | 0.01 | -- | 365 | 79 | 100 | ||
| QT600-30m | air | 0.4 | 1119 | 1204 | -- | -- | |
| 332 HV | low H | 0.01 | 1094 | 1094 | 9 | 65 | |
| high H | 0.01 | 1079 | 1079 | 10 | 70 | ||
| QT600-2h | air | 0.4 | 910 | 1002 | -- | -- | |
| 307 HV | low H | 0.01 | 923 | 956 | 4.6 | 70 | |
| high H | 0.01 | 842 | 919 | 8.3 | 80 | ||
| QT600-24h | air | 0.4 | 796 | 884 | -- | -- | |
| 280 HV | low H | 0.01 | 780 | 866 | 2 | 74 | |
| high H | 0.01 | 765 | 844 | 4.5 | 80 | ||
| QT725-4h | air | 0.4 | 526 | 607 | -- | -- | |
| 206 HV | low H | 0.01 | 564 | 608 | 0 | 63 | |
| high H | 0.01 | 598 | 644 | 0 | 83 |
| Steel Grade | Hardness | Test Conditions | Displacement Rate (mm/min) | σNS (MPa) | HEI (σNS) (%) |
|---|---|---|---|---|---|
| QT600-3m | air | 0.4 | 2055 | -- | |
| 484 HV | low H | 0.01 | 476 | 77 | |
| high H | 0.01 | 457 | 78 | ||
| QT600-30m | air | 0.4 | 1870 | -- | |
| 332 HV | low H | 0.01 | 930 | 50 | |
| high H | 0.01 | 792 | 58 | ||
| QT600-2h | air | 0.4 | 1701 | -- | |
| 307 HV | low H | 0.01 | 1299 | 31 | |
| high H | 0.01 | 891 | 48 | ||
| QT600-24h | air | 0.4 | 1455 | -- | |
| 280 | low H | 0.01 | 1306 | 10 | |
| high H | 0.01 | 1083 | 26 | ||
| QT725-4h | air | 0.4 | 1053 | -- | |
| 206 | low H | 0.01 | 961 | 9 | |
| high H | 0.01 | 851 | 19 |
Disclaimer/Publisher’s Note: The statements, opinions and data contained in all publications are solely those of the individual author(s) and contributor(s) and not of MDPI and/or the editor(s). MDPI and/or the editor(s) disclaim responsibility for any injury to people or property resulting from any ideas, methods, instructions or products referred to in the content. |
© 2023 by the authors. Licensee MDPI, Basel, Switzerland. This article is an open access article distributed under the terms and conditions of the Creative Commons Attribution (CC BY) license (https://creativecommons.org/licenses/by/4.0/).
Share and Cite
Imdad, A.; Varela, F.J.B. In-Situ Hydrogen Charging Effect on the Fracture Behaviour of 42CrMo4 Steel Submitted to Various Quenched and Tempering Heat Treatments. Hydrogen 2023, 4, 1035-1050. https://doi.org/10.3390/hydrogen4040060
Imdad A, Varela FJB. In-Situ Hydrogen Charging Effect on the Fracture Behaviour of 42CrMo4 Steel Submitted to Various Quenched and Tempering Heat Treatments. Hydrogen. 2023; 4(4):1035-1050. https://doi.org/10.3390/hydrogen4040060
Chicago/Turabian StyleImdad, Atif, and Francisco Javier Belzunce Varela. 2023. "In-Situ Hydrogen Charging Effect on the Fracture Behaviour of 42CrMo4 Steel Submitted to Various Quenched and Tempering Heat Treatments" Hydrogen 4, no. 4: 1035-1050. https://doi.org/10.3390/hydrogen4040060
APA StyleImdad, A., & Varela, F. J. B. (2023). In-Situ Hydrogen Charging Effect on the Fracture Behaviour of 42CrMo4 Steel Submitted to Various Quenched and Tempering Heat Treatments. Hydrogen, 4(4), 1035-1050. https://doi.org/10.3390/hydrogen4040060

