Next Article in Journal
Simulation and Modeling of Data Transmission Process in Boreholes Using Intelligent Drill Pipe for a Laboratory Experiment
Previous Article in Journal
Modeling the Bending of a Bi-Layer Cantilever with Shape Memory Controlled by Magnetic Field and Temperature
 
 
Font Type:
Arial Georgia Verdana
Font Size:
Aa Aa Aa
Line Spacing:
Column Width:
Background:
Article

Modeling and Simulation of Electric–Hydrogen Coupled Integrated Energy System Considering the Integration of Wind–PV–Diesel–Storage

College of Information Science and Technology, Donghua University, Shanghai 201620, China
*
Author to whom correspondence should be addressed.
Modelling 2024, 5(4), 1936-1960; https://doi.org/10.3390/modelling5040101
Submission received: 22 October 2024 / Revised: 2 December 2024 / Accepted: 3 December 2024 / Published: 5 December 2024

Abstract

Hydrogen energy plays an increasingly vital role in global energy transformation. However, existing electric–hydrogen coupled integrated energy systems (IESs) face two main challenges: achieving stable operation when integrated with large-scale networks and integrating optimal dispatching code with physical systems. This paper conducted comprehensive modeling, optimization and joint simulation verification of the above IES. Firstly, a low-carbon economic dispatching model of an electric–hydrogen coupled IES considering carbon capture power plants is established at the optimization layer. Secondly, by organizing and selecting representative data in the optimal dispatch model, an electric–hydrogen coupled IES planning model considering the integration of wind, photovoltaic (PV), diesel and storage is constructed at the physical layer. The proposed electric–hydrogen coupling model mainly consists of the following components: an alkaline electrolyzer, a high-pressure hydrogen storage tank with a compressor and a proton exchange membrane fuel cell. The IES model proposed in this paper achieved the integration of optimal dispatching mode with physical systems. The system can maintain stable control and operation despite unpredictable changes in renewable energy sources, showing strong resilience and reliability. This electric–hydrogen coupling model also can integrate with large-scale IES for stable joint operation, enhancing renewable energy utilization and absorption of PV and wind power. Co-simulation verification showed that the optimized model has achieved a 29.42% reduction in total system cost and an 83.66% decrease in carbon emissions. Meanwhile, the simulation model proved that the system’s total harmonic distortion rate is controlled below 3% in both grid-connected and islanded modes, indicating good power quality.

1. Introduction

At present, due to the greenhouse effect and the accelerated depletion of fossil energy, it has become an important development trend to expedite the establishment of a clean, low-carbon, secure and highly efficient energy system, and foster the substitution, transformation and upgrading of fossil fuel consumption. Although the global share of renewable energy in electricity generation is still below 15%, renewable energy is growing rapidly. Over the past five years, renewable energy has accounted for about 60% of the global new electricity generation. Global energy will accelerate the evolution to low-carbon and zero-carbon [1,2]. Based on the International Energy Agency forecast, renewable energy is anticipated to grow swiftly over the next five years. It may be exceeding coal power generation for the first time, and gradually becoming the mainstay energy that supports the development of the economy and society. This indicates that the world is rapidly approaching a tipping point where global fossil fuel generation will be increasingly replaced by clean energy generation [3]. At present, it has become a hot issue to enhance the utilization ratio of renewable energy and achieve multi-energy complementarity [4], strengthen the coupling effect between systems, and build a large-scale IES.
IES serves as the vital physical infrastructure for Energy Internet [5,6]; its core for “source-network-load-storage” whole link is to realize overall planning, construction and operation management, so as to realize the coordination and optimization of each link. This system constructs a multi-energy supply system, which predicts the future development direction of energy supply for human society. Reference [7] focuses on the comprehensive performance of combined cooling, heating and power (CCHP) systems driven by natural gas, solar and geothermal energy resources; it is optimized for systems from energy, economy and emission respectively, and ultimately used the undominated sorting genetic algorithm II to derive the Pareto ideal solution for hybrid system configuration. Reference [8] established a model for the optimal capacity configuration of regional IES. Under the premise of taking investment cost, economic and environmental benefits into maximum consideration, the improved adaptive particle swarm optimization (PSO) algorithm was adopted for optimization. The system took relevant data of typical days for economic operation, and finally proved the effectiveness of the method. Reference [9] proposed a two-layer model for integrated demand response with multiple loads and types. This model skillfully integrates game-theoretic and enhanced PSO algorithms, and not only succeeds in balancing the interests of the participants but also enhances the coordination of the system, which leads to significant economic benefits. Reference [10] considers a multi-energy complementary model of CCHP units, and emphasizes the priority of energy storage configuration. Its optimal goal is to greatly improve its economic benefits by increasing energy storage equipment. At present, the combination of hydrogen energy storage and renewable energy power generation (REPG) in IES is rarely studied. With the development of HESS and diverse IES equipment, the realization of a multi-device coupled energy storage system has gained momentum as a future direction. Current works study the optimal dispatching of cost, capacity and environmental protection of IES, and the collaborative work of multiple systems such as CCHP is considered. The optimization process mainly uses methods such as mathematical programming and PSO. However, there are few studies on introducing hydrogen energy into IES, but with the development of HESS and diverse IES equipment, the combination of hydrogen and other subsystems in IES has become a future trend. Due to the complexity of the system combining hydrogen and renewable energy, it is ideal to study its optimal dispatching using the well-established mixed integer nonlinear programming method.
Carbon capture power plant (CCPP) is one of the important technologies to achieve power system development with low-carbon emissions, and its operation mechanism mainly relies on the carbon capture and storage (CCS) technique [11,12,13], which offers a solution for clean coal-fired power generation. It has become a key way to combat global climate change and mitigate the release of greenhouse gases. Reference [14] deeply analyzed the operation mechanism of CCPP, and built a basic model. Through mathematical modeling, the study quantitatively analyzed the operating interval of the power plant and revealed that CCPP has a deeper regulatory range and flexible operating characteristics. Reference [15] integrated power to gas (P2G) and carbon capture device, discusses synergistic optimization, and proposes an environmentally friendly economic dispatch optimization model. This model provides new ideas for CO2 utilization rather than just storing it. Reference [16] proposes a data-driven economic dispatch method for IESs in distributed parks, which mainly involves the collaborative optimization of CCS and combined heat and power (CHP). Through synergy, the study aims to reduce the total operating cost of the system and promote the efficient use of photovoltaic (PV), thus achieving substantial economic benefits. The above studies only consider CCPP in combination with P2G, and mostly consider the application scenarios of P2G output natural gas. The generation of this involves multiple processes with low energy utilization efficiency, without considering the value of hydrogen and optimizing it.
According to the International Hydrogen Council, it is predicted that the requirement for hydrogen is projected to be ten times the current level, with hydrogen energy expected to account for at least 10% of China’s terminal energy system [17]. Hydrogen, as a secondary energy with abundant sources, is regarded as a new solution for decarbonization of the energy system. Its advantages of high calorific value, zero carbonization, easy transportation and easy storage can effectively contribute to steering the current energy framework toward a new optimization direction. Hydrogen is given different “colors” based on the energy source used in its production process. Gray hydrogen is mainly used to produce hydrogen from traditional fossil energy sources, blue hydrogen primarily utilizes CCS technology for hydrogen production, and green hydrogen is mainly produced using renewable energy to generate electricity, and then produce hydrogen through the electrolysis of water. This is the true form of clean energy, and this “zero-carbon hydrogen” is the ideal direction for the future development of hydrogen energy. In the actual electrolysis process, P2G not only produces natural gas but also hydrogen, where the hydrogen production efficiency is much higher than natural gas. Reference [18] focuses on a full lifecycle assessment of the P2G and the natural gas grid value chain. In the context of the Portuguese mainland energy system, this study utilized energy analysis, lifecycle thinking and impact assessment methods to delve into technology selection and maturity. Additionally, it also provided a detailed analysis of hydrogen production pathways and their potential for sustainability applications, revealing the flexibility and great potential of hydrogen within the energy system. The results obtained demonstrated the sensitivity of the methodology, necessitating a multi-decision process to assist in planning. References [19,20] discussed the power-to-hydrogen conversion in alkaline electrolytic water systems powered by renewable energy sources, which achieves almost zero carbon emissions and demonstrates its remarkable advantages of environmental benefits. Reference [21] proposed a wind electrolysis hydrogen storage system for different markets, and considered the potential economic benefits of converting curtailed wind power into hydrogen for market trading. The study considered the optimal operation for profit maximization considering conditional value at risk. The conversion to hydrogen is ultimately shown to generate profits, highlighting the importance of hydrogen in the energy market. Reference [22] designed an electric–hydrogen–thermal multi-energy complementary system integrating an alkaline electrolyzer (AE), a hydrogen storage tank (HST) and gas-doped hydrogen technology. The study focuses on the coordination issues and uncertainties between REPG, electrical load and price. Through optimization strategies, the system was optimized for energy efficiency while minimizing total cost and wind abandonment. Through the above analysis, it can be seen that the models established in the above references [18,19,20,21,22] and most of the existing related references are single and lack of multi-aspect investigation. Existing research usually only concentrates on a limited range of hydrogen application scenarios, and rarely covers the entire hydrogen energy industry chain research from AE, methane reactor (MR), hydrogen energy storage system (HESS), hydrogen fuel cell (HFC) and gas-fired hydrogen-doped technology.
Over the past few years, there has been an increasing focus on researching the modeling and control direction of electric–hydrogen coupling and wind–PV–storage [23,24,25,26] hybrid systems, and HFC technology [27,28] has been further explored and developed in the electrical and chemical industry. Reference [29] developed an innovative mathematical model that integrates PV solar panels and proton exchange membrane (PEM) water electrolyzer technology. The model conducted an in-depth analysis of the system’s membrane thickness, operating temperature and maximum power point tracking output to assess its potential for hydrogen production. Through comparative experiments, it was demonstrated that the model significantly enhances the efficiency of hydrogen production in PV-assisted PEM systems, offering guiding significance in green hydrogen production. Reference [30] designed and validated a PEM electrolyzer digital replica based on an equivalent circuit model using Excel and Matlab platforms. This system features strong adaptability, ease of reproduction and scalability, primarily aimed at producing green hydrogen and energy storage. Reference [31] developed a hydrogen production system model founded on proton exchange membrane (PEM) in Simulink, which mainly includes four modules: cathode and anode modules, membrane and voltage calculation module. This paper mainly analyzed the efficiency reduction and voltage loss of the stack and other modules, and conducted simulation tests to validate the consistency between the model and experimental dataset. Reference [32] presented an intelligent control hybrid system that integrated PV and hydrogen energy storage, adopted a fuzzy logic control method and network genetic algorithm for offline optimization, and finally verified the reliable performance of the system. Most of the aforementioned studies have focused on the modeling systems for hydrogen production from renewable energy sources and for power generation using HFC, but there is no comprehensive modeling analysis of hydrogen’s full life cycle, including production, storage and application. Few studies have integrated hydrogen with large-scale IES. In addition, most of the references either focus on optimal dispatch problems or physical system simulation, while there is still a gap in research between optimization and simulation.
Overall, there are fewer studies on the combination of hydrogen and renewable energy in IES-related research, and most of them are orientated towards the combination of hydrogen and a single renewable energy source. Meanwhile, existing studies seldom cover the comprehensive process of hydrogen production and utilization. In addition, studies on IES typically focus on optimal dispatching problems or simulation studies, with less emphasis on combining the two.
Based on the above investigations, this paper constructed a framework for an electric–hydrogen coupled IES and built models based on the framework. First, this paper developed a low-carbon dispatch model of an electric–hydrogen coupled IES considering CCPP at the optimization layer, which fully considered the combination of hydrogen energy with multiple renewable energy sources. Then based on the obtained optimal dispatch results, an electric–hydrogen coupled IES model considering the integration of wind, PV, diesel and storage was built at the physical layer using the Matlab/Simulink platform. By combining the optimization layer and the physical layer for verification, it can be concluded that the optimization results reflect the proposed model’s low-carbon economic attributes and positively contribute to the system’s operational flexibility and energy utilization efficiency. The results of the physical layer reflected that the hydrogen storage system can achieve stable operation in the coupled operation with multiple energy sources, which indicated that the system possesses favorable performance characteristics. It offers a theoretical basis for the electric–hydrogen coupling model and the application of large-scale integrated systems in the future.
The key contributions of this paper are outlined below:
  • An electric–hydrogen coupled IES optimal dispatch model was set up according to the proposed IES framework, and simulation was carried out using Simulink based on the optimization results to combine the optimization layer with the physical layer. The combination validates the feasibility of the optimal dispatch control process of the actual electrical power system, so that information interaction can be realized.
  • This paper uses mixed-integer nonlinear programming to build the optimization layer model, which considers economic, environmental and energy efficiency factors, and uses Cplex commercial solver to derive the global optimum. The physical layer is simulated by grid-connected and islanded situations for validatingvalidate the stable operation of the system in different modes.
  • This paper introduces HESS into the IES system to form a large-scale integrated system with renewable energy sources and an energy storage system. Furthermore, this paper builds a model of AE and HST with a controlled source for simulating the characteristics of AE.
The subsequent sections of this study are outlined below: Section 2 describes the components and characteristics of the IES model. Section 3 offers a detailed description of the models of the optimization layer and physical layer. Section 4 provides validation and detailed analysis of the simulation results. Section 5 concludes this study and considers the future.

2. IES Modeling

The IES framework model proposed in this paper is shown in Figure 1, which is considered in terms of the four demands of electricity, heat, gas and hydrogen. The model specifically includes an optimal dispatch model of an electric–hydrogen coupled IES considering CCPP, and a power simulation model for the electrical load section of the system. In this chapter, the above two sections of the model will be introduced.

2.1. Optimal Dispatching Model for IES

This paper considered the specific needs of IES for low carbon, low cost, stable operation, and established an optimal dispatching model. The details are as follows: electricity demand is satisfied by the grid, CCPP, PV, wind power, CHP unit and HFC; heat demand is satisfied by heat storage tank (HS), CHP unit and gas boiler (GB); gas demand is mainly obtained through purchases from the gas network and P2G equipment; hydrogen demand is mainly obtained through a refined P2G two-stage process, where hydrogen is produced by AE and introduced into MR, HST, HFC and hydrogen-doped CHP.
This paper pays special attention to PV and wind turbines with large randomness, and commits to fully leveraging the internal power generation potential of the system. The system gives priority to the internal equipment output of the system, as far as possible to increase the utilization of renewable energy for peak shaving and valley filling to achieve multi-energy complementary. When the internal output can not meet the operation demand, it then considers purchasing power from the grid to sustain the system’s reliable functioning.

2.2. Power Simulation Model for Electrical Load Section

To fully validate the proposed optimal dispatch model and consider the structure and operation conditions of the system’s electrical power section in real scenarios. This paper conducts a simulation verification of the electrical load part of the system. The simulation model is built in Simulink, which mainly contains four key parts: the REPG system, HESS, other auxiliary systems and the power grid.
Among them, REPG systems, including PV and wind turbines, provide clean energy for the load side. HESS includes AE, HST and proton exchange membrane fuel cells (PEMFCs) [33]. Installing HESS can effectively mitigate the intermittency and randomness of renewable energy. AE and PEMFC play a crucial role as key equipment to realize the conversion between electricity and hydrogen. Auxiliary systems, including energy storage systems and diesel generators, are designed to mitigate the instability of REPG. The energy storage system is capable of mitigating the fluctuations of renewable energy sources, while the diesel generator complements them to ensure that the system can steadily meet various power demands. In addition, the integrated system is linked with the power grid, which not only enables cross-regional energy transfer, but also enhances the operational reliability and flexibility of the entire energy system.
The IES system constructed in this study is more suitable for green industrial parks. In this case, PV, wind turbine, HESS [34], energy storage system and diesel generator are connected to the alternating current (AC) bus through their respective power conversion modules, and subsequently linked to the power grid. Its electrical load is mainly supplied by PV, wind, energy storage systems and PEMFCs. Bi-directional direct current (DC)–DC energy storage system can realize the bidirectional flow of electricity, which can effectively balance the power grid load and reduce peak-to-valley differences. When the power generation exceeds the load power consumption, the energy storage system absorbs excess power, and when the power generation is insufficient, the energy storage system discharges. Energy storage devices can quickly respond to fluctuations in grid frequency and voltage, providing significant support for the stability of the power system. A diesel generator primarily serves as a backup power source. When the power grid fails, the diesel generator is connected to fulfill the system’s requirements for temporary power supply. Hydrogen energy is mainly utilized in the following way: when there is a surplus of electricity within the system, part of the electricity is consumed with P2G equipment used for hydrogen production. Part of the hydrogen is stored in HST, and the other part is used for PEMFC power generation. PEMFCs can also provide electricity for AE. This recycling approach enhances the system’s economic viability and environmental sustainability. The overall architecture and operation mechanism of the system are optimized through configuration modeling as described above.

3. Subsystem Mathematical Modeling

3.1. Optimization Layer Mathematical Modeling

3.1.1. CCPP

By retrofitting conventional coal-fired units, combined with carbon capture systems, liquid storage tanks and other equipment, a flexible operation CCPP can be formed [35]. Its operation model is shown below:
{ P G ( t ) = P C C P P , o u t ( t ) + P C C ( t ) P C C ( t ) = P A + P O P ( t ) P O P ( t ) = ω c E 2 G ( t ) E G ( t ) = e G P G ( t ) E 1 G ( t ) = λ t μ 1 E G ( t ) E 2 G ( t ) = E 1 G ( t ) + E r ( t ) E C C ( t ) = μ 2 E 2 G ( t )
where P G ( t ) represents the total power of the coal-fired unit; P C C P P , o u t ( t ) and P C C ( t ) are the net output power and energy consumption of CCPP, respectively; P A is the maintenance energy consumption of CCPP; P O P ( t ) denotes the operation energy consumption of CCPP; ω c is the operation energy consumption coefficient of CCPP; E G ( t ) denotes the total CO2 production of coal-fired unit; e G denotes the carbon emission intensity of the coal-fired unit; λ t denotes the flue gas split ratio; E 1 G ( t ) and E 2 G ( t ) are the CO2 absorbed by the absorption tower and the CO2 regenerated by the regeneration tower, respectively; μ 1 and μ 2 are the absorption and regeneration efficiency, respectively; and E r ( t ) denotes the CO2 outflow from the liquid-rich tank in time period t. Positive value signifies the flow from the liquid-rich tank to the regeneration tower, and negative value signifies the flow from the absorption tower to the liquid-rich tank; and E C C ( t ) is the actual CO2 capture in time period t.
Liquid storage tanks mainly include liquid-poor tanks and liquid-rich tanks, and its mathematical model is as follows:
{ E r ( t ) = χ c o 2 v r , out ( t ) v r , o u t ( t ) + v p , o u t ( t ) = 0 V p ( 1 ) = V p ( T ) V r ( 1 ) = V r ( T ) 0 V r ( t ) V r max 0 V p ( t ) V p max V p ( t ) = V p ( t 1 ) v p , o u t ( t ) V r ( t ) = V r ( t 1 ) v r , o u t ( t )
where, χ c o 2 is the density of CO2 solution in the liquid-rich tank; v p , o u t ( t ) and v r , out ( t ) are the outflow of the liquid-poor tank and liquid-rich tank; V p ( t ) and V r ( t ) are the storage capacity of liquid-poor and liquid-rich tanks, respectively; V r max and V p max are the maximum storage volume of liquid-poor and liquid-rich tanks, respectively; and T is a dispatch cycle.

3.1.2. Hydrogen Energy Storage Subsystems

P2G is a key technology to promote wind power consumption and realize carbon recycling. This paper considers the P2G refinement process, which is classified into two processes: electric hydrogen production and methanation. The efficiency of the electric hydrogen production is about 80%, and the efficiency of the methanation process is about 75%, after the reaction of the two processes, the overall efficiency is about 60%, and the conversion efficiency is low. Therefore, this paper pays special attention to hydrogen, an intermediate product produced in the electric hydrogen production process. As a high calorific value and zero-pollution energy source, hydrogen can be used for storage, production and power generation.
The mathematical model of AE is as follows:
P E L , o u t ( t ) = η E L P E L , i n ( t )
where P E L , i n ( t ) and P E L , o u t ( t ) denote the input and output power of AE, respectively; and η E L is the energy transformation efficiency of AE.
The mathematical model of MR is as follows:
P M R , o u t ( t ) = η M R P M R , i n ( t )
where P M R , i n ( t ) and P M R , o u t ( t ) denote the input and output efficiencies of MR, respectively; and η M R denote the energy transformation efficiency of MR.
To realize the spatiotemporal complementarity of different energy resources in terms of power output, HST is introduced to store excess hydrogen, and the remaining hydrogen can be applied to methanation reaction, HFC power generation and gas-fired hydrogen-doped CHP. Hydrogen can be widely used in multiple processes such as heat supply, power supply and gas supply, and is a new zero-carbon energy source under the new situation, which can support multi-scenario energy storage applications in all segments of the energy chain and promote the complementary growth with renewable energy sources.
The mathematical model of HST [36] is as follows:
{ 0 I H S T , i n ( t ) + I H S T , o u t ( t ) 1 0 P H S T , i n ( t ) I H S T , i n ( t ) P H S T , i n , max 0 P H S T , o u t ( t ) I H S T , o u t ( t ) P H S T , o u t , max E H S T ( t ) = E H S T ( t 1 ) + η H S T , i n P H S T , i n ( t ) P H S T , o u t ( t ) η H S T , o u t E H S T ( 1 ) = E H S T ( T ) E H S T   min E H S T ( t ) E H S T   max
where E H S T ( t ) is the storage capacity of HST at time t; P H S T , i n ( t ) and P H S T , o u t ( t ) are the hydrogen storage and release power at time t, respectively; η H S T , i n and η H S T , o u t are the hydrogen storage and release efficiency, respectively; E H S T ( t ) and E H S T ( t 1 ) are the hydrogen storage capacity of HST at times t and t − 1, respectively; E H S T   min and E H S T   max are the upper and lower limits of hydrogen storage capacity, respectively; P H S T , i n , max and P H S T , o u t , max are the maximum power consumed by the HST’s hydrogen storage and release power, respectively; and I H S T , i n ( t ) and I H S T , o u t ( t ) are 0–1 integer variables, respectively, that describe the state of energy storage or release of HST at time t. When the value I H S T , i n ( t ) is 1, HST is in the energy storage state; when the value I H S T , o u t ( t ) is 1, HST is in the energy release state.
The mathematical model of HFC is as follows:
P H F C , o u t ( t ) = η H F C P H F C , i n ( t )
where P H F C , i n ( t ) and P H F C , o u t ( t ) denote the input and output power of HFC, respectively; and η H F C denote the power generation efficiency of HFC.
The gas-fired hydrogen-doped mixes a partial proportion of hydrogen doped into natural gas for combustion, improving the combustion efficiency of the CHP unit while making the fuel source cleaner and low-carbon. Its mathematical model is as follows:
{ α ( t ) = P C H P , H 2 , i n ( t ) L H 2 / ( P C H P , H 2 , i n ( t ) L H 2 + P C H P , C H 4 , i n ( t ) L C H 4 ) 0 α ( t ) 20 % L m i x = α ( t ) L H 2 + [ 1 α ( t ) ] L C H 4 P C H P , in ( t ) = L m i x ( P C H P , H 2 , i n ( t ) L H 2 + P C H P , C H 4 , i n ( t ) L C H 4 ) P C H P , e ( t ) + P C H P , h ( t ) = η C H P P C H P , in ( t ) δ C H P , min P C H P , e ( t ) P C H P , h ( t ) δ C H P , max P C H P , e ( t )
where α ( t ) is the gas-fired hydrogen-doped ratio; P C H P , H 2 , i n ( t ) and P C H P , C H 4 , i n ( t ) denote the hydrogen and natural gas input power to the CHP unit through the gas hydrogen doping device, respectively; P C H P , in ( t ) denotes the power of mixed gas input power to the CHP unit; L H 2 , L C H 4 and L m i x are the low calorific value of hydrogen, natural gas and mixed gas, respectively; P C H P , e ( t ) and P C H P , h ( t ) are the output electrical and heat power of CHP, respectively; η C H P denotes the comprehensive efficiency of CHP, which is equal to the sum of electrical and heat conversion efficiency; and δ C H P , max and δ C H P , min denote the upper and lower adjustable boundaries of the thermoelectric ratio, respectively.`

3.1.3. GB

The mathematical model of GB is as follows:
P G B , h , o u t ( t ) = η G B P G B , g , i n ( t )
where P G B , h , o u t ( t ) and P G B , g , i n ( t ) denote the output heat and input gas power of GB, respectively; and η G B denotes the gas production efficiency of GB.

3.2. Objective Function and Optimization Strategy

Economic efficiency, low-carbon effect and efficient energy utilization are the main aspects considered in current energy system optimization. In this study, the optimal dispatch model is considered to minimize the total operating cost as the optimal dispatch goal. In pursuit of achieving higher low-carbon gains, the model incorporates a stepped carbon trading mechanism to control carbon trading costs and implement stricter carbon emission limits. Total cost F consists of coal fuel cost C c o a l , carbon sequestration cost C t C S , gas purchase cost C g a s and carbon trading cost C C O 2 t r a d e . The objective function is shown below:
min F = min ( C c o a l + C t C S + C g a s + C C O 2 t r a d e )
  • Coal fuel, carbon sequestration and gas purchase costs are as follows:
    { C c o a l = t = 1 T k c o a l P G ( t ) C g a s = t = 1 T k g a s P g , b u y ( t ) E P 2 G ( t ) = ϕ h e ρ CO 2 P M R , o u t ( t ) L CH 4 C t C S = k C S t = 1 T [ E C C ( t ) E P 2 G ( t ) ]
    where k c o a l , k g a s and k C S are the unit power generation cost of the coal-fired unit, the unit gas purchase cost of the natural gas market and the unit CO2 storage cost, respectively; P g , b u y ( t ) denotes the system’s purchasing power; E P 2 G ( t ) denotes the volume of captured CO2 to be utilized by P2G facility; and ρ CO 2 represents the gas density of CO2.
  • Carbon trading cost
This study adopts the stepped carbon trading mechanism [37,38], according to China’s relevant carbon emission distribution implementation program, users and enterprises are allocated certain carbon emission quotas according to unified rules through the establishment of legal carbon emission rights. By employing this rule to flexibly regulate carbon emissions levels, users with excess emissions are limited by raising prices to achieve emission reduction, and low-emission users can sell their allowances for profit.
Through the difference in carbon price setting, carbon emissions are better reduced. In this paper, CCPP and CHP units are mainly considered to be included in quota management, among which GB is not included in quota management for the time being and belong to pure heating facilities, so they are not considered for the time being. The initial system’s carbon emission allowance is as follows:
{ E I , 0 = E N , 0 + E C H P , 0 E N , 0 = χ C o a l e t = 1 T P G ( t ) E C H P , 0 = χ g a s e t = 1 T P C H P , e ( t ) + χ g a s h t = 1 T ϕ h e P C H P , h ( t )
where E I , 0 , E N , 0 and E C H P , 0 denote the initial carbon emission quotas of IES, CCPP and CHP units, respectively; χ C o a l e , χ g a s e and χ g a s h are the baseline value of the power supply for a coal-fired unit and the baseline value of the power supply and heat supply for a gas-fired unit, respectively; and ϕ h e denotes the thermoelectric transformation coefficient.
The actual emissions of the system mainly consider the total emissions of CCPP, GB and CHP units:
{ E I = E N + E G B + E C H P E N = t = 1 T [ E G ( t ) E C C ( t ) ] E C H P = t = 1 T λ CH 4 ψ CH 4 ϕ h e P C H P , C H 4 , i n ( t ) × 44 12 E G B = t = 1 T λ CH 4 ψ CH 4 ϕ h e P G B , g , i n ( t ) × 44 12
where E I , E N , E G B and E C H P denote the factual CO2 emissions of IES, CCPP, GB and CHP units, respectively; E G ( t ) and E C C ( t ) are the total CO2 production and actual capture, respectively, of CCPP in time period t; ψ CH 4 represents the ratio of carbon oxidation in natural gas; λ CH 4 signifies the carbon content per unit of calorific value in natural gas; and 44/12 indicates the ratio of relative molecular mass of carbon dioxide to carbon.
The carbon emission trading volume of the carbon trading market that the system actually engages in is the difference between carbon emission and carbon emission quota, as shown below:
Δ E = E I E I , 0
The mathematical model of stepped carbon trading cost is as follows:
C C O 2 t r a d e = { c ( 1 + θ ) ( Δ E + L ) c L Δ E L c Δ E L < Δ E L c ( 1 + θ ) ( Δ E L ) + c L L < Δ E 2 L c ( 1 + 2 θ ) ( Δ E 2 L ) + c ( 2 + θ ) L 2 L < Δ E 3 L c ( 1 + 3 θ ) ( Δ E 3 L ) + c ( 3 + 3 θ ) L 3 L < Δ E 4 L c ( 1 + 4 θ ) ( Δ E 4 L ) + c ( 4 + 6 θ ) L 4 L < Δ E
where c denotes the baseline carbon trading price; L denotes the step size of the carbon emission allowance range; and θ denotes the carbon trading price increment rate.

3.3. Constraints

3.3.1. Power Balance Constraints

The four powers of electricity, heat, gas and hydrogen within the IES system need to meet the following balance constraints:
{ P C C P P , o u t ( t ) + P W G ( t ) + P V G ( t ) + P H F C , o u t ( t ) + P C H P , e ( t ) = P E L , i n ( t ) + P e L o a d ( t ) P C H P , h ( t ) + P G B , h , out ( t ) + P H S , o u t ( t ) = P h L o a d ( t ) + P H S , i n ( t ) P M R , o u t ( t ) + P g , b u y ( t ) = P C H P , C H 4 , i n ( t ) + P G B , g , i n ( t ) + P g L o a d ( t ) P E L , o u t ( t ) + P H S T , o u t ( t ) = P M R , i n ( t ) + P H F C , i n ( t ) + P C H P , H 2 , i n ( t ) + P H S T , i n ( t )
where P e L o a d ( t ) , P h L o a d ( t ) and P g L o a d ( t ) denote the load demand of electricity, heat and gas of the system, respectively; P W G ( t ) and P V G ( t ) represent the actual wind and PV output power, respectively; and P H S , i n ( t ) and P H S , o u t ( t ) denote the heat storage and release power of HS, respectively.

3.3.2. CCPP Constraints

{ P G min P G ( t ) P G max 0 λ t 1 | P G ( t + 1 ) P G ( t ) | Δ P G 0 P O P ( t ) ω c τ μ 1 e G P G max
where P G max and P G min signifies the upper and lower boundaries, respectively, of the coal-fired unit total output; Δ P G signifies the output climb rate constraint of CCPP; and τ signifies the maximum condition factor of the regenerator and compressor.

3.3.3. Wind and PV Constraints

{ 0 P W G ( t ) P W G , max 0 P V G ( t ) P V G , max
where P W G ( t ) and P V G ( t ) signify the real output of wind and PV power, respectively; and P W G , max and P V G , max signify the wind and PV predicted output power, respectively.

3.3.4. Energy Conversion Equipment Constraints

The main equipment for energy conversion in this paper are the MR, CHP, GB, AE and HFC. To guarantee the reliable and steady functioning of the equipment, as well as to accommodate variations in power and response speed, the input power’s necessary capacity constraints and climbing constraints should be considered.
{ 0 P i ( t ) P i max | P i ( t + 1 ) P i ( t ) | Δ P i
where P i ( t ) denotes the input power of the i -type energy conversion device; P i max denotes the maximum capacity limitation of the i -type device; and Δ P i denotes the climbing rate constraint of the i -type device.

3.3.5. Energy Storage Device Constraints

The constraints of the liquid storage tank and HST mentioned in this paper are shown in Equations (2) and (5), respectively. The HS model is similar to HST, so it will not be repeated.

3.4. Physical Layer Mathematical Modeling

3.4.1. AE Model

The main equipment for electric hydrogen production is AE, which produces hydrogen and oxygen by electrolyzing water without carbon emissions, clean and pollution-free. Currently, there are three types widely used: AE, solid oxide electrolyzer and proton exchange membrane electrolyzer. Based on the comprehensive consideration of cost, mature technology development and safety, AE is selected for modeling in this study. The process of electric hydrogen production [39,40] is a complex chemical process, so this paper adopted an electrochemical analysis framework. Taking the circuit into account, the electrolyzer can be regarded as a voltage-sensitive nonlinear DC load, where the input current and temperature are the two factors that affect the output voltage. In the actual hydrogen production process, the electrolysis equipment usually consists of several electrolyzer units in a sequential connection. This study merely addressed the modeling issue of a single electrolyzer. The operating characteristic curve of the electrolyzer can be represented by the following equation:
U e l = n c [ U r + r 1 + r 2 T e l A I e l + k e l ln ( k T 1 + k T 2 / T e l + k T 3 / T e l 2 A I e l + 1 ) ]
where U e l is the output voltage of AE; I e l is the working current of AE; U r signifies the standard condition reversible voltage of AE; r 1 and r 2 signify the ohmic resistance parameters; k e l , k T 1 , k T 2 and k T 3 are the electrode overvoltage parameters of AE; T e l is the working temperature of AE; A is the electrode surface area of AE; and n c denotes the quantity of AE cells in a series configuration.
The reversible voltage and operating temperature of AE is given below:
U r = U r 0 k r ( T e l 298.15 )
where U r 0 stands for the reversible voltage under standard conditions; and k r signifies the empirical temperature coefficient for reversible voltage.
In accordance with Faraday’s law, the velocity of electric hydrogen production is in direct ratio with the electrolytic cycle current, and the hydrogen production rate and Faraday’s efficiency can be expressed as follows:
W e l e c = η F n c I e l 2 F
η F = ( I e l / A ) 2 k f 1 + ( I e l / A ) 2 k f 2
where W e l e c is the hydrogen production flow rate; η F denotes the Faraday efficiency associated with current density; k f 1 and k f 2 denote the Faraday efficiency parameters; and F denotes the Faraday constant.
With reference to the aforementioned mathematical model, the U-I characteristic model and hydrogen production velocity model of AE were built in Matlab/Simulink R2022a. Its relevant model parameters are shown in Table 1.

3.4.2. HESS Model

Hydrogen storage technology is gaining prominence in the progression of hydrogen energy development. Hydrogen storage is usually stored via physical and chemical methods. This paper adopted the widely used high-pressure gaseous hydrogen storage method. The hydrogen storage unit is divided into two parts: HST [41,42] and the compressor. The main process involves compressing the hydrogen produced by AE into a high-pressure HST for storage. The power expenditure of the compressor and the HST pressure are shown below:
P T P = W e l e c C pH 2 T T P η T P [ ( P o u t l e t P i n l e t ) γ 1 γ 1 ]
where W e l e c denotes the hydrogen current velocity at the compressor inlet; C p H 2 denotes the specific heat capacity of hydrogen; T T P denotes the hydrogen temperature at the inlet of the compressor; η T P denotes the compressor efficiency; P o u t l e t and P i n l e t denote the pressure of the compressor outlet and the gas inlet, respectively; and γ is the standard state of the hydrogen-specific heat ratio.
Based on the gas equation, the HST internal pressure is calculated as follows:
P tank = n H 2 R T tank V tank
n H 2 ( t 0 + Δ t ) = n 0 ( t 0 ) + t 0 t 0 + Δ t q H 2   d t
q H 2 = W e l e c W f c
where P tank is the HST pressure; V tank signifies the volume of HST; R signifies the molar gas constant; n H 2 denotes the amount of hydrogen substance; T tank is the gas temperature; n 0 ( t 0 ) is the initial amount of substance in the tank at the time t 0 ; and W f c denotes the current velocity at the outlet of HST.
Through the above analysis, the simulation model of HST and compressor was established in Matlab/Simulink R2022a. Its relevant model parameters are shown in Table 2.

3.4.3. PEMFC Model

The PEMFC system consists of several components, including an air compressor model, a gas supply system model (cathode and anode), a backpressure valve model and an electric stack model. This paper focuses on the electric stack model. The electric stack is the key section of the PEMFC system, which is responsible for the redox reaction of hydrogen and oxygen to generate electricity. The construction of the electric stack model is grounded in the working principle and mathematical model of PEMFC, aiming to accurately model and simulate the electrolytic process and energy delivery of the electric stack components.
The output voltage of PEMFC is as follows:
V c e l l = E N e r n s t V a c t V o h m V c o n
where V c e l l denotes the working voltage of PEMFC; E N e r n s t denotes the reversible voltage; V a c t is the activation overpotential caused by reaction kinetics; V o h m denotes the ohmic overpotential resulting from ionic and electronic impedance; and V c o n is the concentration overpotential caused by mass transfer.
In practical scenarios, due to the limitation of battery power, the power generated by an individual electrolyzer is insufficient to satisfy the system’s needs, and it is common to connect multiple PEMFCs in series to enhance the total output power of the fuel cell. Therefore, when multiple fuel cells are assembled in series to constitute a battery stack, its output voltage can be expressed as follows:
V s t a c k = n V c e l l
where n denotes the quantity of serial cells; and V c e l l denotes the output voltage of a single cell.
At standard atmospheric pressure of 101.325 kpa and temperature of 298.15 k, Nernst voltage can be calculated as follows:
E N e r n s t = 1.229 8.5 × 10 4 ( T f c 298.15 ) + 4.3085 × 10 5 T f c [ ln ( p H 2 ) + 0.5 ln ( p o 2 ) ]
where T f t represents the temperature of PEMFC; p H 2 and p o 2 signify the partial pressure at the interface of hydrogen and oxygen, respectively.
The activation overpotential of PEMFC is as follows:
V a c t = V 0 + V a ( 1 e c 1 i )
where V 0 signifies the open-circuit voltage; i signifies the current density; and V a and c 1 are empirical parameters.
Among these,
V 0 = 0.279 8.5 × 10 4 ( T f c 298.15 ) + 4.308 × 10 5 T f c [ ln ( p ca p sat 1.01325 ) + 1 2 ln ( 0.1173 ( p ca p sat ) 1.01325 ) ] V a = ( 1.618 × 10 5 T f c + 1.618 × 10 2 ) ( p o 2 0.1173 + p sat ) 2 + ( 1.8 × 10 4 T f c 0.166 ) ( p o 2 0.1173 + p sat ) + ( 5.8 × 10 4 T f c + 0.5736 )
where p ca represents the cathode pressure of the cell; and p sat represents the saturated vapor pressure.
Using Ohm’s law, the expression of Ohm overpotential can be obtained as follows. Due to the differences in the composition ratio and environmental suitability of PEM materials, the membrane exhibits different conductivities. The conductivity can be expressed as follows:
V o h m = i R o h m = i t m σ m
σ m = ( 0.514 λ m 0.033 ) e [ 1268 ( 1 303 1 T f c ) ]
where R o h m is the equivalent total transport impedance of PEM; t m denotes the thickness of PEM; σ m denotes the conductance of PEM; and λ m is the PEM water content.
PEMFC concentration overpotential is:
V c o n = B ln ( i L i L i )
where i L denotes the limit current density; and B denotes a formula constant that varies with the operating state of cells.
Based on the aforementioned mathematical model, a corresponding model was constructed in Matlab/Simulink R2022a. Its relevant model parameters are shown in Table 3.
In this study, we explored PV panels and hydrogen-related devices, taking into account the degradation issues such as efficiency decline and material aging that may be encountered after long-term use in practical applications. These issues may affect power generation efficiency, hydrogen yield and system reliability, thereby impacting overall performance. In view of this, we developed a mathematical model based on a series of idealized assumptions. For PV panels, we assumed that they were evaluated under standard test conditions, i.e., an ambient temperature of 25 °C and an air pressure of one standard atmosphere. In addition, we assume that the PV conversion efficiency remains constant, unaffected by changes in temperature and light intensity. For hydrogen energy devices, we regard the gas as ideal and assume that the gas temperature remains constant. For HST, we consider their volume to be constant. For the fuel cell model, we assume that the internal resistance remains constant, while ignoring changes in fuel pressure in the intake pipe. Through these idealized assumptions, we aim to analyze and predict the performance of the system under ideal conditions, providing a theoretical basis for further research and practical applications.

3.5. Framework Analysis and Solution

The framework constructed in this paper is essentially segmented into three key steps. The first step is to build a low-carbon economic dispatching model with reference to the proposed IES structure, which is a mixed integer nonlinear programming problem [43,44,45] characterized by high-dimensional nonlinearity that requires linearization. Subsequently, the solution is obtained by employing the commercial solver Cplex within Matlab. The second step involves creating a Simulink simulation model based on the above framework and actual scenario requirements. From the optimal dispatching outcomes, three adjacent operating points are selected to design various working conditions for the system. The third step entails using the established Simulink model to examine two operational scenarios: grid-connected and islanded modes. This step involves analyzing the power variations across different systems before and after the transition of operating points in different modes. Additionally, it assesses the large-scale IES’s ability to maintain safe and stable operation under the submodule output fluctuations, thereby validating the effectiveness of the proposed model.

4. Simulation Verification

4.1. Optimal Dispatch Model Verification

This paper established a simulation model with T = 24 h as a cycle to verify the effectiveness of the proposed optimal dispatch model. The forecast power values of loads, PV and wind turbine in the system are depicted in Figure 2. The related parameters are depicted in Table 4, Table 5, Table 6 and Table 7.

4.1.1. Scenario Selection

This paper chose four scenarios for analysis:
Scenario 1: No consideration of carbon capture system. The system operates with conventional coal-fired units and directly discharges CO2 into the atmosphere.
Scenario 2: Considering the synergistic operation of CCPP and P2G, but only focusing on CH4 output.
Scenario 3: Considering diversified utilization of H2 generated by P2G based on Scenario 2 with traditional carbon trading mode.
Scenario 4: Considering step-type carbon trading mode based on Scenario 3, i.e., the low-carbon economic dispatching model put forward in this study.
As indicated in Table 8, Scenario 2 reduces total cost by 10.69% and carbon emissions by 71.60% compared with Scenario 1. It proves that CCPP coupled with P2G can decrease carbon emissions and carbon trading costs while improving wind power consumption. In Scenario 3, the energy structure is further optimized by considering the hydrogen produced in the P2G equipment to replace CH4 for diversified applications, making the process to be more environmentally friendly and effective. The coal fuel and gas purchase costs are largely reduced, and the total carbon emissions are reduced by 560.36t. In Scenario 4, a stepped carbon trading mode is used for setting stricter constraints on carbon emissions, which further saves the carbon trading cost. Scenario 4 reduces total cost by 29.42% and total carbon emissions by 83.66% in comparison with Scenario 1.
By synthesizing the above four scenarios, it can be proved that the electric–hydrogen coupled IES model considering CCPP put forward in this study exhibits distinct benefits regarding economy and carbon emissions, and reduces the abandoned power of wind and PV.

4.1.2. Dispatch Results Analysis

Figure 3a–d show the electricity, heat, gas and hydrogen balances, respectively, for the optimal dispatch operation system.
As illustrated in Figure 3a, wind and PV power are complementary because wind power output is higher during the night hours while PV output is higher in the midday hours. Combined with CHP and a small portion of HFC power, the coal-fired unit power is greatly reduced, and almost remains at the lowest level all the time. As there is still some wind power that cannot be consumed during the high wind power generation period, using it for hydrogen production in AE could shift the peak load and relieve the consumption pressure of the CCPP. So that the energy supply structure can be more efficient and flexible.
As illustrated in Figure 3b, the heat load is comparatively higher in the morning and evening hours and lower in the midday hours, which is at the opposite trend to the electrical load. In periods of high demand for heat load, both GB and HS provide some power to relieve the load demand. When the heat load is at a low level, HS will store heat, while CHP operates continuously.
As illustrated in Figure 3c, gas consumption of GB mainly happens in the nighttime, while CHP operates with gas consumption during all hours. The gas load and the gas requirements of CHP and GB are mainly sourced from the gas grid, in which a small portion of CH4 is utilized to slightly reduce gas purchase costs.
As illustrated in Figure 3d, the electric hydrogen production occurs mostly in the high wind power generation period at night, and the surplus hydrogen generated is preferentially used to generate CH4 for MR, and next sent into the HST for storage. This is due to the heat load being at its peak during the night and the electrical load being at the valley. During the daytime, when the heat load diminishes and the electrical load enhances, HST starts to release hydrogen to supply CHP and HFC. This not only achieves the time and space complementarity of each energy source, but also maximizes the utilization of the energy for lower economic cost.

4.2. Simulink Simulation Model Verification

According to the optimal dispatch results, this paper used the model established in scenario 4 combined with actual situations to build a Simulink simulation model for verification. The Simulink model is shown in Figure 4 below. This paper took three consecutive working nodes from T = 12 h to 14 h as an example, and designed three kinds of corresponding system working states to verify that the system can operate stably at different states, can smoothly switch from one state to another and can transfer to a new state for stable operation after being disturbed. This paper mainly considered grid-connected and islanded modes of IES. The rated power of the wind turbine, PV system and PEMFC system is 1.5 MW, 20.8 kW and 540 kW, respectively. The rated capacity of the Li-ion battery storage system is 80 kWh and the initial SOC is 50%.

4.2.1. Simulation Analysis in Grid-Connected Mode

Microgrids operate in parallel with the grid in most cases. In this case, due to the large fluctuation of wind turbine and PV system output power, energy storage batteries and HFCs are introduced to mitigate the fluctuations of renewable energy power. And in the case when the generation power surpasses the load demand, the surplus is used for producing hydrogen. This method not only meets the power demand of the microgrid but also ensures the steadiness of the grid voltage and frequency.
Figure 5 exhibits the output power waveforms of each subsystem in the large-scale system. Where at 0–2 s the system is functioning in grid-connected mode. At 1 s, the sunlight intensity and wind speed start to gradually increase and decrease, respectively, and the corresponding PV and wind turbine power output changes and stabilizes at 1.3 s. The DC-side output voltage of the PV system is stabilized at 527 V, and the DC-side output voltage of the wind turbine rectifier is stabilized at 700 V. In Figure 6a–c, the PV output power rises from 6.6 kW to 11 kW and the wind turbine output power decreases from 14.8 kW to 11.2 kW, and the load power changes from 48.4 kW to 44.1 kW. The initial SOC of the storage system is 50%, and when there is a surplus of renewable energy power within the system, the storage system is in charging state, and the SOC continues to grow; when the system power delivery is insufficient, the storage system is in discharging mode for the demand of load and hydrogen production, and the SOC gradually decreases.
Figure 7 illustrates the voltage and frequency waveforms on the AC load bus. The nominal AC bus voltage is 380 V. The nominal voltage and frequency of the grid are 110 kV and 50 Hz, respectively. In the grid-connected mode, the voltage and frequency are mainly supported by the grid for each subsystem. As shown in Figure 7a, grid-connected voltage Vabc is a nearly stable three-phase symmetrical sinusoidal waveform, meeting the requirements of grid connect, and the voltage amplitude is stable at 89,815 V, which means the voltage RMS is stable at 110,000 V. Figure 7b shows the frequency waveform at the grid-connection point, 0–2 s the system operates in grid-connected mode, and 2 s changes to islanded mode. The frequency produces a downward fluctuation, but ultimately stabilizes at 50 Hz, which shows that the off-grid will make an impact on the system but the system can transfer to a new state for stable operation. Figure 7c,d show the total harmonic distortion (THD) rate of the voltage in grid-connected and islanded modes. The THD rate is 0.1% in grid-connected mode and 1.86% in islanded mode, which shows that the power quality meets the requirements.

4.2.2. Simulation Analysis in Islanded Mode

When there is, for example, a grid failure, disturbance or low power quality, the microgrid will be quickly disconnected from the grid and enter the islanded mode operation. In this mode, the wind and PV operate at low power levels, the diesel generator serves as the backup power supply, and energy storage battery and PEMFC jointly support the system to sustain the frequency and voltage stability. At the same time, the power output can be automatically adjusted according to the microgrid load fluctuations to guarantee the balance of energy supply and demand within the system.
Next, we will examine the system’s operation in an isolated scenario, as illustrated in Figure 5 after 2 s when the system goes off-grid. The disconnection causes the system to fluctuate, but it regains stability within about 0.2 s. At 2.5 s, the PV, wind power and load power readjust their output based on actual demand changes. Simultaneously, diesel generator gradually increases their output to meet load demands, while the energy storage system and HFC maintain steady power output. Throughout these changes, the systems maintain power balance. This demonstrates the validity of the proposed model control strategy, which can adjust in real time to ensure network-wide power balance while keeping voltage amplitude and frequency fluctuations within acceptable limits.
The AE through the three-phase AC and then rectified by the rectifier into a stable DC can realize the electric hydrogen production. In this paper, the UI curve of the electrolyzer is used to control the controlled source equivalent circuit model to simulate the actual characteristics, which ensures that the hydrogen production process is carried out smoothly and there is a continuous supply of stable current. With increasing hydrogen quantities, the compressor’s power consumption and the HST pressure rise proportionally. Upon reaching their respective upper thresholds, these parameters stabilize, ensuring optimal system performance and operational safety. This behavior aligns with the functionality of real-world physical systems.

5. Conclusions

This paper presents an electric–hydrogen coupled IES with a low-carbon dispatch model considering CCPP. The model incorporates four energy flows and demonstrates cost reduction, decarbonization and efficient energy utilization. Specifically, the model achieves a 29.42% reduction in total system cost and an 83.66% decrease in carbon emissions. Furthermore, it minimizes renewable curtailment and enables peak shaving and valley filling. An IES model integrating wind, PV, diesel and storage was tested on Matlab/Simulink. Results show steady operation under uncertainty, with emergency contingencies. The system performs well in both grid-connected and islanded modes, exhibiting robustness and interference resistance. It achieves good power quality in both modes, with the THD values kept below 3%. This paper integrated optimal scheduling code with Simulink, enabling information exchange and marking a significant advancement. HESS and AE models with dynamically adjustable parameters were proposed, allowing real-time modifications to hydrogen production, power generation and storage capacities. As low-carbon transportation gains focus, hydrogen use will expand. The model proposed in this paper provides a theoretical reference for small-scale distributed power systems (e.g., island microgrids) and large-scale regional power systems (e.g., urban power networks or industrial park microgrids) in actual scenarios. This model can be designed with different technologies and parameters according to actual needs, adjusting the output and energy consumption of each unit, as well as the operation time scale, thereby optimizing system performance from multiple perspectives. Current validation tests only considered an electrical load. Future research should explore hydrogen’s integration with other energy sources, optimization of HFC vehicles, and systems involving heat, gas and cold energy flows. Research should focus on the integration and information interaction between different energy devices, providing technical support for building an efficient and intelligent energy internet, and promoting digital transformation and synergistic development in the energy field.

Author Contributions

Conceptualization, S.Z. and Y.S.; methodology, Y.H. and Q.X.; software, Y.H. and Q.X.; validation, Y.H.; supervision, S.Z.; writing—original draft preparation, Y.H.; writing—review and editing, Y.H. and Z.W. All authors have read and agreed to the published version of the manuscript.

Funding

This work was supported by the Open Research Project of the State Key Laboratory of Industrial Control Technology, China (ICT2024B44) and the Shanghai Sailing Program (21YF1400100).

Data Availability Statement

Data are contained within the article.

Conflicts of Interest

The authors declare no conflicts of interest.

Abbreviations

CCPPcarbon capture power plant
IESintegrated energy system
AEalkaline electrolyzer
HESShydrogen energy storage system
CCScarbon capture and storage
REPGrenewable energy power generation
P2Gpower to gas
MRmethane reactor
GBgas boiler
CHPcombined heat and power
HFChydrogen fuel cell
CCHPcombined cooling, heating and power
HSThydrogen storage tank
HSheat storage tank
PEMproton exchange membrane
PEMFCproton exchange membrane fuel cell
ACalternating current
DCdirect current
PVphotovoltaic
PSOparticle swarm optimization

References

  1. Seto, K.C.; Churkina, G.; Hsu, A.; Keller, M.; Newman, P.W.G.; Qin, B.; Ramaswami, A. From Low- to Net-Zero Carbon Cities: The Next Global Agenda. Annu. Rev. Environ. Resour. 2021, 46, 377–415. [Google Scholar] [CrossRef]
  2. Kousar, S.; Pervaiz, A.; Ahmed, F.; Nuţă, F.M. Do Structural Transformations in the Energy Sector Help to Achieve Decarbonization? Evidence from the World’s Top Five Green Leaders. Energies 2024, 17, 4600. [Google Scholar] [CrossRef]
  3. Kittner, N.; Lill, F.; Kammen, D.M. Energy storage deployment and innovation for the clean energy transition. Nat. Energy 2017, 2, 17125. [Google Scholar] [CrossRef]
  4. Li, J.; Xu, L.; Wang, L.; Kou, Y.; Huo, Y.; Liang, W. Operation Optimization of Regional Integrated Energy Systems with Hydrogen by Considering Demand Response and Green Certificate–Carbon Emission Trading Mechanisms. Energies 2024, 17, 3190. [Google Scholar] [CrossRef]
  5. Quizhpe, K.; Arévalo, P.; Ochoa-Correa, D.; Villa-Ávila, E. Optimizing Microgrid Planning for Renewable Integration in Power Systems: A Comprehensive Review. Electronics 2024, 13, 3620. [Google Scholar] [CrossRef]
  6. Lezzi, M.; Del Vecchio, V.; Lazoi, M. Using Blockchain Technology for Sustainability and Secure Data Management in the Energy Industry: Implications and Future Research Directions. Sustainability 2024, 16, 7949. [Google Scholar] [CrossRef]
  7. Ren, F.; Wang, J.; Zhu, S.; Chen, Y. Multi-objective optimization of combined cooling, heating and power system integrated with solar and geothermal energies. Energy Convers. Manag. 2019, 197, 111866. [Google Scholar] [CrossRef]
  8. Liu, Z.; Yang, P.; Xu, Z. Capacity Allocation of Integrated Energy System Considering Typical Day Economic Operation. Electr. Power Constr. 2017, 38, 51–59. [Google Scholar]
  9. Sun, H.; Zou, H.; Jia, J.; Shen, Q.; Duan, Z.; Tang, X. Master–Slave Game Optimization Scheduling of Multi-Microgrid Integrated Energy System Considering Comprehensive Demand Response and Wind and Storage Combination. Energies 2024, 17, 5762. [Google Scholar] [CrossRef]
  10. Luo, F.; Shao, J.; Jiao, Z.; Zhang, T. Research on optimal allocation strategy of multiple energy storage in regional integrated energy system based on operation benefit increment. Int. J. Electr. Power Energy Syst. 2021, 125, 106376. [Google Scholar] [CrossRef]
  11. Bui, M.; Adjiman, C.S.; Bardow, A.; Anthony, E.J.; Boston, A.; Brown, S.; Fennell, P.S.; Fuss, S.; Galindo, A.; Hackett, L.A.; et al. Carbon capture and storage (CCS): The way forward. Energy Environ. Sci. 2018, 11, 1062–1176. [Google Scholar]
  12. Shu, D.Y.; Deutz, S.; Winter, B.A.; Baumgärtner, N.; Leenders, L.; Bardow, A. The role of carbon capture and storage to achieve net-zero energy systems: Trade-offs between economics and the environment. Renew. Sust. Energy Rev. 2023, 178, 113246. [Google Scholar] [CrossRef]
  13. Ma, J.; Li, L.; Wang, H.; Du, Y.; Ma, J.; Zhang, X.; Wang, Z. Carbon Capture and Storage: History and the Road Ahead. Engineering 2022, 14, 33–43. [Google Scholar] [CrossRef]
  14. Ji, Z.; Kang, C.; Chen, Q.; Xia, Q.; Jiang, C.; Chen, Z. Low-Carbon Power System Dispatch Incorporating Carbon Capture Power Plants. IEEE Trans. Power Syst. 2013, 28, 4615–4623. [Google Scholar] [CrossRef]
  15. Zhang, X.; Zhang, Y. Environment-friendly and economical scheduling optimization for integrated energy system considering power-to-gas technology and carbon capture power plant. J. Clean. Prod. 2020, 276, 123348. [Google Scholar] [CrossRef]
  16. Wang, Y.; Gao, S.; Jia, W.; Ding, T.; Zhou, Z.; Wang, Z. Data-driven distributionally robust economic dispatch for park integrated energy systems with coordination of carbon capture and storage devices and combined heat and power plants. IET Renew. Power Gener. 2022, 16, 2617–2729. [Google Scholar] [CrossRef]
  17. Sazali, N. Emerging technologies by hydrogen: A review. Int. J. Hydrogen Energy 2020, 45, 18753–18771. [Google Scholar] [CrossRef]
  18. Partidário, P.; Aguiar, R.; Martins, P.; Rangel, C.M.; Cabrita, I. The hydrogen roadmap in the Portuguese energy system—Developing the P2G case. Int. J. Hydrogen Energy 2020, 45, 25646–25657. [Google Scholar] [CrossRef]
  19. Zheng, T.; Hong, L.; Wei, Z.; Zhang, C.; He, P. Review on equipment configuration and operation process optimization of hydrogen refueling station. Int. J. Hydrogen Energy 2022, 47, 3033–3053. [Google Scholar]
  20. Brauns, J.; Turek, T. Alkaline water electrolysis powered by renewable energy: A review. Processes 2020, 8, 248. [Google Scholar] [CrossRef]
  21. Xiao, P.; Hu, W.; Xu, X.; Liu, W.; Huang, Q.; Chen, Z. Optimal operation of a wind-electrolytic hydrogen storage system in the electricity/hydrogen markets. Int. J. Hydrogen Energy 2020, 45, 24412–24423. [Google Scholar] [CrossRef]
  22. Wu, X.; Qi, S.; Wang, Z.; Duan, C.; Wang, X.; Li, F. Optimal scheduling for microgrids with hydrogen fueling stations considering uncertainty using data-driven approach. Appl. Energy 2019, 253, 113568. [Google Scholar] [CrossRef]
  23. Xiao, B.; Gao, Z.; Peng, H.; Chen, K.; Li, Y.; Liu, K. Robust Optimization of Large-Scale Wind–Solar Storage Renewable Energy Systems Considering Hybrid Storage Multi-Energy Synergy. Sustainability 2024, 16, 243. [Google Scholar] [CrossRef]
  24. Wu, X.; Shan, Y.; Fan, K. A Modified Particle Swarm Algorithm for the Multi-Objective Optimization of Wind/Photovoltaic/Diesel/Storage Microgrids. Sustainability 2024, 16, 1065. [Google Scholar] [CrossRef]
  25. Kong, L.; Cai, G.; Li, L.; Ji, R. Online energy control strategy and experimental platform of integrated energy system of wind, photovoltaic and hydrogen. Trans. China Electrotech. Soc. 2018, 33, 3371–3384. [Google Scholar]
  26. Shan, Y.; Ma, L.; Yu, X. Hierarchical Control and Economic Optimization of Microgrids Considering the Randomness of Power Generation and Load Demand. Energies 2023, 16, 5503. [Google Scholar] [CrossRef]
  27. Shuhayeu, P.; Martsinchyk, A.; Martsinchyk, K.; Milewski, J. Investigating PEM Fuel Cells as an Alternative Power Source for Electric UAVs: Modelling, Optimization, and Performance Analysis. Energies 2024, 17, 4427. [Google Scholar] [CrossRef]
  28. Singla, M.K.; Nijhawan, P.; Oberoi, A.S. Hydrogen fuel and fuel cell technology for cleaner future: A review. Environ. Sci. Pollut. Res. 2021, 28, 15607–15626. [Google Scholar] [CrossRef]
  29. Hüner, B. Mathematical modeling of an integrated photovoltaic-assisted PEM water electrolyzer system for hydrogen production. Int. J. Hydrogen Energy 2024, 79, 594–608. [Google Scholar] [CrossRef]
  30. Folgado, F.J.; González, I.; Calderón, A.J. PEM Electrolyzer Digital Replica based on internal resistance determination applied to hydrogen energy storage. J. Energy Storage 2024, 75, 109694. [Google Scholar] [CrossRef]
  31. Yigit, T.; Selamet, O.F. Mathematical modelling and dynamic Simulink simulation of high-pressure PEM electrolyzer system. Int. J. Hydrogen Energy 2016, 41, 13901–13914. [Google Scholar] [CrossRef]
  32. Abadlia, I.; Hassaine, L.; Beddar, A.; Abdoune, F.; Bengourina, M.R. Adaptive fuzzy control with an optimization by using genetic algorithms for grid connected a hybrid photovoltaic–hydrogen generation system. Int. J. Hydrogen Energy 2020, 45, 22589–22599. [Google Scholar] [CrossRef]
  33. Jia, J.; Li, Q.; Wang, Y.; Cham, Y.T.; Han, M. Modelling and Dynamic Characteristic Simulation of a Proton Exchange Membrane Fuel Cell. IEEE Trans. Energy Convers. 2009, 24, 283–291. [Google Scholar] [CrossRef]
  34. Halme, A.; Selkinaho, J.; Noponen, T.; Kohonen, A. An alternative concept for DMFC-combined electrolyzer and H2 PEMFC. Int. J. Hydrogen Energy 2016, 41, 2154–2164. [Google Scholar] [CrossRef]
  35. Rubin, E.S.; Mantripragada, H.; Marks, A.; Versteeg, P.; Kitchin, J. The outlook for improved carbon capture technology. Prog. Energy Combust. Sci. 2012, 38, 630–671. [Google Scholar] [CrossRef]
  36. Kotzur, L.; Markevitz, P.; Robinius, M.; Stolten, D. Time series aggregation for energy system design: Modelling seasonal storage. Appl. Energy 2018, 213, 123–135. [Google Scholar] [CrossRef]
  37. Dai, R.; Zhang, X.; Zou, H. Two-Stage Distributed Robust Optimal Allocation of Integrated Energy Systems under Carbon Trading Mechanism. Processes 2024, 12, 1044. [Google Scholar] [CrossRef]
  38. Wang, L.; Dong, H.; Lin, J.; Zeng, M. Multi-objective optimal scheduling model with IGDT method of integrated energy system considering ladder-type carbon trading mechanism. Int. J. Electr. Power Energy Syst. 2022, 143, 108386. [Google Scholar] [CrossRef]
  39. Yin, W.; Liu, L.; Rui, X. Modelling and operation performance analysis of hybrid drive wind power generation system with hydrogen energy storage. Electr. Power Autom. Equip. 2020, 40, 64–70. [Google Scholar]
  40. Wang, K.; Zhao, Z.; Luo, J. Simulation and performance analysis of hydrogen storage system for wind solar complementary power generation. Energy Conserv. 2019, 38, 79–84. [Google Scholar]
  41. Li, J.; Li, G.; Ma, S.; Liang, Z.; Li, Y.; Zeng, W. Modelling and Simulation of Hydrogen Energy Storage System for Power-to-gas and Gas-to-power Systems. J. Mod. Power Syst. Clean Energy 2023, 11, 885–895. [Google Scholar] [CrossRef]
  42. Cai, G.; Kong, L. Techno-economic analysis of wind curtailment/hydrogen production/fuel cell vehicle system with high wind penetration in China. CSEE J. Power Energy Syst. 2017, 3, 44–52. [Google Scholar] [CrossRef]
  43. Tan, H.; Shen, B.; Li, Q.; Qian, W. Recursive Filtering for Nonlinear Systems with Self-Interferences Over Full-Duplex Relay Networks. IEEE/CAA J. Autom. Sin. 2022, 9, 2037–2040. [Google Scholar] [CrossRef]
  44. Belotti, P.; Kirches, C.; Leyffer, S.; Linderoth, J.T.; Luedtke, J.R.; Mahajan, A. Mixed-integer nonlinear optimization. Acta Numer. 2013, 22, 1–131. [Google Scholar] [CrossRef]
  45. Tan, H.; Shen, B.; Li, Q.; Liu, H. Recursive Filtering for Stochastic Systems with Filter-and-Forward Successive Relays. IEEE/CAA J. Autom. Sin. 2024, 11, 1202–1212. [Google Scholar] [CrossRef]
Figure 1. The basic structure of IES.
Figure 1. The basic structure of IES.
Modelling 05 00101 g001
Figure 2. Power forecast curves.
Figure 2. Power forecast curves.
Modelling 05 00101 g002
Figure 3. Power balance diagram simulation results: (a) system electrical power balance diagram; (b) system heat power balance diagram; (c) system gas power balance diagram; (d) system hydrogen power balance diagram.
Figure 3. Power balance diagram simulation results: (a) system electrical power balance diagram; (b) system heat power balance diagram; (c) system gas power balance diagram; (d) system hydrogen power balance diagram.
Modelling 05 00101 g003
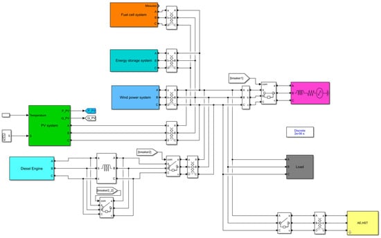
Figure 4. Simulink model snapshot of IES system.
Figure 4. Simulink model snapshot of IES system.
Modelling 05 00101 g004
Figure 5. Output power of each system of wind–PV–diesel–storage–hydrogen.
Figure 5. Output power of each system of wind–PV–diesel–storage–hydrogen.
Modelling 05 00101 g005
Figure 6. (a) Wind power; (b) PV power; (c) load power.
Figure 6. (a) Wind power; (b) PV power; (c) load power.
Modelling 05 00101 g006aModelling 05 00101 g006b
Figure 7. (a) Grid voltage; (b) grid frequency; (c) THD rate of grid-connected grid voltage; (d) THD rate of islanded voltage.
Figure 7. (a) Grid voltage; (b) grid frequency; (c) THD rate of grid-connected grid voltage; (d) THD rate of islanded voltage.
Modelling 05 00101 g007aModelling 05 00101 g007b
Table 1. AE model parameters.
Table 1. AE model parameters.
SymbolValueUnit
U r 0 1.23 V
A 0.1 m 2
r 1 8.232 × 10 5 Ω · m 2
r 2 4.51 × 10 7 Ω · m 2 / K
k r 1.93 × 10 3 V / K
k e l 0.185 V
k T 1 2.54 × 10 2 m 2 / A
k T 2 −0.158 m 2 · K / A
k T 3 1.212 × 10 3 m 2 · K 2 / A
n c 1
k f 1 2.5 × 10 4
k f 2 0.96
F96,500C/mol
Table 2. AE model parameters.
Table 2. AE model parameters.
SymbolValueUnit
C pH 2 14.05 kJ / ( kg · K )
V tank 0.24 m 3
γ 1.414
R 8.3145 J · mol 1 · K 1
Table 3. PEMFC model parameters.
Table 3. PEMFC model parameters.
SymbolValueUnit
T f c 343K
p H 2 2 × 10 5 P a
p o 2 4 × 10 4 P a
n 65
p ca 2.4 × 10 5 P a
t m 0.01275cm
λ m 13.5
i L 1.5
B 0.016
Table 4. Parameters of each equipment.
Table 4. Parameters of each equipment.
SymbolCapacity/MWClimbing Constraints/%Efficiency
AE200500.8
MR200500.75
HFC4002000.87
CHP200500.92
GB150750.8
Table 5. Parameters of energy storage equipment.
Table 5. Parameters of energy storage equipment.
SymbolCapacity Upper/Lower Limit/MWhMaximum Storage/Release Power per Time/MWEfficiency
HS30/270750.85
HST1500/1505000.95
Table 6. Parameters of equipment operating.
Table 6. Parameters of equipment operating.
SymbolValueUnit
P G max / P G min 455/140MW
Δ P G 200MW
e G 1.02t/(MW∙h)
k c o a l 420yuan/(MW∙h)
P A 3MW
ω c 0.268(MW∙h)/t
μ 1 / μ 2 0.95/0.9
τ 1.2
V r max / V p max 60,000/60,000m3
δ C H P , max / δ C H P , min 0.48/2.07
L H 2 / L C H 4 11/39MJ/m3
k g a s 350yuan/(MW∙h)
ϕ h e 3600MJ/(MW∙h)
Table 7. Parameters related to the low-carbon cost calculation.
Table 7. Parameters related to the low-carbon cost calculation.
SymbolValueUnit
χ C o a l e 0.8159tCO2/MW·h
χ g a s e 0.3901tCO2/MW·h
χ g a s h 0.0557tCO2/GJ
λ CH 4 0.01532t/GJ
ψ CH 4 99%%
k C S 40yuan/t
c 140yuan/t
L 200
θ 0.3t
Table 8. Optimal dispatching results for scenarios 1–4.
Table 8. Optimal dispatching results for scenarios 1–4.
ScenarioTotal System Cost/104 yuanCoal Fuel Cost/104 yuanGas Purchase Cost/104 yuanCarbon Trading Cost/104 yuanCarbon Sequestration Costs/104 yuanCarbon Emissions/tWind and PV Rejection Rate/%
Non-CCPP396.43152.58226.4317.4204621.318.43
CCPP + P2G(CH4)354.07163.23227.78−50.0613.131312.540
CCPP + P2G(H2)292.38151.20172.91−44.6812.96752.180.75
CCPP + P2G(H2) +
Step Trading
279.80152.06172.21−57.4813.01755.001.15
Disclaimer/Publisher’s Note: The statements, opinions and data contained in all publications are solely those of the individual author(s) and contributor(s) and not of MDPI and/or the editor(s). MDPI and/or the editor(s) disclaim responsibility for any injury to people or property resulting from any ideas, methods, instructions or products referred to in the content.

Share and Cite

MDPI and ACS Style

Zhao, S.; Han, Y.; Xu, Q.; Wang, Z.; Shan, Y. Modeling and Simulation of Electric–Hydrogen Coupled Integrated Energy System Considering the Integration of Wind–PV–Diesel–Storage. Modelling 2024, 5, 1936-1960. https://doi.org/10.3390/modelling5040101

AMA Style

Zhao S, Han Y, Xu Q, Wang Z, Shan Y. Modeling and Simulation of Electric–Hydrogen Coupled Integrated Energy System Considering the Integration of Wind–PV–Diesel–Storage. Modelling. 2024; 5(4):1936-1960. https://doi.org/10.3390/modelling5040101

Chicago/Turabian Style

Zhao, Shuguang, Yurong Han, Qicheng Xu, Ziping Wang, and Yinghao Shan. 2024. "Modeling and Simulation of Electric–Hydrogen Coupled Integrated Energy System Considering the Integration of Wind–PV–Diesel–Storage" Modelling 5, no. 4: 1936-1960. https://doi.org/10.3390/modelling5040101

APA Style

Zhao, S., Han, Y., Xu, Q., Wang, Z., & Shan, Y. (2024). Modeling and Simulation of Electric–Hydrogen Coupled Integrated Energy System Considering the Integration of Wind–PV–Diesel–Storage. Modelling, 5(4), 1936-1960. https://doi.org/10.3390/modelling5040101

Article Metrics

Back to TopTop