Next Article in Journal
Chromogenic Technologies for Energy Saving
Previous Article in Journal
The Untapped Area Potential for Photovoltaic Power in the European Union
 
 
Font Type:
Arial Georgia Verdana
Font Size:
Aa Aa Aa
Line Spacing:
Column Width:
Background:
Article

Combustion Characteristics of Waste Cooking Oil–Butanol/Diesel/Gasoline Blends for Cleaner Emission

Mechanical Engineering and Design Group, Aston Institute of Urban Technology and the Environment (ASTUTE), School of Engineering and Applied Science, Aston University, Birmingham B4 7ET, UK
Clean Technol. 2020, 2(4), 447-461; https://doi.org/10.3390/cleantechnol2040028
Submission received: 5 June 2020 / Revised: 12 October 2020 / Accepted: 29 October 2020 / Published: 9 November 2020

Abstract

Sustainable green biofuels could replace a significant amount of fossil fuels responsible for environmental pollution. In this study, waste cooking oil (WCO) was tested in a diesel engine either neat or blended separately with diesel, butanol and gasoline, with an additive concentration between 10% and 30% by volume. The heating values of the WCO were slightly decreased when blended with butanol, whereas they increased when blended with either gasoline or diesel. The flash point temperatures decreased. All fuel samples were non-corrosive and non-acidic. At full load, the brake specific fuel consumption of the WCO–additive fuels was approximately 1–3% higher than diesel. The thermal efficiency of the neat WCO, neat diesel and WCO–10% diesel were very close to each other, whereas, in the case of 20% butanol blend, the efficiency decreased by about 2% when compared to the neat diesel value. The WCO–butanol fuel gave the lowest NOx emission and a 0.6% lower CO2 emission than diesel. Combustion characteristics results showed stable engine operation for all blends. The combustion duration was maximal with WCO–butanol blends. The study concluded that the WCO with 10–20% butanol or fossil diesel exhibited similar performance and emission characteristics observed for neat fossil diesel.

1. Introduction

The extraction of crude oils and their consumption are related to environmental disruptions [1] and lead to negative effects on the health and wellbeing of living beings. Substituting fossil fuels with renewable fuels will have a positive impact on the environment, economy and ecosystem. Use of waste resources for energy and other services are getting popular in many countries of the world. Renewable fuels sourced from waste resources are recognised as a potential substitute for fossil diesel. In addition to emission and energy benefits, waste can create social and circular economy benefits. Use of renewable biodiesels in compression ignition (CI) engines is a sustainable option—they are non-toxic, oxygenated and recyclable [2]. The European Union (EU) has set a 10% biofuel target by 2020 [3]. The waste cooking oil (WCO) feedstock makes a significant contribution to the EU’s biodiesel market with the prospect of delivering approximately 2Mtoe in 2020 and 3Mtoe in 2030 [4].
Although the WCO or pure vegetable oils can be used directly in diesel engines with small modifications to the engine, they tend to create technical issues due to the high viscosity of the oils [5,6]. This often leads to “gumming” which is the build-up of oil deposits within the injection and fuel supply system, and carbon deposits around the piston rings and other components [5,7]. The viscosity of WCO or pure vegetable oils can be reduced via several methods such as transesterification, preheating and blending with fossil diesel and/or other additives [8,9]. The upgraded fuel will be suitable to use in CI engines without engine or component modifications [10]. Fast food companies in the world increasingly promote researchers to find sustainable ways to utilise waste cooking oil. The majority of the UK’s biodiesel comes from waste cooking oil [11]. However, the literature reported that the biodiesel route is unfavourable and gives out a higher amount of life cycle emissions when compared to using neat oils such as WCOs directly in engines [5]. This study investigated the combustion, performance and emission characteristics of a small diesel engine operating with neat waste cooking oil, WCO biodiesel, and WCO blends with fossil diesel (FD), gasoline and butanol additives.
This disposal of WCO is a major concern for the environment and the economy. Potential use of WCO as a CI engine fuel would provide a safe and sustainable solution [12]. However, the literature reported that the use of raw plant oil in a diesel engine resulted in a higher brake specific fuel consumption (BSFC) and lower engine power output [5]. The brake thermal efficiency was found to be lower, and CO2 emissions either remained unchanged or increased, while a decrease in NOx emission was observed. Previous studies have investigated the suitability of using neat WCO with minor modifications in the fuel supply system in conventional diesel engines [13]. Most studies suggested that WCO can be used as blended form with fossil diesel. However, the concentration of WCO in the blend will depend on the engine components’ design and other parameters such as the compression ratio. Due to technical issues such as gumming and high viscosity, the literature reported that WCO might not be suitable at concentrations of no more than 20% when blended with fossil diesel fuel [14,15]. The viscosity of the WCO can be reduced by preheating the oil before injection, a simple technique which could avoid the transesterification of WCO [13,16,17]. Pramanik [18] compared the engine performance when diesel–WCO blends and preheated WCO fuel were used separately instead of fossil diesel. Blends containing 30% jatropha oil were found to show viscosity similar to fossil diesel; similar thermal efficiencies to fossil diesel were achieved with this concentration [18]. Blends containing 30% jatropha oil were heated to 35–40 °C to achieve a viscosity similar to fossil diesel. Rakopoulos et al. [19] tested various plant oils (cotton seed oil, rape seed oil, soybean oil, and sunflower oil), biodiesels and their blends with fossil diesel in a diesel engine. They reported that the fossil diesel fuel produced higher NOx emission than biodiesels and neat plant oils. The rate of CO emissions decreased with greater concentrations of biodiesel over fossil diesel. The unburnt hydrocarbon emissions were similar for all fuel types and their levels were small [8,18]. Nantha et al. [20] compared the combustion characteristics of a CI engine fuelled with WCO biodiesel and fossil diesel. Hossain and Davies [10] used heated karanj oil and jatropha oil in the engine. They found that compared to fossil diesel, the BSFC and CO emission were higher at maximum load for both jatropha and karanj oil. The brake thermal efficiency and O2 emissions remained constant. However, compared to fossil diesel fuel, no differences in the heat release and CO gas emissions were found.
Butanol is a biodegradable additive; it has a higher calorific value than other alcohol additives such as ethanol and methanol. Imtenan et al. [21] investigated the impact of butanol additive on jatropha and palm oil; they reported that the addition of butanol improved engine performance and lowered exhaust gas emissions. Yilmaz et al. [22] reported that dilution of biodiesel with butanol reduced the exhaust gas temperature and NOx emissions when compared to the corresponding values obtained for fossil diesel and WCO biodiesel with no butanol additives. Rakopolous et al. [23] added butanol into fossil diesel with volume percentages of butanol of 8%, 16% and 24%. The authors reported that, compared to neat diesel operations, the NOx and CO emissions were decreased. Rakopolous [24] added 20% butanol or diethyl ether into cotton seed biodiesel and investigated combustion characteristics. The authors reported that the NOx and CO emissions were observed to be decreased, whilst un-burnt hydrocarbons (UBHC) increased with butanol additive. The fuel economy improved and thermal efficiency increased. Blends with diethyl ether were found to improve the performance of the engine slightly better than the blends with butanol [24]. The BSFC was found to be increased with increased butanol content when 5% and 10% (by volume) butanol was used as additive to diesel–cotton seed oil blends [25]. In another study, the effects of adding both butanol and ethanol were investigated; butanol addition helped in decreasing the harmful pollutants from the engine exhaust [23,26]. Gasoline was also used by the researcher as an additive in a CI engine [27]. Rape seed oil was blended separately with gasoline and ethanol additives. Gasoline additive improved the BSFC of the engine when compared to ethanol additive [27]. Altun [28] compared the performance of tallow biodiesel, WCO biodiesel and fossil diesel. The author found that the BSFC values were highest for fossil diesel. The literature review illustrated that WCO can be used in a CI engine either by carrying out minor modifications to the engine or upgrading the WCO oil properties. Engine modification is generally expensive and may not be feasible for small-scale engine applications. The aim of the current study is to find a suitable additive for WCO. In this study, the WCO will be blended separately with fossil diesel (FD), butanol (BL) and gasoline (G) at various proportions. The physical and chemical properties of the base fuels and blends will be measured and compared. The fuels will be tested in a multi-cylinder CI engine to study the engine combustion, performance and emission characteristics. The results will be compared with the reference fuels: fossil diesel, neat WCO and WCO biodiesel (B100).

2. Materials and Methods

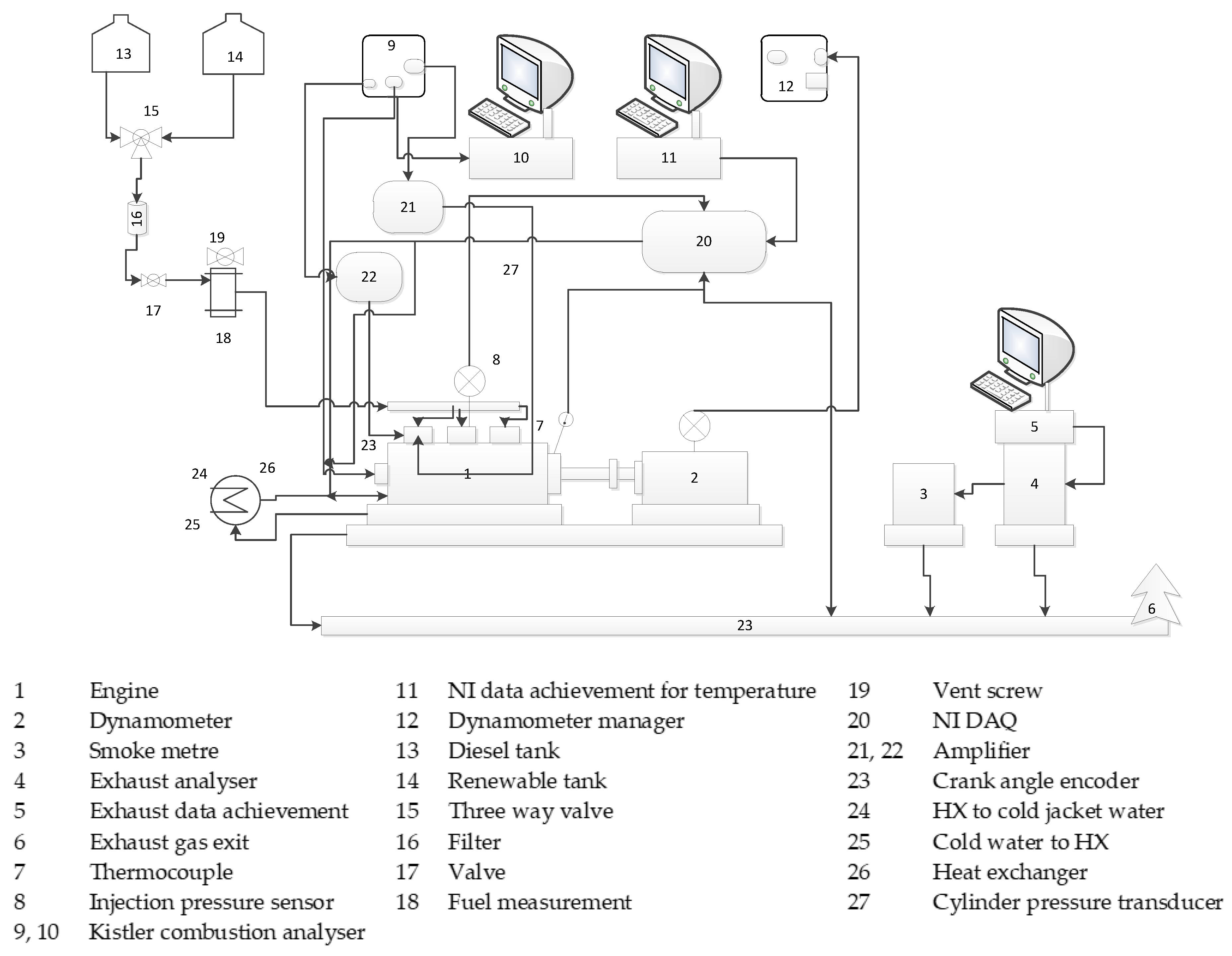
The WCO sample was collected from the Aston University cafeteria. The cafeteria uses vegetable oils (sunflower oil, rapeseed oil) for cooking and frying purposes. The oil sample collected for this study was used for frying chips and chicken. The cafeteria authority store WCO at room temperature. On a weekly basis, stored WCO is collected by a local business for biodiesel production. The oil was filtered and dewatered manually using a one-micron sock filter and a funnel to remove solid particles and water content in the oil. The filtered WCO was then blended separately with the additives (butanol, gasoline and diesel) at various proportions. There were two batches of waste cooking oil used in this study—the one which collected at a later date was labelled as “new waste cooking oil”. The n-butanol was purchased from Fisher Scientific Chemicals (UK) Ltd., and the unleaded gasoline was purchased from a local filling station. The additive concentrations used were 10%, 20% and 30% (by volume). Blends were left undisturbed for about 72 hr; no phase separation was observed. A total of nine (9) blends were prepared: (i) 90% WCO 10% butanol (90WCO 10BL); (ii) 80% WCO 20% butanol (80WCO 20BL); (iii) 70% WCO 30% butanol (70WCO 30BL); (iv) 90% WCO 10% fossil diesel (90 WCO 10FD); (v) 80% WCO 20% fossil diesel (80 WCO 20FD); (vi) 70% WCO 30% fossil diesel (70 WCO 30FD); (vii) 90% WCO 10% gasoline (90 WCO 10G); (viii) 80% WCO 20% gasoline (80 WCO 20G); (ix) 70% WCO 30% gasoline (70 WCO 30G). Fuel properties such as viscosity at different temperatures, density, calorific values and flash point temperatures were measured. The devices used for fuel characterisation are: heating values using a Parr 6100 Bomb Calorimeter as per ASTM D 240 standard, flash point temperatures using a Setaflash Series 3 Flash Point Tester according to ASTM D3278 standard, kinematic viscosity using a Canon Fenski U-tube viscosity meter in accordance with standard ASTM D445, water content using a V20 compact volumetric Karl Fisher Titrator in accordance with ASTM-E203 standard, corrosion level using a Stanhope-Seta copper corrosion bath using ASTM-D130 standard, and a G20 compact volumetric Karl Fisher Titrator for acid number measurement using ASTM—D 664 standard. A three-cylinder Lister Petter diesel engine (model- LPWS Bio3 water cooled) was used to test the fuels (Figure 1). The specification of the engine is shown in Table 1.
The fuel supply and cooling system in the engine was modified. A Froude Hofmann AG80HS dynamometer was used to apply the load on the engine. LabVIEW software was used to acquire data. A Kistler sensor and KiBox was used for combustion analysis. A Kistler 6125C11 pressure sensor and Kistler 5064B11 amplifier were used to acquire and measure the in-cylinder pressure. A Kistler 4618A0 sensor and Kistler 4065A500A0 amplifier were used to measure the fuel line injection pressure. For exhaust gas analysis, a Bosch RTM 430 smoke meter and Bosch BEA 850 five gas analyser were used. With regard to the measurement uncertainty of the gas analyser, the resolution for CO, CO2, NOx, O2 and UBHC measurements are 0.001% vol., 0.01% vol., 1 ppm vol., 0.01% vol. and 1 ppm vol., respectively. For the smoke meter, the absorption coefficient resolution is 0.01 m−1.

3. Results and Discussion

3.1. Characterisation of Neat Fuels and Blends

The calorific value of the fuel is an important property for achieving the required power output of the engine and assessing the engine performance characteristics. In general, for a given mass of fuel, the higher the calorific value the higher the power output will be. The calorific values of all fuel samples are shown in Figure 2. WCO blends with gasoline and butanol additives gave a lower HHV than WCO blends with fossil diesel additive (Figure 2). Higher flash point temperatures of fuels are desirable for transporting and storing of the fuels. The flashpoint temperature of the 100WCO fuel was found to be 75% higher than the corresponding value of fossil diesel (Figure 3). The flash point temperatures of WCO–FD blends with FD addition of 10%, 20% and 30% were higher than 100FD by 7.8%, 6.6% and 6.5%, respectively. The flash point temperature of butanol is low. WCO–butanol blends with 10%, 20% and 30% of butanol gave lower flash point temperatures than 100FD by 41%, 30% and 36%, respectively. The WCO mixed with gasoline at concentrations of 10%, 20% and 30% gave higher flash point temperatures than 100FD by 31%, 19% and 34%, respectively.
The density of WCO was higher than FD by 9% (Figure 4). The densities of WCO–FD blends with FD concentrations of 10%, 20% and 30% were higher than FD by 7.8%, 6.6% and 6.5%, respectively. In the case of WCO–butanol blends, they were higher than FD by 7.8%, 6.6% and 5.3%, respectively. Whereas, for WCO–gasoline blends, and for similar concentration ratios of additives, the densities increased by 6.6%, 5.4% and 2.9%, respectively, as compared to FD. When the density of the fuels is higher, relatively more fuels could be stored in the fuel tank and pumped through the fuel supply system. The viscosity of the fuel is very important as this property affects fuel flow and injection parameters. High-viscosity fuels lead to poor spray characteristic, and this results in an incomplete combustion of the fuels. Compared to 100WCO fuel, the viscosities of WCO–FD blends with 10%, 20% and 30% FD content decreased by 32%, 43% and 63%, respectively (Figure 5). Similarly, the viscosity of 100WCO decreased by 43%, 63% and 72%, respectively, when 10%, 20% and 30% butanol was added to neat WCO. On the other hand, the viscosities of the WCO–gasoline blends decreased by 50%, 74% and 84%, respectively (Figure 5), when gasoline was added to WCO at concentration of 10%, 20% and 30% (by volume). The presence of water in the fuel could lead to corrosion and incomplete combustion. Figure 6 shows that the maximum value of the water content was obtained with 80WCO20G fuel and the minimum value was with FD. The water content of a blend should be equivalent to the total water content of all components present in the blend. However, due to the measurement accuracies and possible new composition in the blend, this trend was not established (Figure 6). A small amount of water content in the blend might help to reduce the combustion temperature inside the cylinder which may lead a reduction in the NOx gas emission. Use of acidic fuels might damage injectors and other components of the engine. The acid number of the fuel depends on the chemical composition. The minimum acid value was recorded for butanol, and the maximum value was recorded for 70WCO30G blend (Figure 7). The acid number of the blends is higher than the neat fuels (Figure 7). It was thought that the chemical composition was changed by blending the fuels, and hence the acid number varied.

3.2. Engine Test Results

The engine test was performed at a constant speed of 1500 rpm and engine loads varied from minimum to maximum. The maximum power (100% rated load) was achieved for all fuel blends. The readings were taken at various loads—from minimum to maximum loads. The loads were kept constant for all blends. The same load was ensured using the controller of the Froude dynamometer. Repeated readings were taken and continuously monitored to ensure the readings were taken under the same load conditions. The fuels used in the engine were: fossil diesel, waste cooking oil, and WCO–additive blends (blends with diesel and butanol with a concentration of 10% and 20%; a gasoline concentration of 10% was used). Due to high volatility, 80WCO20G fuel was not tested in the engine. For each test, the engine first started with fossil diesel and operated for about 30 min before switching to the WCO blend fuel. After each test, the engine switched back to diesel fuel operation and operated for 30 min to flush-off the previous fuel from the system.
Figure 8 shows that at low loads, the BSFC of the WCO fuel with 20% FD and BL additives were higher than FD by 3.2% and 1.6%, whereas, at maximum load, they were higher than FD by 1.1% and 7.4%, respectively. The main reasons for higher BSFC values were higher density and viscosity values of the blends. A higher density and viscosity of the fuel causes poor spray characteristics and lead to poor combustion. In addition, lower calorific values of the blends caused more fuel to be consumed in order to produce the same load at constant speed [29].
Figure 9 shows that, at low loads, most of the fuels gave almost identical thermal efficiency values. At maximum load, the thermal efficiencies of the 80WCO20FD and 80WCO20BL fuels were approximately 3% and 8.6% lower than FD. At a low concentration of additives, exhaust gas temperatures was almost similar to each other. However, in the case of higher additive concentrations and at low load condition, the exhaust temperatures were found to be similar for all fuels. Whereas, at maximum load, FD fuel gave the highest exhaust gas temperature than other fuels (Figure 10).
The CO2 gas emission increased with the increase in brake power as more and more fuel was burnt when the load on the engine increased (Figure 11). The minimum CO2 emissions was recorded for 90WCO10BL and 80WCO20BL fuels at full load, producing up to 3.5% and 4.3% lower CO2 emissions than neat fossil diesel and WCO fuels. The NOx gas emission decreased with the addition of butanol and gasoline content (Figure 12). However, it was observed that the addition of fossil diesel in WCO gave increased NOx emissions than neat FD fuel (Figure 12). The smoke level in exhaust gas decreased considerably when butanol was added to WCO fuel (Figure 13). The minimum smoke opacity was recorded for 80WCO20BL fuel; at maximum load, the smoke level of this blend was decreased by about 71% than FD (Figure 13). The maximum smoke opacity was obtained for neat WCO fuel, higher than FD by about 2.8% (Figure 13). For combustion characteristics analysis, an average of 50 cycles’ data were taken for assessing various combustion parameters. Figure 14 shows the peak in-cylinder pressures at 100% load occurring at the crank angle position between 10° and 20° after the top dead centre position. In high-engine load operations, the peak in-cylinder pressures of 80WCO10-20FD fuels were observed to be approximately 4.4% higher than FD. At full load, the 90WCO10G fuel gave a 5.4% lower in-cylinder pressure than neat FD. The in-cylinder pressure of 80WCO20BL fuel was 3.6% and 3.1% higher than 90WCO10BL and 100 FD (Figure 14). At high loads, the peak in-cylinder pressures of 80WCO10-20FD fuels were approximately 4.4% higher than FD. At 70% load (figure not shown), in-cylinder pressures of the 80WCO20BL, WCO fuels and FD fuels were almost identical; the lowest peak in-cylinder pressure value was recorded for 90WCO10G fuel, lower than FD by 10%.
Total heat release varied due to the variation of the BSFC of the fuels (Figure 15). The maximum heat release at 70% load was recorded for FD (figure not shown). The minimum was recorded for 90WCO10G, lower than FD by 8.5% (figure not shown). At 100% load, minimum heat release was recorded for 90WCO10BL fuel, lower than FD by approximately 6.5%. The 80WCO20BL fuel gave a 2% higher heat release than the 90WCO10BL fuel; however, the heat release value of 80WCO20BL was about 5% lower than FD (Figure 15). In general, the additive fuels combusted (90% combustion) earlier than FD (Figure 16). At full load, the combustion (90% combustion) of the 80WCO20BL, 90WCO10BL, 80WCO20FD, 90WCO10FD, 90WCO10G and WCO fuels occurred earlier than FD by 11%, 5%, 11%, 8%, 8%, 3% and 14%, respectively (Figure 16). Figure 17 showed that use of additives led to a reduction in the total combustion duration. At full load, the total combustion duration of the 80WCO20BL, 90WCO10BL, 80WCO20FD, 90WCO10FD, 90WCO10G and WCO fuels decreased by 13%, 6.5%, 9%, 9%, 3% and 13%, respectively, when compared to the corresponding FD value (Figure 17). From the combustion characteristics results, it was observed that, in most cases, the ignition delay periods of the WCO–additive blend fuels increased when compared to fossil diesel. In addition, it was also found out that once burning started they burnt quickly. Similar results were also reported in the literature [10,30].
Based on the above findings, WCO blended with either butanol or fossil diesel is the recommended blend for the engine. It displayed better fuel properties and combustion characteristics when compared to the other blends tested in the engine. Use of 10% to 20% butanol gave lowest NOx gas emission.

4. Error and Uncertainty Analysis

It is important to assess the errors in the measurements and uncertainty in the calculated parameters to establish the reliability, sensitivity and trends in the observed results. The selection of equipment, accuracy levels and calibration of equipment, environmental conditions, test planning, software used, and expertise of the operator (observation, incorrect reading) are a few factors which influence uncertainties and errors in any experimental study. Statistical and Monte Carlo simulation approaches are generally used for errors and uncertainty analysis [31,32]. Other approaches used for uncertainty analysis include Latin-hypercube sampling and Polynomial Chaos Expansion [32]. In this study, a simple statistical approach was applied [31]. The overall uncertainty of the experiment was calculated using the Equation (1) [31]. Multiple readings (six readings) of each independent parameter such as speed, load, and time were used. The uncertainty of the independent parameters were then calculated by a statistical approach using the mean, standard deviation and standard errors. Uncertainty values of various independent and dependent parameters are shown in Table 2. Using Equation (1), the overall uncertainty of the experiment was found to be approximately ±2.2%. This uncertainty value is close to the value found in the literature for similar type of studies [31].
O v e r a l l   U n c e r t a i n t y = ( S p e c i f i c   U n c e r t a i n t i e s ) 2

5. Conclusions

In this study, the waste cooking oil was blended separately with gasoline, butanol and fossil diesel. The physical and chemical properties of the fuel samples were measured. Engine performance, emission and combustion characteristics were compared with neat fossil diesel and neat WCO operation. The findings of the study are summarised below:
(i)
The calorific value of the blends increased with the addition of fossil diesel additive. The flash point temperatures of the WCO blends reduced with the addition of additives. At room temperature, the density of the WCO blends with 20% diesel/butanol/gasoline contents dropped by 1%, 2.1% and 3.2%, respectively. The viscosities of WCO blends reduced with the addition of additives.
(ii)
At low loads, the BSFC of the WCO blends with 10% FD/BL/G additives were higher than FD by 11%, 10% and 5.5%, respectively; whereas, at high load, they were higher than the FD by 5%, 2% and 5.5%, respectively. For 20% additives blends, the BSFC for FD and butanol blends were higher than neat FD by 1.1% and 7.4%, respectively. The brake thermal efficiency decreased by about 0.3–8% when the additives were used.
(iii)
At high loads, the CO2 emission decreased with the increase in additive content. At 100% load, 90WCO10BL fuel gave about 3.5% and 4.3% lower CO2 emissions than 100FD and 100WCO fuels. Compared to FD, the CO emission of the WCO fuel decreased by about 30%. A decrease in CO emission up to about 75% was observed when additives were added to WCO. The 90WCO10BL fuel gave 25% more NOx reduction than FD fuel. The smoke level was reduced considerably. The minimum smoke opacity was recorded for 80WCO20BL fuel, lower than FD by 71%.
(iv)
At high loads, the peak in-cylinder pressures of 80WCO10-20FD fuels were approximately 4.4% higher than FD. At 70% load, in-cylinder pressures of the 80WCO20BL, WCO fuels and FD fuels were almost identical; the lowest peak in-cylinder pressure value was recorded for 90WCO10G fuel, lower than FD by 10%. At 100% load, the peak in-cylinder pressures for 80WCO20BL were 3.6% and 3.1% higher than 90WCO10BL and 100 FD. The 90WCO10G fuel gave a 5.4% lower in-cylinder pressure than neat FD operation in the full-load condition. The maximum heat release was recorded for FD. At 100% load, minimum heat release was observed for 90WCO10BL fuel, lower than FD by approximately 6.5%. The 80WCO20BL fuel gave a 2% higher heat release than the 90WCO10BL fuel; however, the peak heat release value of 80WCO20BL was about 5% lower than FD. Compared to FD, and in the full-load condition, the total combustion duration of the 80WCO20BL and WCO fuels decreased by approximately 13%. At 70% load, the combustion duration of the 80WCO20BL, 80WCO20FD and WCO fuels were lower than FD by approximately 8.4%.
Overall, the study concluded that the waste cooking oil with up to 10–20% butanol or fossil diesel additives can be used in diesel engines for performance and emission benefits. Use of other additives such as di-ethyl ether and 2-butoxyethanol are recommended for further work. The gas-chromatography analysis of the blended fuels would have helped to study the chemical composition of the fuels; this is recommended as another item for future work. Measurement of Cetane number, ignition delay, and use of CHEMKIN for chemical kinetic simulations has also been recommended as other items of future work. An extended hour operation of the engine is recommended to study the durability of the engine components.

Funding

The study was funded by (i) British Council project “Solar Thermal Conversion of Waste to Energy” and (ii) UKIERI project “Waste to Energy—Low Temperature Combustion of Sustainable Green Fuels”.

Acknowledgments

The help provided by two students, Ako Ahmad and Junior Nyhan, is acknowledged.

Conflicts of Interest

The funders had no role in the design of the study; in the collection, analyses, or interpretation of data; in the writing of the manuscript, or in the decision to publish the results.

Abbreviations

ATDCAfter Top Dead Centre
BLButanol
BSFCBrake Specific Fuel Consumption
BTEBrake Thermal Efficiency
CACrank Angle
CICompression Ignition
FDFossil Diesel
GGasoline
HHVHigher Heating Values
UBHCUnburnt Hydrocarbon
WCOWaste Cooking Oil
100WCO100% Waste Cooking Oil
100 FD100% Fossil diesel
100WCO–Bio100% Waste Cooking Oil Biodiesel
90WCO 10BL90% Waste Cooking Oil 10%Butanol
80WCO 20BL80% Waste Cooking Oil 20%Butanol
70WCO 30BL70% Waste Cooking Oil 30%Butanol
90WCO 10FD90% Waste Cooking Oil 10% Fossil Diesel
80WCO 20FD80% Waste Cooking Oil 20% Fossil Diesel
70WCO 30FD70% Waste Cooking Oil 30% Fossil Diesel
90WCO 10G90% Waste Cooking Oil 10% Gasoline
80WCO 20G80% Waste Cooking Oil 20% Gasoline
70WCO 30G70% Waste Cooking Oil 30% Gasoline

References

  1. Singh, S.P.; Singh, D. Biodiesel production through the use of different sources and characterization of oils and their esters as the substitute of diesel: A review. Renew. Sustain. Energy Rev. 2010, 14, 200–216. [Google Scholar] [CrossRef]
  2. Karavalakis, G.; Hilari, D.; Givalou, L.; Karonis, D.; Stournas, S. Storage stability and ageing effect of biodiesel blends treated with different antioxidants. Energy 2011, 36, 369–374. [Google Scholar] [CrossRef]
  3. Department for Transport. UK Bioenergy Strategy; Department of Energy and Climate Change: London, UK, 2012.
  4. E4tech. A Harmonised Auto-Fuel Biofuel Roadmap for the EU to 2030; E4tech: London, UK, 2013. [Google Scholar]
  5. Hossain, A.K.; Davies, P.A. Plant oils as fuels for compression ignition engines: A technical review and life-cycle analysis. Renew Energy 2010, 35, 1–13. [Google Scholar] [CrossRef]
  6. Atabani, A.E.; Silitonga, A.S.; Badruddin, I.A.; Mahlia, T.M.I.; Masjuki, H.H.; Mekhilef, S. A comprehensive review on biodiesel as an alternative energy resource and its characteristics. Renew. Sustain. Energy Rev. 2012, 16, 2070–2093. [Google Scholar] [CrossRef]
  7. Rao, G.L.N.; Sampath, S.; Rajagopal, K. Experimental Studies on the Combustion and Emission Characteristics of a Diesel Engine Fuelled with Used Cooking Oil Methyl Esterand its Diesel Blends. World Acad. Sci. Eng. Technol. Int. J. Mech. Mechatron. Eng. 2008, 2, 1–25. [Google Scholar]
  8. Abuhabaya, A.A.; Fieldhouse, J.D.; Robert, D.R. Evaluation of Properties and USE of waste Vegetable Oil (WVO), Pure Vegetable Oils and Standard Diesel as Used in a Compression Ignition Engine. In Proceedings of the Future Technologies in Computing and Engineering Annual Researchers’ Conference (CEARC’10); The University of Huddersfield: Huddersfield, UK, 2010; pp. 71–76. [Google Scholar]
  9. Can, Ö. Combustion characteristics, performance and exhaust emissions of a diesel engine fueled with a waste cooking oil biodiesel mixture. Energy Convers. Manag. 2014, 87, 676–686. [Google Scholar] [CrossRef]
  10. Hossain, A.K.; Davies, P.A. Performance, emission and combustion characteristics of an indirect injection (IDI) multi-cylinder compression ignition (CI) engine operating on neat jatropha and karanj oils preheated by jacket water. Biomass Bioenergy 2012, 46, 332–342. [Google Scholar] [CrossRef]
  11. Department for Transport. Renewable Transport Fuel Obligation Statistics: Obligation Period 6, 2013/14 Report 4; Department for Transport: London, UK, 2014.
  12. Algasim, H.M.; Fieldhouse, J. Performance and Emissions of Compression Ignition Engines Using Waste Cooked Oil as Fuel. In Proceedings of the Future Technologies in Computing and Engineering Annual Reserachers’s Conference (CEARC’10); The University of Huddersfield: Huddersfield, UK, 2010; pp. 65–70. ISBN 9781862180932. [Google Scholar]
  13. Agarwal, D.; Agarwal, A.K. Performance and emissions characteristics of Jatropha oil (preheated and blends) in a direct injection compression ignition engine. Appl. Therm. Eng. 2007, 27, 2314–2323. [Google Scholar] [CrossRef]
  14. EPA. Guidance for Biodiesel Producers and Biodiesel Blenders/Users; EPA: Washington, DC, USA, 2007.
  15. Mahfouz, A.; Gad, M.S.; Faith, A.E.; Emara, A. Comparative study of combustion characteristics and exhaust emissions of waste cooking-diesel oil blends. Ain Shams Eng. J. 2018, 9, 3123–3134. [Google Scholar] [CrossRef]
  16. Delalibera, H.C.; Johann, A.L.; de Figueiredo, P.R.; Toledo, A.D.; Weirich Neto, P.H.; Ralisch, R. Performance of diesel engine fuelled with four vegetable oils, preheated and at engine operating temperature. Eng. Agric. 2017, 37, 302–314. [Google Scholar]
  17. Kumar, A.; Atul, D. Performance, Emission and Combustion Characteristics of Preheated and Blended Jatropha Oil. Chall. New Energy Crop 2012, 491–508. [Google Scholar]
  18. Pramanik, K. Properties and use of jatropha curcas oil and diesel fuel blends in compression ignition engine. Renew. Energy 2003, 28, 239–248. [Google Scholar] [CrossRef]
  19. Rakopoulos, C.D.; Antonopoulos, K.A.; Rakopoulos, D.C.; Hountalas, D.T.; Giakoumis, E.G. Comparative performance and emissions study of a direct injection diesel engine using blends of diesel fuel with vegetable oils or bio-diesels of various origins. Energy Convers. Manag. 2006, 47, 3272–3287. [Google Scholar] [CrossRef]
  20. Gopal, K.N.; Pal, A.; Sharma, S.; Samanchi, C.; Sathyanarayanan, K.; Elango, T. Investigation of emissions and combustion characteristics of a CI engine fueled with waste cooking oil methyl ester and diesel blends. Alex. Eng. J. 2014, 53, 281–287. [Google Scholar] [CrossRef]
  21. Imtenan, S.; Masjuki, H.H.; Varman, M.; Kalam, M.A.; Arbab, M.I.; Sajjad, H.; Rahman, S.M.A. Impact of oxygenated additives to palm and jatropha biodiesel blends in the context of performance and emissions characteristics of a light-duty diesel engine. Energy Convers. Manag. 2014, 83, 149–158. [Google Scholar] [CrossRef]
  22. Yilmaz, N.; Vigil, F.M.; Benalil, K.; Davis, S.M.; Calva, A. Effect of biodiesel-butanol fuel blends on emissions and performance characteristics of a diesel engine. Fuel 2014, 135, 46–50. [Google Scholar] [CrossRef]
  23. Rakopoulos, D.C.; Rakopoulos, C.D.; Giakoumis, E.G.; Dimaratos, A.M.; Kyritsis, D.C. Effects of butanol-diesel fuel blends on the performance and emissions of a high-speed di diesel engine. Energy Convers. Manag. 2010, 51, 1889–1997. [Google Scholar] [CrossRef]
  24. Rakopoulos, D.C. Combustion and emissions of cottonseed oil and its bio-diesel in blends with either n-butanol or diethyl ether in HSDI diesel engine. Fuel 2013, 105, 603–613. [Google Scholar] [CrossRef]
  25. Lujaji, F.; Hameer, S.; John, G.; Bereczky, A.; Mbarawa, M. Experimental investigation of NOx emission on crotonoil – 1-butanol – diesel in compression ignition (CI) engine. J. Mech. Eng. Res. 2013, 5, 104–111. [Google Scholar] [CrossRef][Green Version]
  26. Armas, O.; García-Contreras, R.; Ramos, Á. Pollutant emissions from engine starting with ethanol and butanol diesel blends. Fuel Process Technol. 2012, 100, 63–73. [Google Scholar] [CrossRef]
  27. Labeckas, G.; Slavinskas, S. Comparative performance of direct injection diesel engine operating on ethanol, petrol and rapeseed oil blends. Energy Convers. Manag. 2009, 50, 792–801. [Google Scholar] [CrossRef]
  28. Altun, E. Performance and exhaust emissions of a DI diesel engine fueled with waste cooking oil and inedible animal tallow methyl esters. Turk. J. Eng. Environ. Sci. 2011, 35, 107–114. [Google Scholar] [CrossRef]
  29. Subramaniam, D.; Murugesan, A. A comparative estimation of C.I. engine fuelled with methyl esters of punnai, neem and waste cooking oil. Int. J. Energy Environ. 2013, 4, 869–870. [Google Scholar]
  30. Deva Kumar, M.L.S.; Drakshayani, S.; Reddy, K.V.K. Effect of Fuel Injection Pressure on Performance of Single Cylinder Diesel Engine at Different Intake Manifold Inclinations. Int. J. Eng. Innov. Technol. 2012, 2, 20–25. [Google Scholar]
  31. Radheshyam; Santhosh, K.; Kumar, G.N. Effect of 1-pentanol addition and EGR on the combustion, performance and emission characteristic of a CRDI diesel engine, Renew. Energy 2020, 145, 925–936. [Google Scholar] [CrossRef]
  32. Gainy, B.; Longtin, J.P.; Lawler, B. A Guide to Uncertainty Quantification for Experimental Engine Research and Heat Release Analysis. SAE Int. J. Engines 2019, 12, 509–523. [Google Scholar] [CrossRef]
Figure 1. Engine test rig with all accessories.
Figure 1. Engine test rig with all accessories.
Cleantechnol 02 00028 g001
Figure 2. Heating values of neat fuels and blends.
Figure 2. Heating values of neat fuels and blends.
Cleantechnol 02 00028 g002
Figure 3. Flash point temperatures of neat fuels and blends.
Figure 3. Flash point temperatures of neat fuels and blends.
Cleantechnol 02 00028 g003
Figure 4. Density values of the neat fuels and blends.
Figure 4. Density values of the neat fuels and blends.
Cleantechnol 02 00028 g004
Figure 5. Viscosity values of fuel samples as a function of temperatures.
Figure 5. Viscosity values of fuel samples as a function of temperatures.
Cleantechnol 02 00028 g005
Figure 6. Water content in various fuels and blends.
Figure 6. Water content in various fuels and blends.
Cleantechnol 02 00028 g006
Figure 7. Acid number values of all fuels.
Figure 7. Acid number values of all fuels.
Cleantechnol 02 00028 g007
Figure 8. (a,b) Brake specific fuel consumption as a function of additive concentration.
Figure 8. (a,b) Brake specific fuel consumption as a function of additive concentration.
Cleantechnol 02 00028 g008
Figure 9. (a,b) Brake thermal efficiency as a function of additives concentration.
Figure 9. (a,b) Brake thermal efficiency as a function of additives concentration.
Cleantechnol 02 00028 g009
Figure 10. (a,b) Exhaust gas temperature as a function of additives concentration.
Figure 10. (a,b) Exhaust gas temperature as a function of additives concentration.
Cleantechnol 02 00028 g010
Figure 11. (a,b) CO2 gas emission of various fuels.
Figure 11. (a,b) CO2 gas emission of various fuels.
Cleantechnol 02 00028 g011
Figure 12. (a,b) NOx gas emission of various fuels as a function of additives concentration.
Figure 12. (a,b) NOx gas emission of various fuels as a function of additives concentration.
Cleantechnol 02 00028 g012
Figure 13. (a,b) Smoke opacity (m−1) of various fuels as a function of additives concentration.
Figure 13. (a,b) Smoke opacity (m−1) of various fuels as a function of additives concentration.
Cleantechnol 02 00028 g013
Figure 14. In-cylinder pressure (bar) at 100% load.
Figure 14. In-cylinder pressure (bar) at 100% load.
Cleantechnol 02 00028 g014
Figure 15. Internal heat release of test fuels at 100% load.
Figure 15. Internal heat release of test fuels at 100% load.
Cleantechnol 02 00028 g015
Figure 16. (a,b) Crank angle position at 5% and 90% combustion.
Figure 16. (a,b) Crank angle position at 5% and 90% combustion.
Cleantechnol 02 00028 g016
Figure 17. Total combustion duration of test fuels.
Figure 17. Total combustion duration of test fuels.
Cleantechnol 02 00028 g017
Table 1. Technical specification of the diesel engine.
Table 1. Technical specification of the diesel engine.
Engine ManufacturerLister Petter (UK)
ModelLPWS Bio3 water cooled
Number of cylinders3
Exhaust gas recirculationNone
Rated speed1500 rpm
Continuous power at rated speed9.9 kW
Fuel injection typeIndirect injection. Self-vent fuel system
with individual fuel injection pumps
Fuel pump injection timing20° BTDC
Cylinder capacity1.395 litre
Compression ratio1:22
Continuous power fuel consumption at 1500 rpm3.19 L/hr (fossil diesel)
Table 2. Uncertainty values of various parameters.
Table 2. Uncertainty values of various parameters.
ParameterUncertainties (%)ParameterUncertainties (%)
Load (Torque)0.4Thermal efficiency0.8
Speed0.6BSFC0.8
Time0.5In-cylinder pressure0.6
CO20.2Combustion duration0.8
NOx0.1Heat release 0.8
CO0.1Crank angle0.2
Smoke opacity0.8Time0.8
Publisher’s Note: MDPI stays neutral with regard to jurisdictional claims in published maps and institutional affiliations.

Share and Cite

MDPI and ACS Style

Hossain, A.K. Combustion Characteristics of Waste Cooking Oil–Butanol/Diesel/Gasoline Blends for Cleaner Emission. Clean Technol. 2020, 2, 447-461. https://doi.org/10.3390/cleantechnol2040028

AMA Style

Hossain AK. Combustion Characteristics of Waste Cooking Oil–Butanol/Diesel/Gasoline Blends for Cleaner Emission. Clean Technologies. 2020; 2(4):447-461. https://doi.org/10.3390/cleantechnol2040028

Chicago/Turabian Style

Hossain, Abul K. 2020. "Combustion Characteristics of Waste Cooking Oil–Butanol/Diesel/Gasoline Blends for Cleaner Emission" Clean Technologies 2, no. 4: 447-461. https://doi.org/10.3390/cleantechnol2040028

APA Style

Hossain, A. K. (2020). Combustion Characteristics of Waste Cooking Oil–Butanol/Diesel/Gasoline Blends for Cleaner Emission. Clean Technologies, 2(4), 447-461. https://doi.org/10.3390/cleantechnol2040028

Article Metrics

Back to TopTop