Enhancing Fire Protection in Electric Vehicle Batteries Based on Thermal Energy Storage Systems Using Machine Learning and Feature Engineering
Abstract
1. Introduction
2. Literature Review
2.1. Thermal Runaway in Lithium-Ion Batteries
2.2. Overview of Thermal Energy Storage (TES) Systems and Their Application in Battery Thermal Management

2.3. Review of Machine Learning Techniques for Thermal Management and Prediction in Battery Systems
- Logistic Regression: This method is commonly favored for its ability to provide probability estimates for binary classification tasks, like this study, for predicting the dangerous environment of the EV battery. It can model the probability of the default class as a function of the input features. Other advantages of this model are its simplicity, interpretability, and robustness in terms of statistical significance. In this paper [12], this method had a comprehensive review of its characteristics.
- SVMs: These kinds of methods are effective for classification tasks and are common in identifying high-risk conditions that could cause thermal runaway. They work by finding the optimal hyperplane parameters that separate different classes in data. Related to this matter, this paper [13] demonstrates the usage of SVM in the accurate classification methods related to EVs.
- Naïve Bayes: These kinds of classifiers are efficient and widely used for probabilistic classification tasks in various domains. They operate under a default assumption of independence among features in the dataset. This simplification allows for quick and effective classification, even in a complex dataset [14].
2.4. Novality of the Study
- Integration of TES in High-Voltage (HV) Battery Systems for V2G and G2V Applications: Previous studies have explored TES in stationary applications or generic battery systems [17]. However, this study shifts its focus to the application of TES in high-voltage batteries of EVs within the context of V2G and G2V operations. The importance of this concept is crucial due to the bidirectional energy flow between the grid and the vehicle, which has not been specifically addressed in previous studies.
- Identification and Definition of Thermal Spikes Using Simulink: Having a simulated model in Simulink provides this flexibility to explore various conditions of EV battery operations in V2G and G2V. This accessibility allows the precise identification and definition of thermal spikes, which as mentioned in the introduction, are considered critical events leading to thermal runaway. While previous studies mentioned this matter, their focus was on experimental data, which limits the area of study, and used a simpler model. This study relies on leveraging the advanced capabilities of Simulink to simulate real-world conditions accurately and also capture the dynamics in thermal spikes.
- Feature Engineering for Enhanced ML Model Performance: All of the features that are considered for a simulation like this one are not always going to have major impacts on the final prediction. Therefore, this study emphasizes determining the important factors to reduce any useless data or features that could put the prediction at risk of uncertainty and also increase the computational time. Feature engineering as one of the pre-processing methods in ML, provides this capability for the system.
- Comparison of Multiple ML Techniques: While ML has been used in previous studies, this paper conducts a comprehensive comparison of various ML techniques, like logistic regression, support vector regression (SVR), and hybrid models to identify the most effective method among all the mentioned ones by the use of evaluation metrics like R-Squared (R2) or Mean Square Error (MSE). This assessment under different scenarios aids the evaluation to determine the most robust model for the current or future usage.
- Real-World Simulation and Data Collection: Using a powerful software like MATLAB/Simulink (R2024a) provides this situation to not only consider different scenarios with the least amount of expenses or computational time but also allows for the generation of meaningful data that closely represents actual operations of EVs in V2G or G2V modes. Previous studies are mostly limited to theoretical models or real-world data, whereas this study bridges the gap by providing a robust simulation-based data collection methodology.
3. Methodology
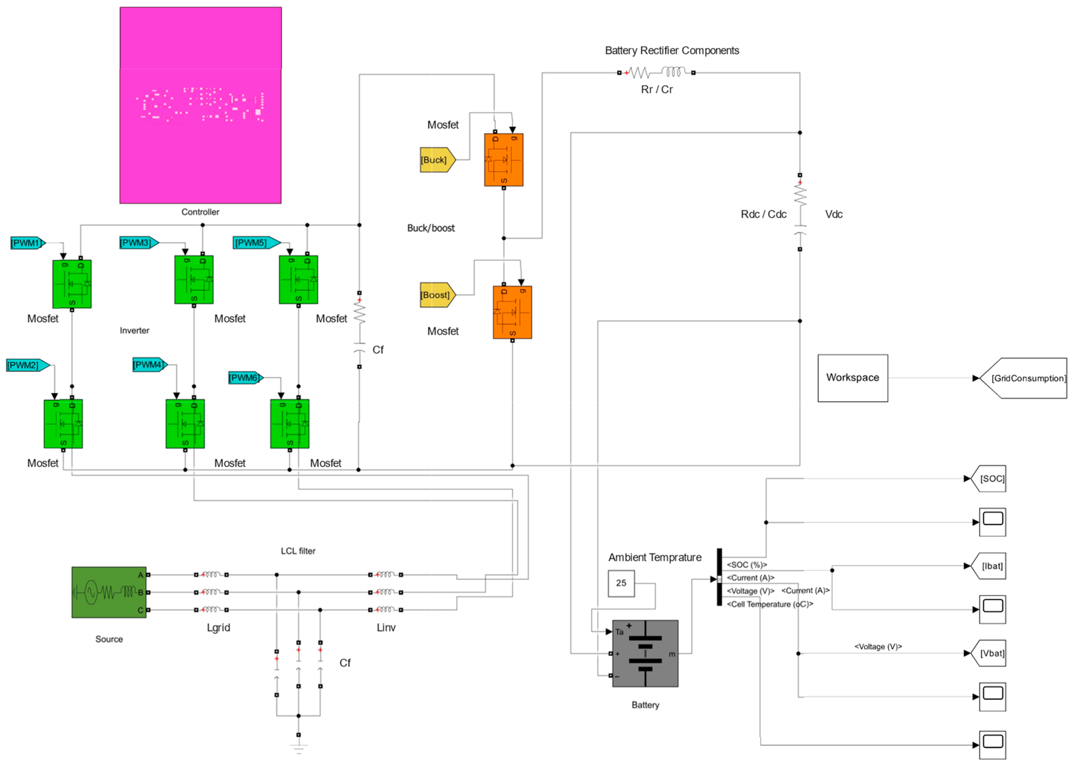
3.1. Simulation Setup
3.2. Selection of Initial Conditions
3.3. Data Collection
3.4. Feature Engineering/Selection
- Battery Temperature: the temperature of the battery has a direct impact on the battery’s condition and indicates the risk of thermal runaway.
- Rate of Temperature Change (ΔT/Δt): This measurement illustrates the battery temperature changes over time. A high rate of this increase suggests a potential thermal spike.
- Current: High current flows during charging or discharging can lead to increased internal resistance and heat generation, contributing to thermal spikes.
- SoC: The SoC of batteries is usually an indicator of the stability level of thermal behavior. Having batteries at high or low SoC levels may be more susceptible to thermal runaways.
- Voltage: As another impactful unit that has a high impression on the thermal behavior of battery cells, sudden changes in voltage can be associated with thermal spikes.
- 0 (No Risk): At this condition, the battery is operating within safe thermal limits with no immediate risk of thermal spike, at least in the short term.
- 1 (At Risk): On the other hand, this situation indicates a warning where the battery is highly capable of thermal runaway.
3.5. Machine Learning Model Development
3.6. Evaluation
- Accuracy: This metric measures the proportion of correct predictions (true positives and true negatives) out of total predictions to provide an overall indication of the model’s performance.
- Precision: It indicates the proportion of true positive predictions out of all positive predictions made by the model. It reflects the model’s ability to correctly identify instances of thermal runaway without the possibility of generating false alarms.
- Recall or True Positive Rate (TPR): It assesses the proportion of true positive predictions out of all actual positive instances.
- F1-Score: It is a harmonic mean of precision and recall. It provides a balanced measure of the model’s performance, useful for the times that class distributions are imbalanced.
- False Positive Rate (FPR): FPR is a metric that asses the proportion of negative instances that are incorrectly classified as positive by the model. It is calculated as the formula below.
- Receiver Operating Characteristic (ROC) and Area Under the ROC (AUC): The ROC curve is a graphical representation of a classification model performance across different threshold values. It depicts the TPR against FPR, that shows the tradeoff between sensitivity and specificity as decision threshold varies. The AUC is a scaler value that quantifies the overall ability of the model to discriminate between positive and negative classes.
- V2G Operations: The reason for choosing this situation for discharging the batteries is to help the system shave the peak load that stabilizes the grid and assess the thermal risk under high load conditions. Also, it could be used for the evaluation of the battery’s response to grid frequency fluctuations and its impact on thermal behavior.
- G2V Operations: Charging the battery during off-peak hours to analyze thermal risks at different charging rates, and by considering the specific ambient temperature, to study the effects of fluctuating energy inputs.
- Environmental Conditions: To better assess the battery system, different seasonal conditions have been explored to understand the impact of ambient temperature on the battery status changes. Also, by investigating different times of the day, diurnal temperature variations and their effects on the battery performance can be captured.
- Operational Extremes: Putting batteries under heavy load conditions, in V2G mode specifically, aids the thermal stability assessment of the battery to ensure their performance in any load condition.
4. Results
- SoC: It is the most significant feature as it directly influences the battery’s operational limits. Having high or low SoC levels can lead to overcharging or deep discharging, both of which are known to increase the likelihood of thermal runaway due to the increasing internal resistance and heat generation.
- Current: Another important feature of batteries is the current as its high rate, especially during rapid charging or discharging, can lead to significant heat generation due to internal resistance. This feature’s importance highlights the need for current-level monitoring during battery operation.
- Battery Temperature: It is crucial as it is a direct indicator of the thermal state of the battery. High temperature can lead the inertial components of the battery to reduce the electrolyte’s stability and accelerate undesirable chemical reactions which can culminate in thermal runaway. The importance of this feature underscores its impact on the thermal management systems in EV batteries.
- Time and Ambient Temperature: While these features indicate a less significant role than SoC and Current, they can still play a vital role in influencing the overall thermal behavior of the battery. Time correlates with the duration of exposure to thermal stress, while ambient temperature affects the initial and boundary conditions of the battery’s thermal environment.
- Voltage and Gird Power Consumption: These features have relatively lower importance among others, still they have some contributions to the model itself. Voltage is indirectly related to SoC and internal resistance of batteries and grid power consumption is a broader measure of energy exchange during V2G and G2V operations.
- Combination of Logistic Regression with SVM: Logistic regression is known for its simplicity and effectiveness in binary classification issues, while SVM excels in finding optimal hyperplanes for separating classes in non-linear cases. The hybrid model was expected to benefit from logistic regression’s probabilistic interpretation and SVM’s ability to handle non-linear separations. However, the performance did not surpass the sole method as the dataset did not have enough non-linearities to be captured by SVM, making the logistic regression linear approach sufficiently robust.
- Combination of Logistic Regression with Naïve Bayes: Naïve Bayes is considered a probabilistic method, that assumes all the features are independent of each other, which could be advantageous in certain ways, but not in the models that are enriched with complexities. The hybrid model aimed to handle the categorical data using logistic regression and gain help from Naïve Bayes’ efficiency. However, since the features were not significantly independent in this existing dataset, it diminished the potential benefits of this combination, leading to a slightly lower performance in comparison to the logistic regression alone.
- Overall Observations: Other aspects can impact the implementation, tuning, and data characteristics that could prohibit hybrid models from operating better in certain ways. The results indicate that while these types of models can offer marginal improvements, the logistic regression alone could handle this dataset perfectly. Also, it was found that the linear nature of the problem was well addressed by only using this method alongside the fact that it could also help other combinations, Naïve Bayes and SVM, to increase their performance. Yet, the difference is slight and, in other scenarios, it could be changed.
5. Limitations and Challenges
5.1. Simplified Assumptions in Modeling
5.2. Limited Scope of TES Materials and Configurations
5.3. Lack of Real-Time Experimental Validation
5.4. Constraints in Machine Learning Application
5.5. Consideration of a Single Battery Type
6. Conclusions and Future Research
- Real-world Implementation: Future studies should elevate their focus over broader data, by considering various types of energy consumptions or renewable energies to enrich the validation of ML and TES usage. Also, by deploying more days and EVs, there is a high probability of facing new challenges and finding innovative ways to overcome them.
- Advanced ML Techniques and Hybrid Models: Considering more advanced techniques for ML, such as deep learning and ensemble learning or their combination with other methods, could further enhance predictive accuracy and robustness. Also, for doing research over time-series data related to the batteries, long short-term memory (LSTM) could be useful [26].
- Context-Based Evaluation Metrics: While in this study, a broad range of metrics (accuracy, precision, recall, and F1-score) were considered to provide a proper resolution of different models comparison, for future studies, where the focus is regression rather than classification, it would be better to consider context-based evaluation methods that align with the nature of those studies. Metrics like mean squared error (MSE), root mean squared error (RMSE), mean absolute error (MAE), and R-squared (R2) would be more appropriate for assessing the performance of those models [27].
- Broader Range of Scenarios: Expanding the range of scenarios considered in simulations, including various environmental conditions, various types of EVs, and diverse operational modes, would provide a more comprehensive understanding of the system’s performance and adaptability.
- Economic and Environmental Impact Analysis: Conducting economic and environmental impact analyses of TES and ML could help the users and stakeholders to have a better understanding of the cost-benefit ratio and potential ways for reducing the environmental risks associated with thermal runaway.
- Collaboration with Industry: Collaborating with industry partners, including EV manufacturers and energy storage solution providers, gives the chance to facilitate the translation of research findings into practical applications and enhance the adoption of advanced safety measures in the market.
- Simulation and Testing Under Varying Environmental Conditions: Collaborating with industry partners, including EV manufacturers and energy storage solution providers, gives this chance to facilitate the translation of research findings into practical applications and enhance the adoption of advanced safety measures in the market.
Author Contributions
Funding
Data Availability Statement
Acknowledgments
Conflicts of Interest
References
- Tran, M.-K.; Mevawalla, A.; Aziz, A.; Panchal, S.; Xie, Y.; Fowler, M. A Review of Lithium-Ion Battery Thermal Runaway Modeling and Diagnosis Approaches. Processes 2022, 10, 1192. [Google Scholar] [CrossRef]
- Ren, D.; Feng, X.; Liu, L.; Hsu, H.; Lu, L.; Wang, L.; He, X.; Ouyang, M. Investigating the relationship between internal short circuit and thermal runaway of lithium-ion batteries under thermal abuse condition. Energy Storage Mater. 2021, 34, 563–573. [Google Scholar] [CrossRef]
- Kong, D.; Wang, G.; Ping, P.; Wen, J. Numerical investigation of thermal runaway behavior of lithium-ion batteries with different battery materials and heating conditions. Appl. Therm. Eng. 2021, 189, 116661. [Google Scholar] [CrossRef]
- Li, W.; Xue, Y.; Feng, X.; Rao, S.; Zhang, T.; Gao, Z.; Guo, Y.; Zhou, H.; Zhao, H.; Song, Z.; et al. Characteristics of particle emissions from lithium-ion batteries during thermal runaway: A review. J. Energy Storage 2024, 78, 109980. [Google Scholar] [CrossRef]
- Mehling, H.; Brütting, M.; Haussmann, T. PCM products and their fields of application—An overview of the state in 2020/2021. J. Energy Storage 2022, 51, 104354. [Google Scholar] [CrossRef]
- Ushak, S.; Fernández, A.G.; Grageda, M. Using molten salts and other liquid sensible storage media in thermal energy storage (TES) systems. In Advances in Thermal Energy Storage Systems; Elsevier: Amsterdam, The Netherlands, 2015; pp. 49–63. [Google Scholar] [CrossRef]
- Al Miaari, A.; Ali, H.M. Batteries temperature prediction and thermal management using machine learning: An overview. Energy Rep. 2023, 10, 2277–2305. [Google Scholar] [CrossRef]
- Hong, J.; Wang, Z.; Chen, W.; Wang, L.; Lin, P.; Qu, C. Online accurate state of health estimation for battery systems on real-world electric vehicles with variable driving conditions considered. J. Clean. Prod. 2021, 294, 125814. [Google Scholar] [CrossRef]
- Mojumder, M.R.H.; Ahmed Antara, F.; Hasanuzzaman, M.; Alamri, B.; Alsharef, M. Electric Vehicle-to-Grid (V2G) Technologies: Impact on the Power Grid and Battery. Sustainability 2022, 14, 13856. [Google Scholar] [CrossRef]
- Olabi, A.G.; Maghrabie, H.M.; Adhari, O.H.K.; Sayed, E.T.; Yousef, B.A.A.; Salameh, T.; Kamil, M.; Abdelkareem, M.A. Battery thermal management systems: Recent progress and challenges. Int. J. Thermofluids 2022, 15, 100171. [Google Scholar] [CrossRef]
- Feng, X.; Ouyang, M.; Liu, X.; Lu, L.; Xia, Y.; He, X. Thermal runaway mechanism of lithium-ion battery for electric vehicles: A review. Energy Storage Mater. 2018, 10, 246–267. [Google Scholar] [CrossRef]
- Maresch, K.; Marchesan, G.; Cardoso, G. A logistic regression approach for improved safety of the under-frequency load shedding scheme owing to feeder machine inertia. Electr. Power Syst. Res. 2023, 218, 109189. [Google Scholar] [CrossRef]
- Manoharan, A.; Begam, K.M.; Aparow, V.R.; Sooriamoorthy, D. Artificial Neural Networks, Gradient Boosting and Support Vector Machines for electric vehicle battery state estimation: A review. J. Energy Storage 2022, 55, 105384. [Google Scholar] [CrossRef]
- Carli, F.; Leonelli, M.; Varando, G. A new class of generative classifiers based on staged tree models. Knowl.-Based Syst. 2023, 268, 110488. [Google Scholar] [CrossRef]
- Ali, Z.M.; Jurado, F.; Gandoman, F.H.; Ćalasan, M. Advancements in battery thermal management for electric vehicles: Types, technologies, and control strategies including deep learning methods. Ain Shams Eng. J. 2024, 15, 102908. [Google Scholar] [CrossRef]
- Kiasari, M.; Ghaffari, M.; Aly, H.H. A Comprehensive Review of the Current Status of Smart Grid Technologies for Renewable Energies Integration and Future Trends: The Role of Machine Learning and Energy Storage Systems. Energies 2024, 17, 4128. [Google Scholar] [CrossRef]
- Schimpe, M.; Naumann, M.; Truong, N.; Hesse, H.C.; Santhanagopalan, S.; Saxon, A.; Jossen, A. Energy efficiency evaluation of a stationary lithium-ion battery container storage system via electro-thermal modeling and detailed component analysis. Appl. Energy 2018, 210, 211–229. [Google Scholar] [CrossRef]
- Arancibia, A.; Strunz, K. Modeling of an electric vehicle charging station for fast DC charging. In Proceedings of the 2012 IEEE International Electric Vehicle Conference, Greenville, SC, USA, 4–8 March 2012; IEEE: New York, NY, USA, 2012; pp. 1–6. [Google Scholar] [CrossRef]
- Kiasari, M.M.; Aly, H.H. A proposed controller for real-time management of electrical vehicle battery fleet with MATLAB/SIMULINK. J. Energy Storage 2024, 99, 113235. [Google Scholar] [CrossRef]
- Kaggle, K. Household Electric Power Consumption. Available online: https://www.kaggle.com/datasets/uciml/electric-power-consumption-data-set?resource=download (accessed on 1 August 2022).
- Cai, J.; Luo, J.; Wang, S.; Yang, S. Feature selection in machine learning: A new perspective. Neurocomputing 2018, 300, 70–79. [Google Scholar] [CrossRef]
- Hossin, M.; Sulaiman, M.N. A Review on Evaluation Metrics for Data Classification Evaluations. Int. J. Data Min. Knowl. Manag. Process 2015, 5, 1–11. [Google Scholar] [CrossRef]
- Ntombela, M.; Musasa, K.; Moloi, K. A Comprehensive Review for Battery Electric Vehicles (BEV) Drive Circuits Technology, Operations, and Challenges. World Electr. Veh. J. 2023, 14, 195. [Google Scholar] [CrossRef]
- Campagna, N.; Castiglia, V.; Miceli, R.; Mastromauro, R.A.; Spataro, C.; Trapanese, M.; Viola, F. Battery Models for Battery Powered Applications: A Comparative Study. Energies 2020, 13, 4085. [Google Scholar] [CrossRef]
- Samek, W.; Montavon, G.; Lapuschkin, S.; Anders, C.J.; Muller, K.-R. Explaining Deep Neural Networks and Beyond: A Review of Methods and Applications. Proc. IEEE 2021, 109, 247–278. [Google Scholar] [CrossRef]
- Shanmuganathan, J.; Victoire, A.A.; Balraj, G.; Victoire, A. Deep Learning LSTM Recurrent Neural Network Model for Prediction of Electric Vehicle Charging Demand. Sustainability 2022, 14, 10207. [Google Scholar] [CrossRef]
- Zhou, J.; Gandomi, A.H.; Chen, F.; Holzinger, A. Evaluating the Quality of Machine Learning Explanations: A Survey on Methods and Metrics. Electronics 2021, 10, 593. [Google Scholar] [CrossRef]












| Components | Values |
|---|---|
| Source | 480 V/60 Hz |
| Lgrid/Cf/Linv (LCL filter) | 45 uH/35 uF |
| Rdc/Cdc | 0.001 Ω/0.018 F |
| Rr/Cr (rectifer) | 0.001 Ω/0.002 H |
| Rectifier output voltage | 700 V |
| Battery nominal voltage (4 EVs) | 300 V/400 V/600 V/800 V |
| Initial SoC | 70% |
| Switching frequency | 10 kHz |
| Reference current | 20 A |
| Ambient temprature | 25 °C |
| Thermal resistance | 0.6411 Ω |
| Thermal time constant | 4880 s |
| EV Model | Nominal Voltage (V) | Capacity (kWh) | Initial SoC (%) | Ambient Temperature (°C) |
|---|---|---|---|---|
| Tesla Model S | 375 | 100 | 40 | 20 |
| Nissan Leaf | 350 | 40 | 45 | 12 |
| Chevrolet Bolt EV | 350 | 66 | 30 | 22 |
| BMW i3 | 360 | 42.2 | 60 | 18 |
| Technique | Accuracy | Precision | Recall | F1 Score |
|---|---|---|---|---|
| Logistic Regression | 0.9805 | 0.9797 | 0.9856 | 0.9798 |
| SVM | 0.9453 | 0.9600 | 0.94533 | 0.9501 |
| Naïve Bayes | 0.9382 | 0.9488 | 0.9290 | 0.9388 |
| Logistic/SVM | 0.9772 | 0.9698 | 0.9570 | 0.9634 |
| Logistic/Naïve Bayes | 0.9762 | 0.9686 | 0.9546 | 0.9616 |
| SVM/Naïve Bayes | 0.9654 | 0.9630 | 0.9524 | 0.9577 |
Disclaimer/Publisher’s Note: The statements, opinions and data contained in all publications are solely those of the individual author(s) and contributor(s) and not of MDPI and/or the editor(s). MDPI and/or the editor(s) disclaim responsibility for any injury to people or property resulting from any ideas, methods, instructions or products referred to in the content. |
© 2024 by the authors. Licensee MDPI, Basel, Switzerland. This article is an open access article distributed under the terms and conditions of the Creative Commons Attribution (CC BY) license (https://creativecommons.org/licenses/by/4.0/).
Share and Cite
Kiasari, M.M.; Aly, H.H. Enhancing Fire Protection in Electric Vehicle Batteries Based on Thermal Energy Storage Systems Using Machine Learning and Feature Engineering. Fire 2024, 7, 296. https://doi.org/10.3390/fire7090296
Kiasari MM, Aly HH. Enhancing Fire Protection in Electric Vehicle Batteries Based on Thermal Energy Storage Systems Using Machine Learning and Feature Engineering. Fire. 2024; 7(9):296. https://doi.org/10.3390/fire7090296
Chicago/Turabian StyleKiasari, Mahmoud M., and Hamed H. Aly. 2024. "Enhancing Fire Protection in Electric Vehicle Batteries Based on Thermal Energy Storage Systems Using Machine Learning and Feature Engineering" Fire 7, no. 9: 296. https://doi.org/10.3390/fire7090296
APA StyleKiasari, M. M., & Aly, H. H. (2024). Enhancing Fire Protection in Electric Vehicle Batteries Based on Thermal Energy Storage Systems Using Machine Learning and Feature Engineering. Fire, 7(9), 296. https://doi.org/10.3390/fire7090296

