Biocomposites Produced from Hardwood Particles by Equal Channel Angular Pressing Without Additives
Abstract
:1. Introduction
2. Materials and Methods
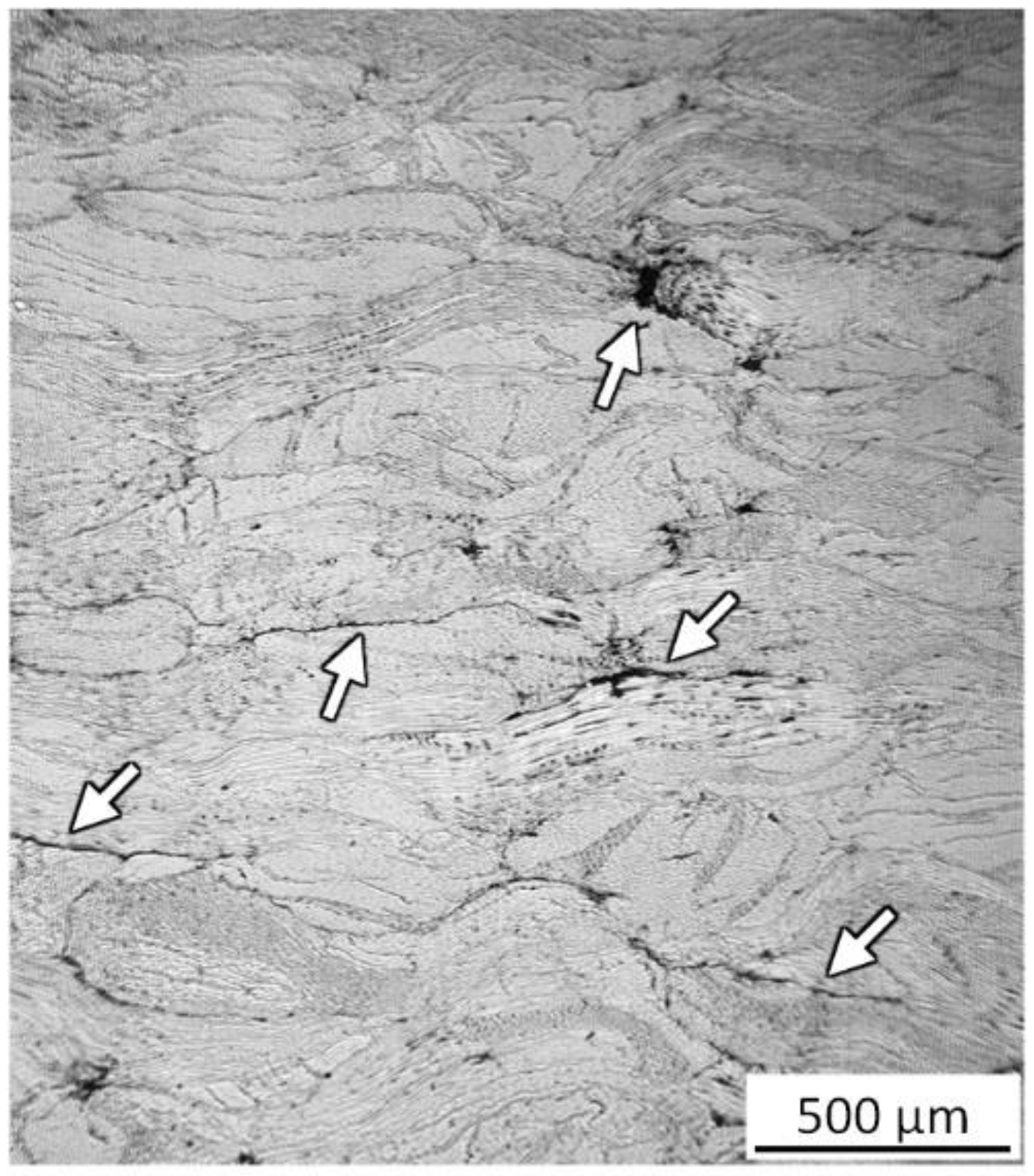
3. Results
4. Discussion
5. Summary and Conclusions
Author Contributions
Funding
Acknowledgments
Conflicts of Interest
References
- Valiev, R.Z.; Langdon, T.G. Principles of equal-channel angular pressing as a processing tool for grain refinement. Prog. Mater. Sci. 2006, 51, 881–981. [Google Scholar] [CrossRef]
- Xia, K. Consolidation of particles by severe plastic deformation: Mechanism and applications in processing bulk ultrafine and nanostructured alloys and composites. Adv. Eng. Mater. 2010, 12, 724–729. [Google Scholar] [CrossRef]
- Sue, H.-J.; Li, C.K.-Y. Control of orientation of lamellar structure in linear low density polyethylene via a novel equal channel angular extrusion process. J. Mater. Sci. Lett. 1998, 17, 853–856. [Google Scholar] [CrossRef]
- Xia, Z.; Sue, H.-J.; Hsieh, A.J.; Huang, J.W.-L. Dynamic mechanical behavior of oriented semicrystalline polyethylene terephthalate. J. Polym. Sci. Part B Polym. Phys. 2001, 39, 1394–1403. [Google Scholar] [CrossRef]
- Beloshenko, V.A.; Voznyak, Y.V.; Reshidova, I.Y.; Naït-Abdelaziz, M.; Zairi, F. Equal-channel angular extrusion of polymers. J. Polym. Res. 2013, 20. [Google Scholar] [CrossRef]
- Zhang, X.; Wu, X.; Gao, D.; Xia, K. Bulk cellulose plastic materials from processing cellulose powder using back pressure-equal channel angular pressing. Carbohydr. Polym. 2012, 87, 2470–2476. [Google Scholar] [CrossRef]
- Zhang, X.; Wu, X.; Haryono, H.; Xia, K. Natural polymer biocomposites produced from processing raw wood flour by severe shear deformation. Carbohydr. Polym. 2014, 113, 46–52. [Google Scholar] [CrossRef] [PubMed]
- Zhang, X.; Wu, X.; Xia, K. Cellulose-wheat gluten bulk plastic materials produced from processing raw powders by severe shear deformation. Carbohydr. Polym. 2013, 92, 2206–2211. [Google Scholar] [CrossRef]
- Bai, Y.; Zhang, X.; Xia, K. High strength biocomposites consolidated from hardwood particles by severe plastic deformation. Cellulose 2019, 26, 1067–1084. [Google Scholar] [CrossRef]
- Zhang, X.; Gao, D.; Wu, X.; Xia, K. Bulk plastic materials obtained from processing raw powders of renewable natural polymers via back pressure equal channel angular consolidation (BP-ECAC). Eur. Polym. J. 2008, 44, 780–792. [Google Scholar] [CrossRef]
- Park, S.; Baker, J.O.; Himmel, M.E.; Parilla, P.A.; Johnson, D.K. Cellulose crystallinity index: Measurement techniques and their impact on interpreting cellulase performance. Biotechnol. Biofuels 2010, 3, 10–19. [Google Scholar] [CrossRef]
- Poletto, M.; Zattera, A.J.; Forte, M.M.C.; Santana, R.M.C. Thermal decomposition of wood: Influence of wood components and cellulose crystallite size. Bioresour. Technol. 2012, 109, 148–153. [Google Scholar] [CrossRef]
- Driemeier, C.; Pimenta, M.T.B.; Rocha, G.J.M.; Oliveira, M.M.; Mello, D.B.; Maziero, P.; Gonçalves, A.R. Evolution of cellulose crystals during prehydrolysis and soda delignification of sugarcane lignocellulose. Cellulose 2011, 18, 1509–1519. [Google Scholar] [CrossRef]
- O’Connor, R.T.; DuPré, E.F.; Mitcham, D. Applications of infrared absorption spectroscopy to investigations of cotton and modified cottons:Part I: Physical and crystalline modifications and oxidation. Text. Res. J. 1958, 28, 382–392. [Google Scholar] [CrossRef]
- Oh, S.Y.; Yoo, D.I.; Shin, Y.; Seo, G. FTIR analysis of cellulose treated with sodium hydroxide and carbon dioxide. Carbohydr. Res. 2005, 340, 417–428. [Google Scholar] [CrossRef] [PubMed]
- Auxenfans, T.; Crônier, D.; Chabbert, B.; Paës, G. Understanding the structural and chemical changes of plant biomass following steam explosion pretreatment. Biotechnol. Biofuels 2017, 10, 36. [Google Scholar] [CrossRef] [PubMed]
- Mann, D.G.J.; Labbé, N.; Sykes, R.W.; Gracom, K.; Kline, L.; Swamidoss, I.M.; Burris, J.N.; Davis, M.; Stewart, C.N. Rapid assessment of lignin content and structure in switchgrass (Panicum virgatum L.) grown under different environmental conditions. BioEnergy Res. 2009, 2, 246–256. [Google Scholar] [CrossRef]
- Yuan, J.-M.; Feng, Y.-R.; He, L.-P. Effect of thermal treatment on properties of ramie fibers. Polym. Degrad. Stab. 2016, 133, 303–311. [Google Scholar] [CrossRef]
- Esteves, B.; Velez Marques, A.; Domingos, I.; Pereira, H. Chemical changes of heat treated pine and eucalypt wood monitored by FTIR. Maderas Cienc. Tecnol. 2013, 15, 245–258. [Google Scholar] [CrossRef]
- González-Peña, M.M.; Curling, S.F.; Hale, M.D.C. On the effect of heat on the chemical composition and dimensions of thermally-modified wood. Polym. Degrad. Stab. 2009, 94, 2184–2193. [Google Scholar] [CrossRef]
- Esteves, B.M.; Pereira, H.M. Wood modification by heat treatment: A review. BioResources 2009, 4, 370–404. [Google Scholar]
- Nuopponen, M.; Vuorinen, T.; Jämsä, S.; Viitaniemi, P. Thermal modifications in softwood studied by FT-IT and UV resonance Raman spectroscopies. J. Wood Chem. Technol. 2005, 24, 13–26. [Google Scholar] [CrossRef]
- Ling, Z.; Ji, Z.; Ding, D.; Cao, J.; Xu, F. Microstructural and topochemical characterization of thermally modified poplar (Populus cathayaha) cell wall. BioResources 2016, 11, 786–799. [Google Scholar] [CrossRef]
- Kim, U.-J.; Eom, S.H.; Wada, M. Thermal decomposition of native cellulose: Influence on crystallite size. Polym. Degrad. Stab. 2010, 95, 778–781. [Google Scholar] [CrossRef]
- Ek, R.; Wormald, P.; östelius, J.; Iversen, T.; Nyström, C. Crystallinity index of microcrystalline cellulose particles compressed into tablets. Int. J. Pharm. 1995, 125, 257–264. [Google Scholar] [CrossRef]
- Segal, V.M. Equal channel angular extrusion: From macromechanics to structure formation. Mater. Sci. Eng. A 1999, 271, 322–333. [Google Scholar] [CrossRef]
- Boulahia, R.; Gloaguen, J.M.; Zaïri, F.; Naït-Abdelaziz, M.; Seguela, R.; Boukharouba, T.; Lefebvre, J.M. Deformation behaviour and mechanical properties of polypropylene processed by equal channel angular extrusion: Effects of back-pressure and extrusion velocity. Polymer 2009, 50, 5508–5517. [Google Scholar] [CrossRef]
- Qiu, J.; Murata, T.; Wu, X.; Kitagawa, M.; Kudo, M. Plastic deformation mechanism of crystalline polymer materials in the equal channel angular extrusion process. J. Mater. Process. Technol. 2012, 212, 1528–1536. [Google Scholar] [CrossRef]
- Figueiredo, R.B.; Cetlin, P.R.; Langdon, T.G. Stable and unstable flow in materials processed by equal-channel angular pressing with an emphasis on magnesium alloys. Metall. Mater. Trans. A 2010, 41, 778–786. [Google Scholar] [CrossRef]
- Bhuiyan, M.T.R.; Hirai, N.; Sobue, N. Changes of crystallinity in wood cellulose by heat treatment under dried and moist conditions. J. Wood Sci. 2000, 46, 431–436. [Google Scholar] [CrossRef]
- Le, X.; An, J.; Zhang, G.; Wang, L.; Fan, J.; Wang, P.; Xie, Y. Investigation of the structural characteristics of corn stalk during hot-pressing. BioResources 2016, 11, 10213–10225. [Google Scholar] [CrossRef]
- Ji, Z.; Ma, J.-F.; Zhang, Z.-H.; Xu, F.; Sun, R.-C. Distribution of lignin and cellulose in compression wood tracheids of Pinus yunnanensis determined by fluorescence microscopy and confocal Raman microscopy. Ind. Crops Prod. 2013, 47, 212–217. [Google Scholar] [CrossRef]
- Gravitis, J.; Kokorevics, A.; Zharov, A.; Lippmaa, E. Structural changes of wood and its components initiated by the simultaneous action of shear deformation and high pressure. J. Pulp Pap. Sci. 1991, 17, J119–J123. [Google Scholar]
- Laborie, M.P.G. The Temperature Dependence of Wood Relaxations: A Molecular Probe of the Woody Cell Wall. In Characterization of the Cellulosic Cell Wall, 1st ed.; Stokke, D.D., Groom, L.H., Eds.; Blackwell Publishing: Ames, IA, USA, 2008; pp. 87–94. [Google Scholar]
- Keckes, J.; Burgert, I.; Frühmann, K.; Müller, M.; Kölln, K.; Hamilton, M.; Burghammer, M.; Roth, S.V.; Stanzl-Tschegg, S.; Fratzl, P. Cell-wall recovery after irreversible deformation of wood. Nat. Mater. 2003, 2, 810–813. [Google Scholar] [CrossRef] [PubMed]
- Semiatin, S.L.; DeLo, D.P.; Segal, V.M.; Goforth, R.E.; Frey, N.D. Workability of commercial-purity titanium and 4340 steel during equal channel angular extrusion at cold-working temperatures. Metall. Mater. Trans. A 1999, 30, 1425–1435. [Google Scholar] [CrossRef]







| Material | Crystallinity Index (CI) (%) | D200 (nm) | d200 (nm) | L004 (nm) |
|---|---|---|---|---|
| HW | 62 | 3.0 | 0.40 | 3.0 |
| HP-T200 | 50 | 2.9 | 0.40 | 3.7 |
| ECAP-S10-T200 | 35 | 2.5 | 0.41 | 4.4 |
| ECAP-S25-T200 | 42 | 2.7 | 0.41 | 4.8 |
| ECAP-S50-T200 | 39 | 2.6 | 0.41 | 4.2 |
| ECAP-S25-T160 | 40 | 2.7 | 0.41 | 4.3 |
| ECAP-S25-T180 | 38 | 2.7 | 0.41 | 4.3 |
| ECAP-S25-T190 | 35 | 2.6 | 0.41 | 4.2 |
| ECAP-S25-T210 | 35 | 2.7 | 0.41 | 4.3 |
| Material | I1422/I895 Lateral Order Index (LOI) | I1504/I1590 Cross-Linked Lignin Ratio (CLL) | I3400/I1328 Hydrogen Bond Intensity (HBI) | I1735/I1650 |
|---|---|---|---|---|
| HW | 1.2 | 0.68 | 2.8 | 1.8 |
| HP-T200 | 1.0 | 0.67 | 3.1 | 2.2 |
| ECAP-S10-T200 | 0.95 | 0.68 | 3.0 | 2.1 |
| ECAP-S25-T200 | 0.99 | 0.68 | 3.1 | 2.2 |
| ECAP-S50-T200 | 0.98 | 0.66 | 3.2 | 2.0 |
| ECAP-S25-T160 | 0.96 | 0.65 | 3.0 | 1.9 |
| ECAP-S25-T180 | 0.94 | 0.65 | 3.1 | 1.9 |
| ECAP-S25-T190 | 0.99 | 0.67 | 3.1 | 2.1 |
| ECAP-S25-T210 | 0.95 | 0.69 | 3.2 | 2.1 |
© 2019 by the authors. Licensee MDPI, Basel, Switzerland. This article is an open access article distributed under the terms and conditions of the Creative Commons Attribution (CC BY) license (http://creativecommons.org/licenses/by/4.0/).
Share and Cite
Bai, Y.; Zhang, X.; Xia, K. Biocomposites Produced from Hardwood Particles by Equal Channel Angular Pressing Without Additives. J. Compos. Sci. 2019, 3, 36. https://doi.org/10.3390/jcs3020036
Bai Y, Zhang X, Xia K. Biocomposites Produced from Hardwood Particles by Equal Channel Angular Pressing Without Additives. Journal of Composites Science. 2019; 3(2):36. https://doi.org/10.3390/jcs3020036
Chicago/Turabian StyleBai, Yu, Xiaoqing Zhang, and Kenong Xia. 2019. "Biocomposites Produced from Hardwood Particles by Equal Channel Angular Pressing Without Additives" Journal of Composites Science 3, no. 2: 36. https://doi.org/10.3390/jcs3020036
APA StyleBai, Y., Zhang, X., & Xia, K. (2019). Biocomposites Produced from Hardwood Particles by Equal Channel Angular Pressing Without Additives. Journal of Composites Science, 3(2), 36. https://doi.org/10.3390/jcs3020036

