Tribological Properties of Carbon Tool Steel after Plasma Electrolytic Nitrocarburizing
Abstract
:1. Introduction
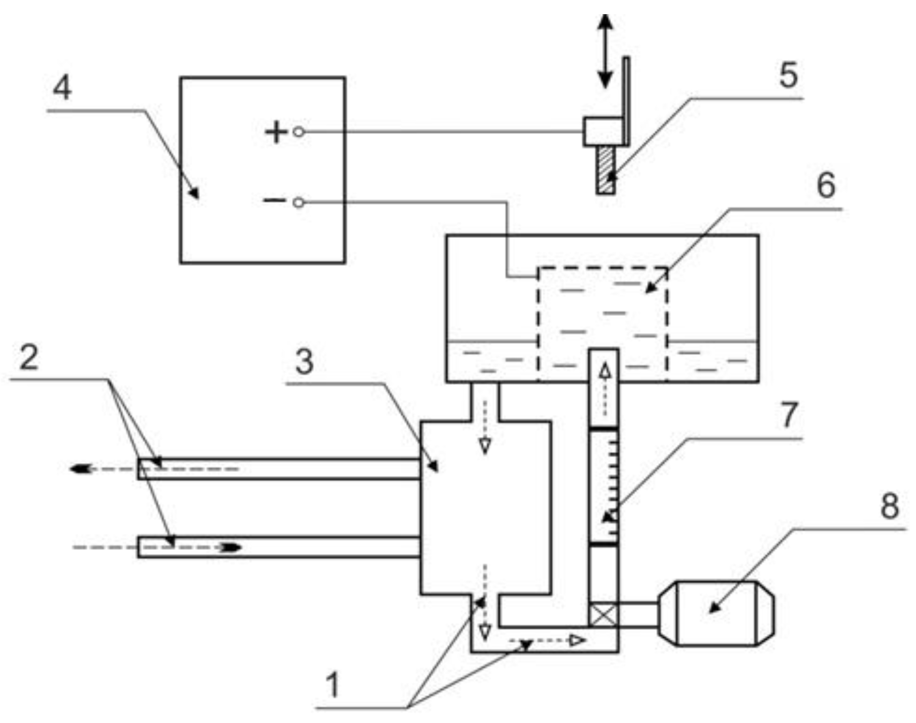
2. Materials and Methods
3. Results
3.1. Energy Characteristics of PENC
3.2. Composition, Structure and Microhardness of the Surface Layer
3.3. Tribological Properties of Treated Surface
3.4. Determination of Equilibrium Roughness and the Type of Violation of Frictional Bonds during Friction
4. Conclusions
- (a)
- PENC of samples from carbon tool steel for 5 min at various temperatures with quenching from a single-phase austenitic region reduces the friction coefficient and weight loss during friction on hardened steel. The best result was achieved for the sample after PENC at a temperature of 650 °C with quenching from 800 °C. The friction coefficient is 2.8 times less than that of a raw untreated sample and 2.2 times less than that of a sample after traditional hardening. Weight loss during friction is 9.7 times less than that of the raw one and 7.5 times less in comparison with the sample after traditional hardening. High wear resistance is associated with the resulting martensitic structure, saturated with iron carbides and nitrides.
- (b)
- PENC at temperatures of 650 and 800 °C during friction against hardened steel also provides a reduction in counter body weight loss during testing compared to a raw sample and a sample after traditional hardening. A friction pair from a sample after PENC at a temperature of 650 °C and hardened steel loses 36% less mass of the counter body than a pair with a control untreated sample, and 24% less than when working with a counter body with a sample after traditional hardening. An increase in the PENC temperature to 850 and 900 °C leads to the exfoliation of oxides from the surface of the sample during friction. At lower temperatures, PENC oxides firmly bonded to the substrate play the role of a lubricant during friction, providing less weight loss of the counter body.
- (c)
- PENC samples of carbon tool steel at any temperature when working on tin-lead bronze reduces the friction coefficient and frictional weight loss in comparison with the raw sample. Samples nitrocarburized at temperatures of 650 and 800 °C are characterized by lower friction coefficients and weight losses in tests compared to the sample after traditional hardening. The weight loss of the bronze counter body when working on samples after PENC and hardened has the same order and is 3.5 times less than when working on raw.
- (d)
- The wear mechanism of samples after PENC at all temperatures is fatigue wear during dry friction and plastic contact. For raw and hardened samples, when rubbing against steel, and for raw samples, when rubbing against bronze, a more severe friction mode is observed—microcutting.
- (e)
- Equilibrium roughness was estimated for samples after PENC and controls. The roughness obtained by the samples after PENC is close to the values of the optimal roughness both in the friction pair with hardened steel and in the friction pair with bronze. The maximum difference between the values of the initial and optimal roughness is recorded for raw and traditionally hardened samples during friction against steel. In this case, the longest and most pronounced period of running-in is observed.
Author Contributions
Funding
Data Availability Statement
Conflicts of Interest
References
- Molnar, V. Experimental Investigation of Tribology-Related Topography Parameters of Hard-Turned and Ground 16MnCr5 Surfaces. Lubricants 2023, 11, 263. [Google Scholar] [CrossRef]
- Muhammed, M.; Javidani, M.; Heidari, M.; Jahazi, M. Enhancing the Tribological Performance of Tool Steels for Wood-Processing Applications: A Comprehensive Review. Metals 2023, 13, 1460. [Google Scholar] [CrossRef]
- Faga, M.G.; Settineri, L. Innovative anti-wear coatings on cutting tools for wood machining. Surf. Coat. Technol. 2006, 201, 3002–3007. [Google Scholar] [CrossRef]
- Toboła, D.; Brostow, W.; Czechowski, K.; Rusek, P. Improvement of wear resistance of some cold working tool steels. Wear 2017, 382–383, 29–39. [Google Scholar] [CrossRef]
- Kumar, P.; Chauhan, S.R.; Aggarwal, A. Effects of cutting conditions, tool geometry and material hardness on machinability of AISI H13 using CBN tool. Mater. Today Proc. 2021, 46, 9217–9222. [Google Scholar] [CrossRef]
- Dosbaeva, G.K.; El Hakim, M.A.; Shalaby, M.A.; Krzanowski, J.E.; Veldhuis, S.C. Cutting temperature effect on PCBN and CVD coated carbide tools in hard turning of D2 tool steel. Int. J. Refract. Hard Met. 2015, 50, 1–8. [Google Scholar] [CrossRef]
- Bartels, D.; Klaffki, J.; Pitz, I.; Merklein, C.; Kostrewa, F.; Schmidt, M. Investigation on the case-hardening behavior of additively manufactured 16MnCr5. Metals 2020, 10, 536. [Google Scholar] [CrossRef]
- Réger, M.; Horváth, R.; Széll, A.; Réti, T.; Gonda, V.; Felde, I. The Relationship between Surface and In-Depth Hardness for the Nitrocarburizing Treatment Process. Metals 2021, 11, 812. [Google Scholar] [CrossRef]
- Böcker, J.; Puth, A.; Dalke, A.; Röpcke, J.; van Helden, J.-P.H.; Biermann, H. Influence of the Active Screen Plasma Power during Afterglow Nitrocarburizing on the Surface Modification of AISI 316L. Coatings 2020, 10, 1112. [Google Scholar] [CrossRef]
- Jafarpour, S.M.; Pipa, A.V.; Puth, A.; Dalke, A.; Röpcke, J.; van Helden, J.-P.H.; Biermann, H. The Interplay Effects between Feed-Gas Composition and Bias Plasma Condition during Active-Screen Plasma Nitrocarburizing with a Solid Carbon Source. Coatings 2023, 13, 1103. [Google Scholar] [CrossRef]
- Yerokhin, A.L.; Leyland, A.; Tsotsos, C.; Wilson, A.D.; Nie, X.; Matthews, A. Duplex surface treatments combining plasma electrolytic nitrocarburising and plasma-immersion ion-assisted deposition. Surf. Coat. Technol. 2001, 142–144, 1129–1136. [Google Scholar] [CrossRef]
- Nie, X.; Tsotsos, C.; Wilson, A.; Yerokhin, A.L.; Leyland, A.; Matthews, A. Characteristics of a plasma electrolytic nitrocarburising treatment for stainless steels. Surf. Coat. Technol. 2001, 139, 135–142. [Google Scholar] [CrossRef]
- Taheri, P.; Dehghanian, C. Wear and corrosion properties of nanocrystalline coatings on stainless steel produced by plasma electrolytic nitrocarburising. Int. J. Mat. Res. 2008, 99, 92–100. [Google Scholar] [CrossRef]
- Jiang, Y.; Bao, Y.; Yang, K. Formation and friction behavior of plasma electrolytically nitrocarburized surface layer on Q235 steel. Surf. Coat. Technol. 2015, 269, 324–328. [Google Scholar] [CrossRef]
- Jiang, Y.F.; Geng, T.; Bao, Y.F.; Zhu, Y. Electrolyte–electrode interface and surface characterization of plasma electrolytic nitrocarburising. Surf. Coat. Technol. 2013, 216, 232–236. [Google Scholar] [CrossRef]
- Alnakhaei, G.A.; Dehghanian, C.; Alavi, S.H. Evaluation of morphological and tribological properties of nanocrystalline nitrocarburised coating produced on AISI H13 carbon steel by pulsed plasma electrolytic saturation (PPES) technique. Trib. Mater. Surf. Interfaces 2011, 5, 82–87. [Google Scholar] [CrossRef]
- Kazerooniy, N.A.; Bahrololoom, M.E.; Shariat, M.H.; Mahzoon, F.; Jozaghi, T. Effect of Ringer’s solution on wear and friction of stainless steel 316L after plasma electrolytic nitrocarburising at low voltages. J. Mater. Sci. Technol. 2011, 27, 906–912. [Google Scholar] [CrossRef]
- Shelekhov, E.V.; Sviridova, T.A. Programs for X-ray analysis of polycrystals. Metal Sci. Heat Treat. 2000, 42, 309–313. [Google Scholar] [CrossRef]
- Grazulis, S.; Chateigner, D.; Downs, R.T.; Yokochi, A.T.; Le Bail, A. Crystallography open database—An open-access collection of crystal structures. J. Appl. Cryst. 2009, 42, 726–729. [Google Scholar] [CrossRef] [PubMed]
- Shadrin, S.Y.; Zhirov, A.V.; Belkin, P.N. Thermal features of plasma electrolytic heating of titanium. Int. J. Heat Mass Transf. 2017, 107, 1104–1109. [Google Scholar] [CrossRef]
- Shadrin, S.Y.; Zhirov, A.V.; Belkin, P.N. Formation regularities of gaseous vapour plasma envelope in electrolyzer. Surf. Engin. Appl. Electrochem. 2016, 52, 110–116. [Google Scholar] [CrossRef]
- Shadrin, S.Y.; Belkin, P.N. Analysis of models for calculation of temperature of anode plasma electrolytic heating. Int. J. Heat Mass Transf. 2012, 55, 179–186. [Google Scholar] [CrossRef]
- Belkin, P.N.; Kusmanov, S.A. Plasma electrolytic nitriding of steels. J. Surf. Investig. 2017, 11, 767–789. [Google Scholar] [CrossRef]
- Kragelsky, I.V.; Dobychin, M.N.; Kombalov, V.S. Methods of evaluating the frictional properties of materials. Frict. Wear 1982, 367–405. [Google Scholar] [CrossRef]
- Kombalov, V.S. Estimating the Tribotechnical Properties of Surfaces in Contact; Nauka: Moscow, Russia, 1983; p. 324. [Google Scholar]
- Kragel’skii, I.V.; Dobychin, M.M.; Kombalov, V.S. Principles of Computations for Friction and Wear; Mashinostroeniye: Moscow, Russia, 1977; p. 440. [Google Scholar]
- Kragelsky, I.V.; Dobychin, M.N.; Kombalov, V.S. Friction and Wear Calculation Methods; Pergamon Press Ltd.: Oxford, UK, 1982; Available online: https://books.google.ru/books?id=QLcgBQAAQBAJ&hl=ru (accessed on 1 June 2023).
- Mukhacheva, T.; Kusmanov, S.; Suminov, I.; Podrabinnik, P.; Khmyrov, R.; Grigoriev, S. Increasing Wear Resistance of Low-Carbon Steel by Anodic Plasma Electrolytic Sulfiding. Metals 2022, 12, 1641. [Google Scholar] [CrossRef]
- Mukhacheva, T.L.; Belkin, P.N.; Dyakov, I.G.; Kusmanov, S.A. Wear mechanism of medium carbon steel after its plasma electrolytic nitrocarburising. Wear 2020, 462–463, 203516. [Google Scholar] [CrossRef]
- Kusmanov, S.; Mukhacheva, T.; Tambovskiy, I.; Naumov, A.; Belov, R.; Sokova, E.; Kusmanova, I. Increasing Hardness and Wear Resistance of Austenitic Stainless Steel Surface by Anodic Plasma Eiectrolytic Treatment. Metals 2023, 13, 872. [Google Scholar] [CrossRef]












| PENC temperature (°C) | 650 | 800 | 850 | 900 |
| Nitrogen concentration (wt.%) | 4.24 | 4.19 | 3.72 | 3.20 |
| Treatment Mode | PENC 650 °C | PENC 800 °C | PENC 850 °C | PENC 900 °C | Hardened | Untreated |
|---|---|---|---|---|---|---|
| Before friction | 0.392 ± 0.008 | 0.397 ± 0.008 | 0.401 ± 0.008 | 0.410 ± 0.008 | 0.870 ± 0.007 | 0.904 ± 0.018 |
| After friction on hardened steel | 0.301 ± 0.006 | 0.307 ± 0.006 | 0.318 ± 0.006 | 0.304 ± 0.006 | 0.586 ± 0.012 | 0.611 ± 0.012 |
| After friction on tin-lead bronze | 0.318 ± 0.006 | 0.320 ± 0.006 | 0.317 ± 0.006 | 0.302 ± 0.006 | 0.605 ± 0.012 | 0.703 ± 0.014 |
| Sample Type | PENC 650 °C | PENC 800 °C | PENC 850 °C | PENC 900 °C | Hardened | Untreated |
|---|---|---|---|---|---|---|
| Hardened steel counter body (0.807 ± 0.016) | 0.315 ± 0.006 | 0.308 ± 0.006 | 0.312 ± 0.006 | 0.317 ± 0.006 | 0.598 ± 0.012 | 0.604 ± 0.012 |
| Tin-lead bronze counter body (0.752 ± 0.015) | 0.322 ± 0.006 | 0.315 ± 0.006 | 0.315 ± 0.006 | 0.315 ± 0.006 | 0.602 ± 0.012 | 0.656 ± 0.013 |
| Treatment Mode | PENC 650 °C | PENC 800 °C | PENC 850 °C | PENC 900 °C | Hardened | Untreated |
|---|---|---|---|---|---|---|
| After friction on hardened steel | 0.03 | 0.03 | 0.05 | 0.04 | 0.15 | 0.20 |
| After friction on tin-lead bronze | 0.04 | 0.04 | 0.04 | 0.06 | 0.08 | 0.16 |
Disclaimer/Publisher’s Note: The statements, opinions and data contained in all publications are solely those of the individual author(s) and contributor(s) and not of MDPI and/or the editor(s). MDPI and/or the editor(s) disclaim responsibility for any injury to people or property resulting from any ideas, methods, instructions or products referred to in the content. |
© 2023 by the authors. Licensee MDPI, Basel, Switzerland. This article is an open access article distributed under the terms and conditions of the Creative Commons Attribution (CC BY) license (https://creativecommons.org/licenses/by/4.0/).
Share and Cite
Mukhacheva, T.; Kusmanov, S.; Tambovskiy, I.; Podrabinnik, P.; Metel, A.; Khmyrov, R.; Karasev, M.; Suminov, I.; Grigoriev, S. Tribological Properties of Carbon Tool Steel after Plasma Electrolytic Nitrocarburizing. J. Manuf. Mater. Process. 2023, 7, 197. https://doi.org/10.3390/jmmp7060197
Mukhacheva T, Kusmanov S, Tambovskiy I, Podrabinnik P, Metel A, Khmyrov R, Karasev M, Suminov I, Grigoriev S. Tribological Properties of Carbon Tool Steel after Plasma Electrolytic Nitrocarburizing. Journal of Manufacturing and Materials Processing. 2023; 7(6):197. https://doi.org/10.3390/jmmp7060197
Chicago/Turabian StyleMukhacheva, Tatiana, Sergei Kusmanov, Ivan Tambovskiy, Pavel Podrabinnik, Alexander Metel, Roman Khmyrov, Mikhail Karasev, Igor Suminov, and Sergey Grigoriev. 2023. "Tribological Properties of Carbon Tool Steel after Plasma Electrolytic Nitrocarburizing" Journal of Manufacturing and Materials Processing 7, no. 6: 197. https://doi.org/10.3390/jmmp7060197
APA StyleMukhacheva, T., Kusmanov, S., Tambovskiy, I., Podrabinnik, P., Metel, A., Khmyrov, R., Karasev, M., Suminov, I., & Grigoriev, S. (2023). Tribological Properties of Carbon Tool Steel after Plasma Electrolytic Nitrocarburizing. Journal of Manufacturing and Materials Processing, 7(6), 197. https://doi.org/10.3390/jmmp7060197

