Active Disturbance Rejection Control for the Robust Flight of a Passively Tilted Hexarotor
Abstract
1. Introduction
- To the best of the authors’ knowledge, the application of the ADRC to a passively tilted hexarotor has not been reported. The closest related works use actively tilted or fixed hexarotors, which are disadvantaged in their actuation and disturbance rejection capabilities with respect to passively tilted hexarotors. Furthermore, our version of the ADRC technique is enhanced with a sliding-mode observer, whose advantages are mentioned later in the text.
- Both controller and observer stability analyses are presented. The implementation of an SMESO-based ADRC algorithm in a passively tilted hexarotor is novel in the literature to the best of the authors’ knowledge; furthermore, the stability proof of the presented ADRC does not depend on a priori assumptions of the boundaries of the total disturbance as the traditional ADRC scheme requests, but only on its differentiation properties.
- Our controller is implemented in a highly realistic simulation environment, which is completely different from a traditional numerical simulation. This is a step towards successful implementation on a real device, since our simulation scheme is almost identical with the real version of the platform. Additionally, our results are shown in a video.
- The comparison with another robust control and observation strategy favors the controller developed in this work. The proposed design is indeed a competitive alternative for the control of UAVs with passively tilted hexarotors, and it is not limited to the specific problem that is presented. The proposed controller applies to other passively tilted multirotors by selecting the appropriate allocation matrix, tuning both the controller and observer gains, and adjusting the integration steps.
2. Theoretical Background
2.1. Active Disturbance Rejection Control
2.2. Sliding-Mode Observers
2.3. Stability and Ultimate Boundness Conditions for Perturbed Systems
2.4. Dynamics of Omnidirectional Multirotor UAVs
- A1.
- The aerial vehicle does not pass through singularities [28]. In addition, it moves using the thrust incoming from the tilted propellers rather than changing its orientation to generate a thrust to move horizontally. In addition, it takes off with zero roll and pitch, and it is desired to maintain such values. Thus, the matrix can be considered invertible.
- A2.
- Since is invertible within some range and its norm is bounded (such a matrix is composed of the mass matrix, which is bounded for mechanical systems, a rotation matrix, and , whose norms are bounded because they are composed of sine and cosine terms), is Lipschitz continuous, and it does not grow faster than its arguments [29]. Hence, the following bounds hold:with .
3. Controller Design
3.1. Control Problem
3.2. External Disturbance Rejection via the Extended-State Observer and Perfect Cancellation of System Nonlinearities
3.3. Robust External Disturbance Rejection via the Extended-State Observer
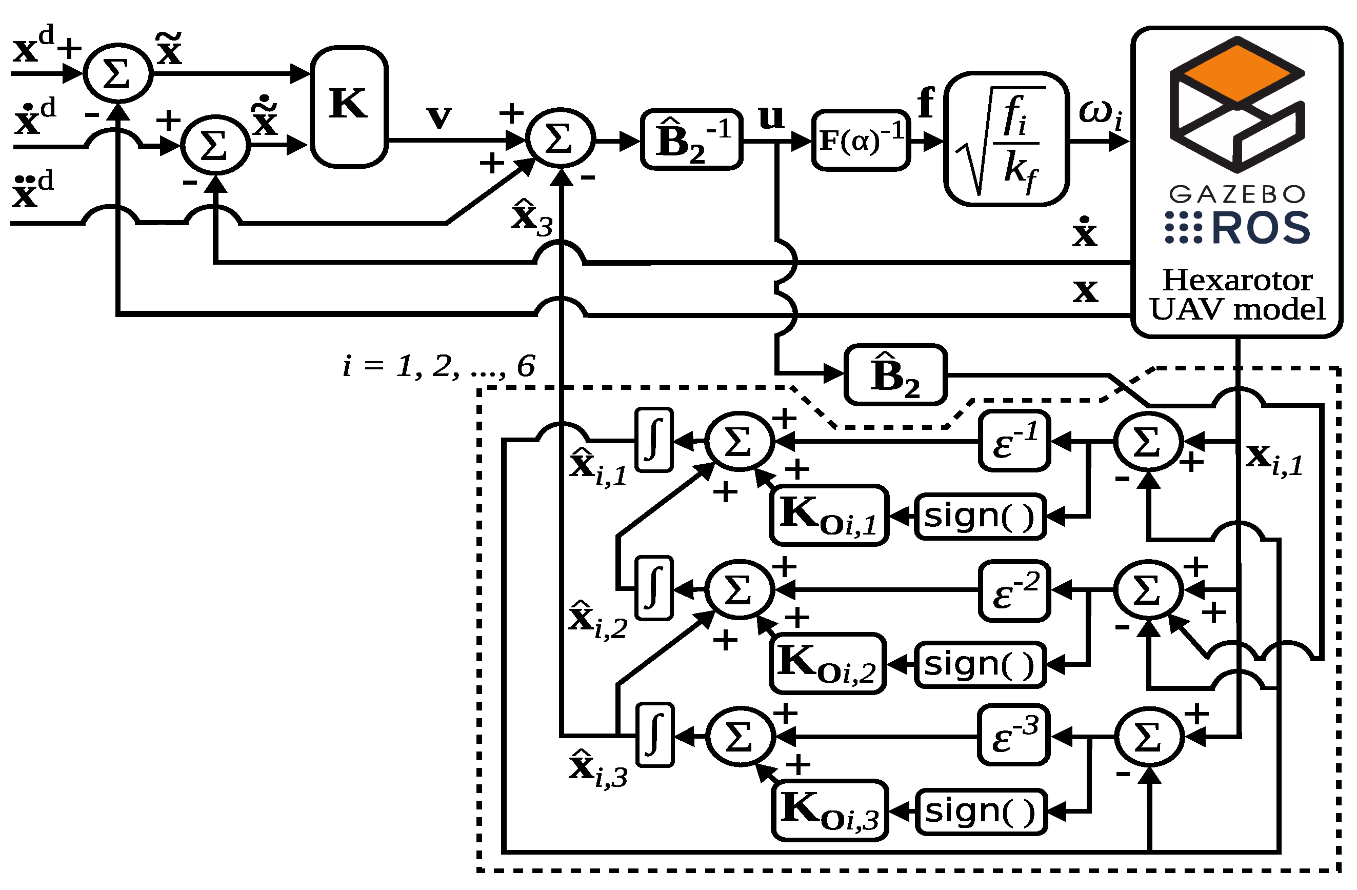
4. Controller Implementation
4.1. Control Allocation
4.2. Setup of the 3D Simulation
5. Case Studies
5.1. Tracking
5.2. Regulation with Wind and Payload
5.3. Comparison with Sliding-Mode Control
6. Conclusions
Author Contributions
Funding
Institutional Review Board Statement
Informed Consent Statement
Data Availability Statement
Conflicts of Interest
References
- Lee, S.J.; Kim, S.; Johansson, K.H.; Kim, H.J. Robust acceleration control of a hexarotor UAV with a disturbance observer. In Proceedings of the 2016 IEEE 55th Conference on Decision and Control (CDC), Las Vegas, NV, USA, 12–14 December 2016; pp. 4166–4171. [Google Scholar]
- Dai, B.; He, Y.; Zhang, G.; Gu, F.; Yang, L.; Xu, W. Wind disturbance rejection for unmanned aerial vehicle based on acceleration feedback method. In Proceedings of the 2018 IEEE Conference on Decision and Control (CDC), Miami Beach, FL, USA, 17–19 December 2018; pp. 4680–4686. [Google Scholar]
- Li, D.; Liu, H.H. Sensor bias fault detection and isolation in a large multirotor aerial vehicle using active disturbance rejection control. In 2018 AIAA Information Systems-AIAA Infotech@ Aerospace; AIAA: Reston, VA, USA, 2018; p. 0249. [Google Scholar]
- Ding, L.; Zhou, J.; Shan, W. A hybrid high-performance trajectory tracking controller for unmanned hexrotor with disturbance rejection. Trans. Can. Soc. Mech. Eng. 2018, 42, 239–251. [Google Scholar] [CrossRef]
- Arellano-Quintana, V.M.; Portilla-Flores, E.A.; Merchán-Cruz, E.A. Multi-objective design optimization of a hexa-rotor with disturbance rejection capability using an evolutionary algorithm. IEEE Access 2018, 6, 69064–69074. [Google Scholar] [CrossRef]
- Chen, Z.; Stol, K.; Richards, P. Preliminary design of multirotor UAVs with tilted-rotors for improved disturbance rejection capability. Aerosp. Sci. Technol. 2019, 92, 635–643. [Google Scholar] [CrossRef]
- Xu, H.; Yang, Z.; Lu, K.; Xu, C.; Zhang, Q. Control of a Tilting Hexacopter under Wind Disturbance. Math. Probl. Eng. 2020, 2020, 9465153. [Google Scholar] [CrossRef]
- Kotarski, D.; Piljek, P.; Brezak, H.; Kasać, J. Chattering-free tracking control of a fully actuated multirotor with passively tilted rotors. Trans. FAMENA 2018, 42, 1–14. [Google Scholar] [CrossRef]
- Yao, C.; Krieglstein, J.; Janschek, K. Modeling and Sliding Mode Control of a Fully-actuated Multirotor with Tilted Propellers. IFAC-PapersOnLine 2018, 51, 115–120. [Google Scholar] [CrossRef]
- Arizaga, J.M.; Castañeda, H.; Castillo, P. Adaptive Control for a Tilted-Motors Hexacopter UAS Flying on a Perturbed Environment. In Proceedings of the 2019 International Conference on Unmanned Aircraft Systems (ICUAS), Atlanta, GA, USA, 11–14 June 2019; pp. 171–177. [Google Scholar]
- Nguyen, N.P.; Kim, W.; Moon, J. Super-twisting observer-based sliding mode control with fuzzy variable gains and its applications to fully-actuated hexarotors. J. Frankl. Inst. 2019, 356, 4270–4303. [Google Scholar] [CrossRef]
- Kase, S.; Oya, M. Adaptive tracking controller for hexacopters with a wind disturbance. Artif. Life Robot. 2020, 25, 322–327. [Google Scholar] [CrossRef]
- Rashad, R.; Kuipers, P.; Engelen, J.; Stramigioli, S. Design, modeling, and geometric control on SE (3) of a fully-actuated hexarotor for aerial interaction. arXiv 2017, arXiv:1709.05398. [Google Scholar]
- Rashad, R.; Califano, F.; Stramigioli, S. Port-Hamiltonian passivity-based control on SE (3) of a fully actuated UAV for aerial physical interaction near-hovering. IEEE Robot. Autom. Lett. 2019, 4, 4378–4385. [Google Scholar] [CrossRef]
- Ryll, M.; Muscio, G.; Pierri, F.; Cataldi, E.; Antonelli, G.; Caccavale, F.; Bicego, D.; Franchi, A. 6D interaction control with aerial robots: The flying end-effector paradigm. Int. J. Robot. Res. 2019, 38, 1045–1062. [Google Scholar] [CrossRef]
- Huang, Y.; Xue, W. Active disturbance rejection control: Methodology and theoretical analysis. ISA Trans. 2014, 53, 963–976. [Google Scholar] [CrossRef] [PubMed]
- Roy, S.; Baldi, S.; Li, P.; Sankaranarayanan, V.N. Artificial-delay adaptive control for underactuated Euler–Lagrange robotics. IEEE/ASME Trans. Mechatron. 2021, 26, 3064–3075. [Google Scholar]
- Sankaranarayanan, V.N.; Roy, S.; Baldi, S. Aerial transportation of unknown payloads: Adaptive path tracking for quadrotors. In Proceedings of the 2020 IEEE/RSJ International Conference on Intelligent Robots and Systems (IROS), Las Vegas, NV, USA, 24 October–24 January 2020; pp. 7710–7715. [Google Scholar]
- Guo, B.Z.; Zhao, Z.L. On convergence of non-linear extended state observer for multi-input multi-output systems with uncertainty. IET Control Theory Appl. 2012, 6, 2375–2386. [Google Scholar] [CrossRef]
- Sira-Ramírez, H.; Luviano-Juárez, A.; Ramírez-Neria, M.; Zurita-Bustamante, E.W. Active Disturbance Rejection Control of Dynamic Systems: A Flatness Based Approach; Butterworth-Heinemann: Oxford, UK, 2018. [Google Scholar]
- Guo, B.Z.; Zhao, Z.L. Active Disturbance Rejection Control for Nonlinear Systems: An Introduction; John Wiley & Sons: Hoboken, NJ, USA, 2016. [Google Scholar]
- Orozco-Soto, S.M.; Ibarra-Zannatha, J.M. Motion control of humanoid robots using sliding mode observer-based active disturbance rejection control. In Proceedings of the 2017 IEEE 3rd Colombian Conference on Automatic Control (CCAC), Cartagena, Colombia, 8–20 October 2017; pp. 1–8. [Google Scholar]
- Spurgeon, S.K. Sliding mode observers: A survey. Int. J. Syst. Sci. 2008, 39, 751–764. [Google Scholar] [CrossRef]
- Drakunov, S.; Utkin, V. Sliding mode observers. Tutorial. In Proceedings of the 1995 34th IEEE Conference on Decision and Control, New Orleans, LA, USA, 13–15 December 1995; Volume 4, pp. 3376–3378. [Google Scholar]
- Patel, R.V.; Toda, M.; Sridhar, B. Robustness of linear quadratic state feedback designs in the presence of system uncertainty. IEEE Trans. Autom. Control 1977, 22, 945–949. [Google Scholar] [CrossRef]
- Khalil, H.K. Nonlinear Systems; Prentice Hall: Hoboken, NJ, USA, 2002. [Google Scholar]
- Michieletto, G.; Ryll, M.; Franchi, A. Fundamental actuation properties of multirotors: Force–moment decoupling and fail–safe robustness. IEEE Trans. Robot. 2018, 34, 702–715. [Google Scholar] [CrossRef]
- Ruggiero, F.; Cacace, J.; Sadeghian, H.; Lippiello, V. Passivity-based control of VToL UAVs with a momentum-based estimator of external wrench and unmodeled dynamics. Robot. Auton. Syst. 2015, 72, 139–151. [Google Scholar] [CrossRef]
- Poznyak, A.; Polyakov, A.; Azhmyakov, V. Attractive Ellipsoids in Robust Control; Springer: Berlin, Germany, 2014. [Google Scholar]
- Ryll, M.; Bicego, D.; Franchi, A. Modeling and control of FAST-Hex: A fully-actuated by synchronized-tilting hexarotor. In Proceedings of the 2016 IEEE/RSJ International Conference on Intelligent Robots and Systems (IROS), Daejeon, Korea, 9–14 October 2016; pp. 1689–1694. [Google Scholar]
- Siciliano, B.; Sciavicco, L.; Villani, L.; Oriolo, G. Robotics: Modelling, Planning and Control; Springer Science & Business Media: Berlin, Germany, 2010. [Google Scholar]
- Rajappa, S.; Ryll, M.; Bülthoff, H.H.; Franchi, A. Modeling, control and design optimization for a fully-actuated hexarotor aerial vehicle with tilted propellers. In Proceedings of the 2015 IEEE international conference on robotics and automation (ICRA), Seattle, WA, USA, 25–30 May 2015; pp. 4006–4013. [Google Scholar]
- Joseph, L.; Cacace, J. Mastering ROS for Robotics Programming—Second Edition: Design, Build, and Simulate Complex Robots Using the Robot Operating System, 2nd ed.; Packt Publishing: Birmingham, UK, 2018. [Google Scholar]
- Furrer, F.; Burri, M.; Achtelik, M.; Siegwart, R. RotorS—A Modular Gazebo MAV Simulator Framework; Springer: Berlin, Germany, 2016; Chapter Robot Operating System (ROS); Volume 625, pp. 595–625. [Google Scholar]











| Parameter | Value |
|---|---|
| m | kg |
| kg m | |
| 1500 rpm | |
| L | m |
| 20 deg | |
Publisher’s Note: MDPI stays neutral with regard to jurisdictional claims in published maps and institutional affiliations. |
© 2022 by the authors. Licensee MDPI, Basel, Switzerland. This article is an open access article distributed under the terms and conditions of the Creative Commons Attribution (CC BY) license (https://creativecommons.org/licenses/by/4.0/).
Share and Cite
Orozco Soto, S.M.; Cacace, J.; Ruggiero, F.; Lippiello, V. Active Disturbance Rejection Control for the Robust Flight of a Passively Tilted Hexarotor. Drones 2022, 6, 258. https://doi.org/10.3390/drones6090258
Orozco Soto SM, Cacace J, Ruggiero F, Lippiello V. Active Disturbance Rejection Control for the Robust Flight of a Passively Tilted Hexarotor. Drones. 2022; 6(9):258. https://doi.org/10.3390/drones6090258
Chicago/Turabian StyleOrozco Soto, Santos Miguel, Jonathan Cacace, Fabio Ruggiero, and Vincenzo Lippiello. 2022. "Active Disturbance Rejection Control for the Robust Flight of a Passively Tilted Hexarotor" Drones 6, no. 9: 258. https://doi.org/10.3390/drones6090258
APA StyleOrozco Soto, S. M., Cacace, J., Ruggiero, F., & Lippiello, V. (2022). Active Disturbance Rejection Control for the Robust Flight of a Passively Tilted Hexarotor. Drones, 6(9), 258. https://doi.org/10.3390/drones6090258

