UWB-MMIC Matrix Distributed Low Noise Amplifier †
Abstract
:1. Introduction
2. Device Characteristics and MMIC Process
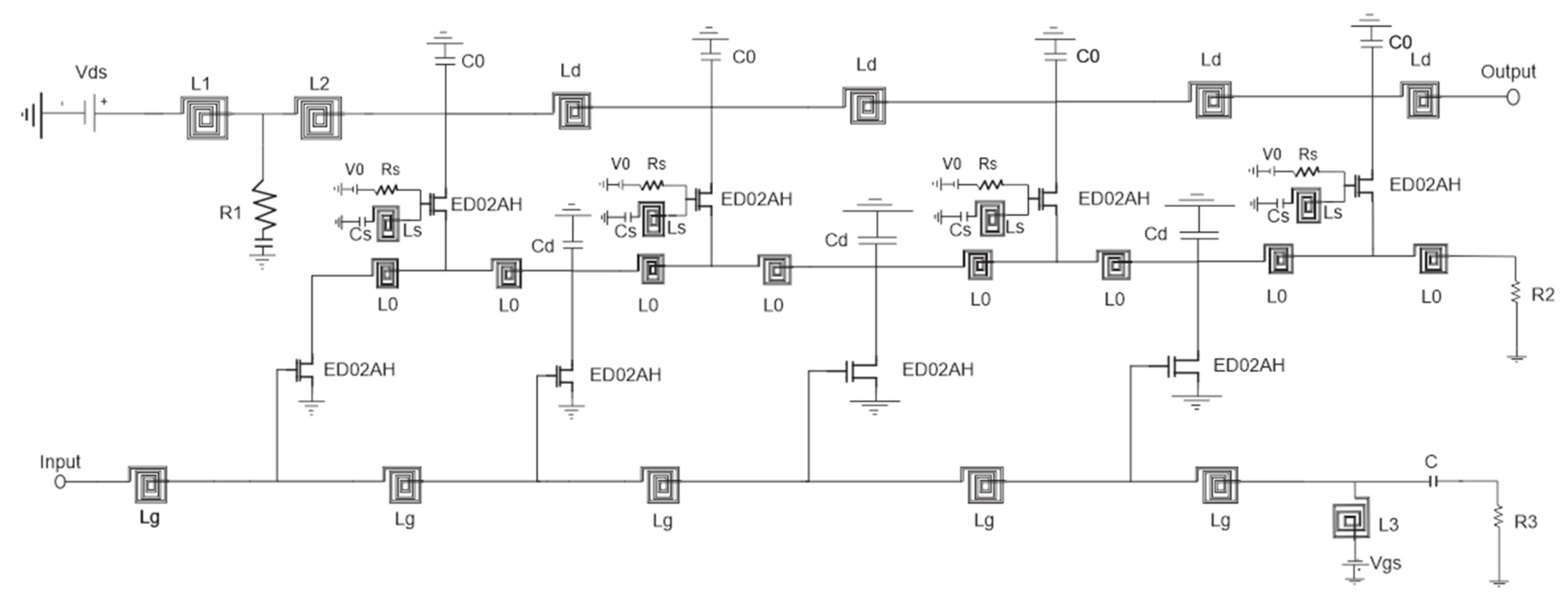
3. Circuit Description
4. Results and Discussion
5. Conclusions
References
- Intel White Paper. Ultra-Wideband (UWB) Technology: Enabling High-Speed Wireless Personal Area Networks; Intel: Santa Clara, CA, USA, 2004. [Google Scholar]
- Chong, C.C.; Yong, S.K.; Kim, Y.-H.; Kim, J.-H.; Lee, S.-S. Samsung Electronics (SAIT) CFP Presentation for IEEE 802.15.4a Alternative PHY: UWB Direct Chaotic Communication System. In Proceedings of the IEEE 802.15-05- 0030-02-004a, Monterey, CA, USA, 26 January 2005. [Google Scholar]
- Chong, C.-C.; Yong, S.K. On the performance of non-coherent and differential-coherent UWB-DCC system. In Proceedings of the IEEE Wireless Commun. and Networking Conf., Las Vegas, NV, USA, 3–6 April 2006. [Google Scholar]
- Giuliano, R.; Mazzenga, F. On the coexistence of power-controlled ultra wide-band systems with UMTS, GPS, DCS1800, and fixed wireless systems. IEEE Trans. Veh. Technol. 2005, 54, 62–81. [Google Scholar] [CrossRef]
- McKinstry, D.R.; Buehrer, R.M. Issues in the performance and covertness of UWB communications systems. In Proceedings of the 45th Midwest Symposium on Circuits and Systems, Tulsa, OK, USA, 5–7 August 2002; Volume 3, pp. 601–604. [Google Scholar]
- Namgoong, W. A channelized digital ultrawideband receiver. IEEE Trans. Wirel. Commun. 2003, 2, 502–510. [Google Scholar] [CrossRef]
- Federal Communications Commission. Revision of Part 15 of the Commission’s Rules Regarding Ultra-Wide Band Transmission Systems; First Report and Order (ET Docket 98–153); Federal Communications Commission: Washington, DC, USA, 2002. [Google Scholar]
- Lei, Y.; Viktor, K.; S’ebastien, D.; Vitaliy, Z.; Tom, K.J.; Chenhui, J. GaAs Wideband Low Noise Amplifier Design for Breast Cancer Detection System 978-1-4244-2802-1/09/2009 IEEE. IEEE Micro 2010, 8, 357–360. [Google Scholar]
- Percival, W.S. Thermionic Valve Circuits. British Patent 460562, 25 January 1937. [Google Scholar]
- Moustapha, E.B.; Hanae, E.; Naima, A.T.; Elhamadi, T. 2.3–21 GHz broadband and high linearity distributed low noise amplifier. Integration 2020, 76, 61–68. [Google Scholar] [CrossRef]
- Materka, A.; Kacprzak, T. Computer calculation of large-signal GaAs FET amplifier characteristics. IEEE Trans. MTT 1985, MTT-33, 129–135. [Google Scholar] [CrossRef]
- Smith, D. TOM-2: An Improved Model for GaAs MESFET; Internal Memorandum; Triquint Semiconductor Inc.: Hillsboro, OR, USA, 1995. [Google Scholar]
- Ming, D.T.; Kuo, L.D.; Huei, W.; Chun, H.C.; Chih, S.C.; Chern, J.G.J. A miniature 25-GHz 9-dB CMOS cascaded single-stage distributed amplifier. IEEE Microw. Wirel. Compon. Lett. 2004, 14, 554–556. [Google Scholar] [CrossRef]
- Chen, C.C.; Wang, Y.C. 3.1–10.6 GHz ultra-wideband LNA design usingdual-resonant broadband matching technique. Int. J. Electron. Commun. 2013, 67, 500–503. [Google Scholar] [CrossRef]
- Rastegar, H.; Ryu, J.Y. A broadband Low Noise Amplifier with built-in linearizer in 0.13-µm CMOS process. Microelectron. J. 2015, 46, 698–705. [Google Scholar] [CrossRef]
- Saberkari, A.; Kazemi, S.; Shirmohammadli, V.; Yagoub, M.C.E. gm-boosted flat gain UWB low noise amplifier with active inductor-based input matching network. Integr. VLSI J. 2016, 52, 323–333. [Google Scholar] [CrossRef]







| Process | Tech | Gate Length | Thickness | Ft | Fmax | Gm |
|---|---|---|---|---|---|---|
| ED02AH pHEMT | GaAs | 0.18 μm | 100 μm | 60 GHz | 110 GHz | 450 ms/mm |
| Vbgd (V) | Vdsmax (V) | Idss (mA/mm) | Idss max(mA/mm) | NF (dB) | Power Density | |
| 8 | 7 | 250(on)/140(off) | 400(on)/180(off) | 0.8(18GHz) | 330 (mW/mm) |
| L1 (nH) | L2 (nH) | L3 (nH) | Ld (nH) | Lg (nH) | Ls (nH) | Lo (nH) |
| 4.212 | 2.088 | 2.67 | 0.3948 | 0.488 | 0.3 | 0.7835 |
| R1 (Ω) | R2 (Ω) | R3 (Ω) | Rs (Ω) | Cd (pF) | Cs (pF) | Co (fF) |
| 57 | 100 | 49 | 100 | 0.3 | 0.247 | 10 |
| [14] | [15] | [16] | This Work | |
|---|---|---|---|---|
| Technology(μm) | 0.18-CMOS | 0.13-CMOS | 0.18-CMOS | 0.2-pHEMT |
| Supply voltage (V) | N/A | N/A | N/A | 2 |
| Bandwidth (GHz) | 3.1–10.6 | 3.1–10.6 | 3.1–10.6 | 3.1–11 |
| Pdc(mW) | N/A | 17.92 | 13.6 | 48 |
| S11 (dB) | <−8.8 | <−8 | <−9.5 | <−10 |
| S22 (dB) | N/A | N/A | N/A | <−10 |
| S21 (dB) | 11 max | 10.24 max | 12.1±0.7 | 11.6 ± 0.6 |
| NF (dB) | 3.95 ± 0.75 | 0.9–4.1 | 4.56–4.7 | 3.9 ± 0.35 |
| S12 (dB) | N/A | −31 | N/A | −33 |
| P1dB (dBm) | N/A | N/A | N/A | −1.5 |
| IIP3 (dBm) | 6 | 6.8 | −12.5 | 20 |
| Die area (mm2) | 0.7 × 0.8 | N/A | N/A | 1.8 × 1.2 |
Publisher’s Note: MDPI stays neutral with regard to jurisdictional claims in published maps and institutional affiliations. |
© 2020 by the authors. Licensee MDPI, Basel, Switzerland. This article is an open access article distributed under the terms and conditions of the Creative Commons Attribution (CC BY) license (http://creativecommons.org/licenses/by/4.0/).
Share and Cite
Bakkali, M.E.; Elkhaldi, S.; Hamzi, I.; Marroun, A.; Touhami, N.A. UWB-MMIC Matrix Distributed Low Noise Amplifier. Proceedings 2020, 63, 52. https://doi.org/10.3390/proceedings2020063052
Bakkali ME, Elkhaldi S, Hamzi I, Marroun A, Touhami NA. UWB-MMIC Matrix Distributed Low Noise Amplifier. Proceedings. 2020; 63(1):52. https://doi.org/10.3390/proceedings2020063052
Chicago/Turabian StyleBakkali, Moustapha El, Said Elkhaldi, Intissar Hamzi, Abdelhafid Marroun, and Naima Amar Touhami. 2020. "UWB-MMIC Matrix Distributed Low Noise Amplifier" Proceedings 63, no. 1: 52. https://doi.org/10.3390/proceedings2020063052
APA StyleBakkali, M. E., Elkhaldi, S., Hamzi, I., Marroun, A., & Touhami, N. A. (2020). UWB-MMIC Matrix Distributed Low Noise Amplifier. Proceedings, 63(1), 52. https://doi.org/10.3390/proceedings2020063052

