Detection of Gate Valve Leaks through the Analysis Fractal Characteristics of Acoustic Signal
Abstract
1. Introduction
- With small leakage values, acoustic signals exhibit anticorrelation and a high degree of multifractal behavior. As the leakage increases, correlated dynamics emerge and the degree of multifractality decreases.
- The degree of dissipation of turbulent energy in a fluid flow influences the fractal characteristics of acoustic signals.
- The results of calculating the Hurst exponent using the DFA method are dependent on the choice of degree of the fitting polynomial. In order to control the tightness of the valve, it would be advisable to use a linear approximation.
- The analysis of acoustic signals using the DFA and MF-DFA techniques enables the determination of the magnitude of water leakage through a non-sealed gate valve.
- Section 2 presents algorithms for the analysis of acoustic signals and a description of the experimental setup;
- Section 3 presents the findings of the analysis of acoustic signals using DFA and MF-DFA methods, the outcomes of calculating the frequency of turbulence eddy frequency in Ansys Fluent, and a comparison of DFA methods with different orders;
- In conclusion, the key findings of this study are presented.
2. Materials and Methods
2.1. The DFA Algorithm
- The fluctuation profile of the signal is being created x(i) (i = 0, 1, 2, …, N):where —average value for the series.
- 2.
- The profile y(i) is divided into Ns = (N/s) segments of the same length s.
- 3.
- The local trend of y(i) is approximated by a polynomial of yν(i) within each segment, and the variance is determined for each segment v = 1, …, Ns:The DFA-1 method involves subtracting a linear trend, the DFA-2 method involves quadratic, and the DFA-3 method involves cubic, etc.
- 4.
- The resulting fluctuation function is calculated by averaging over all windows ν:
- 5.
- To determine the dependence of the log F(s) on the log s, an angle of inclination, α, is calculated for the regression line. This angle is referred to as the scaling exponent for the DFA method. It is assumed that the F(s) relationship follows a power-law pattern:The indicator α characterizes the presence of positive correlations (α > 0.5) and anticorrelations (α < 0.5).
2.2. The MF-DFA Algorithm
- The first three steps of the DFA algorithm are performed.
- The values of the fluctuation function are determined:where q—deformation parameter.Since for q = 0, equality (5) contains uncertainty, an alternative expression is used:
- 3.
- If the series under study has fractal properties, then the fluctuation function F(s) is described by a power-law dependence:where h(q)—the generalized Hurst exponent.
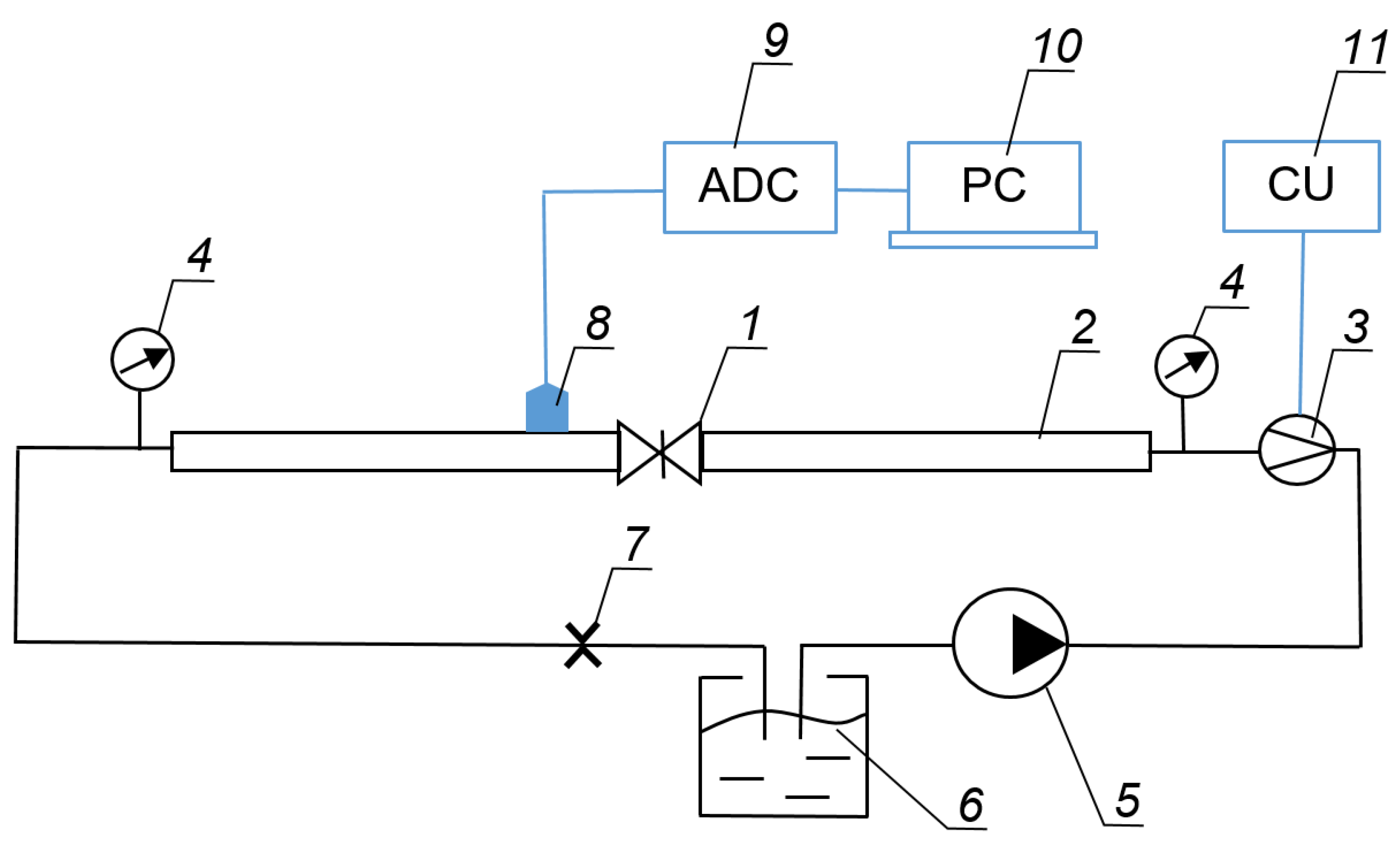
2.3. Description of the Experimental Stand
3. Results
3.1. The Results of the Analysis of Acoustic Signals Using the DFA-1 Method
3.2. Computational Fluid Dynamics (CFD) Modeling
3.3. Comparison of DFA Methods of Different Orders
3.4. The Results of the Analysis of Acoustic Signals Using the MF-DFA Method
4. Conclusions
Author Contributions
Funding
Data Availability Statement
Conflicts of Interest
References
- Kaihong, X. Research on the Application of Automatic Control System in Mechanical Engineering. Adv. Comput. Sci. Res. 2018, 78, 79–82. [Google Scholar] [CrossRef][Green Version]
- Xu, C.; Han, G.; Gong, P.; Chen, G.; Zhang, L. Quantification of Internal Air Leakage in Ball Valve using Acoustic Emission Signals. E J. Nondestruct. Test. 2016, 21, 19328. Available online: https://www.ndt.net/?id=19328 (accessed on 10 April 2024).
- Ding, Z.; Shang, Q.; Li, J.; Fang, Y.; Liu, Y. The Diagnosis of Internal Leakage of Control Valve Based on the Grey Correlation Analysis Method. Sens. Transducers 2014, 175, 44–50. [Google Scholar]
- Hunaidi, O.; Chu, W.T. Acoustical characteristics of leak signals in plastic water distribution pipes. Appl. Acoust. 1999, 58, 235–254. [Google Scholar] [CrossRef]
- Meland, E.; Henriksen, V.; Hennie, E.; Rasmussen, M. Spectrum analysis of internally leaking shut-down valves. Measurement 2011, 44, 1059–1072. [Google Scholar] [CrossRef]
- Kaewwaewnoi, W.; Prateepasen, A.; Kaewtrakulpong, P. Investigation of the relationship between internal fluid leakage through a valve and the acoustic emission generated from the leakage. Measurement 2010, 43, 274–282. [Google Scholar] [CrossRef]
- Prateepasen, A.; Kaewwaewnoi, W.; Kaewtrakulpong, P. Smart portable noninvasive instrument for detection of internal air leakage of a valve using acoustic emission signals. Measurement 2011, 44, 378–384. [Google Scholar] [CrossRef]
- Meland, E.; Thornhill, N.F.; Lunde, E.; Rasmussen, M. Quantification of Valve Leakage Rates. AIChE J. 2012, 58, 1181–1193. [Google Scholar] [CrossRef]
- Ye, G.Y.; Xu, K.J.; Wu, W.K. Multivariable modeling of valve inner leakage acoustic emission signal based on Gaussian process. Mech. Syst. Signal Process. 2020, 140, 106675. [Google Scholar] [CrossRef]
- Ye, G.Y.; Xu, K.J.; Wu, W.K. Standard deviation based acoustic emission signal analysis for detecting valve internal leakage. Sens. Actuator A Phys. 2018, 283, 340–347. [Google Scholar] [CrossRef]
- Xiao, R.; Hu, Q.; Li, J. Leak detection of gas pipelines using acoustic signals based on wavelet transform and Support Vector Machine. Meas. J. Inetrnational Meas. Confed. 2019, 146, 479–489. [Google Scholar] [CrossRef]
- Heo, G.; Lee, S.K. Internal leakage detection for feed water heaters in power plants using neural networks. Expert Syst. Appl. 2012, 39, 5078–5086. [Google Scholar] [CrossRef]
- Zhu, S.B.; Li, Z.L.; Zhang, S.M.; Zhang, H.F. Deep belief network-based internal valve leakage rate prediction approach. Measurement 2019, 133, 182–192. [Google Scholar] [CrossRef]
- Datta, D.; Sathish, S. Application of fractals to detect breast cancer. J. Phys. Conf. Ser. 2019, 1377, 012030. [Google Scholar] [CrossRef]
- Hart, M.G.; Romero-Garcia, R.; Price, S.J.; Suckling, J. Global effects of focal brain tumors on functional complexity and 461 network robustness: A prospective cohort study. Clin. Neurosurg. 2019, 84, 1201–1213. [Google Scholar] [CrossRef] [PubMed]
- Dona, O.; Hall, G.B.; Noseworthy, M.D. Temporal fractal analysis of the rs-BOLD signal identifies brain abnormalities in autism spectrum disorder. PLoS ONE 2017, 12, e0190081. [Google Scholar] [CrossRef] [PubMed]
- Jiang, Z.-Q.; Xie, W.-J.; Zhou, W.-X.; Sornette, D. Multifractal Analysis of Financial Markets: A Review. Rep. Prog. Phys. 2019, 82, 125901. [Google Scholar] [CrossRef] [PubMed]
- Chandrasekaran, S.; Poomalai, S.; Saminathan, B.; Suthanthiravel, S.; Sundaram, K.; Hakkim, F.F.A. An investigation on the relationship between the hurst exponent and the predictability of a rainfall time series. Meteorol. Appl. 2019, 26, 511–519. [Google Scholar] [CrossRef]
- Duan, Q.; An, J.; Mao, H.; Liang, D.; Li, H.; Wang, S.; Huang, C. Review about the Application of Fractal Theory in the Research of Packaging Materials. Materials 2021, 14, 860. [Google Scholar] [CrossRef]
- Jeldres, R.I.; Fawell, P.D.; Florio, B.J. Population Balance Modelling to Describe the Particle Aggregation Process: A review. Powder Technol. 2018, 326, 190–207. [Google Scholar] [CrossRef]
- Babanin, O.; Bulba, V. Designing the technology of express diagnostics of electric train’s traction drive by means of fractal analysis. East. Eur. J. Enterp. Technol 2016, 4, 45–54. [Google Scholar] [CrossRef][Green Version]
- Li, Q.; Liang, S.Y. Degradation trend prognostics for rolling bearing using improved R/S statistic model and fractional brownian motion approach. IEEE Access 2017, 6, 21103–21114. [Google Scholar] [CrossRef]
- Dimri, V.P.; Ganguli, S.S. Fractal Theory and Its Implication for Acquisition, Processing and Interpretation (API) of Geophysical Investigation: A Review. J. Geol. Soc. India 2019, 93, 142–152. [Google Scholar] [CrossRef]
- Tang, S.W.; He, Q.; Xiao, S.Y.; Huang, X.Q.; Zhou, L. Fractal Plasmonic Metamaterials: Physics and Applications. Nanotechnol. Rev. 2015, 4, 277–288. [Google Scholar] [CrossRef]
- He, J.; Li, M. Space–Time Variations in the Long-Range Dependence of Sea Surface Chlorophyll in the East China Sea and the South China Sea. Fractal Fract. 2024, 8, 102. [Google Scholar] [CrossRef]
- Strait, B.J.; Dewey, T.G. Multifractals and decoded walks: Applications to protein sequence correlations. Phys. Rev. E 1995, 52, 6588–6592. [Google Scholar] [CrossRef]
- Glazier, J.A.; Raghavachari, S.; Berthelsen, C.L.; Skolnick, M.H. Reconstructing phylogeny from the multifractal spectrum of mitochondrial DNA. Phys. Rev. E 1995, 51, 2665–2668. [Google Scholar] [CrossRef]
- Hentschel, H.G.E. Stochastic multifractality and universal scaling distributions. Phys. Rev. E 1994, 50, 243–261. [Google Scholar] [CrossRef]
- Wiklund, K.O.; Elgin, J.N. Multifractality of the Lorenz system. Phys. Rev. E 1996, 54, 1111–1119. [Google Scholar] [CrossRef]
- Pavlov, A.N.; Ebeling, W.; Molgedey, L.; Ziganshin, A.R.; Anishchenko, V.S. Scaling features of texts, images and time series. Phys. A 2001, 300, 310–324. [Google Scholar] [CrossRef]
- Pavlov, A.N.; Sosnovtseva, O.V.; Ziganshin, A.R.; Holstein-Rathlou, N.H.; Mosekilde, E. Multiscality in the dynamics of coupled chaotic systems. Phys. A 2002, 316, 233–249. [Google Scholar] [CrossRef]
- Peng, C.K.; Buldyrev, S.V.; Havlin, S.; Simons, M.; Stanley, H.E.; Goldberger, A.L. Mosaic Organization of DNA Nucleotides. Phys. Rev. E 1994, 49, 1685–1689. [Google Scholar] [CrossRef] [PubMed]
- Kantelhardt, J.W.; Zschiegner, S.A.; Koscielny-Bunde, E.; Havlin, S.; Bunde, A.; Stanley, H.E. Multifractal Detrended Fluctuation Analysis of Nonstationary Time Series. Phys. A Stat. Mech. Its Appl. 2002, 316, 87–114. [Google Scholar] [CrossRef]
- Espen, A.F. Ihlen. Introduction to Multifractal Detrended Fluctuation Analysis in Matlab. Front. Physiol. 2012, 3, 141. [Google Scholar] [CrossRef]
- Zhang, X.; Liu, H.; Zhao, Y.; Zhang, X. Multifractal detrended fluctuation analysis on air traffic flow time series: A single airport case. Phys. A Stat. Mech. Its Appl. 2019, 531, 121790. [Google Scholar] [CrossRef]
- Zagretdinov, A.; Ziganshin, S.; Izmailova, E.; Vankov, Y.; Klyukin, I.; Alexandrov, R. Detection of Pipeline Leaks Using Fractal Analysis of Acoustic Signals. Fractal Fract. 2024, 8, 213. [Google Scholar] [CrossRef]












| Excess Pressure at the Valve Inlet, Bar | Excess Pressure at the Outlet of the Valve, Bar | Pressure Drop on the Valve, Bar | Water Consumption, L/min | Note |
|---|---|---|---|---|
| 1.48 | 1.43 | 0.05 | 22.0 | valve is fully open |
| 1.55 | 1.19 | 0.36 | 20.0 | |
| 1.65 | 0.85 | 0.80 | 16.8 | |
| 1.71 | 0.60 | 1.11 | 14.0 | |
| 1.79 | 0.24 | 1.55 | 10.5 | |
| 1.85 | 0 | 1.85 | 5.3 | |
| 1.97 | 0 | 1.97 | 0 | valve is completely closed |
| Water Consumption, L/min | The Area of the Passage, mm2 | Note |
|---|---|---|
| 22.0 | 176.5 | valve is fully open |
| 20.0 | 68.6 | |
| 16.8 | 43.6 | |
| 14.0 | 31.3 | |
| 10.5 | 19.2 | |
| 5.3 | 7.8 |
| The Area of the Passage, mm2 | Speed at Inlet to the Pipeline, m/s | Excess Pressure at the Outlet of the Pipeline, Bar |
|---|---|---|
| 176.5 | 1.17 | 1.43 |
| 68.6 | 1.06 | 1.19 |
| 43.6 | 0.89 | 0.85 |
| 31.3 | 0.75 | 0.60 |
| 19.2 | 0.56 | 0.24 |
| 7.8 | 0.28 | 0 |
Disclaimer/Publisher’s Note: The statements, opinions and data contained in all publications are solely those of the individual author(s) and contributor(s) and not of MDPI and/or the editor(s). MDPI and/or the editor(s) disclaim responsibility for any injury to people or property resulting from any ideas, methods, instructions or products referred to in the content. |
© 2024 by the authors. Licensee MDPI, Basel, Switzerland. This article is an open access article distributed under the terms and conditions of the Creative Commons Attribution (CC BY) license (https://creativecommons.org/licenses/by/4.0/).
Share and Cite
Zagretdinov, A.; Ziganshin, S.; Izmailova, E.; Vankov, Y.; Klyukin, I.; Alexandrov, R. Detection of Gate Valve Leaks through the Analysis Fractal Characteristics of Acoustic Signal. Fractal Fract. 2024, 8, 280. https://doi.org/10.3390/fractalfract8050280
Zagretdinov A, Ziganshin S, Izmailova E, Vankov Y, Klyukin I, Alexandrov R. Detection of Gate Valve Leaks through the Analysis Fractal Characteristics of Acoustic Signal. Fractal and Fractional. 2024; 8(5):280. https://doi.org/10.3390/fractalfract8050280
Chicago/Turabian StyleZagretdinov, Ayrat, Shamil Ziganshin, Eugenia Izmailova, Yuri Vankov, Ilya Klyukin, and Roman Alexandrov. 2024. "Detection of Gate Valve Leaks through the Analysis Fractal Characteristics of Acoustic Signal" Fractal and Fractional 8, no. 5: 280. https://doi.org/10.3390/fractalfract8050280
APA StyleZagretdinov, A., Ziganshin, S., Izmailova, E., Vankov, Y., Klyukin, I., & Alexandrov, R. (2024). Detection of Gate Valve Leaks through the Analysis Fractal Characteristics of Acoustic Signal. Fractal and Fractional, 8(5), 280. https://doi.org/10.3390/fractalfract8050280
